Информационная система
«Ёшкин Кот»

Скачать базу одним архивом
Скачать обновления
История создания базы
Карта сайта

Скачать Типовой проект 901-1-90.87 Альбом IV. Индустриальные изделия

Дата актуализации: 10.08.2017

Типовой проект 901-1-90.87

Альбом IV. Индустриальные изделия

Обозначение: Типовой проект 901-1-90.87
Обозначение англ: 901-1-90.87
Статус:не определен законодательством
Название рус.:Альбом IV. Индустриальные изделия
Дата добавления в базу:01.09.2013
Дата актуализации:05.05.2017
Дата введения:28.08.1987
Оглавление:901-1-90.87-КЖИ-ТТ Технические требования
901-1-90.87-КЖИ-П20-3б-1 Плита перекрытия П20-3б-1, П14-3б-1, П14-3б-2, П14д-3б-1
901-1-90.87-КЖИ-П20-3б-1СБ Плита перекрытия П20-3б-1, П14-3б-1, П14-3б-2, П14д-3б-1. Сборочный чертеж
901-1-90.87-КЖИ-ПГ-2АтVIТ-1 Плита ПГ-2АтVIТ-1
901-1-90.87-КЖИ-ПВ4-2АтVIТ-1 Плита ПВ4-2АтVIТ-1, ПВ10-2АтVIТ-1
901-1-90.87-КЖИ-1БСД9-5АVТ-1 Балка 1БСД9-5АVТ-1
901-1-90.87-КЖИ-ПС60 Панель стеновая ПС (надземная часть)
901-1-90.87-КЖИ-ПС60СБ Панель стеновая ПС (надземная часть). Сборочный чертеж
901-1-90.87-КЖИ-1К3.36-1 Колонна 1К3.36-1; 1К3.36-2; 1КФ43-1-1; 1КФ57-1-1; 2КВ4.42-1-1…2КВ4.42-1-6
901-1-90.87-КЖИ-1К3.36-1СБ Колонна 1К3.36-1; 1К3.36-2; 1КФ43-1-1; 1КФ57-1-1; 2КВ4.42-1-1…2КВ4.42-1-6. Сборочный чертеж
901-1-90.87-КЖИ-ПК5.6,5-л Панель карнизная ПК5.6,5-л
901-1-90.87-КЖИ-2ПП25-8-1 Перемычка 2ПП25-8-1; 2ПП25-8-2
901-1-90.87-КЖИ-ПС2А-54-К1 Панель стеновая ПС2А-54-К1, ПС2А-54-К3
901-1-90.87-КЖИ-ПС2А-54-К1СБ Панель стеновая ПС2А-54-К1, ПС2А-54-К3. Сборочный чертеж
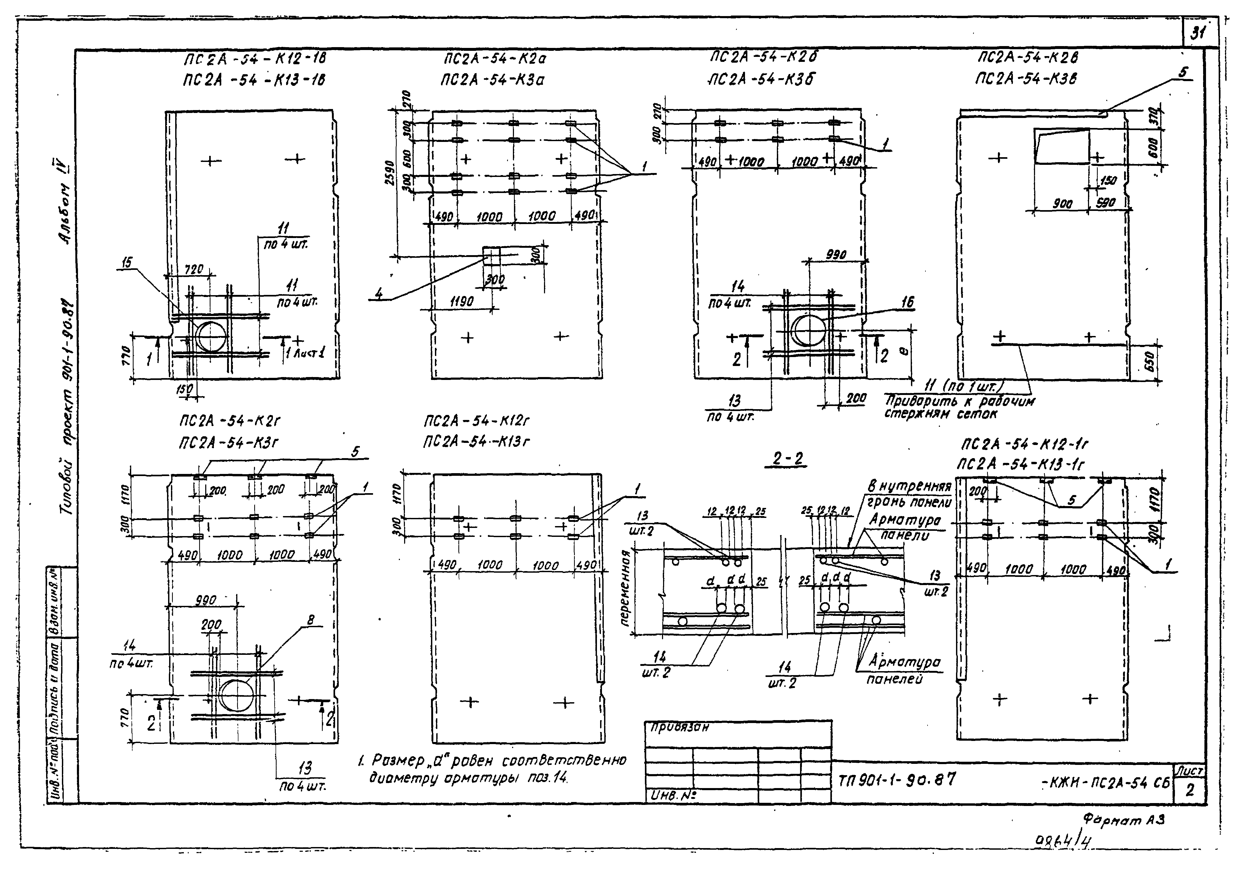
901-1-90.87-КЖИ-ПС2А-54-К12 Панель стеновая ПС2А-54-К12… ПС2А-54-К13-1
901-1-90.87-КЖИ-ПС2А-54-К12СБ Панель стеновая ПС2А-54-К12… ПС2А-54-К13-1. Сборочный чертеж
901-1-90.87-КЖИ-ПС2А-54 Панель стеновая ПС2А-54 с дополнительными закладными изделиями
901-1-90.87-КЖИ-ПС2А-54СБ Панель стеновая ПС2А-54 с дополнительными закладными изделиями. Сборочный чертеж
901-1-90.87-КЖИ-КР1 Каркас плоский КР1…КР3
901-1-90.87-КЖИ-КР1СБ Каркас плоский КР1…КР3. Сборочный чертеж
901-1-90.87-КЖИ-КР4 Каркас плоский КР4
901-1-90.87-КЖИ-КР5 Каркас плоский КР5
901-1-90.87-КЖИ-КР6 Каркас плоский КР6
901-1-90.87-КЖИ-МН1 Изделие закладное МН1
901-1-90.87-КЖИ-МН2 Изделие закладное МН2
901-1-90.87-КЖИ-МН3 Изделие закладное МН3
901-1-90.87-КЖИ-МН4 Изделие закладное МН4, МН5
901-1-90.87-КЖИ-МН4СБ Изделие закладное МН4, МН5. Сборочный чертеж
901-1-90.87-КЖИ-МН6 Изделие закладное МН6
901-1-90.87-КЖИ-МН7 Изделие закладное МН7
901-1-90.87-КЖИ-МН8 Изделие закладное МН8
901-1-90.87-КЖИ-МС1 Изделие соединительное МС1
901-1-90.87-КЖИ-МС2 Изделие соединительное МС2
901-1-90.87-КЖИ-МС3 Изделие соединительное МС3
901-1-90.87-КЖИ-МС8 Изделие соединительное МС8
901-1-90.87-КЖИ-МС9 Изделие соединительное МС9
901-1-90.87-КЖИ-МС10 Изделие соединительное МС6, МС7, МС10, МС11
901-1-90.87-КЖИ-МС10СБ Изделие соединительное МС6, МС7, МС10, МС11. Сборочный чертеж
901-1-90.87-КЖИ-МС4 Изделие соединительное МС4, МС5
901-1-90.87-КЖИ-МН9 Изделие закладное МН9
901-1-90.87-КЖИ-РМ1 Решетка РМ1
901-1-90.87-КЖИ-РМ2 Решетка РМ2
Разработан: Укрводоканалпроект
Утверждён:28.08.1987 Госстрой СССР (Государственный комитет Совета Министров СССР по делам строительства) (USSR Gosstroy 57)
Расположен в:Техническая документация Строительство Справочные документы Типовые строительные конструкции, изделия и узлы Общероссийский строительный каталог Промышленные предприятия, здания и сооружения Здания и сооружения санитарно-технические Водоснабжение Насосные станции Насосные станции водопроводные
Типовой проект 901-1-90.87Типовой проект 901-1-90.87Типовой проект 901-1-90.87Типовой проект 901-1-90.87Типовой проект 901-1-90.87Типовой проект 901-1-90.87Типовой проект 901-1-90.87Типовой проект 901-1-90.87Типовой проект 901-1-90.87Типовой проект 901-1-90.87Типовой проект 901-1-90.87Типовой проект 901-1-90.87Типовой проект 901-1-90.87Типовой проект 901-1-90.87Типовой проект 901-1-90.87Типовой проект 901-1-90.87Типовой проект 901-1-90.87Типовой проект 901-1-90.87Типовой проект 901-1-90.87Типовой проект 901-1-90.87Типовой проект 901-1-90.87Типовой проект 901-1-90.87Типовой проект 901-1-90.87Типовой проект 901-1-90.87Типовой проект 901-1-90.87Типовой проект 901-1-90.87Типовой проект 901-1-90.87Типовой проект 901-1-90.87Типовой проект 901-1-90.87Типовой проект 901-1-90.87Типовой проект 901-1-90.87Типовой проект 901-1-90.87Типовой проект 901-1-90.87Типовой проект 901-1-90.87Типовой проект 901-1-90.87Типовой проект 901-1-90.87Типовой проект 901-1-90.87Типовой проект 901-1-90.87Типовой проект 901-1-90.87Типовой проект 901-1-90.87Типовой проект 901-1-90.87Типовой проект 901-1-90.87Типовой проект 901-1-90.87Типовой проект 901-1-90.87Типовой проект 901-1-90.87Типовой проект 901-1-90.87Типовой проект 901-1-90.87

© 2013 Ёшкин Кот :-) Карта сайта