Информационная система
«Ёшкин Кот»

Скачать базу одним архивом
Скачать обновления
История создания базы
Карта сайта

Скачать Типовой проект 901-1-90.87 Альбом III. Архитектурно-строительные решения

Дата актуализации: 10.08.2017

Типовой проект 901-1-90.87

Альбом III. Архитектурно-строительные решения

Обозначение: Типовой проект 901-1-90.87
Обозначение англ: 901-1-90.87
Статус:не определен законодательством
Название рус.:Альбом III. Архитектурно-строительные решения
Дата добавления в базу:01.09.2013
Дата актуализации:05.05.2017
Дата введения:28.08.1987
Оглавление:Основной комплект марки АР
   Общие данные
   Планы
   Разрезы 1-1, 2-2, 3-3
   Фасады
   План отверстий. Узлы
   Фрагмент плана 2
   Планы полов
   План кровли. Ведомость перемычек
   Узлы
   Ворота ВЭ-1,9х2,79. Монтажная схема. Защелка пружинная. Спецификации
   ПВЭ-1,9х2,79. Защитный уголок У-1, пробои Т90
   Рама РВЭ-1,9х2,79. Шпингалет нижний ШН. Щеколда фалевая ЩФ. Петля подгибная ПП
   Детали установки приборов ворот. Вентиляционная жалюзийная решетка ВЖ-1, утепленный клапан УК-1
   Вентиляционная жалюзийная решетка ВЖ-2. Утепленный клапан УК-2
Основной комплект КЖ
   Общие данные
   Схемы расположения плит и балок покрытия, колонн
   Узел 1…5 к схемам расположения плит и балок покрытия, колонн
   Схемы расположения стеновых панелей надземной части
   Схема расположения фундаментов и фундаментных балок
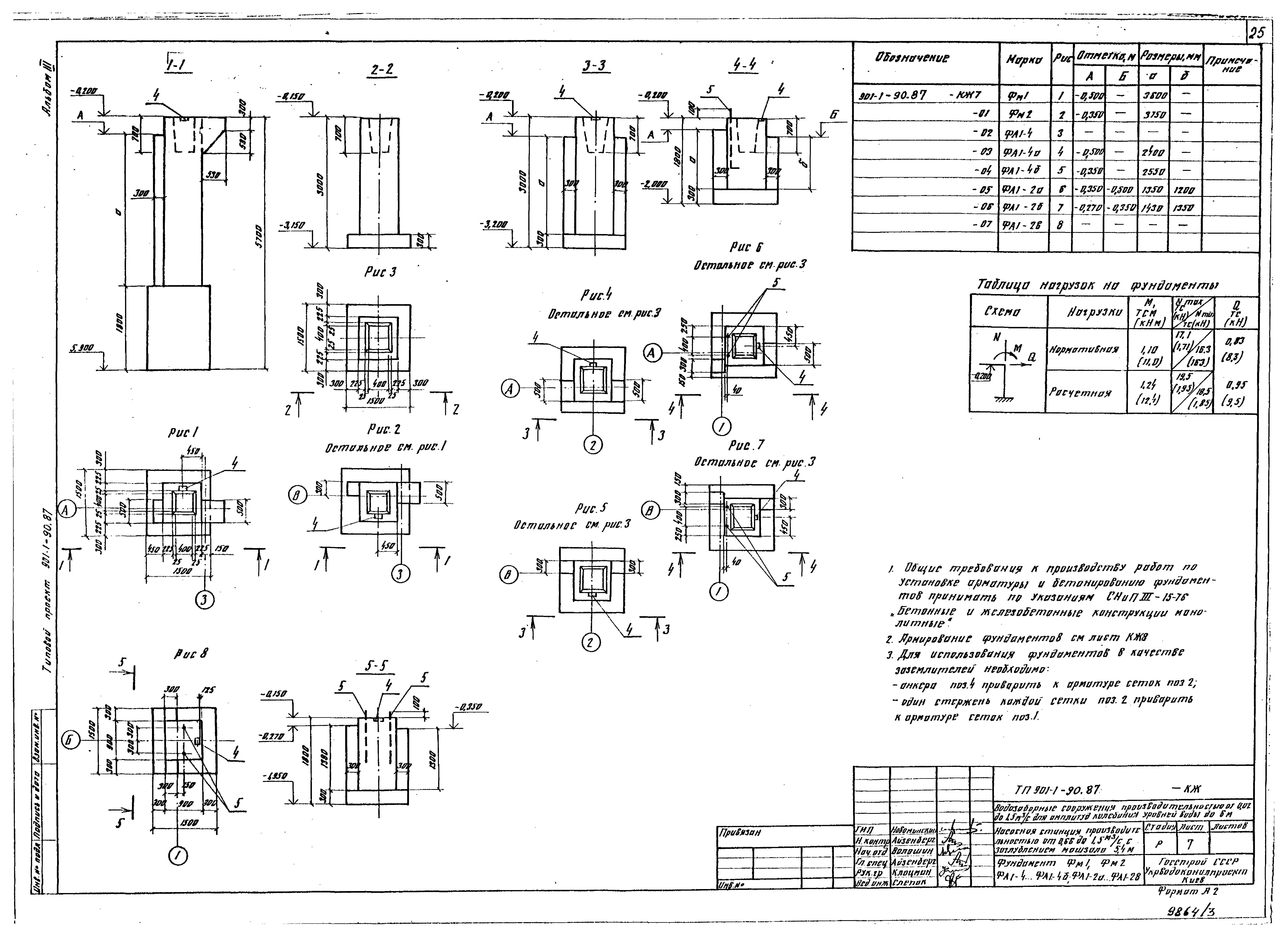
   Фундамент Фм1, Фм2, ФА1-4…ФА1-4б; ФА1-2а…ФА1-2в
   Армирование фундаментов Фм1, Фм2, ФА1-4…ФА1-4б; ФА1-2а…ФА1-2в
   Схема расположения стеновых панелей подземной части
   Узел 1…4 к схеме расположения стеновых панелей подземной части
   Схема расположения закладных изделий и выпусков днища Пм1, детали армирования гребня и приямка
   Схемы армирования днища Пм1
   Спецификация и ведомость расхода стали днища Пм1
   Схема расположения площадок машзала
   Схема расположения фундаментов, опор под оборудование
   Схема расположения каналов электрочасти (вариант установки 2КТП-630). Разрез 1-1
   Схема расположения каналов электрочасти (вариант установки 2КТП-400). Разрезы 2-2…8-8
   Каналы электрочасти. Разрезы 9-9…13-13
   Балка Бм1…Бм5
   Балка Бм1…Бм5. Спецификация. Ведомость расхода стали
   Схема расположения приямка теплосети
   Водонепроницаемый выгреб
Основной комплект КМ
   Общие данные
   Схема расположения путей подвесного крана и монорельсов
   Узел 1…7. Балка МБ5
   Схемы расположения металлических лестниц, площадок и ограждений
   Разрез 5-5…10-10
   Узел 1…10
   Схемы расположения стоек, балок и кронштейнов под площадки
   Разрез 17-17…19-19. Узел 11…17
   Схема расположения опор под трубопроводы. Решетка РМ3. Щит МЩ3
   Техническая спецификация металла
Разработан: Укрводоканалпроект
Утверждён:28.08.1987 Госстрой СССР (Государственный комитет Совета Министров СССР по делам строительства) (USSR Gosstroy 57)
Расположен в:Техническая документация Строительство Справочные документы Типовые строительные конструкции, изделия и узлы Общероссийский строительный каталог Промышленные предприятия, здания и сооружения Здания и сооружения санитарно-технические Водоснабжение Насосные станции Насосные станции водопроводные
Типовой проект 901-1-90.87Типовой проект 901-1-90.87Типовой проект 901-1-90.87Типовой проект 901-1-90.87Типовой проект 901-1-90.87Типовой проект 901-1-90.87Типовой проект 901-1-90.87Типовой проект 901-1-90.87Типовой проект 901-1-90.87Типовой проект 901-1-90.87Типовой проект 901-1-90.87Типовой проект 901-1-90.87Типовой проект 901-1-90.87Типовой проект 901-1-90.87Типовой проект 901-1-90.87Типовой проект 901-1-90.87Типовой проект 901-1-90.87Типовой проект 901-1-90.87Типовой проект 901-1-90.87Типовой проект 901-1-90.87Типовой проект 901-1-90.87Типовой проект 901-1-90.87Типовой проект 901-1-90.87Типовой проект 901-1-90.87Типовой проект 901-1-90.87Типовой проект 901-1-90.87Типовой проект 901-1-90.87Типовой проект 901-1-90.87Типовой проект 901-1-90.87Типовой проект 901-1-90.87Типовой проект 901-1-90.87Типовой проект 901-1-90.87Типовой проект 901-1-90.87Типовой проект 901-1-90.87Типовой проект 901-1-90.87Типовой проект 901-1-90.87Типовой проект 901-1-90.87Типовой проект 901-1-90.87Типовой проект 901-1-90.87Типовой проект 901-1-90.87Типовой проект 901-1-90.87Типовой проект 901-1-90.87Типовой проект 901-1-90.87Типовой проект 901-1-90.87Типовой проект 901-1-90.87Типовой проект 901-1-90.87Типовой проект 901-1-90.87Типовой проект 901-1-90.87Типовой проект 901-1-90.87Типовой проект 901-1-90.87Типовой проект 901-1-90.87

© 2013 Ёшкин Кот :-) Карта сайта