Скачать Серия ИИ-04-16 Выпуск 1. Вентиляционные блоки - стенки жесткости, железобетонные, одноэтажные для зданий каркасной конструкции серии ИИ-04 с высотами этажей 2,8; 3,3; 3,6; 4,2 м. Опалубка и армированиеДата актуализации: 10.08.2017 Серия ИИ-04-16
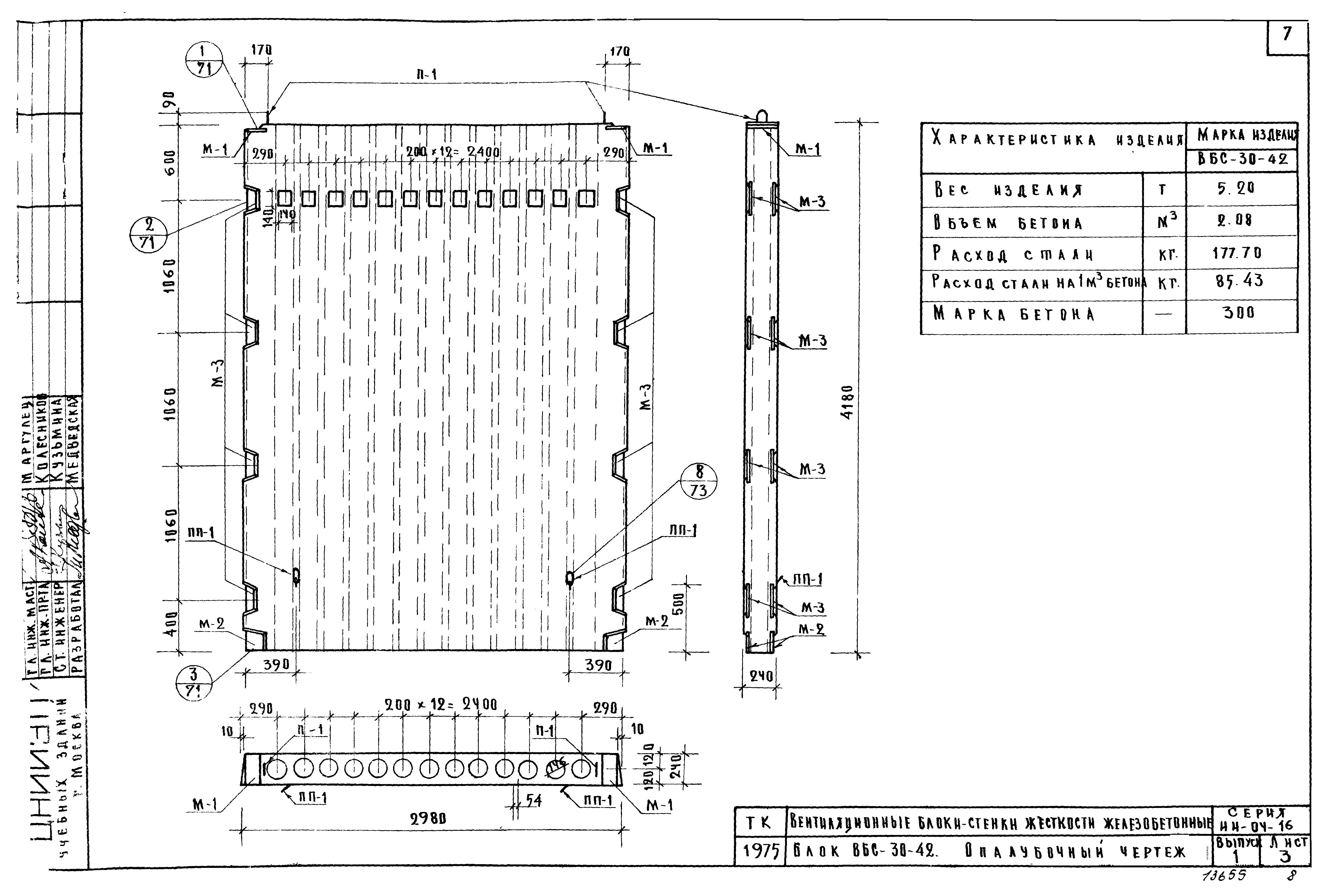
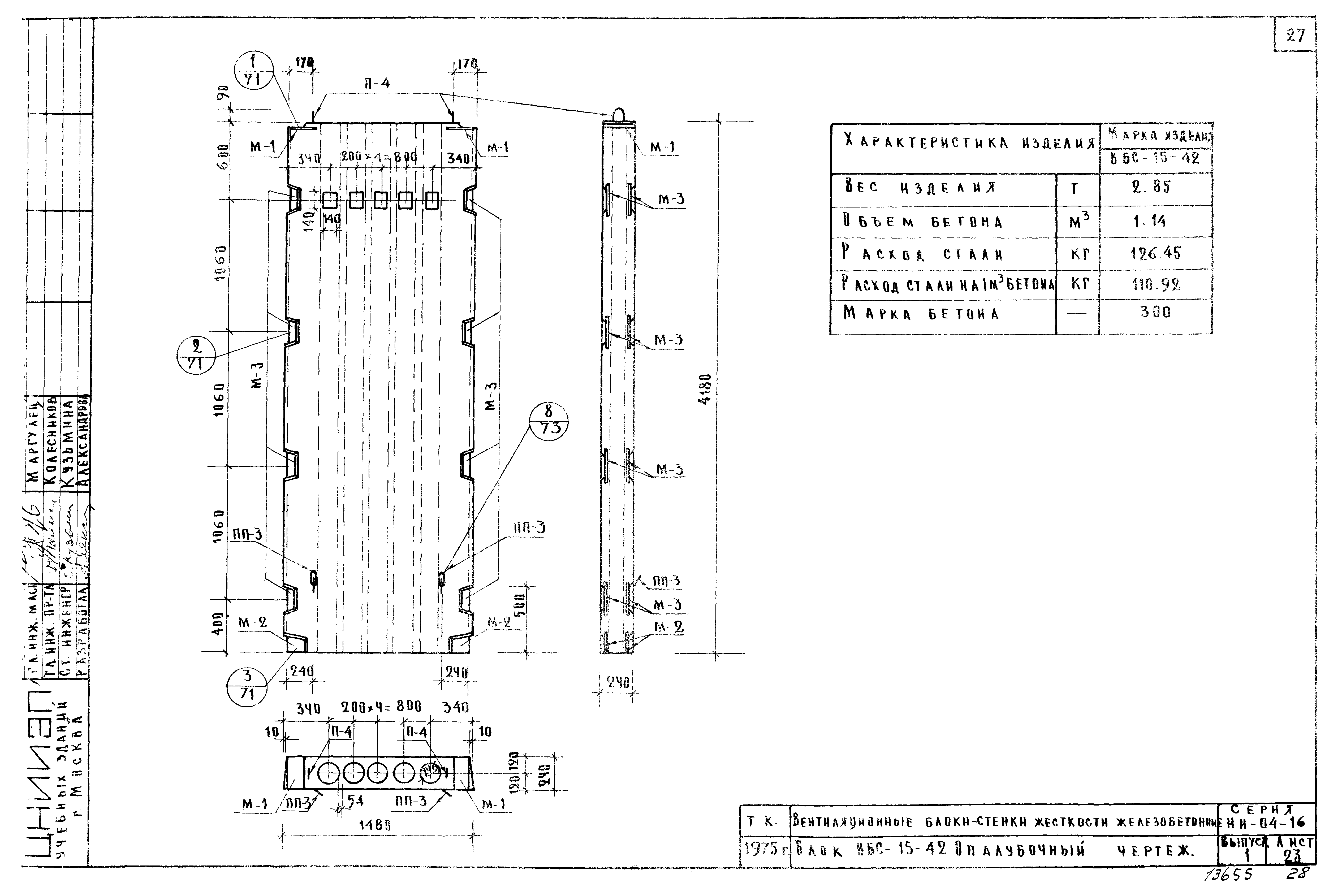
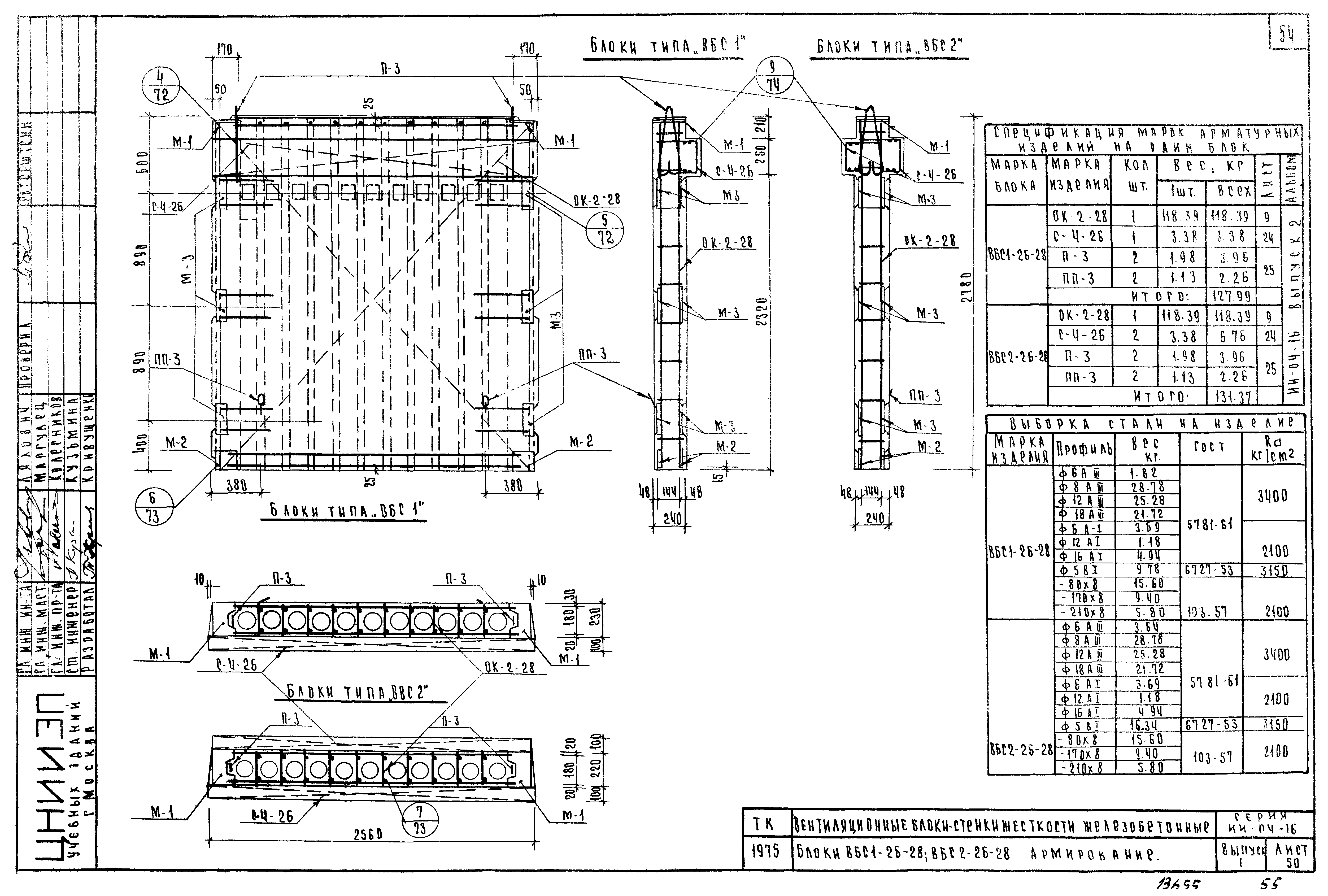
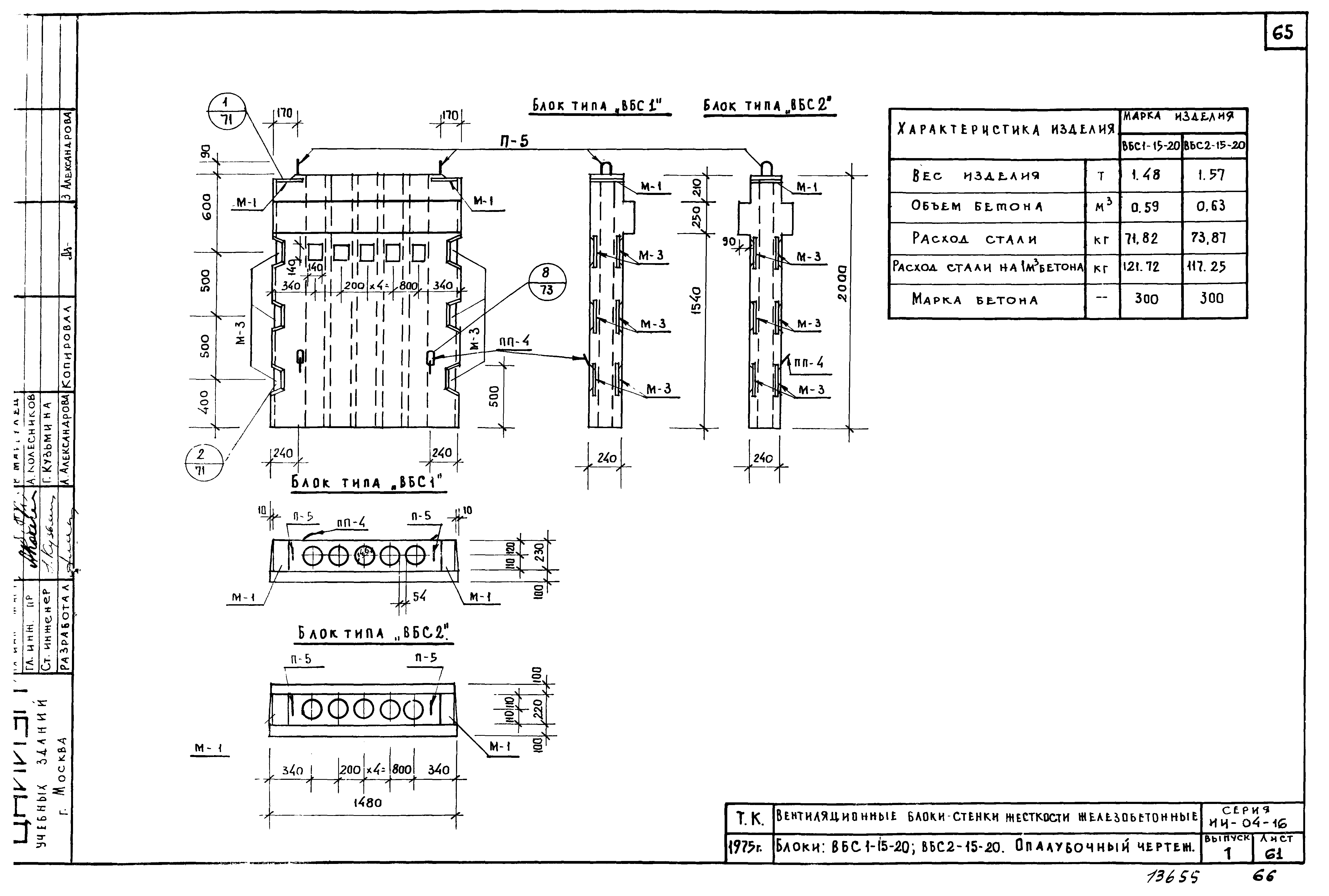
Выпуск 1. Вентиляционные блоки - стенки жесткости, железобетонные, одноэтажные для зданий каркасной конструкции серии ИИ-04 с высотами этажей 2,8; 3,3; 3,6; 4,2 м. Опалубка и армированиеОбозначение: | Серия ИИ-04-16 | Обозначение англ: | Series ИИ-04-16 | Статус: | не действует | Название рус.: | Выпуск 1. Вентиляционные блоки - стенки жесткости, железобетонные, одноэтажные для зданий каркасной конструкции серии ИИ-04 с высотами этажей 2,8; 3,3; 3,6; 4,2 м. Опалубка и армирование | Дата добавления в базу: | 01.09.2013 | Дата актуализации: | 05.05.2017 | Дата введения: | 01.01.1976 | Дата окончания срока действия: | 01.04.1982 | Оглавление: | Содержание альбома Пояснительная записка Номенклатура изделий Блок ВБС-30-42. Опалубочный чертеж Блок ВБС-30-42. Армирование Блок ВБС-30-36. Опалубочный чертеж Блок ВБС-30-36. Армирование Блок ВБС-30-33. Опалубочный чертеж Блок ВБС-30-33. Армирование Блок ВБС-30-28. Опалубочный чертеж Блок ВБС-30-28. Армирование Блок ВБС-30-20. Опалубочный чертеж Блок ВБС-30-20. Армирование Блок ВБС-26-42. Опалубочный чертеж Блок ВБС-26-42. Армирование Блок ВБС-26-36. Опалубочный чертеж Блок ВБС-26-36. Армирование Блок ВБС-26-33. Опалубочный чертеж Блок ВБС-26-33. Армирование Блок ВБС-26-28. Опалубочный чертеж Блок ВБС-26-28. Армирование Блок ВБС-26-20. Опалубочный чертеж Блок ВБС-26-20. Армирование Блок ВБС-15-42. Опалубочный чертеж Блок ВБС-15-42. Армирование Блок ВБС-15-36. Опалубочный чертеж Блок ВБС-15-36. Армирование Блок ВБС-15-33. Опалубочный чертеж Блок ВБС-15-33. Армирование Блок ВБС-15-28. Опалубочный чертеж Блок ВБС-15-28. Армирование Блок ВБС-15-20. Опалубочный чертеж Блок ВБС-15-20. Армирование Блоки ВБС1-30-42, ВБС2-30-42. Опалубочный чертеж Блоки ВБС1-30-42, ВБС2-30-42. Армирование Блоки ВБС1-30-36, ВБС2-30-36. Опалубочный чертеж Блоки ВБС1-30-36, ВБС2-30-36. Армирование Блоки ВБС1-30-33, ВБС2-30-33. Опалубочный чертеж Блоки ВБС1-30-33, ВБС2-30-33. Армирование Блоки ВБС1-30-28, ВБС2-30-28. Опалубочный чертеж Блоки ВБС1-30-28, ВБС2-30-28. Армирование Блоки ВБС1-30-20, ВБС2-30-20. Опалубочный чертеж Блоки ВБС1-30-20, ВБС2-30-20. Армирование Блоки ВБС1-26-42, ВБС2-26-42. Опалубочный чертеж Блоки ВБС1-26-42, ВБС2-26-42. Армирование Блоки ВБС1-26-36, ВБС2-26-36. Опалубочный чертеж Блоки ВБС1-26-36, ВБС2-26-36. Армирование Блоки ВБС1-26-33, ВБС2-26-33. Опалубочный чертеж Блоки ВБС1-26-33, ВБС2-26-33. Армирование Блоки ВБС1-26-28, ВБС2-26-28. Опалубочный чертеж Блоки ВБС1-26-28, ВБС2-26-28. Армирование Блоки ВБС1-26-20, ВБС2-26-20. Опалубочный чертеж Блоки ВБС1-26-20, ВБС2-26-20. Армирование Блоки ВБС1-15-42, ВБС2-15-42. Опалубочный чертеж Блоки ВБС1-15-42, ВБС2-15-42. Армирование Блоки ВБС1-15-36, ВБС2-15-36. Опалубочный чертеж Блоки ВБС1-15-36, ВБС2-15-36. Армирование Блоки ВБС1-15-33, ВБС2-15-33. Опалубочный чертеж Блоки ВБС1-15-33, ВБС2-15-33. Армирование Блоки ВБС1-15-28, ВБС2-15-28. Опалубочный чертеж Блоки ВБС1-15-28, ВБС2-15-28. Армирование Блоки ВБС1-15-20, ВБС2-15-20. Опалубочный чертеж Блоки ВБС1-15-20, ВБС2-15-20. Армирование Вариант блоков с металлическими консолями. Конструкция металлических консолей Блоки ВБС1М-30-42, 30-36, 30-33, 30-28, 30-20, 26-42, 26-36, 26-33, 26-28, 26-20, 15-42, 15-36, 15-33, 15-28, 15-20, ВБС2М-30-42, 30-36, 30-33, 30-28, 30-20, 26-42, 26-36, 26-33, 26-28, 26-20, 15-42, 15-36, 15-33, 15-28, 15-20. Характеристика изделий. Таблица петель. Вариант с металлическими консолями Блоки ВБС1М-30-42, 30-36, 30-33, 30-28, 30-20. Выбор стали. Вариант с металлическими консолями Блоки ВБС2М-30-42, 30-36, 30-33, 30-28, 30-20. Выбор стали. Вариант с металлическими консолями Блоки ВБС1М-26-42, 26-36, 26-33, 26-28, 26-20. Выбор стали. Вариант с металлическими консолями Блоки ВБС2М-26-42, 26-36, 26-33, 26-28, 26-20. Выбор стали. Вариант с металлическими консолями Блоки ВБС1М-15-42, 15-36, 15-33, 15-28, 15-20. Выбор стали. Вариант с металлическими консолями Блоки ВБС2М-15-42, 15-36, 15-33, 15-28, 15-20. Выбор стали. Вариант с металлическими консолями Узлы 1 - 3 Узлы 4, 5 Узлы 6 - 8 Узел 9 | Разработан: | ЦНИИЭП учебных зданий
| Утверждён: | 24.11.1975 Госгражданстрой (Gosgrazhdanstroy 263)
| Расположен в: |
| Чем заменён: | |
                                                                              
|