Информационная система
«Ёшкин Кот»

Скачать базу одним архивом
Скачать обновления
История создания базы
Карта сайта

Скачать Типовой проект Серия 85 Часть 10. Раздел 10.9-7. Изделия заводского изготовления. Асбестоцементные панели наружных стен в лоджиях для г. Череповца

Дата актуализации: 10.08.2017

Типовой проект Серия 85

Часть 10. Раздел 10.9-7. Изделия заводского изготовления. Асбестоцементные панели наружных стен в лоджиях для г. Череповца

Обозначение: Типовой проект Серия 85
Обозначение англ: Серия 85
Статус:не действует
Название рус.:Часть 10. Раздел 10.9-7. Изделия заводского изготовления. Асбестоцементные панели наружных стен в лоджиях для г. Череповца
Дата добавления в базу:01.09.2013
Дата актуализации:05.05.2017
Оглавление:Обложка
Содержание альбома
Пояснительная записка
Навесная панель Н1л(п). Наружная сторона панели
Навесная панель Н1л(п). Каркас К1л(п)
Навесная панель Н1л(п). Внутренняя сторона панели. Спецификация
Навесная панель Н2л(п). Наружная сторона панели
Навесная панель Н2л(п). Каркас К2л(п)
Навесная панель Н2л(п). Внутренняя сторона панели. Спецификация
Навесная панель. Узел 1
Навесная панель. Узел 2
Навесная панель. Узел 3
Навесная панель. Узел 4
Навесная панель. Узел 5
Навесная панель. Узел 6
Навесная панель. Узел 7
Навесная панель. Узел 7`
Навесная панель. Узел 8
Навесная панель. Узел 8`
Навесная панель. Узел 9
Навесная панель. Узел 9`
Навесная панель. Узел 10
Навесная панель. Узел 10`
Навесная панель. Узел 11
Навесная панель. Узел 12
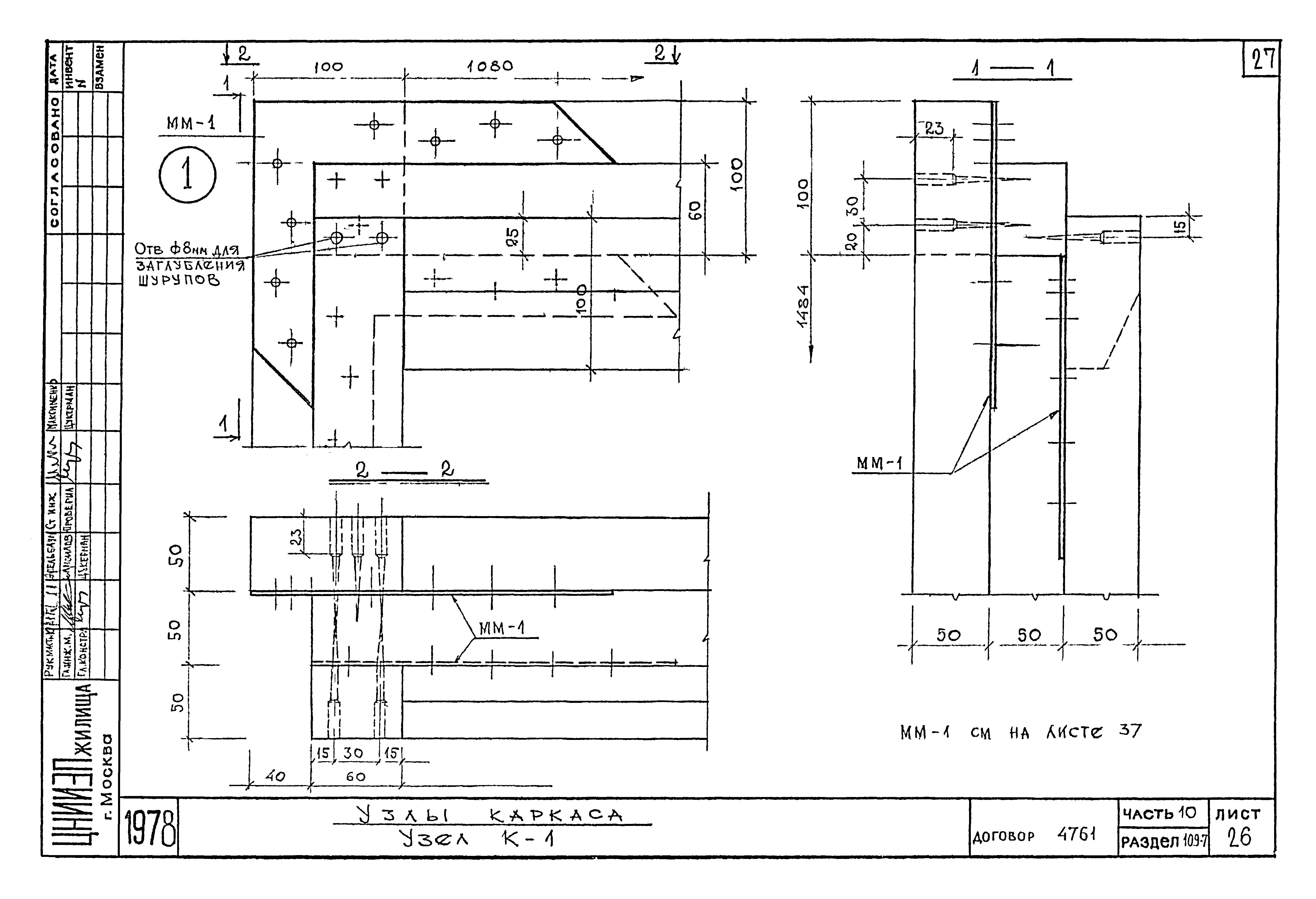
Узлы каркаса. Узел К-1
Узлы каркаса. Узел К-2
Узлы каркаса. Узел К-3
Узлы каркаса. Узел К-4
Узлы каркаса. Узел К-5
Узлы каркаса. Узел К-6
Узлы каркаса. Узел К-7
Узлы каркаса. Узел К-8
Узлы каркаса. Узел К-9
Узлы каркаса. Узел К-10
Навесные панели. Сечения деревянных брусков
Навесные панели Н1л(п), Н2л(п). Металлические изделия
Навесные панели Н1л(п), Н2л(п). Спецификация материалов
Навесная панель Н3л(п). Наружная сторона панели
Навесная панель Н3л(п). Внутренняя сторона панели
Навесная панель Н3л(п). Каркас К3л(п)
Навесная панель Н3л(п). Спецификация материалов
Разработан: ЦНИИЭП жилища
Утверждён:01.01.1978 Государственный комитет по гражданскому строительству и архитектуре при Госстрое СССР
Расположен в:Техническая документация Строительство Справочные документы Типовые строительные конструкции, изделия и узлы Общероссийский строительный каталог Жилые здания для строительства в городах и поселках городского типа Обычные условия Дома для молодежных строительных кооперативов Серия 85 Дома для малосемейных Серия 85 Жилые дома со стенами из местных материалов Серия 85 Жилые здания для строительства в сельской местности Жилые дома со стенами из местных материалов Серия 85
Типовой проект Серия 85Типовой проект Серия 85Типовой проект Серия 85Типовой проект Серия 85Типовой проект Серия 85Типовой проект Серия 85Типовой проект Серия 85Типовой проект Серия 85Типовой проект Серия 85Типовой проект Серия 85Типовой проект Серия 85Типовой проект Серия 85Типовой проект Серия 85Типовой проект Серия 85Типовой проект Серия 85Типовой проект Серия 85Типовой проект Серия 85Типовой проект Серия 85Типовой проект Серия 85Типовой проект Серия 85Типовой проект Серия 85Типовой проект Серия 85Типовой проект Серия 85Типовой проект Серия 85Типовой проект Серия 85Типовой проект Серия 85Типовой проект Серия 85Типовой проект Серия 85Типовой проект Серия 85Типовой проект Серия 85Типовой проект Серия 85Типовой проект Серия 85Типовой проект Серия 85Типовой проект Серия 85Типовой проект Серия 85Типовой проект Серия 85Типовой проект Серия 85Типовой проект Серия 85Типовой проект Серия 85

© 2013 Ёшкин Кот :-) Карта сайта