Информационная система
«Ёшкин Кот»

Скачать базу одним архивом
Скачать обновления
История создания базы
Карта сайта

Скачать Типовой проект 903-1-241.87 Альбом XVI. Низковольтные комплектные устройства. Задание заводу-изготовителю

Дата актуализации: 10.08.2017

Типовой проект 903-1-241.87

Альбом XVI. Низковольтные комплектные устройства. Задание заводу-изготовителю

Обозначение: Типовой проект 903-1-241.87
Обозначение англ: 903-1-241.87
Статус:заменен
Название рус.:Альбом XVI. Низковольтные комплектные устройства. Задание заводу-изготовителю
Дата добавления в базу:01.09.2013
Дата актуализации:05.05.2017
Дата введения:01.06.1992
Оглавление:Содержание альбома
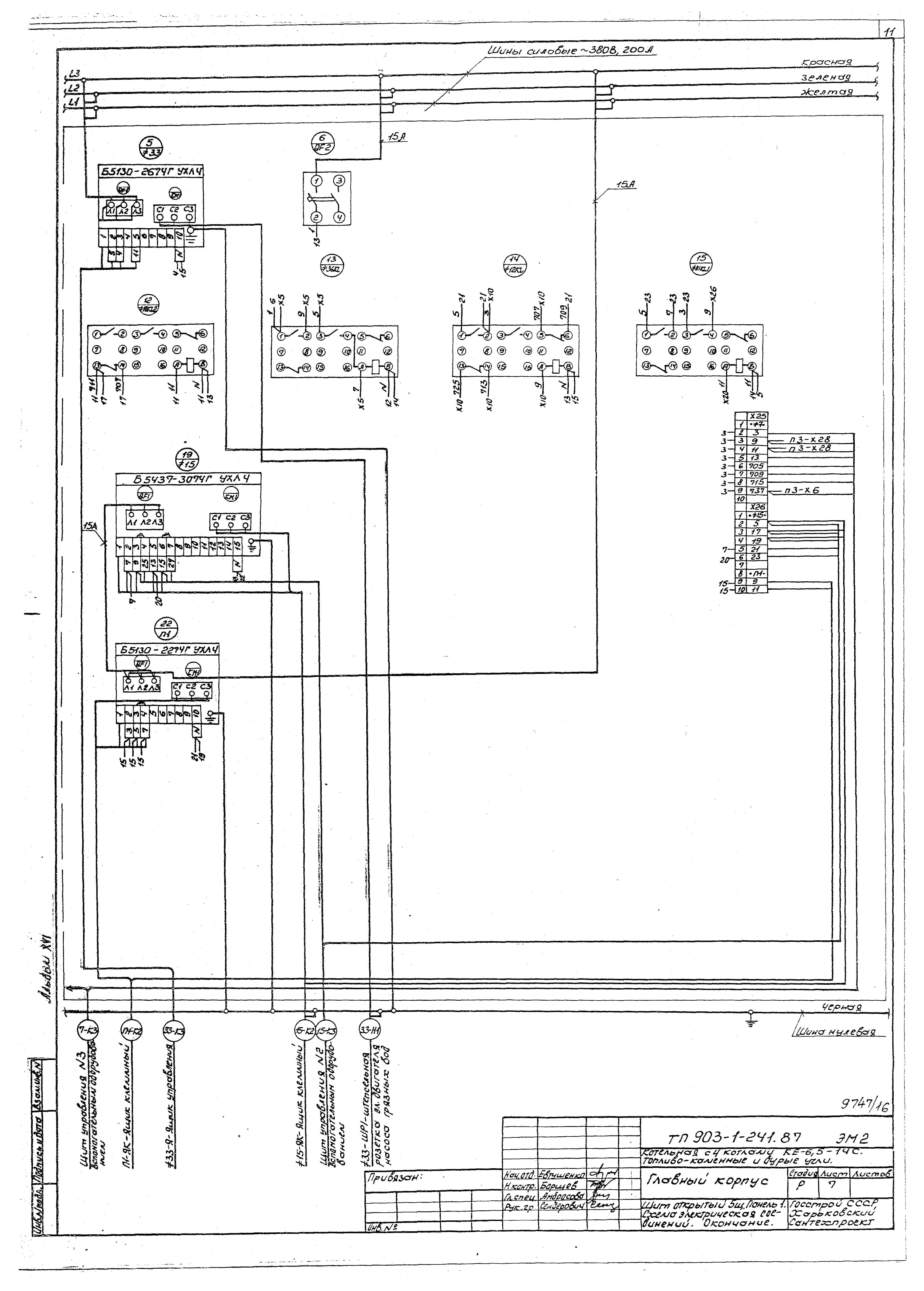
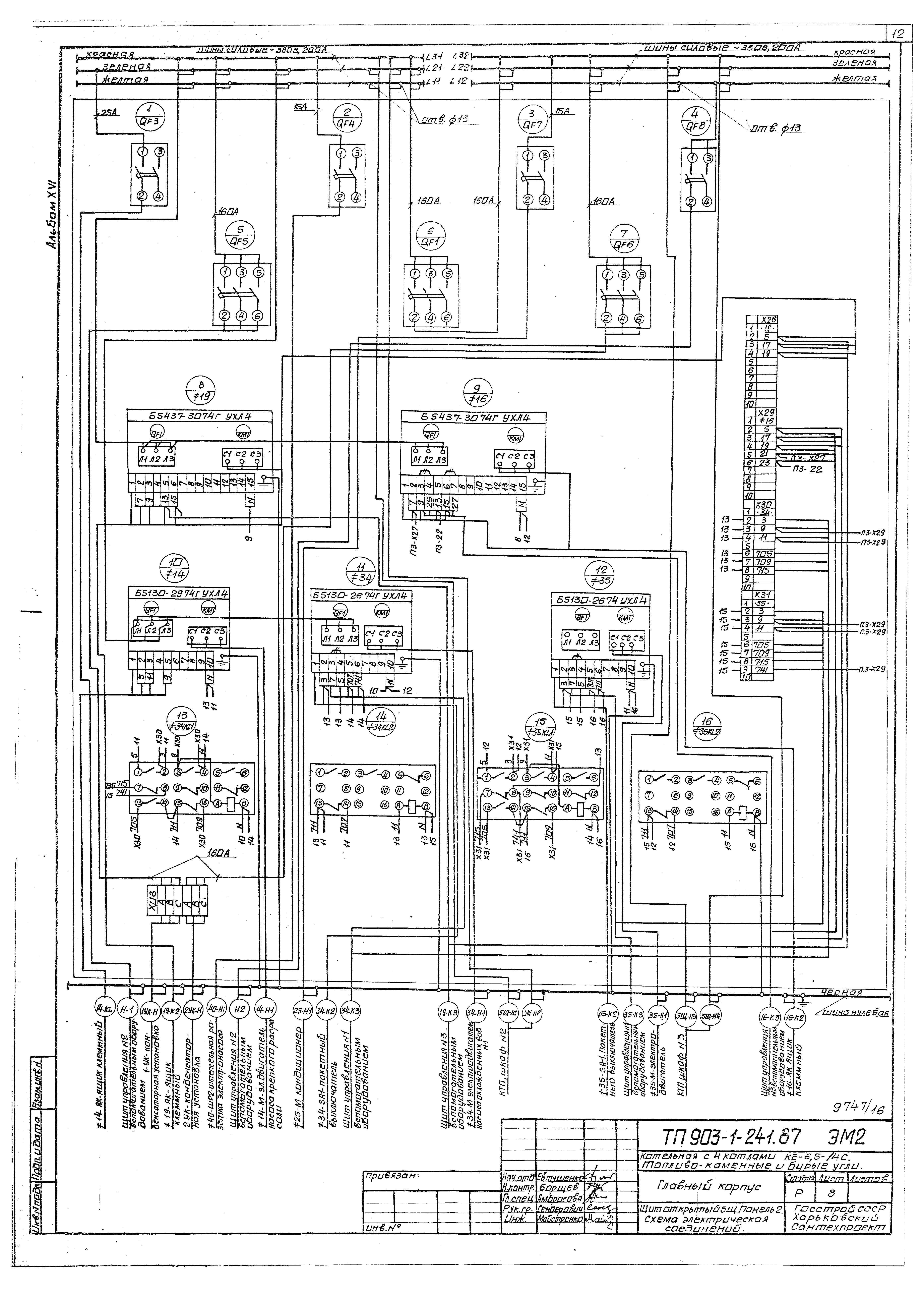
Низковольтные комплектные устройства управления. Задание заводу-изготовителю. Опись чертежей
Перечень комплектных устройств
Щит открытый 1Щ (2Щ, 3Щ, 4Щ). Технические данные аппаратов
Щит открытый 1Щ (2Щ, 3Щ, 4Щ). Чертеж общего вида
Щит открытый 1Щ (2Щ, 3Щ, 4Щ). Панель 1. Чертеж общего вида
Щит открытый 1Щ (2Щ, 3Щ, 4Щ). Перечень надписей
Щит открытый 1Щ (2Щ, 3Щ, 4Щ). Схема электрическая соединений
Щит открытый 5Щ. Технические данные аппаратов
Щит открытый 5Щ. Чертеж общего вида
Щит открытый 5Щ. Панель 1. Чертеж общего вида
Щит открытый 5Щ. Панель 2. Чертеж общего вида
Щит открытый 5Щ. Панель 3. Чертеж общего вида
Щит открытый 5Щ. Панель 1. Схема электрическая соединений
Щит открытый 5Щ. Панель 2. Схема электрическая соединений
Щит открытый 5Щ. Панель 3. Схема электрическая соединений
Щит открытый 5Щ. Перечень надписей
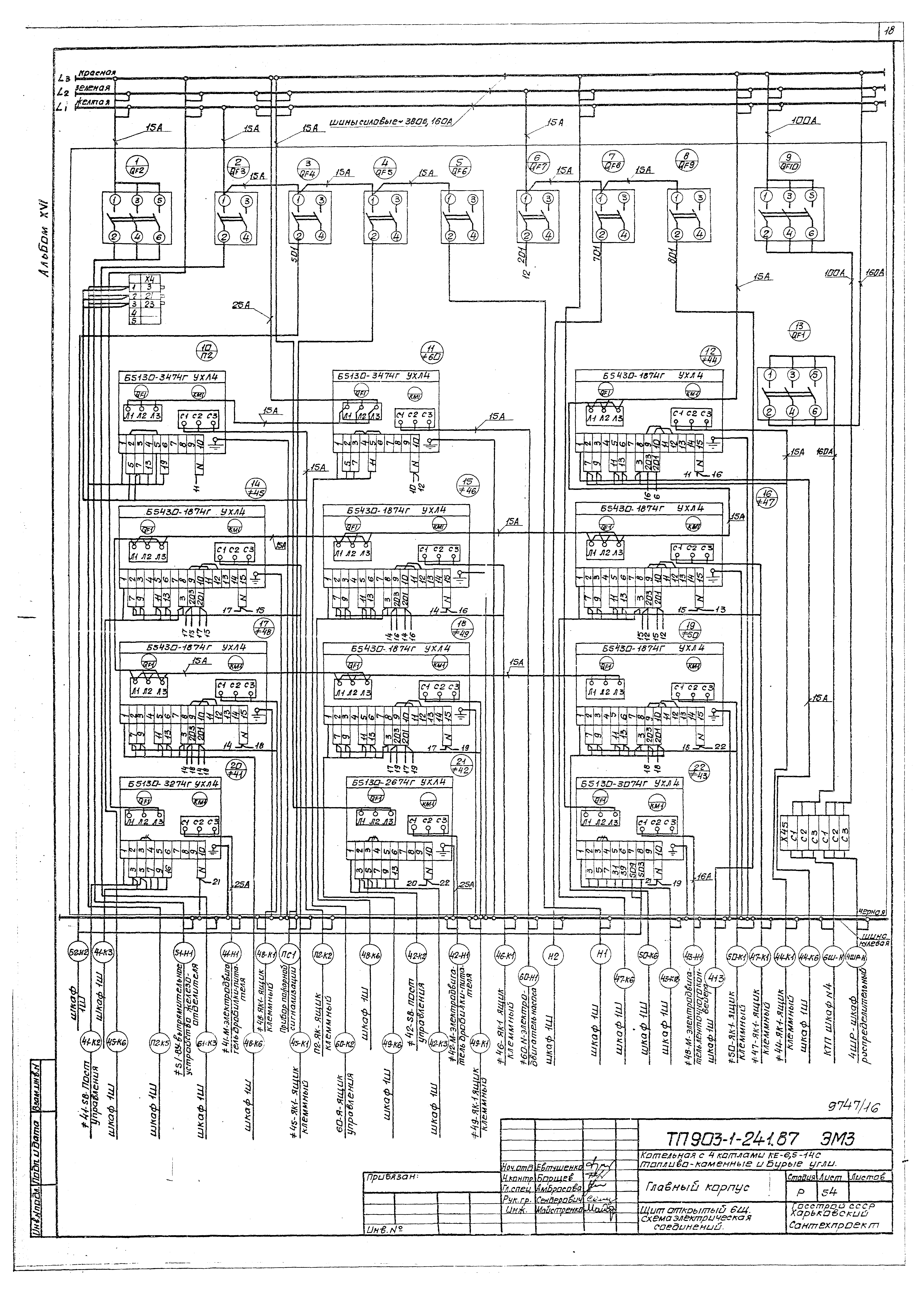
Щит открытый 6Щ. Технические данные аппаратов
Щит открытый 6Щ. Чертеж общего вида
Щит открытый 6Щ. Панель 1. Чертеж общего вида
Щит открытый 6Щ. Схема электрическая соединений
Щит открытый 6Щ. Перечень надписей
Шкаф 1Ш. Технические данные аппаратов
Шкаф 1Ш. Чертеж общего вида
Шкаф 1Ш. Схема электрическая соединений
Шкаф 1Ш. Перечень надписей
Ящик 33Я (60Я). Технические данные аппаратов
Ящик 33Я (60Я). Чертеж общего вида
Ящик 33Я (60Я). Схема электрическая соединений
Ящик 33Я (60Я). Перечень надписей
Разработан: Харьковский Сантехпроект
Утверждён:09.06.1987 Госстрой СССР (Государственный комитет Совета Министров СССР по делам строительства) (USSR Gosstroy АЧ-58)
Расположен в:Техническая документация Строительство Справочные документы Типовые строительные конструкции, изделия и узлы Общероссийский строительный каталог Промышленные предприятия, здания и сооружения Здания и сооружения санитарно-технические Теплоснабжение Котельные установки Закрытые системы теплоснабжения Топливо - каменные и бурые угли
Заменяет собой:
Чем заменён:
Типовой проект 903-1-241.87Типовой проект 903-1-241.87Типовой проект 903-1-241.87Типовой проект 903-1-241.87Типовой проект 903-1-241.87Типовой проект 903-1-241.87Типовой проект 903-1-241.87Типовой проект 903-1-241.87Типовой проект 903-1-241.87Типовой проект 903-1-241.87Типовой проект 903-1-241.87Типовой проект 903-1-241.87Типовой проект 903-1-241.87Типовой проект 903-1-241.87Типовой проект 903-1-241.87Типовой проект 903-1-241.87Типовой проект 903-1-241.87Типовой проект 903-1-241.87Типовой проект 903-1-241.87Типовой проект 903-1-241.87Типовой проект 903-1-241.87Типовой проект 903-1-241.87Типовой проект 903-1-241.87Типовой проект 903-1-241.87Типовой проект 903-1-241.87

© 2013 Ёшкин Кот :-) Карта сайта