Информационная система
«Ёшкин Кот»

Скачать базу одним архивом
Скачать обновления
История создания базы
Карта сайта

Скачать Типовой проект 903-1-241.87 Альбом VII. Конструкции металлические

Дата актуализации: 10.08.2017

Типовой проект 903-1-241.87

Альбом VII. Конструкции металлические

Обозначение: Типовой проект 903-1-241.87
Обозначение англ: 903-1-241.87
Статус:заменен
Название рус.:Альбом VII. Конструкции металлические
Дата добавления в базу:01.09.2013
Дата актуализации:05.05.2017
Дата введения:01.06.1992
Оглавление:Общие данные
Техническая спецификация металла
Техническая спецификация металла. Лестницы, площадки, ограждения
Техническая спецификация металла. Переплеты оконные
Схема балок перекрытия на отм. 3.600 (каменные угли)
Схема балок перекрытия на отм. 3.600 (бурые угли)
Разрезы к листам 12 и 13
Схема балок перекрытия на отм. 7.200 и бункеров
Схема балок перекрытия на отм. 10.800 и бункеров
Схема балок покрытия и опоры на отм. 17.900
Схема галереи на отм. 10.800
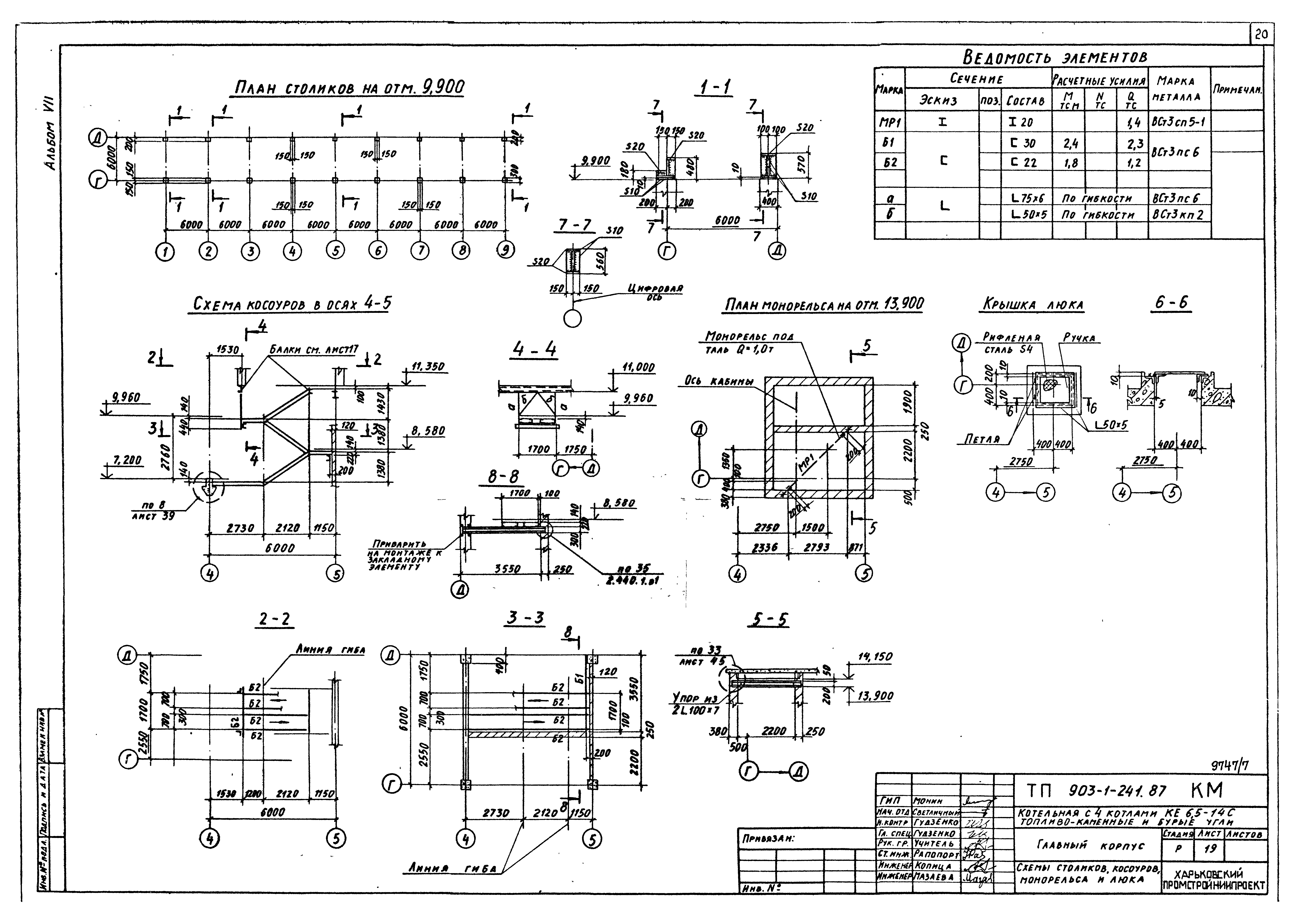
Схемы столиков, косоуров, монорельса и люка
Схема балок на отм. 3.600 и 7.200 и щитов на отм. 3.600
Схемы площадок на перекрытии на отм. 3.600
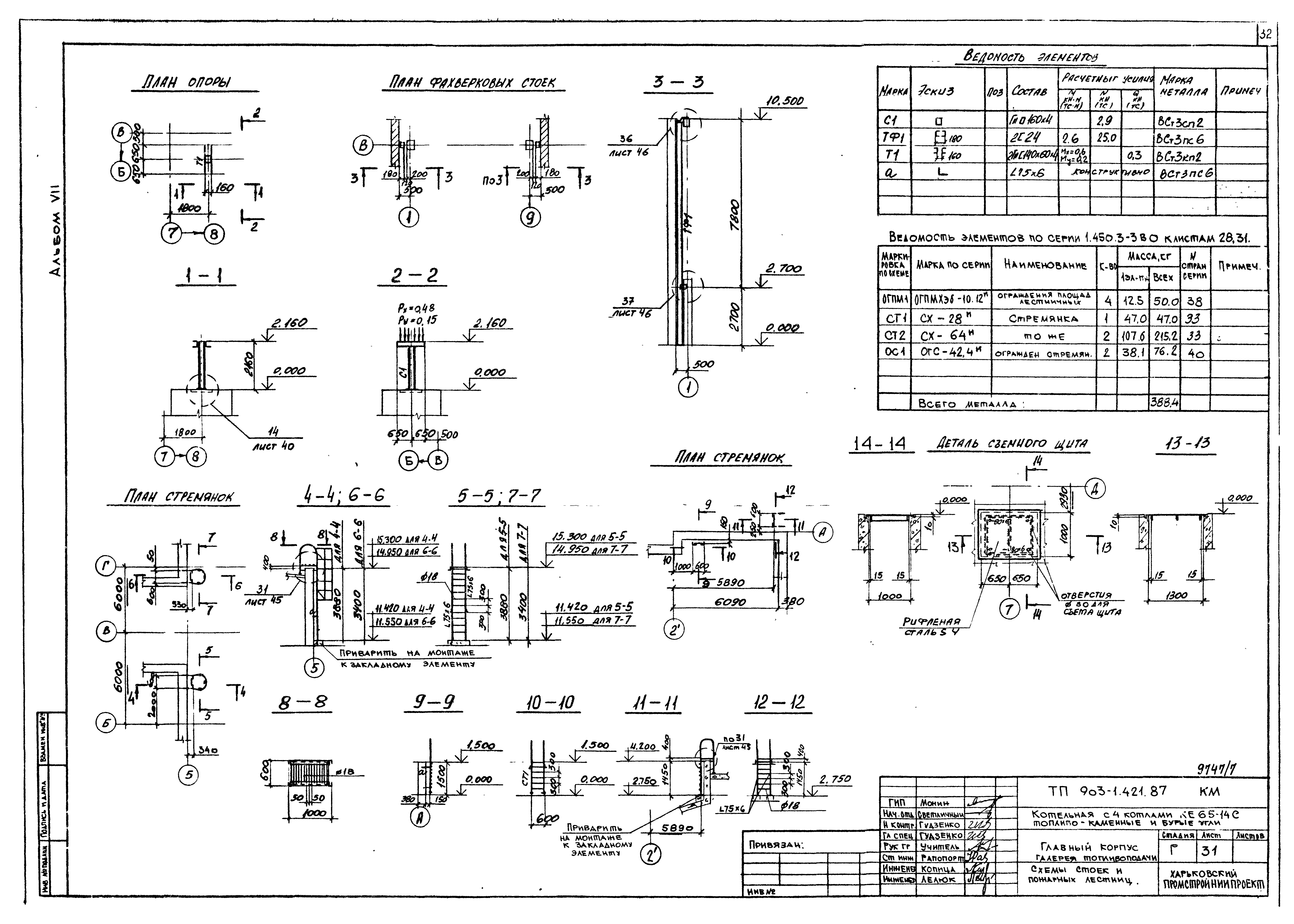
Схемы каркасов, венткамер, косоуров, кронштейна, ограждений
Схемы площадок на отм. 7.200 и связей в осях 4 - 5
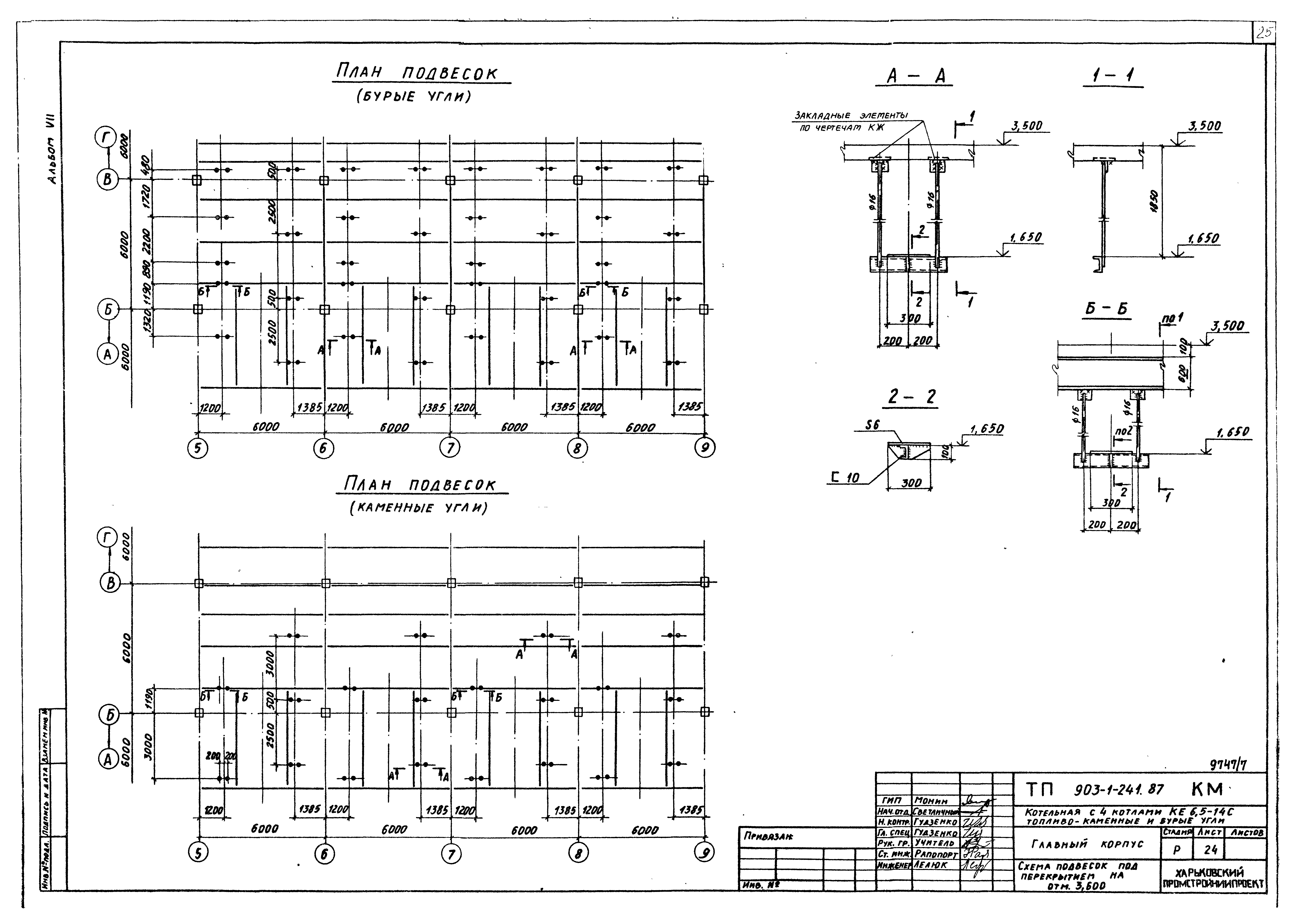
Схема подвесок под перекрытием на отм. 3.600
Схема наклонного желоба. Узлы
Схема лестницы у оси "1"
Схема лестницы у оси "9"
Схема балок под газоходы
Схема оконных переплетов
Схемы стоек и пожарных лестниц
Схемы щитов
Схемы конструкции галереи топливоподачи
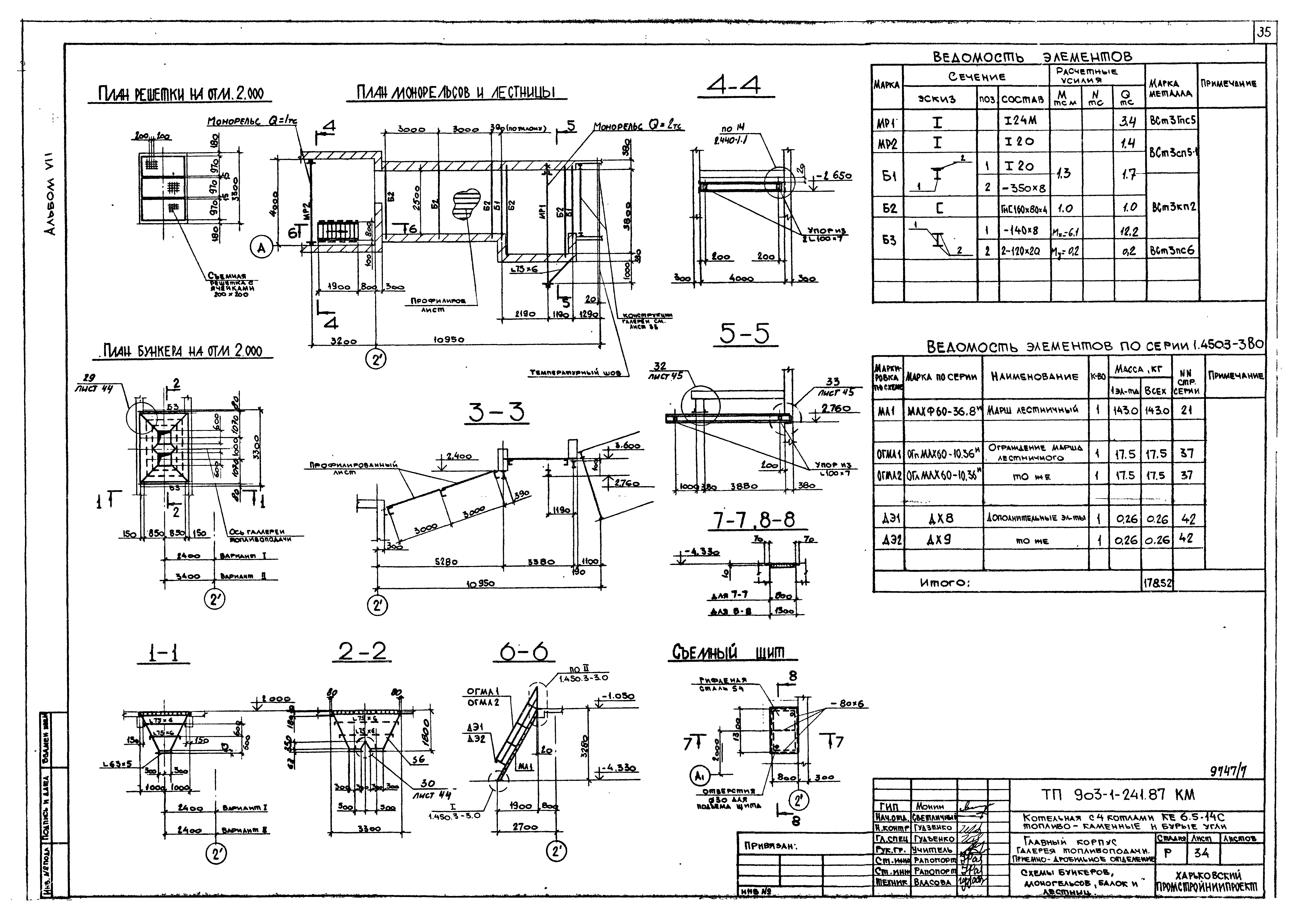
Схемы бункеров, монорельсов, балок, лестниц
Схемы площадок
Узлы 3, 4
Узел 5
Узлы 6, 7
Узлы 8 - 12
Узлы 13 - 16
Узлы 17 - 20
Узлы 21 - 24
Узлы 25 - 28
Узлы 29, 30
Узлы 31 - 33
Узлы 34 - 39
Разработан: Харьковский Промстройниипроект
Утверждён:09.06.1987 Госстрой СССР (Государственный комитет Совета Министров СССР по делам строительства) (USSR Gosstroy АЧ-58)
Расположен в:Техническая документация Строительство Справочные документы Типовые строительные конструкции, изделия и узлы Общероссийский строительный каталог Промышленные предприятия, здания и сооружения Здания и сооружения санитарно-технические Теплоснабжение Котельные установки Закрытые системы теплоснабжения Топливо - каменные и бурые угли
Заменяет собой:
Чем заменён:
Типовой проект 903-1-241.87Типовой проект 903-1-241.87Типовой проект 903-1-241.87Типовой проект 903-1-241.87Типовой проект 903-1-241.87Типовой проект 903-1-241.87Типовой проект 903-1-241.87Типовой проект 903-1-241.87Типовой проект 903-1-241.87Типовой проект 903-1-241.87Типовой проект 903-1-241.87Типовой проект 903-1-241.87Типовой проект 903-1-241.87Типовой проект 903-1-241.87Типовой проект 903-1-241.87Типовой проект 903-1-241.87Типовой проект 903-1-241.87Типовой проект 903-1-241.87Типовой проект 903-1-241.87Типовой проект 903-1-241.87Типовой проект 903-1-241.87Типовой проект 903-1-241.87Типовой проект 903-1-241.87Типовой проект 903-1-241.87Типовой проект 903-1-241.87Типовой проект 903-1-241.87Типовой проект 903-1-241.87Типовой проект 903-1-241.87Типовой проект 903-1-241.87Типовой проект 903-1-241.87Типовой проект 903-1-241.87Типовой проект 903-1-241.87Типовой проект 903-1-241.87Типовой проект 903-1-241.87Типовой проект 903-1-241.87Типовой проект 903-1-241.87Типовой проект 903-1-241.87Типовой проект 903-1-241.87Типовой проект 903-1-241.87Типовой проект 903-1-241.87Типовой проект 903-1-241.87Типовой проект 903-1-241.87Типовой проект 903-1-241.87Типовой проект 903-1-241.87Типовой проект 903-1-241.87Типовой проект 903-1-241.87Типовой проект 903-1-241.87Типовой проект 903-1-241.87

© 2013 Ёшкин Кот :-) Карта сайта