Информационная система
«Ёшкин Кот»

Скачать базу одним архивом
Скачать обновления
История создания базы
Карта сайта

Скачать Типовой проект 903-1-241.87 Альбом II. Тепломеханические решения

Дата актуализации: 10.08.2017

Типовой проект 903-1-241.87

Альбом II. Тепломеханические решения

Обозначение: Типовой проект 903-1-241.87
Обозначение англ: 903-1-241.87
Статус:заменен
Название рус.:Альбом II. Тепломеханические решения
Дата добавления в базу:01.09.2013
Дата актуализации:05.05.2017
Дата введения:01.06.1992
Оглавление:Содержание альбома
Главный корпус. Тепломеханические решения - ТМ
   Общие данные
   Компоновка оборудования котельной. План на отм. 0.000. Элемент плана I
   Компоновка оборудования котельной. План на отм. 3.600. Элемент плана II
   Компоновка оборудования котельной. Планы на отм. 7.200 и 10.800. Разрез 1-1
   Компоновка оборудования котельной. Разрезы 2-2 и 3-3
   Тепловая схема трубопроводов котельной
   Изоляция трубопроводов плитами минераловатными
   Изоляция трубопроводов шнуром из минеральной ваты
   Изоляция трубопроводов полуцилиндрами теплоизоляционными
   Слой покровный
   Изоляция оборудования матами минераловатными прошивными в обкладках
   Изоляция арматуры фланцевой съемными полуфутлярами заполненными теплоизоляционными изделиями
   Изоляция арматуры муфтовой теплоизоляционными материалами с покрытием рулонными материалами
   Изоляция оборудования сегментами нарезными из совелитовых плит
Котлоагрегат КЕ6,5-14С. Тепломеханические решения ТМ1
   Общие данные
   Обмуровка фронтовой стенки котла, предтопка и шлакового бункера. Разрез 1-1. Узел I и II. Спецификация
   Тепловая изоляция барабана котла. План. Разрез 1-1. Вид А. Спецификация
   Вариант - каменные угли. Компоновка оборудования котлоагрегата. План на отм. 3.600
   Вариант - каменные угли. Компоновка оборудования котлоагрегата. План на отм. 7.200. Спецификация
   Вариант - каменные угли. Компоновка оборудования котлоагрегата. Разрез 1-1
   Вариант - каменные угли. Газопроводы котлоагрегата. План на отм. 7.200. Спецификация
   Вариант - каменные угли. Газопроводы котлоагрегата. Разрезы 1-1, 2-2, 3-3
   Вариант - каменные угли. Воздухопроводы котлоагрегата. Планы на отм. 0.000 и 3.600. Спецификация
   Вариант - каменные угли. Воздухопроводы котлоагрегата. Разрезы 1-1 и 2-2. Узел I
   Вариант - каменные угли. Схема трубопроводов
   Вариант - каменные угли. Трубопроводы. Планы на отм. 3.600 и 7.200
   Вариант - каменные угли. Трубопроводы. Разрезы 1-1 и 2-2
   Вариант - каменные угли. Трубопроводы. Разрез 3-3
   Вариант - каменные угли. Трубопроводы. Спецификация материалов
   Вариант - бурые угли. Компоновка оборудования котлоагрегата. План на отм. 3.600
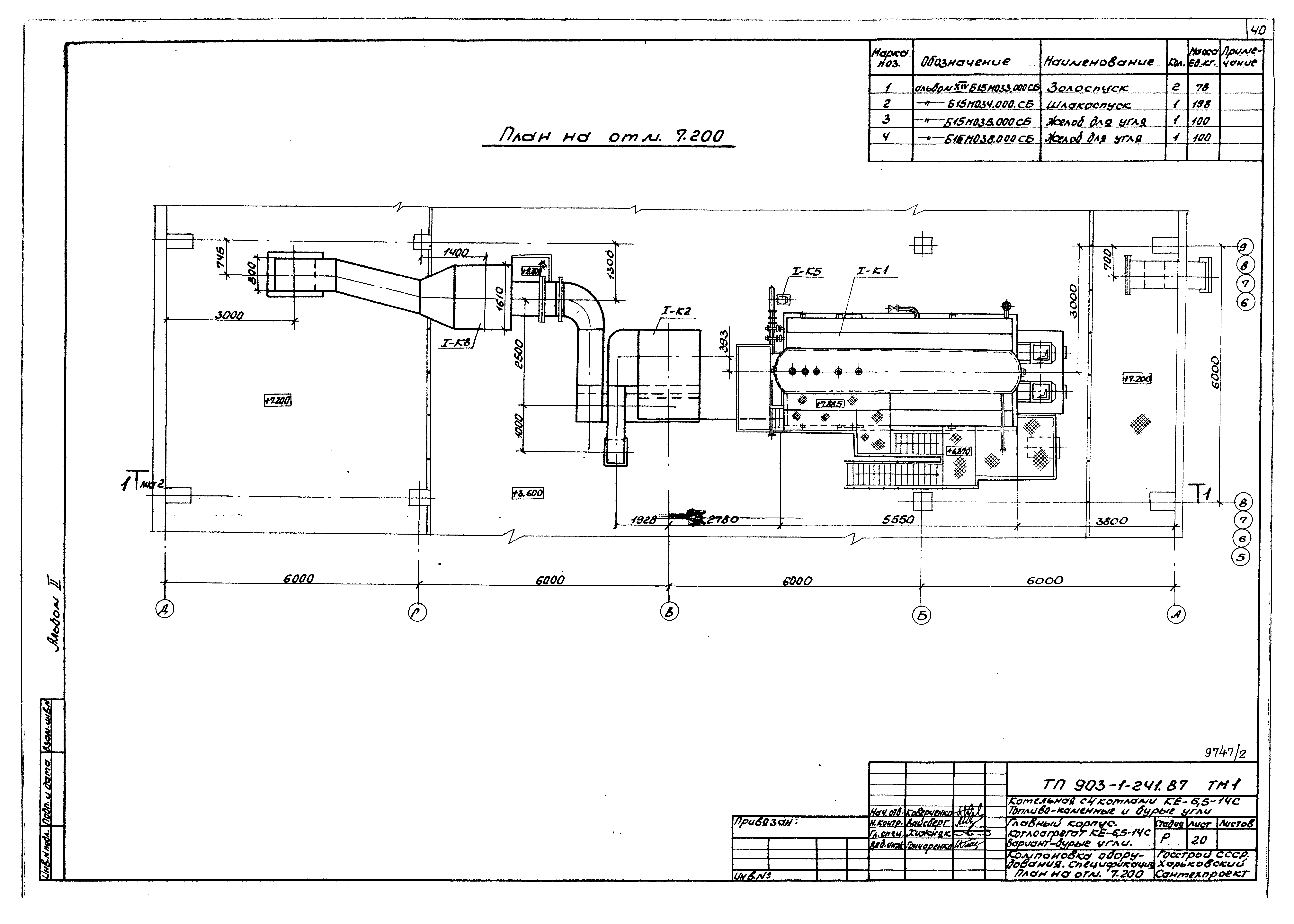
   Вариант - бурые угли. Компоновка оборудования котлоагрегата. План на отм. 7.200. Спецификация
   Вариант - бурые угли. Компоновка оборудования котлоагрегата. Разрез 1-1
   Вариант - бурые угли. Газопроводы котлоагрегата. План на отм. 7.200. Спецификация
   Вариант - бурые угли. Газопроводы котлоагрегата. Разрезы 1-1, 2-2, 3-3
   Вариант - бурые угли. Воздухопроводы котлоагрегата. Планы на отм. 0.000 и 3.600. Спецификация
   Вариант - бурые угли. Воздухопроводы котлоагрегата. Разрезы 1-1 и 2-2. Узел I
   Вариант - бурые угли. Схема трубопроводов
   Вариант - бурые угли. Трубопроводы. Планы на отм. 3.600 и 7.200
   Вариант - бурые угли. Трубопроводы. Разрезы 1-1 и 2-2
   Вариант - бурые угли. Трубопроводы. Разрез 3-3
   Вариант - бурые угли. Трубопроводы. Спецификация материалов
Деаэрационно-питательная установка и общекотельные трубопроводы - ТМ2
   Общие данные
   Схема трубопроводов
   План на отм. 0.000
   План на отм. 7.200. Вид А. Разрез 4-4
   Разрезы 1-1 и 2-2
   Разрез 3-3
   Спецификация материалов
   Схема присоединения трубопроводов к калориферам. Спецификация
   Схема отбора проб. Спецификация
Водоподогревательная установка - ТМ3
   Общие данные
   Схема трубопроводов
   Планы на отм. 0.000 и 3.600
   Разрезы 1-1, 2-2, 3-3
   Спецификация материалов
Установка горячего водоснабжения - ТМ4
   Общие данные
   Схема трубопроводов
   Планы на отм. 0.000 и - 0.150
   Планы на отм. 7.200 и 10.800
   Разрез 1-1
   Разрезы 2-2 и 3-3
   Разрезы 4-4 и 5-5
   Спецификация материалов
   Оборудование бака-аккумулятора Q = 160 куб. м. План. Разрезы 1-1, 2-2. Узел I, II. Спецификация
Водоподготовительная установка - ТМ5
   Общие данные
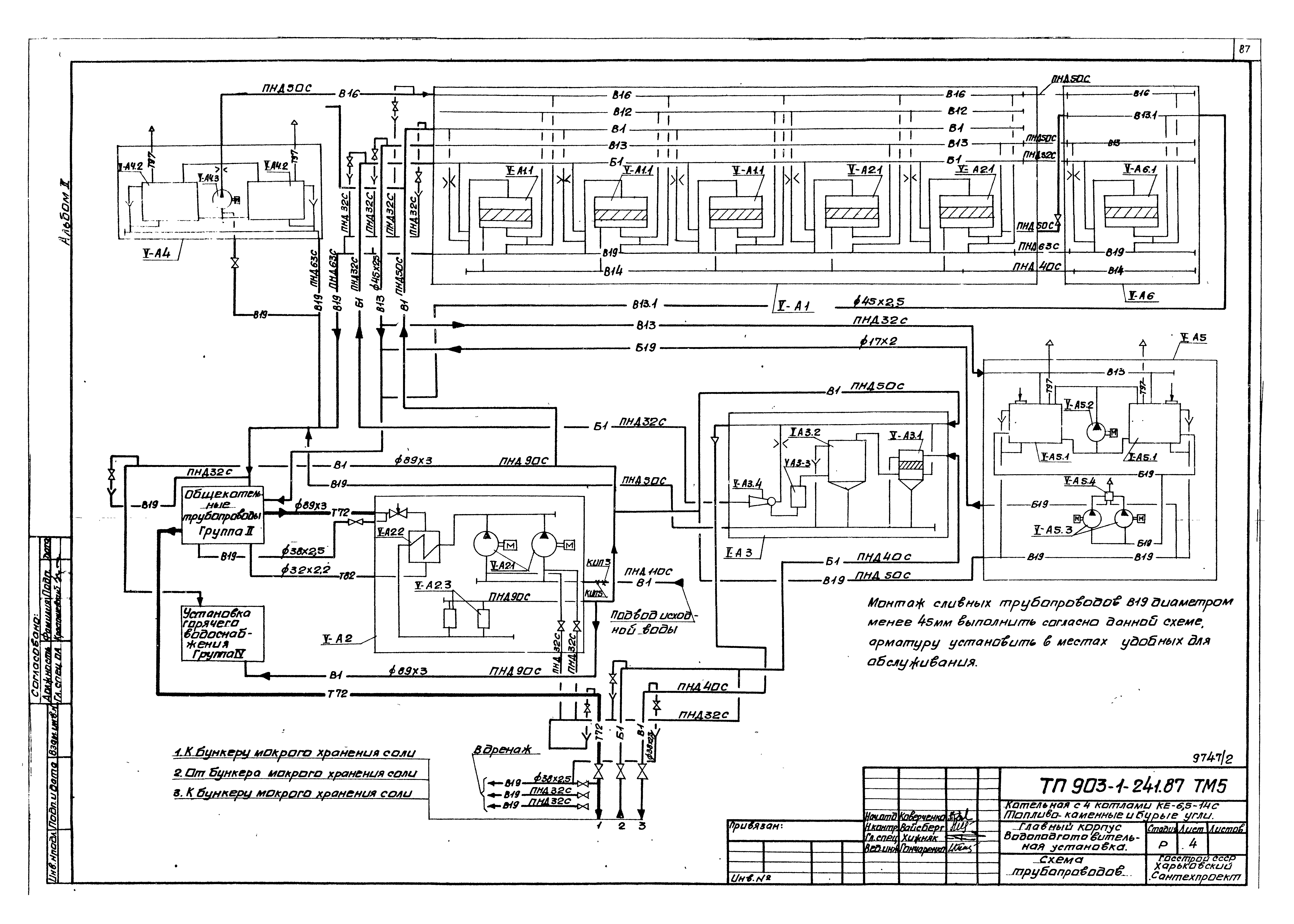
   Схема трубопроводов
   Планы на отм. 0.000 и 3.600
   Разрезы 1-1 и 2-2
   Разрез 3-3
   Планы на отм. 3.600 (для I, II и IV типов воды). Разрезы 4-4, 5-5, 6-6
   Спецификация материалов
Бункер мокрого хранения соли - ТМ6
   Общие данные
   Компоновочный чертеж. План - вид сверху. Разрезы 1-1, 2-2. Схема
   Трубопроводы. План - вид сверху. Разрезы 1-1, 2-2, 3-3, 4-4
   Трубопроводы. Спецификация
Топливоподача - ТП
   Общие данные
   Механизация топливоподачи при доставке топлива железнодорожным транспортом. План
   Механизация топливоподачи при доставке топлива автомобильным транспортом. План. Разрез 1-1
   Приемно-дробильное отделение. Вид А. Узел I. Вариант с дробилкой ВДП-15
   Приемно-дробильное отделение. Вид Б. Разрез 1-1. Вариант с дробилкой ВДП-15
   Приемно-дробильное отделение. Вид А. Узел I. Вариант с дробилкой ВДГ-10
   Приемно-дробильное отделение. Вид Б. Разрез 1-1. Вариант с дробилкой ВДГ-10
   Галерея топливоподачи. Установка электромагнитного железоотделителя
Золошлакоудаление - ЗШ
   Общие данные
   Установка подъемника для золошлакоудаления. План в осях 5 - 9
   Установка подъемника для золошлакоудаления. Вид А
   Установка подъемника для золошлакоудаления. Разрезы 1-1, 3-3, 4-4. Вид Б
   Установка подъемника для золошлакоудаления. Узлы I, II, III. Разрез 2-2. Виды Б, Г
   Принципиальная схема монтажа каната скреперно-ковшового подъемника
Разработан: Харьковский Сантехпроект
Утверждён:09.06.1987 Госстрой СССР (Государственный комитет Совета Министров СССР по делам строительства) (USSR Gosstroy АЧ-58)
Расположен в:Техническая документация Строительство Справочные документы Типовые строительные конструкции, изделия и узлы Общероссийский строительный каталог Промышленные предприятия, здания и сооружения Здания и сооружения санитарно-технические Теплоснабжение Котельные установки Закрытые системы теплоснабжения Топливо - каменные и бурые угли
Заменяет собой:
Чем заменён:
Типовой проект 903-1-241.87Типовой проект 903-1-241.87Типовой проект 903-1-241.87Типовой проект 903-1-241.87Типовой проект 903-1-241.87Типовой проект 903-1-241.87Типовой проект 903-1-241.87Типовой проект 903-1-241.87Типовой проект 903-1-241.87Типовой проект 903-1-241.87Типовой проект 903-1-241.87Типовой проект 903-1-241.87Типовой проект 903-1-241.87Типовой проект 903-1-241.87Типовой проект 903-1-241.87Типовой проект 903-1-241.87Типовой проект 903-1-241.87Типовой проект 903-1-241.87Типовой проект 903-1-241.87Типовой проект 903-1-241.87Типовой проект 903-1-241.87Типовой проект 903-1-241.87Типовой проект 903-1-241.87Типовой проект 903-1-241.87Типовой проект 903-1-241.87Типовой проект 903-1-241.87Типовой проект 903-1-241.87Типовой проект 903-1-241.87Типовой проект 903-1-241.87Типовой проект 903-1-241.87Типовой проект 903-1-241.87Типовой проект 903-1-241.87Типовой проект 903-1-241.87Типовой проект 903-1-241.87Типовой проект 903-1-241.87Типовой проект 903-1-241.87Типовой проект 903-1-241.87Типовой проект 903-1-241.87Типовой проект 903-1-241.87Типовой проект 903-1-241.87Типовой проект 903-1-241.87Типовой проект 903-1-241.87Типовой проект 903-1-241.87Типовой проект 903-1-241.87Типовой проект 903-1-241.87Типовой проект 903-1-241.87Типовой проект 903-1-241.87Типовой проект 903-1-241.87Типовой проект 903-1-241.87Типовой проект 903-1-241.87Типовой проект 903-1-241.87Типовой проект 903-1-241.87Типовой проект 903-1-241.87Типовой проект 903-1-241.87Типовой проект 903-1-241.87Типовой проект 903-1-241.87Типовой проект 903-1-241.87Типовой проект 903-1-241.87Типовой проект 903-1-241.87Типовой проект 903-1-241.87Типовой проект 903-1-241.87Типовой проект 903-1-241.87Типовой проект 903-1-241.87Типовой проект 903-1-241.87Типовой проект 903-1-241.87Типовой проект 903-1-241.87Типовой проект 903-1-241.87Типовой проект 903-1-241.87Типовой проект 903-1-241.87Типовой проект 903-1-241.87Типовой проект 903-1-241.87Типовой проект 903-1-241.87Типовой проект 903-1-241.87Типовой проект 903-1-241.87Типовой проект 903-1-241.87Типовой проект 903-1-241.87Типовой проект 903-1-241.87Типовой проект 903-1-241.87Типовой проект 903-1-241.87Типовой проект 903-1-241.87Типовой проект 903-1-241.87Типовой проект 903-1-241.87Типовой проект 903-1-241.87Типовой проект 903-1-241.87Типовой проект 903-1-241.87Типовой проект 903-1-241.87Типовой проект 903-1-241.87Типовой проект 903-1-241.87Типовой проект 903-1-241.87Типовой проект 903-1-241.87Типовой проект 903-1-241.87Типовой проект 903-1-241.87Типовой проект 903-1-241.87Типовой проект 903-1-241.87Типовой проект 903-1-241.87Типовой проект 903-1-241.87Типовой проект 903-1-241.87Типовой проект 903-1-241.87Типовой проект 903-1-241.87Типовой проект 903-1-241.87Типовой проект 903-1-241.87Типовой проект 903-1-241.87Типовой проект 903-1-241.87Типовой проект 903-1-241.87Типовой проект 903-1-241.87Типовой проект 903-1-241.87Типовой проект 903-1-241.87Типовой проект 903-1-241.87Типовой проект 903-1-241.87Типовой проект 903-1-241.87Типовой проект 903-1-241.87Типовой проект 903-1-241.87Типовой проект 903-1-241.87Типовой проект 903-1-241.87

© 2013 Ёшкин Кот :-) Карта сайта