| ||||||||||||||||||||||||
Скачать Типовые материалы для проектирования 501-05-91.87 Альбом 2. Принципиальные схемыДата актуализации: 10.08.2017
|
| Обозначение: | Типовые материалы для проектирования 501-05-91.87 |
| Обозначение англ: | 501-05-91.87 |
| Статус: | cправочные материалы, мп, тпр |
| Название рус.: | Альбом 2. Принципиальные схемы |
| Дата добавления в базу: | 01.09.2013 |
| Дата актуализации: | 05.05.2017 |
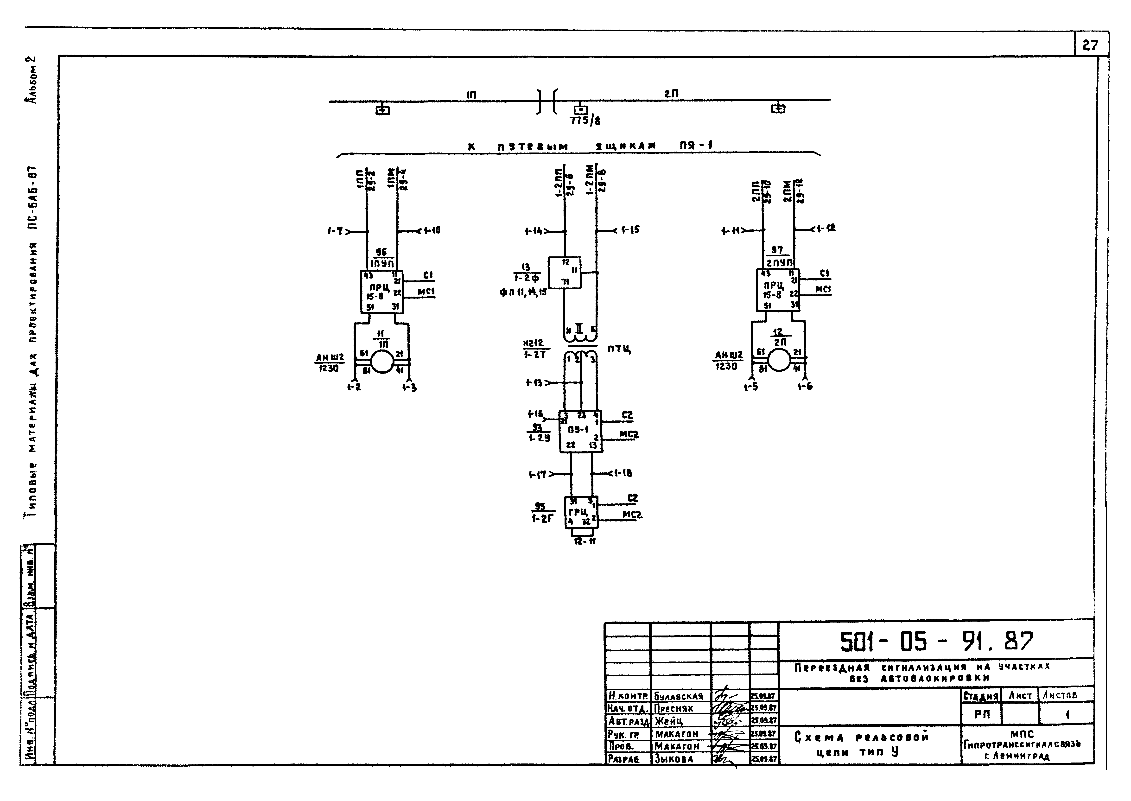
| Оглавление: | Титульный лист Содержание Ведомость типов переездных установок со светофорной сигнализацией Ведомость типов переездных установок с автошлагбаумами Ведомость комплектации релейных шкафов приборами Ведомость комплектации релейных шкафов приборами при безбатарейной системе питания Схема управления переездной сигнализацией тип П2 Схема управления переездной сигнализацией тип П Схема управления переездной сигнализацией тип ПУ Схема управления переездной сигнализацией тип ПУ2 Схема управления переездной сигнализацией тип ПУШ Схема рельсовой цепи тип 2Ц Схема рельсовой цепи тип Ц Схема рельсовой цепи тип Цпн Схема рельсовой цепи тип Цпнш Схема рельсовой цепи тип У Схема рельсовой цепи тип УШ Схема светофорной сигнализации тип С Схема светофорной сигнализации тип СББ Схема светофорной сигнализации тип СПУ Схема светофорной сигнализации тип СПУББ Схема светофорной сигнализации тип СУ Схема светофорной сигнализации тип СУББ Схема управления автошлагбаумами тип Ш2 Схема управления автошлагбаумами тип Ш2ББ Схема управления автошлагбаумами тип Ш Схема управления автошлагбаумами тип ШББ Схема управления автошлагбаумами тип ШПУ Схема управления автошлагбаумами тип ШПУББ Схема управления автошлагбаумами тип ПУ1Щ Схема управления автошлагбаумами тип ПУ1ШББ Примерные путевые планы переездов с автоматической светофорной сигнализацией тип П2СЦ Примерные путевые планы переездов с автоматической светофорной сигнализацией тип П2СЦББ Примерные путевые планы переездов с автоматической светофорной сигнализацией тип ПСЦ Примерные путевые планы переездов с автоматической светофорной сигнализацией тип ПСЦББ Примерные путевые планы переездов с автоматической светофорной сигнализацией тип ПСПН Примерные путевые планы переездов с автоматической светофорной сигнализацией тип ПСПНББ Примерные путевые планы переездов с автоматической светофорной сигнализацией тип ПУС Примерные путевые планы переездов с автоматической светофорной сигнализацией тип ПУСББ Примерные путевые планы переездов со светофорной сигнализацией тип ПУ2С Примерные путевые планы переездов со светофорной сигнализацией тип ПУ2СББ Примерные путевые планы переездов с автошлагбаумами тип П2ШЦ Примерные путевые планы переездов с автошлагбаумами тип П2ШЦББ Примерные путевые планы переездов с автошлагбаумами тип ПШЦ Примерные путевые планы переездов с автошлагбаумами тип ПШЦББ Примерные путевые планы переездов с автошлагбаумами тип ПШПН Примерные путевые планы переездов с автошлагбаумами тип ПШПНББ Примерные путевые планы переездов с автошлагбаумами тип ПУШ Примерные путевые планы переездов с автошлагбаумами тип ПУШББ Примерные путевые планы переездов с автошлагбаумами тип ПУ1Ш Примерные путевые планы переездов с автошлагбаумами тип ПУ1ШББ Схема подключения приборов рельсовых цепей к рельсам при автономной тяге Схема подключения приборов рельсовых цепей к рельсам при электротяге постоянного тока Схема подключения приборов рельсовых цепей к рельсам при электротяге переменного тока Таблица контрольных кодов и контролируемых объектов на переездной установке со светофорной сигнализацией Таблица контрольных кодов и контролируемых объектов на переездной установке с автошлагбаумами Таблица расчетных длин участков приближения Таблицы: жильности кабеля к мотору автошлагбаума жильности кабеля между батарейными и релейными шкафами Таблица определения величины необходимой емкости конденсаторов для блокирующих реле и блок БКШ1 Блок выдержки времени. Величины выдержек времени Внешний вид щитка переездной сигнализации №16195-00-00 ЩПС75 Внешний вид щитка ЩПС-75 со светофорной сигнализацией при установке специальных светофоров Внешний вид щитка ЩПС-75 с автошлагбаумами при установке специальных светофоров Монтажная схема щитка переездной сигнализации №16195-00-00 ЩПС75 Монтажная схема автошлагбаума и переездного светофора Путевой усилитель тип ПУ1 Путевой усилитель тип ПУ3. Блок выпрямителя Б8 Трансформатор путевой ПТЦ. Фильтр питающего конца ФП89, ФП11 14 15 Генератор сигналов рельсовой цепи ГРЦ Генератор сигналов рельсовой цепи ПРЦ |
| Разработан: | Гипротранссигналсвязь |
| Утверждён: | 02.11.1987 Министерство путей сообщения СССР (USSR Ministry of Railroads ЦШТех-11/70) |
| Расположен в: |
















































































































