| ||||||||||||||||||||||||||
Скачать Серия Б1.020.1-7 Выпуск 4-1. Диафрагмы жесткости для пролетов 3,0; 4,5; 6,0; 6,6 и 7,2 м и высотой этажей 2,8; 3,3 и 4,2 м (1-й этаж). Рабочие чертежиДата актуализации: 10.08.2017
|
| Обозначение: | Серия Б1.020.1-7 |
| Обозначение англ: | Series Б1.020.1-7 |
| Статус: | не определен законодательством |
| Название рус.: | Выпуск 4-1. Диафрагмы жесткости для пролетов 3,0; 4,5; 6,0; 6,6 и 7,2 м и высотой этажей 2,8; 3,3 и 4,2 м (1-й этаж). Рабочие чертежи |
| Дата добавления в базу: | 01.09.2013 |
| Дата актуализации: | 05.05.2017 |
| Дата введения: | 28.04.1999 |
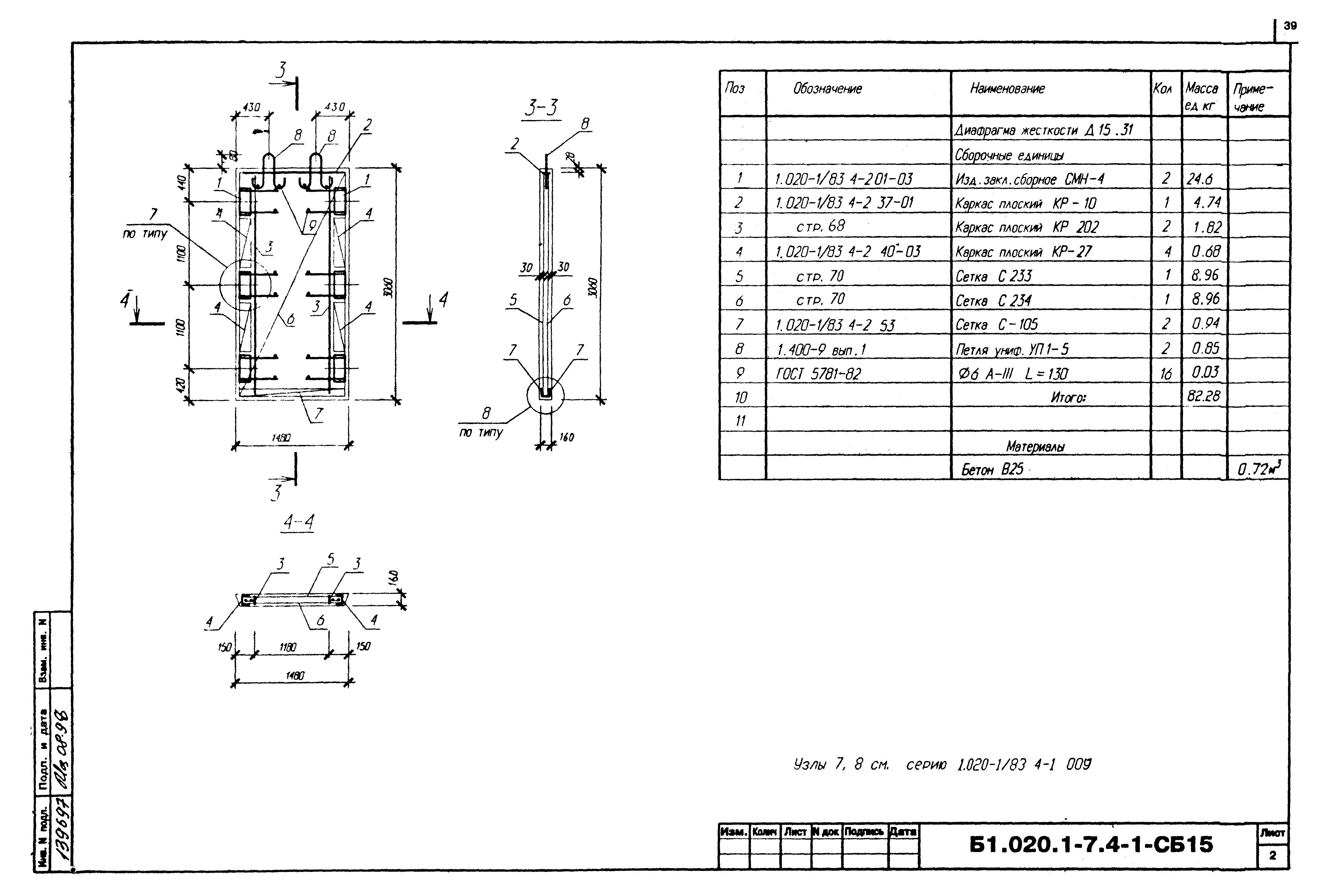
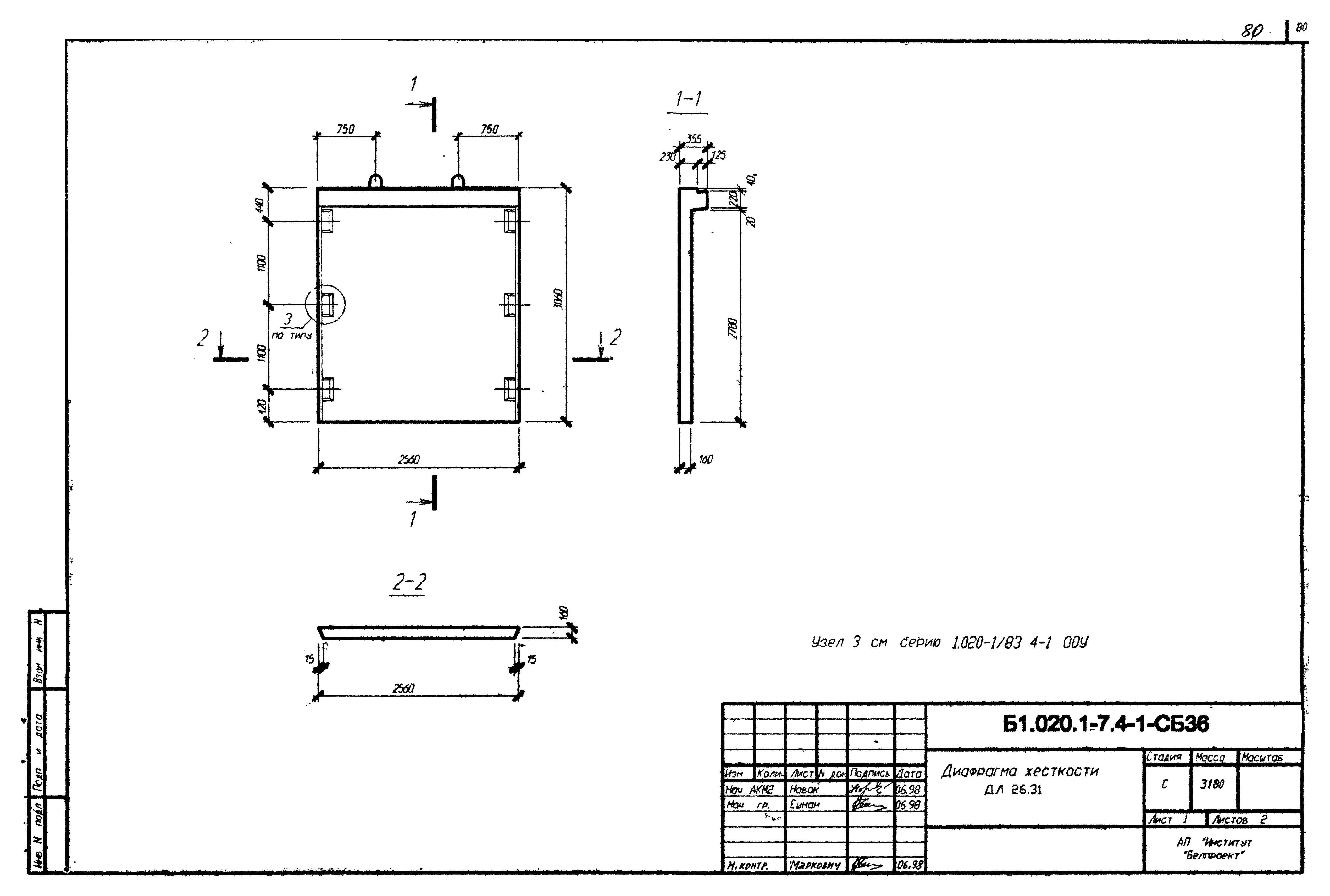
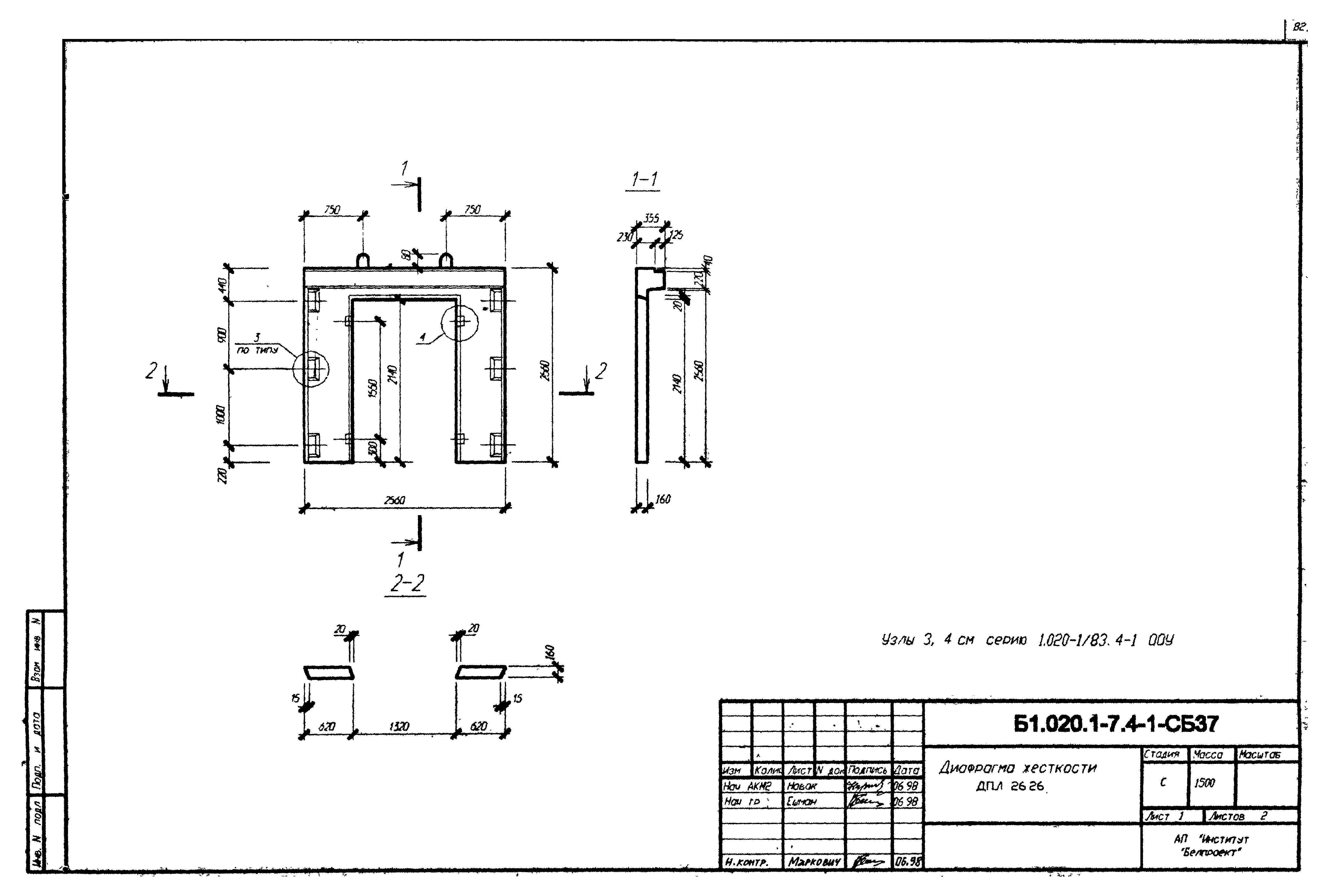
| Оглавление: | Общие данные Схемы компоновки диафрагм жесткости для различных высот и этажей Номенклатура изделий Диафрагма жесткости Д 12.20 Диафрагма жесткости Д 15.20 Диафрагма жесткости Д 26.20 Диафрагма жесткости Д 30.20 Диафрагма жесткости Д 32.20 Диафрагма жесткости Д 12.26 Диафрагма жесткости Д 15.26 Диафрагма жесткости Д 26.26 Диафрагма жесткости Д 30.26 Диафрагма жесткости Д 32.26 Диафрагма жесткости ДП 26.26 Диафрагма жесткости ДП 30.26 Диафрагма жесткости ДП 32.26 Диафрагма жесткости Д 12.31 Диафрагма жесткости Д 15.31 Диафрагма жесткости Д 26.31 Диафрагма жесткости Д 30.31 Диафрагма жесткости Д 32.31 Диафрагма жесткости ДП 26.31 Диафрагма жесткости ДП 30.31 Диафрагма жесткости ДП 32.31 Диафрагма жесткости Д 12.40 Диафрагма жесткости Д 15.40 Диафрагма жесткости Д 26.40 Диафрагма жесткости Д 30.40 Диафрагма жесткости Д 32.40 Диафрагма жесткости ДП 26.40 Диафрагма жесткости ДП 30.40 Диафрагма жесткости ДП 32.40 Диафрагма жесткости Д 26.14 Диафрагма жесткости Д 26.16 Диафрагмы жесткости ДЛ 26.12, ДЛ26.12А Диафрагма жесткости ДЛ 26.14 Диафрагма жесткости ДЛ 26.26 Диафрагма жесткости ДЛ 26.28 Диафрагма жесткости ДЛ 26.31 Диафрагма жесткости ДПЛ 26.26 Диафрагма жесткости ДПЛ 26.31 Каркасы КР200…203. Сетки С191…200 Каркасы КР204…206. Сетки С299, С213…218, С235, С236, С241, С242. Анкер АН1 Сетки С201…212, С231…234, С237…240 Сетки С228, С261…263, С230, С219…221, С243…245. С252…254 Сетки С222…227, С246…251, С255…260, С264 Каркас КР207. Сетки С265…274 Каркасы КР208…217 Изделия закладные сборные СМН8…12 Изделия закладные сборные СМН13…14. Каркасы КР218…223 Ведомость расхода стали |
| Разработан: | НИЭП ГП БелНИИС |
| Утверждён: | 31.03.1999 Министерство архитектуры и строительства Республики Беларусь (79) |
| Расположен в: |































































































