| ||||||||||||||||||||||||||
Скачать Серия Б1.020.1-7 Выпуск 2-1. Колонны сечением 300х300 для высот этажей 2,8 и 3,3 м. Рабочие чертежиДата актуализации: 10.08.2017
|
| Обозначение: | Серия Б1.020.1-7 |
| Обозначение англ: | Series Б1.020.1-7 |
| Статус: | не определен законодательством |
| Название рус.: | Выпуск 2-1. Колонны сечением 300х300 для высот этажей 2,8 и 3,3 м. Рабочие чертежи |
| Дата добавления в базу: | 01.09.2013 |
| Дата актуализации: | 05.05.2017 |
| Дата введения: | 28.04.1999 |
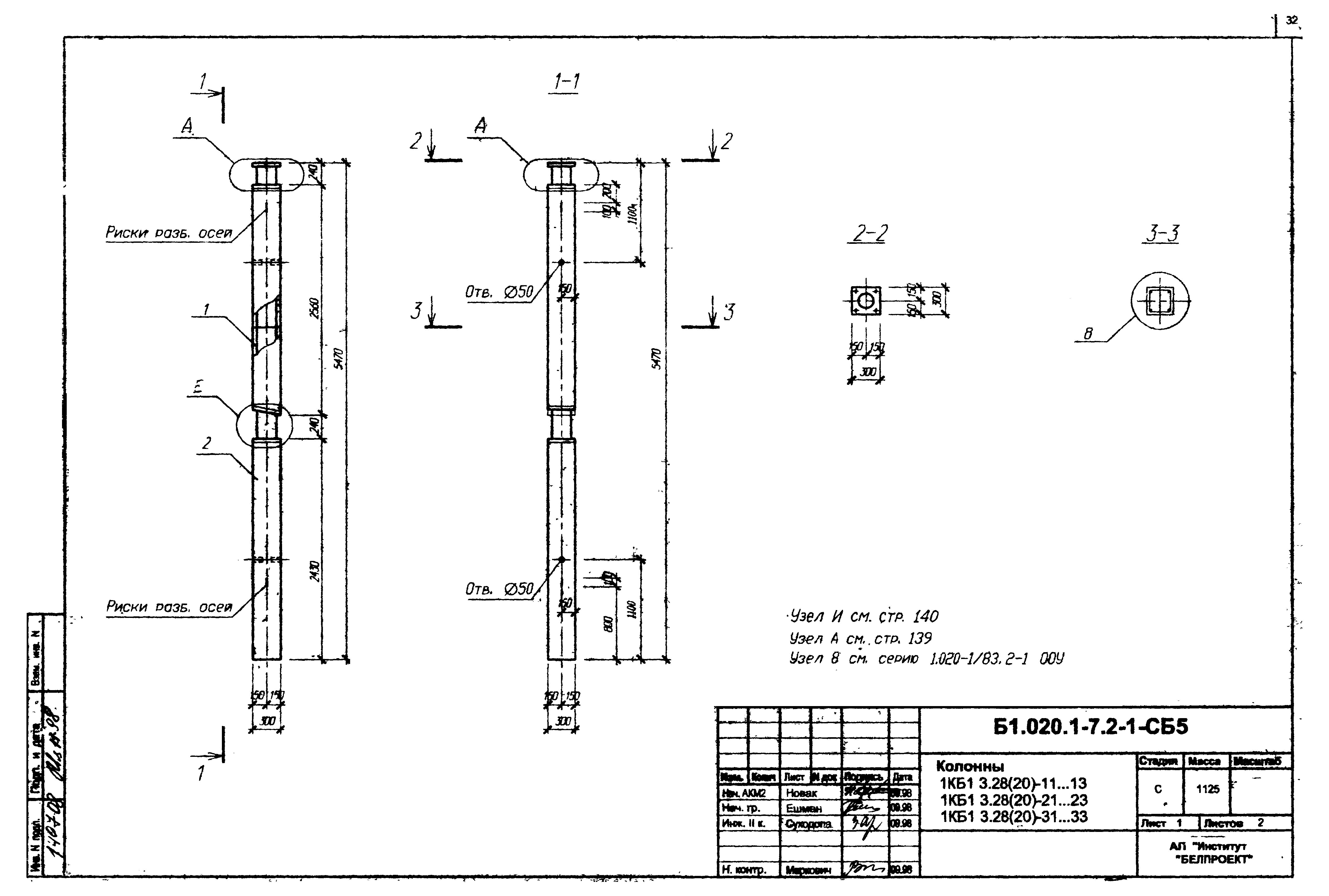
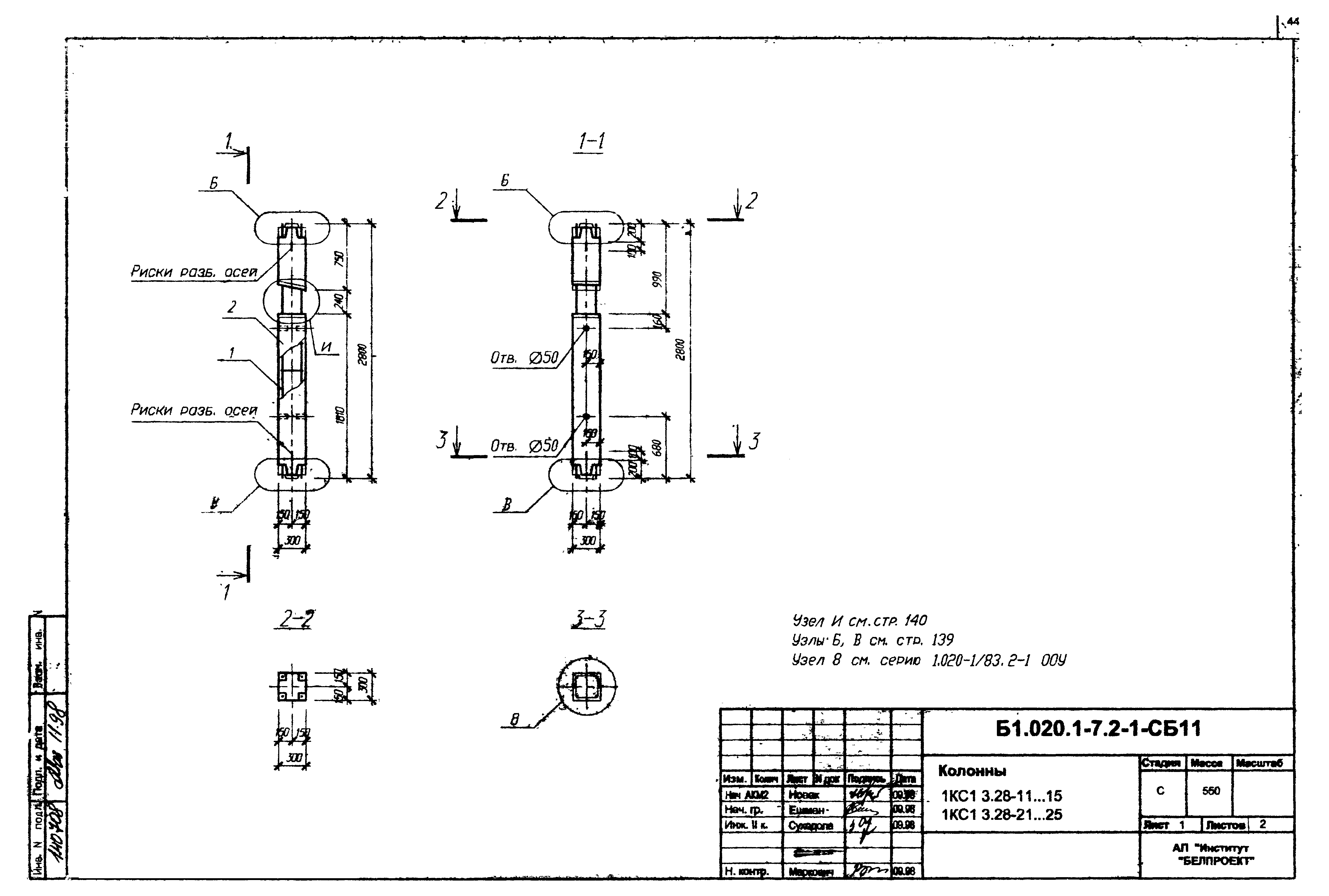
| Оглавление: | Общие данные Монтажные схемы колонн сечением 300х300 мм Номенклатура изделий Примеры расположения дополнительных закладных изделий в колоннах для крепления диафрагм Графики несущей способности сечений колонн Колонны 1КБ 4.28-11…13, 1КБ 4.28-21…23, 1КБ 4.28-31…33 Колонны 1КБ 4.33-11…13, 1КБ 4.33-21…23, 1КБ 4.33-31…33 Колонны 2КБ2 3.28(20)-11…13, 2КБ2 3.28(20)-21…23, 2КБ2 3.28(20)-31…33 Колонны 2КБ2 3.33(20)-11…13, 2КБ2 3.33(20)-21…23, 2КБ2 3.33(20)-31…33 Колонны 2КБ1 3.28(20)-11…13, 2КБ1 3.28(20)-21…23, 2КБ1 3.28(20)-31…33 Колонны 2КБ1 3.33(20)-11…13, 2КБ1 3.33(20)-21…23, 2КБ1 3.33(20)-31…33 Колонны 1КВ 3.28-11…13, 1КВ 3.28-21…23, 1КВ 3.28-31…33 Колонны 1КВ 3.33-11…13, 1КВ 3.33-21…23, 1КВ 3.33-31…33 Колонны 1КС2 3.28-11…15, 1КС2 3.28-21…25 Колонны 1КС2 3.33-11…15, 1КС2 3.33-21…25 Колонны 1КС1 3.28-11…15, 1КС1 3.28-21…25 Колонны 1КС1 3.33-11…15, 1КС1 3.33-21…25 Колонны 2КС2 3.28-11…15, 2КС2 3.28-21…25 Колонны 2КС2 3.33-11…15, 2КС2 3.33-21…25 Колонны 2КС1 3.28-11…15, 2КС1 3.28-21…25 Колонны 2КС1 3.33-11…15, 2КС1 3.33-21…25 Колонны 1КН2 3.28-11…15, 1КН2 3.28-21…25 Колонны 1КН2 3.33-11…15, 1КН2 3.33-21…25 Колонны 1КН1 3.28-11…15, 1КН1 3.28-21…25 Колонны 1КН1 3.33-11…15, 1КН1 3.33-21…25 Колонны 2КН2 3.28-11…15, 2КН2 3.28-21…25 Колонны 2КН2 3.33-11…15, 2КН2 3.33-21…25 Колонны 2КН1 3.28-11…15, 2КН1 3.28-21…25 Колонны 2КН1 3.33-11…15, 2КН1 3.33-21…25 Каркас пространственный КП 101 Каркасы пространственные КП 102…103 Каркас пространственный КП 106 Каркасы пространственные КП 107…108 Каркас пространственный КП 111 Каркасы пространственные КП 112…113 Каркас пространственный КП 116 Каркасы пространственные КП 117…118 Каркас пространственный КП 121 Каркасы пространственные КП 122…123 Каркас пространственный КП 126 Каркасы пространственные КП 127…128 Каркас пространственный КП 131 Каркасы пространственные КП 132…133 Каркас пространственный КП 136 Каркасы пространственные КП 137…138 Каркас пространственный КП 141 Каркасы пространственные КП 142…145 Каркас пространственный КП 146 Каркасы пространственные КП 147…150 Каркас пространственный КП 151 Каркасы пространственные КП 152…155 Каркас пространственный КП 156 Каркасы пространственные КП 157…160 Каркас пространственный КП 201 Каркасы пространственные КП 202…205 Каркас пространственный КП 206 Каркасы пространственные КП 207…210 Каркас пространственный КП 301 Каркасы пространственные КП 302…305 Каркас пространственный КП 306 Каркасы пространственные КП 307…310 Каркас пространственный КП 401 Каркасы пространственные КП 402…405 Каркас пространственный КП 406 Каркасы пространственные КП 407…410 Каркас пространственный КП 501 Каркасы пространственные КП 502…505 Каркас пространственный КП 506 Каркасы пространственные КП 507…510 Каркас пространственный КП 601 Каркасы пространственные КП 602…605 Каркас пространственный КП 606 Каркасы пространственные КП 607…610 Каркас пространственный КП 701 Каркасы пространственные КП 702…705 Каркас пространственный КП 706 Каркасы пространственные КП 707…710 Сетки косвенного армирования СКА-1…4 Пластины М-1, М-4, М-5, М-8, М-9 Пластины М-2, М-3, М-6, М-7 Узлы Ведомость расхода стали |
| Разработан: | НИЭП ГП БелНИИС |
| Утверждён: | 31.03.1999 Министерство архитектуры и строительства Республики Беларусь (79) |
| Расположен в: |























































































































































