Информационная система
«Ёшкин Кот»

Скачать базу одним архивом
Скачать обновления
История создания базы
Карта сайта

Скачать Типовой проект 501-3-10 Альбом IV. Электротехнические чертежи и автоматизация. Устройства связи

Дата актуализации: 10.08.2017

Типовой проект 501-3-10

Альбом IV. Электротехнические чертежи и автоматизация. Устройства связи

Обозначение: Типовой проект 501-3-10
Обозначение англ: 501-3-10
Статус:действует
Название рус.:Альбом IV. Электротехнические чертежи и автоматизация. Устройства связи
Дата добавления в базу:01.09.2013
Дата актуализации:05.05.2017
Дата введения:28.04.1981
Оглавление:Обложка
Титульный лист
Содержание
Перечень чертежей электрической части и автоматизации
   Общие данные
   Силовое электрооборудование и автоматизация. Схема принципиальная питающей сети 380/220 В
   Силовое электрооборудование и автоматизация. Схема принципиальная распределительной сети 380/220 В
   Силовое электрооборудование и автоматизация. Опросный лист для заказа вводно-распределительного устройства ВРУ
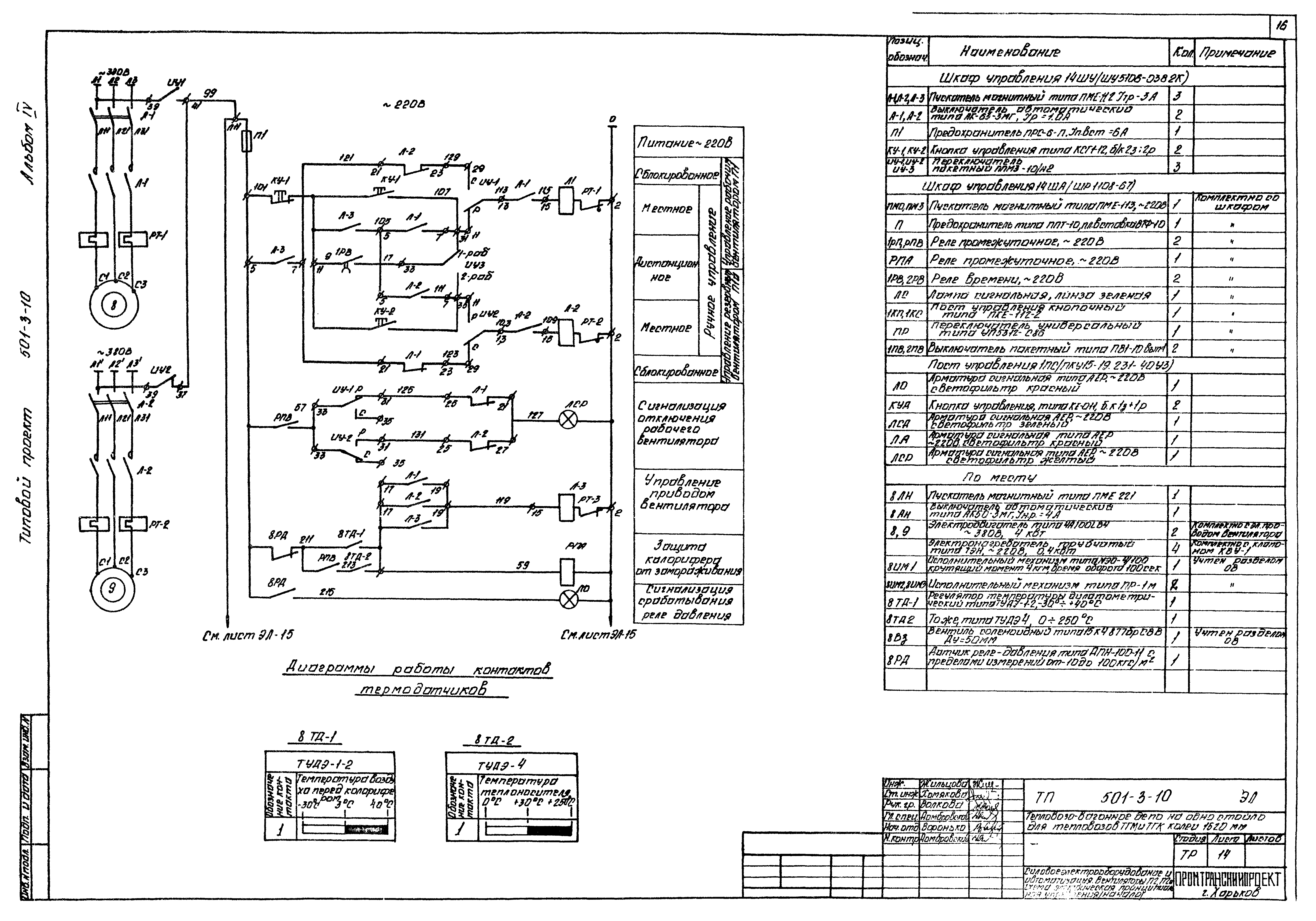
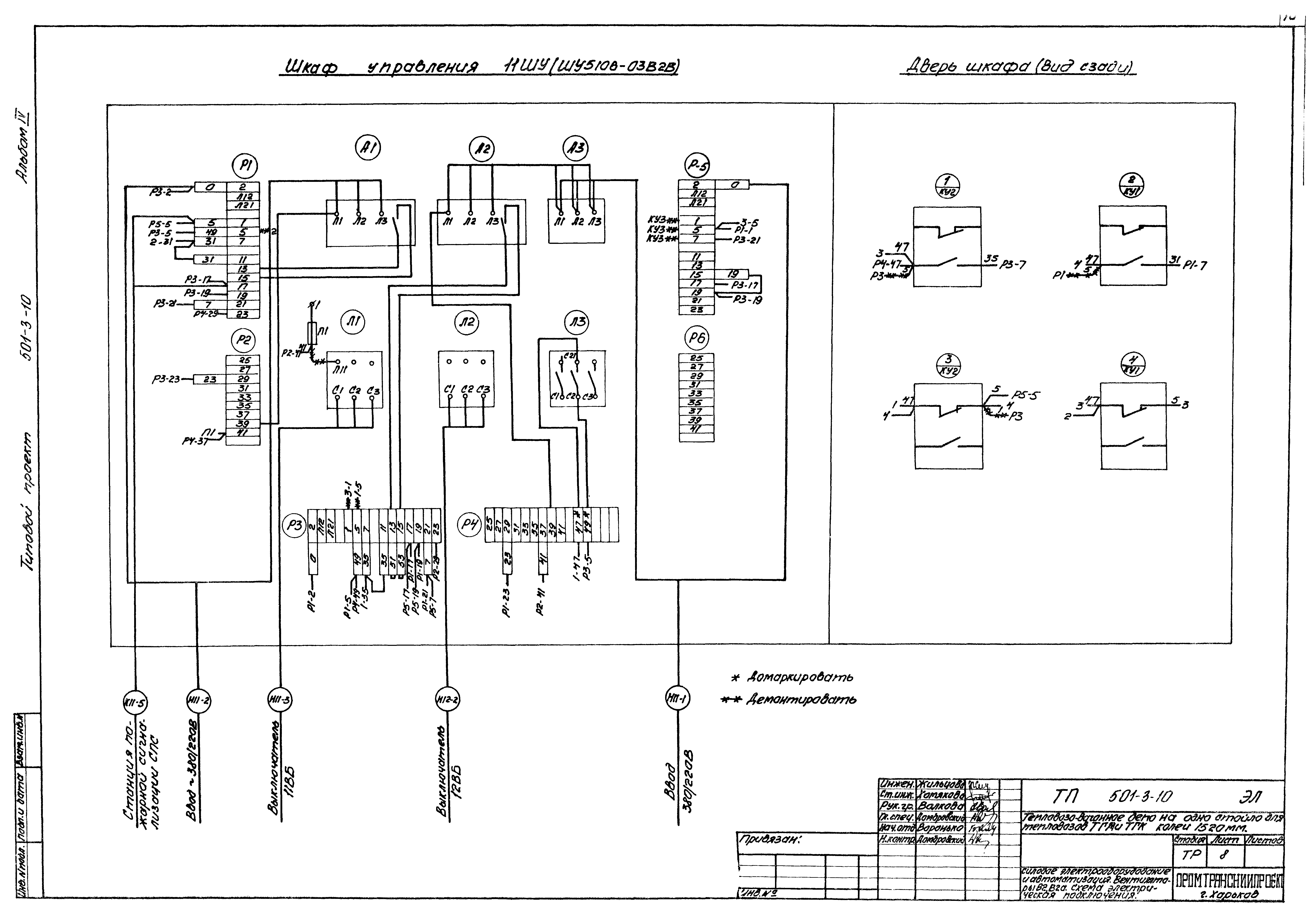
   Силовое электрооборудование и автоматизация. Вентиляторы В2, В2а. Схема электрическая принципиальная управления
   Силовое электрооборудование и автоматизация. Вентиляторы В2, В2а. Схема электрическая подключения
   Силовое электрооборудование и автоматизация. Вентиляторы Р1, Р2. Схемы электрическая принципиальная управления и подключения
   Силовое электрооборудование и автоматизация. Вентилятор В1. Схемы электрическая принципиальная управления и подключения
   Силовое электрооборудование и автоматизация. Отопительные агрегаты ОА1 - ОА4. Схемы электрические принципиальная управления и подключения
   Силовое электрооборудование и автоматизация. Вентиляторы П1, П1а. Схема электрическая принципиальная управления
   Силовое электрооборудование и автоматизация. Вентиляторы П2, П2а. Схема электрическая принципиальная управления
   Силовое электрооборудование и автоматизация. Вентиляторы П1, П1а. Схема электрическая подключения
   Силовое электрооборудование и автоматизация. Вентиляторы П2, П2а. Схема электрическая подключения
   Силовое электрооборудование и автоматизация. Ворота. Схема электрическая принципиальная управления и кабельная разводка
   Силовое электрооборудование и автоматизация. Ворота. Схема электрическая подключения
   Силовое электрооборудование и автоматизация. Воздушная завеса. Схемы электрические принципиальная управления и подключения
   Силовое электрооборудование и автоматизация. Кабельный журнал
   Силовое электрооборудование и автоматизация. Дистанционное управление вентиляторами. Схемы подключения и эскизы лицевых панелей ПКУ-15
   Силовое электрооборудование и автоматизация. Планы на отм. 0.000 и 5.800
   Силовое электрооборудование и автоматизация. Ведомости электрооборудования, материалов и объемов работ
   Электрическое освещение. Планы на отм. 0.000 и 5.800
   Электрическое освещение. Ведомости электрооборудования, материалов, изделий МЭЗ и объемов работ
   Молниезащита. План кровли, ведомости материалов и объемов работ
   КИП. Вентиляторы П1, П1а. Функциональная схема автоматизации
   КИП. Вентиляторы П2, П2а. Функциональная схема автоматизации
   КИП. Схема внешних электрических и трубных проводок
   КИП. План расположения средств автоматизации и электрических проводок. Кабельный журнал
   КИП. Схемы функциональные узлов ввода теплоносителей и водопровода
   КИП. Ведомости приборов и средств автоматизации, материалов и объемов работ
Перечень чертежей устройств связи
   Общие данные
   Схема связи
   Часофикация и телефонизация здания
   Радиофикация здания
   Оборудование здания устройствами пожарной сигнализации
Разработан: Промтрансниипроект
Утверждён:12.03.1981 Госстрой СССР (Государственный комитет Совета Министров СССР по делам строительства) (USSR Gosstroy 14)
Расположен в:Техническая документация Строительство Справочные документы Типовые строительные конструкции, изделия и узлы Общероссийский строительный каталог Промышленные предприятия, здания и сооружения Предприятия, здания и сооружения транспорта Транспорт промпредприятий железнодорожный
Типовой проект 501-3-10Типовой проект 501-3-10Типовой проект 501-3-10Типовой проект 501-3-10Типовой проект 501-3-10Типовой проект 501-3-10Типовой проект 501-3-10Типовой проект 501-3-10Типовой проект 501-3-10Типовой проект 501-3-10Типовой проект 501-3-10Типовой проект 501-3-10Типовой проект 501-3-10Типовой проект 501-3-10Типовой проект 501-3-10Типовой проект 501-3-10Типовой проект 501-3-10Типовой проект 501-3-10Типовой проект 501-3-10Типовой проект 501-3-10Типовой проект 501-3-10Типовой проект 501-3-10Типовой проект 501-3-10Типовой проект 501-3-10Типовой проект 501-3-10Типовой проект 501-3-10Типовой проект 501-3-10Типовой проект 501-3-10Типовой проект 501-3-10Типовой проект 501-3-10Типовой проект 501-3-10Типовой проект 501-3-10Типовой проект 501-3-10Типовой проект 501-3-10Типовой проект 501-3-10Типовой проект 501-3-10Типовой проект 501-3-10Типовой проект 501-3-10Типовой проект 501-3-10Типовой проект 501-3-10Типовой проект 501-3-10Типовой проект 501-3-10Типовой проект 501-3-10

© 2013 Ёшкин Кот :-) Карта сайта