Информационная система
«Ёшкин Кот»

Скачать базу одним архивом
Скачать обновления
История создания базы
Карта сайта

Скачать Типовой проект 409-28-38 Альбом V. Часть 1. Электротехнические чертежи для варианта с релейно-контактной системой управления

Дата актуализации: 10.08.2017

Типовой проект 409-28-38

Альбом V. Часть 1. Электротехнические чертежи для варианта с релейно-контактной системой управления

Обозначение: Типовой проект 409-28-38
Обозначение англ: 409-28-38
Статус:действует
Название рус.:Альбом V. Часть 1. Электротехнические чертежи для варианта с релейно-контактной системой управления
Дата добавления в базу:01.09.2013
Дата актуализации:05.05.2017
Оглавление:Содержание
Общие данные
Схемы силовой цепи
   Схема силовой сети
Автоматизация надбункерного отделения
   Схема технологическая с расстановкой элементов автоматики
   Приточная система. Схема функциональная
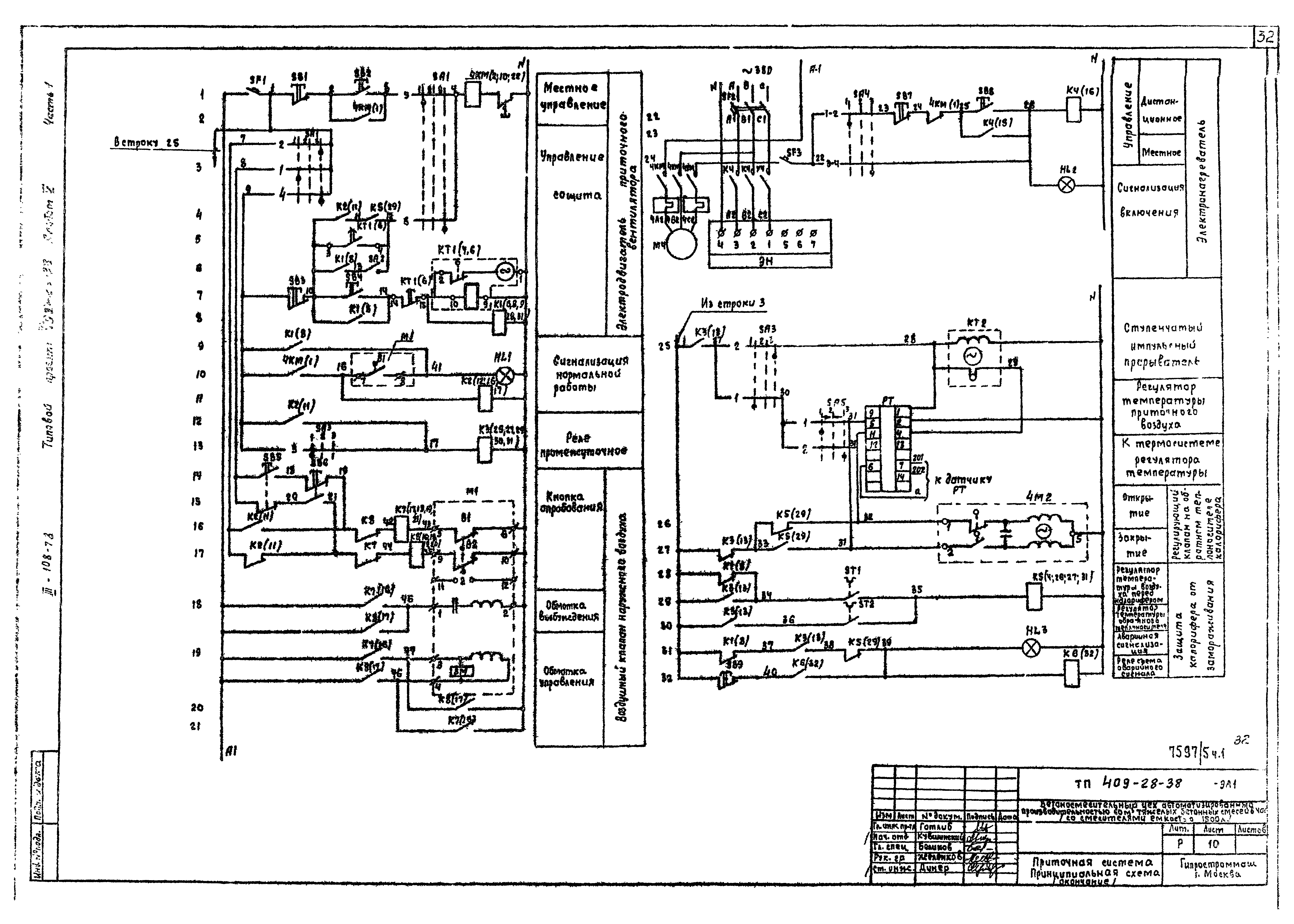
   Схема принципиальная
   Регенерация фильтров. Схема принципиальная
   Приточная система. Схема принципиальная
   Схема подключения
   Регенерация фильтров. Схема подключения
   Приточная система. Схема подключения
   Кабельный журнал
   План на отм. 14.400; 7.800; 10.800. Размещение электрооборудования и разводка кабелей
   План на отм. 17.100. Размещение электрооборудования и разводка кабелей
   План расстановки шкафов и пультов
   Разрезы 1-1 и 2-2. Размещение электрооборудования и разводка кабелей
   Коробка клеммная
Автоматизация дозаторного отделения
   Схема технологическая с расстановкой элементов автоматики
   Схема принципиальная
   Схема подключения
   Кабельный журнал
   План на отм. 4.800; 7.800. Размещение электрооборудования и разводка кабелей
   Разрезы 1-1 и 2-2. Размещение электрооборудования и разводка кабелей
   План на отм. 8.800. Разрез 3-3. Размещение электрооборудования и разводка кабелей
Разработан: Гипростроммаш
Утверждён:23.09.1979 Госстрой СССР (Государственный комитет Совета Министров СССР по делам строительства) (USSR Gosstroy 43)
Расположен в:Техническая документация Строительство Справочные документы Типовые строительные конструкции, изделия и узлы Общероссийский строительный каталог Промышленные предприятия, здания и сооружения Предприятия, здания и сооружения промышленности и электроэнергетики Строительная индустрия и промышленность строительных материалов Производство строительных материалов и изделий Производство бетона, раствора и асфальта
Типовой проект 409-28-38Типовой проект 409-28-38Типовой проект 409-28-38Типовой проект 409-28-38Типовой проект 409-28-38Типовой проект 409-28-38Типовой проект 409-28-38Типовой проект 409-28-38Типовой проект 409-28-38Типовой проект 409-28-38Типовой проект 409-28-38Типовой проект 409-28-38Типовой проект 409-28-38Типовой проект 409-28-38Типовой проект 409-28-38Типовой проект 409-28-38Типовой проект 409-28-38Типовой проект 409-28-38Типовой проект 409-28-38Типовой проект 409-28-38Типовой проект 409-28-38Типовой проект 409-28-38Типовой проект 409-28-38Типовой проект 409-28-38Типовой проект 409-28-38Типовой проект 409-28-38Типовой проект 409-28-38Типовой проект 409-28-38Типовой проект 409-28-38Типовой проект 409-28-38Типовой проект 409-28-38Типовой проект 409-28-38Типовой проект 409-28-38Типовой проект 409-28-38Типовой проект 409-28-38Типовой проект 409-28-38Типовой проект 409-28-38Типовой проект 409-28-38Типовой проект 409-28-38Типовой проект 409-28-38Типовой проект 409-28-38Типовой проект 409-28-38Типовой проект 409-28-38Типовой проект 409-28-38Типовой проект 409-28-38Типовой проект 409-28-38Типовой проект 409-28-38Типовой проект 409-28-38Типовой проект 409-28-38Типовой проект 409-28-38Типовой проект 409-28-38Типовой проект 409-28-38Типовой проект 409-28-38Типовой проект 409-28-38Типовой проект 409-28-38Типовой проект 409-28-38Типовой проект 409-28-38Типовой проект 409-28-38Типовой проект 409-28-38Типовой проект 409-28-38Типовой проект 409-28-38Типовой проект 409-28-38Типовой проект 409-28-38Типовой проект 409-28-38Типовой проект 409-28-38Типовой проект 409-28-38Типовой проект 409-28-38Типовой проект 409-28-38Типовой проект 409-28-38Типовой проект 409-28-38Типовой проект 409-28-38Типовой проект 409-28-38Типовой проект 409-28-38

© 2013 Ёшкин Кот :-) Карта сайта