Информационная система
«Ёшкин Кот»

Скачать базу одним архивом
Скачать обновления
История создания базы
Карта сайта

Скачать Типовой проект 501-5-97.87 Альбом III. Чертежи изделий заводского изготовления

Дата актуализации: 10.08.2017

Типовой проект 501-5-97.87

Альбом III. Чертежи изделий заводского изготовления

Обозначение: Типовой проект 501-5-97.87
Обозначение англ: 501-5-97.87
Статус:не определен законодательством
Название рус.:Альбом III. Чертежи изделий заводского изготовления
Дата добавления в базу:01.09.2013
Дата актуализации:05.05.2017
Дата введения:10.11.1987
Оглавление:Ведомость чертежей
Технические требования
Колонна 2К03.33-2.1-1
Колонна 2К03.33-2.1-2
Колонна 2К03.33-2.1-3
Колонна 2К03.33-2.1-4
Колонна 2К03.33-2.4-1
Колонна 2К03.33-2.4-2
Колонна 2К03.33-2.4-3
Колонна 2К03.33-2.4-4
Колонна 2КД3.33-1.1-1
Колонна 2КД3.33-1.1-2
Колонна 2КД3.33-1.1-3
Колонна 2КД3.33-1.1-4
Колонна 2КД3.33-2.3-1
Колонна 2КД3.33-2.3-2
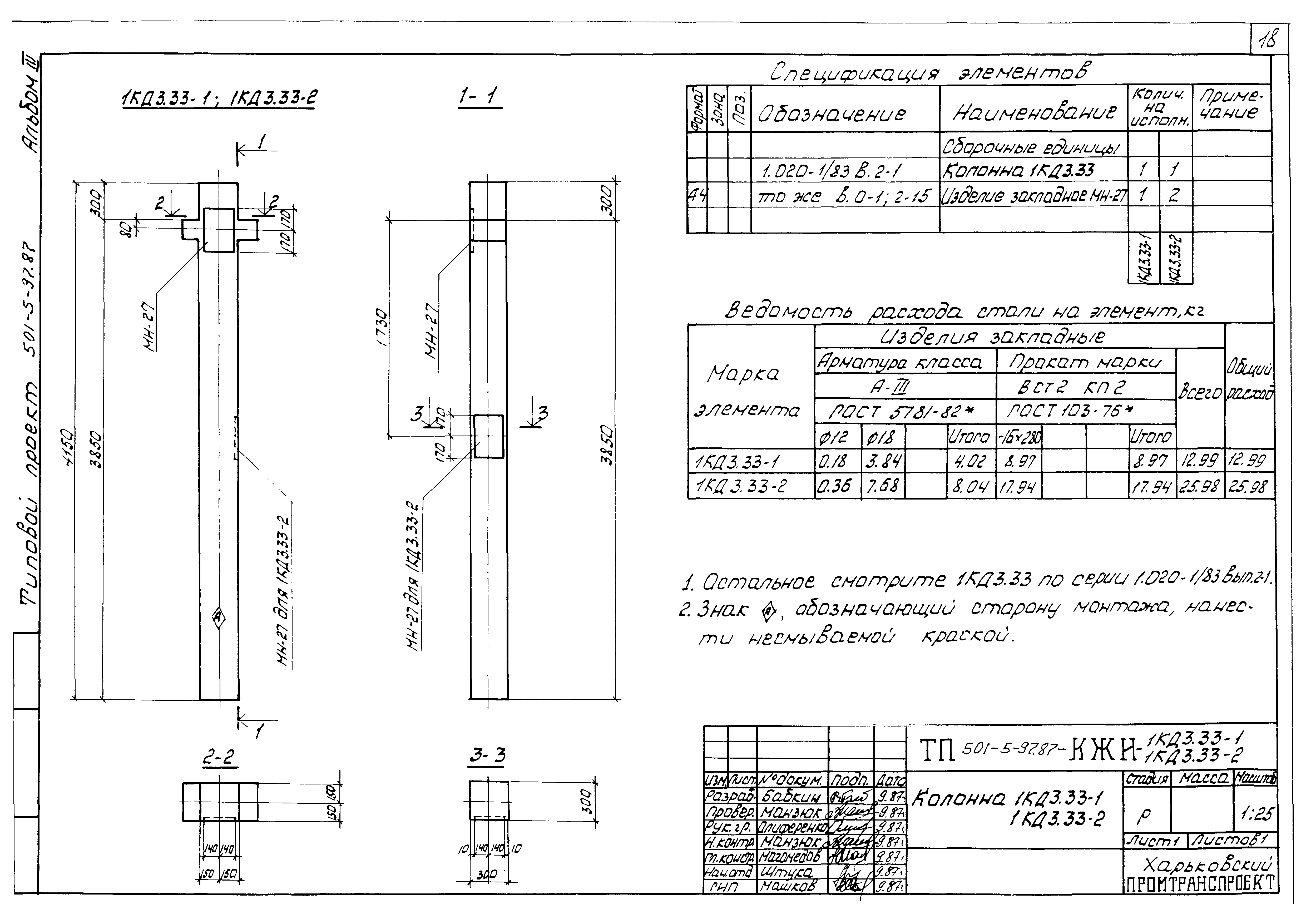
Колонны 1КД3.33-1, 1КД3.33-2
Ригель РОП4.57-30-1
Диафрагмы 1Д56.33-1, 2ДПК56.33-1
Диафрагмы 1Д56.33-2
Плиты П-7 - П-12, П-20 - П-23
Плиты П-8, П-9, П-10, П-11
Плиты П-7, П-12, П-20 - П-22
Плита П-23. Детали Д-8, Д-9
Деталь Д-1
Деталь Д-2, Д-3
Деталь Д-4
Деталь Д-5
Деталь Д-6
Деталь Д-7
Стеновые панели ПС1, ПС5, ПС13
Стеновые панели ПС5, ПС7
Стеновая панель ПС3
Стеновая панель ПС4
Стеновая панель ПС6
Стеновая панель ПС8
Стеновая панель ПС9
Стеновая панель ПС10
Стеновая панель ПС11
Стеновая панель ПС12
Стеновые панели ПС14, ПС17, ПС18
Стеновые панели ПС15, ПС16
Стеновые панели ПС19, ПС20, ПС22
Стеновая панель ПС21
Сетка арматурная С-1
Сетка арматурная С-2
Сетка арматурная С-3
Сетка арматурная С-4
Сетки арматурные С-5, С-10
Сетка арматурная С-6
Сетка арматурная С-7
Сетка арматурная С-8
Сетка арматурная С-9
Сетка арматурная С-11
Сетка арматурная С-12
Изделие закладное ЗД-1
Изделие закладное МС-1
Изделие закладное МС-2
Изделие закладное МН-1
Изделие закладное МН-2
Изделие закладное МН-3
Изделие закладное МН-4
Анкер А-3
Анкер А-1
Анкер А-2
Изделие соединительное МСН-1
Опора ОВ-1
Опорные консоли ТК-1, ТКн-1
Опорные консоли ТК-2, ТКн-2
Опорные консоли ТК-3, ТКн-3
Опора радиоантенны ОР-1
Опоры КР-1 - КР-6
Изделия закладные Р-1 - Р-8
Решетка для вытирания ног МР-1
Разработан: Харьковский Промтранспроект
Утверждён:10.11.1987 Госстрой СССР (Государственный комитет Совета Министров СССР по делам строительства) (USSR Gosstroy 85)
Расположен в:Техническая документация Строительство Справочные документы Типовые строительные конструкции, изделия и узлы Общероссийский строительный каталог Промышленные предприятия, здания и сооружения Предприятия, здания и сооружения транспорта Транспорт железнодорожный Здания и сооружения служебно-технические
Типовой проект 501-5-97.87Типовой проект 501-5-97.87Типовой проект 501-5-97.87Типовой проект 501-5-97.87Типовой проект 501-5-97.87Типовой проект 501-5-97.87Типовой проект 501-5-97.87Типовой проект 501-5-97.87Типовой проект 501-5-97.87Типовой проект 501-5-97.87Типовой проект 501-5-97.87Типовой проект 501-5-97.87Типовой проект 501-5-97.87Типовой проект 501-5-97.87Типовой проект 501-5-97.87Типовой проект 501-5-97.87Типовой проект 501-5-97.87Типовой проект 501-5-97.87Типовой проект 501-5-97.87Типовой проект 501-5-97.87Типовой проект 501-5-97.87Типовой проект 501-5-97.87Типовой проект 501-5-97.87Типовой проект 501-5-97.87Типовой проект 501-5-97.87Типовой проект 501-5-97.87Типовой проект 501-5-97.87Типовой проект 501-5-97.87Типовой проект 501-5-97.87Типовой проект 501-5-97.87Типовой проект 501-5-97.87Типовой проект 501-5-97.87Типовой проект 501-5-97.87Типовой проект 501-5-97.87Типовой проект 501-5-97.87Типовой проект 501-5-97.87Типовой проект 501-5-97.87Типовой проект 501-5-97.87Типовой проект 501-5-97.87Типовой проект 501-5-97.87Типовой проект 501-5-97.87Типовой проект 501-5-97.87Типовой проект 501-5-97.87Типовой проект 501-5-97.87Типовой проект 501-5-97.87Типовой проект 501-5-97.87Типовой проект 501-5-97.87Типовой проект 501-5-97.87Типовой проект 501-5-97.87Типовой проект 501-5-97.87Типовой проект 501-5-97.87Типовой проект 501-5-97.87Типовой проект 501-5-97.87Типовой проект 501-5-97.87Типовой проект 501-5-97.87Типовой проект 501-5-97.87Типовой проект 501-5-97.87Типовой проект 501-5-97.87Типовой проект 501-5-97.87Типовой проект 501-5-97.87Типовой проект 501-5-97.87Типовой проект 501-5-97.87Типовой проект 501-5-97.87Типовой проект 501-5-97.87Типовой проект 501-5-97.87Типовой проект 501-5-97.87Типовой проект 501-5-97.87Типовой проект 501-5-97.87Типовой проект 501-5-97.87Типовой проект 501-5-97.87Типовой проект 501-5-97.87Типовой проект 501-5-97.87Типовой проект 501-5-97.87Типовой проект 501-5-97.87Типовой проект 501-5-97.87

© 2013 Ёшкин Кот :-) Карта сайта