Скачать Типовой проект 902-1-1 Альбом 1. Архитектурно-строительная часть при глубине заложения подводящего коллектора 3,0 мДата актуализации: 10.08.2017 Типовой проект 902-1-1
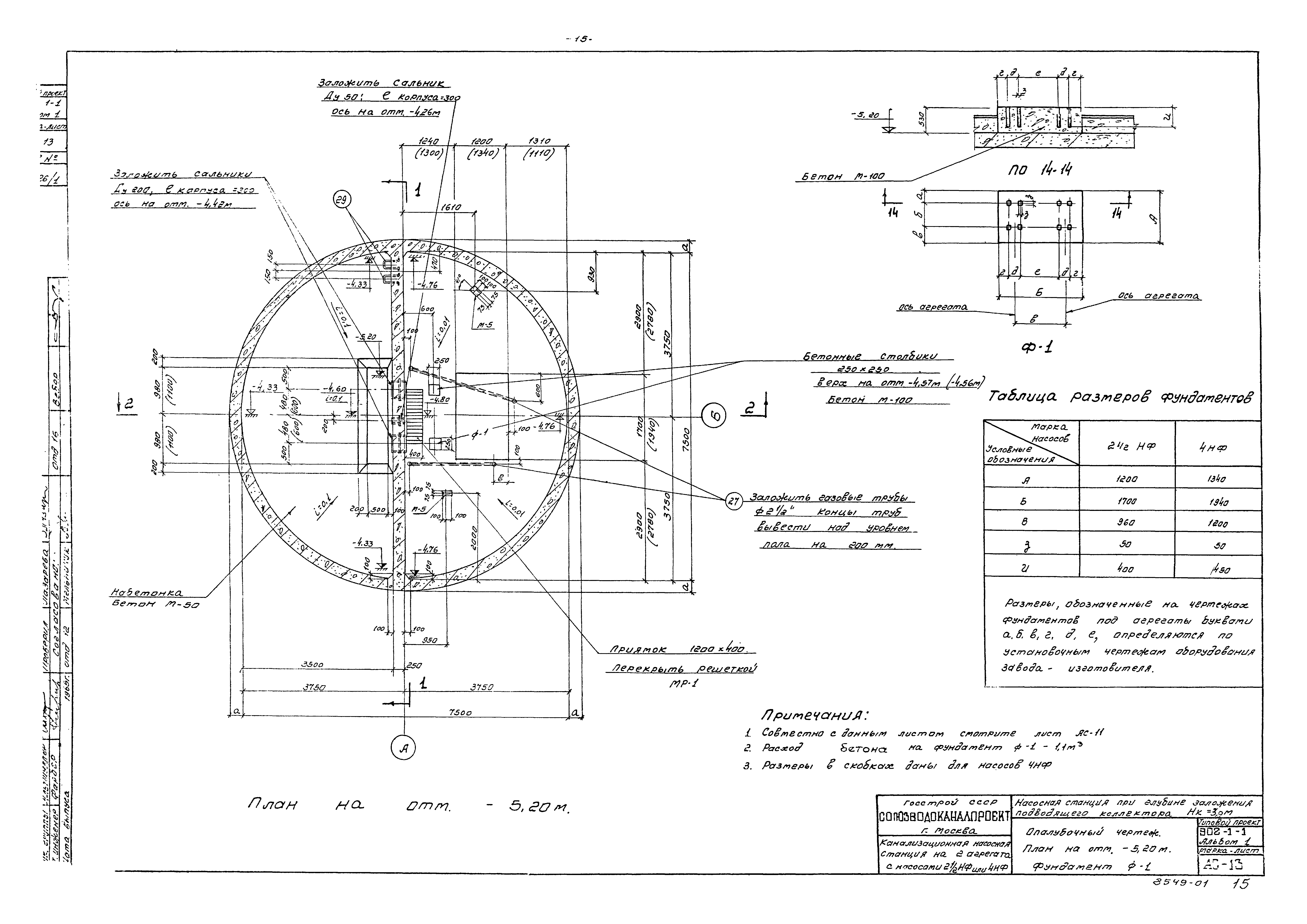
Альбом 1. Архитектурно-строительная часть при глубине заложения подводящего коллектора 3,0 мОбозначение: | Типовой проект 902-1-1 | Обозначение англ: | 902-1-1 | Статус: | не действует | Название рус.: | Альбом 1. Архитектурно-строительная часть при глубине заложения подводящего коллектора 3,0 м | Дата добавления в базу: | 01.09.2013 | Дата актуализации: | 05.05.2017 | Оглавление: | Обложка Титульный лист Заглавный лист Содержание альбома Пояснительная записка Планы кровли, полов и перемычек. Основные показатели. Толщина наружных стен и утеплителя кровли, воздух. Шахты. Спецификация столярных изделий. Экспликация полов, покрытия и перемычек Планы и разрезы Фасады. Детали разрезов и планов Опалубочный чертеж. План на отм. - 0,02. Сечения Опалубочный чертеж. План на отм. - 2,42. Сечения Опалубочный чертеж. Разрезы. Узлы Опалубочный чертеж. Разрез 7-7. План А-А. Сечение. Узлы Опалубочный чертеж. План на отм. - 5.20 м. Фундамент Ф-1 Закладные элементы. Спецификация и выборка стали. Выборка сальников Площадка для обслуживания задвижек Армирование стен подземной части Армирование стен подземной части. Сетки, каркасы, спецификация арматуры Армирование перегородки. План, разрезы, раскладка сеток Армирование перегородки. Сетки, каркасы, спецификация арматуры Армирование днища. Планы, разрезы Армирование днища. Сетки, каркасы, спецификация арматуры Армирование перекрытия на отм. - 0.02 Армирование перекрытия на отм. - 0.02. Спецификация и выборка арматуры Перекрытие на отм. - 0.02. Армирование балок Бм-1 - Бм-4 Перекрытие на отм. - 0.02. Армирование балок Бм-5 - Бм-8. Расход материалов Перекрытие на отм. - 0.02. Армирование балок. Сетки С-12, С-11. Каркасы КР-4 - КР-11 Перекрытие на отм. - 0.02. Армирование балок. Спецификация и выборка арматуры Перекрытие на отм. - 2.42 Перекрытие на отм. - 2.42. Лоток. План и сечения Перекрытие на отм. - 2.42. Армирование плиты. Спецификация и выборка арматуры Перекрытие на отм. - 2.42. Армирование балок Бм-9 - Бм-11 Перекрытие на отм. - 2.42. Армирование балок Бм-12 - Бм-13а Перекрытие на отм. - 2.42. Армирование балок. Спецификация и выборка арматуры Армирование лестничной площадки Пм-1 Сварные железобетонные плиты ПС-1, ПС-2 Кровельное покрытие. Арматурно-опалубочный чертеж Монорельсы. План расположения, разрезы, узлы "1" и "2" Монорельсы. Узлы 3, 4, 5. Спецификация металла и выборка Металлические лестницы. Схема расположения лестниц Металлические лестницы. Деталь ограждения. Спецификация металла Сводные спецификация материалов Объемы строительных работ | Разработан: | Союзводоканалпроект
| Утверждён: | 19.04.1966 Главпромстройпроект Госстроя СССР
| Расположен в: |
|
                                            
|