Информационная система
«Ёшкин Кот»

Скачать базу одним архивом
Скачать обновления
История создания базы
Карта сайта

Скачать Типовой проект 816-1-76.86 Альбом 3. Внутренние водопровод и канализация. Отопление и вентиляция. Силовое электрооборудование. Автоматизация отопления и вентиляции. Связь и сигнализация

Дата актуализации: 10.08.2017

Типовой проект 816-1-76.86

Альбом 3. Внутренние водопровод и канализация. Отопление и вентиляция. Силовое электрооборудование. Автоматизация отопления и вентиляции. Связь и сигнализация

Обозначение: Типовой проект 816-1-76.86
Обозначение англ: 816-1-76.86
Статус:не определен законодательством
Название рус.:Альбом 3. Внутренние водопровод и канализация. Отопление и вентиляция. Силовое электрооборудование. Автоматизация отопления и вентиляции. Связь и сигнализация
Дата добавления в базу:01.09.2013
Дата актуализации:05.05.2017
Дата введения:14.01.1986
Оглавление:Внутренние водопровод и канализация
   Общие данные
   План на отм. 0.000
   План на отм. 3.200. Грязеотстойник с бензомаслоуловителем
   Схемы систем В1, Т3, К1 и К3
   Эскизные чертежи общих видов нетиповых конструкций
Отопление и вентиляция
   Общие данные
   План на отм. 0.000. Разрезы 1-1 - 6-6
   План на отм. 3.200. Планы кровли между осями 1 - 2 и 6; 5 - 6 и А. Разрезы 7-7 - 12-12
   Схема систем отопления 1, 2. Узлы 1, 2, 3
   Схема системы теплоснабжения установок П1 - П3. Узлы 1, 2, 3. Схема ИТП
   Схема системы вентиляции П1 - П3; В1 - В7; ВЕ1 - ВЕ4; Т1
   Установки систем П1 - П3
   Воздуховод. Общий вид
   Конструкция изоляции трубопроводов. Общий вид
Силовое электрооборудование
   Общие данные
   План расположения силовой сети 380/220 В и оборудования на отм. 0.000 в осях 1 - 9
   План расположения силовой сети 380/220 В и оборудования на отм. 3.200 в осях 1 - 4
   Расчетная схема силовой сети (ШВ, ШР-1)
   Расчетная схема силовой сети (ШР-2, ШР-3)
   Схема электрическая принципиальная управления задвижкой. Схема внешних проводок
   Кабельный журнал
   План расположения электрического оборудования и прокладки осветительных сетей на отм. 0.000 в осях 1 - 9
   План расположения электрического оборудования и прокладки осветительных сетей на отм. 3.200 в осях 1 - 4
   Крепление светильника в нише. Общий вид
Автоматизация отопления и вентиляции
   Общие данные
   Приточная система П1. Схема автоматизации. Схема электрическая принципиальная
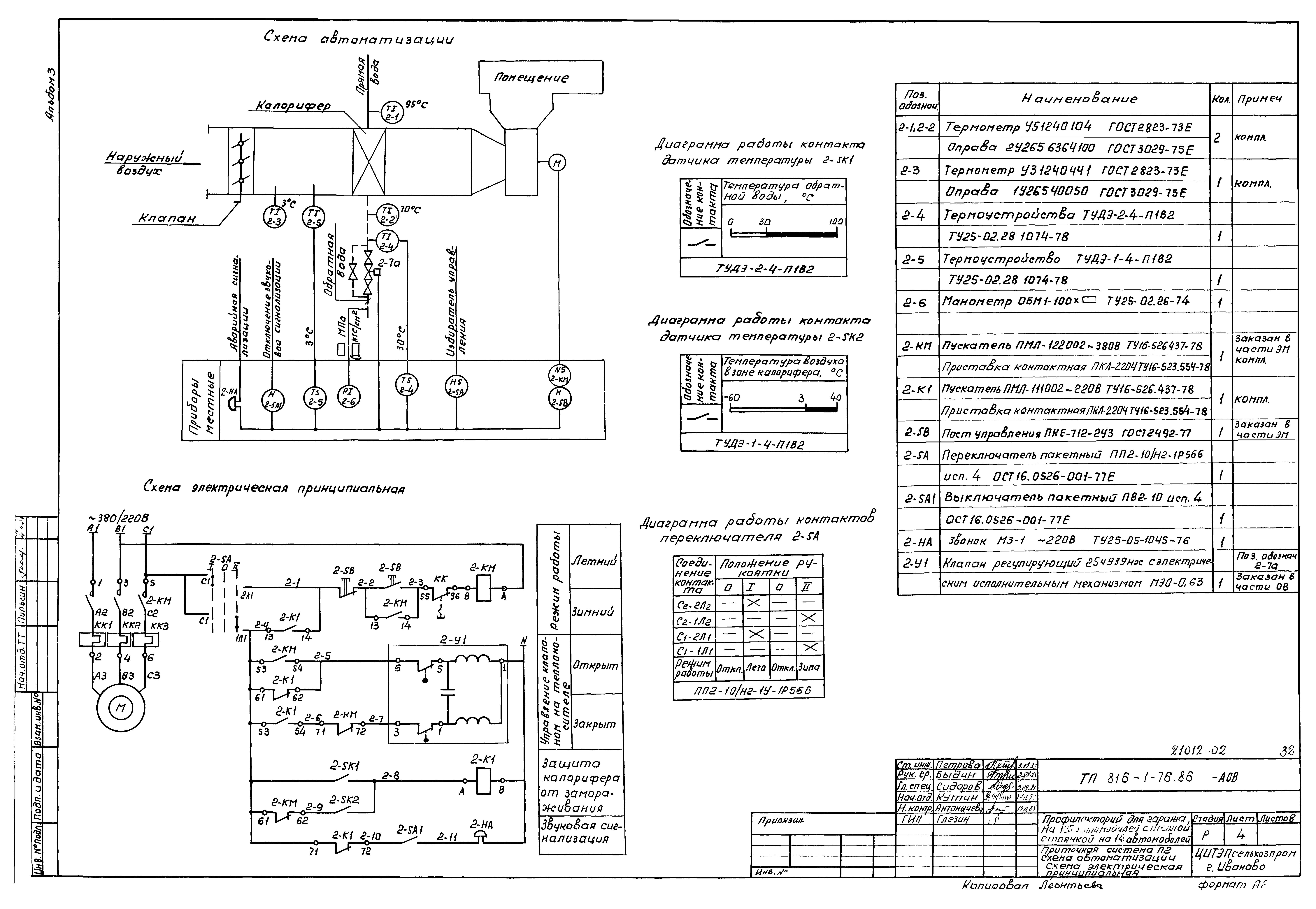
   Приточная система П2. Схема автоматизации. Схема электрическая принципиальная
   Приточная система П3. Схема автоматизации
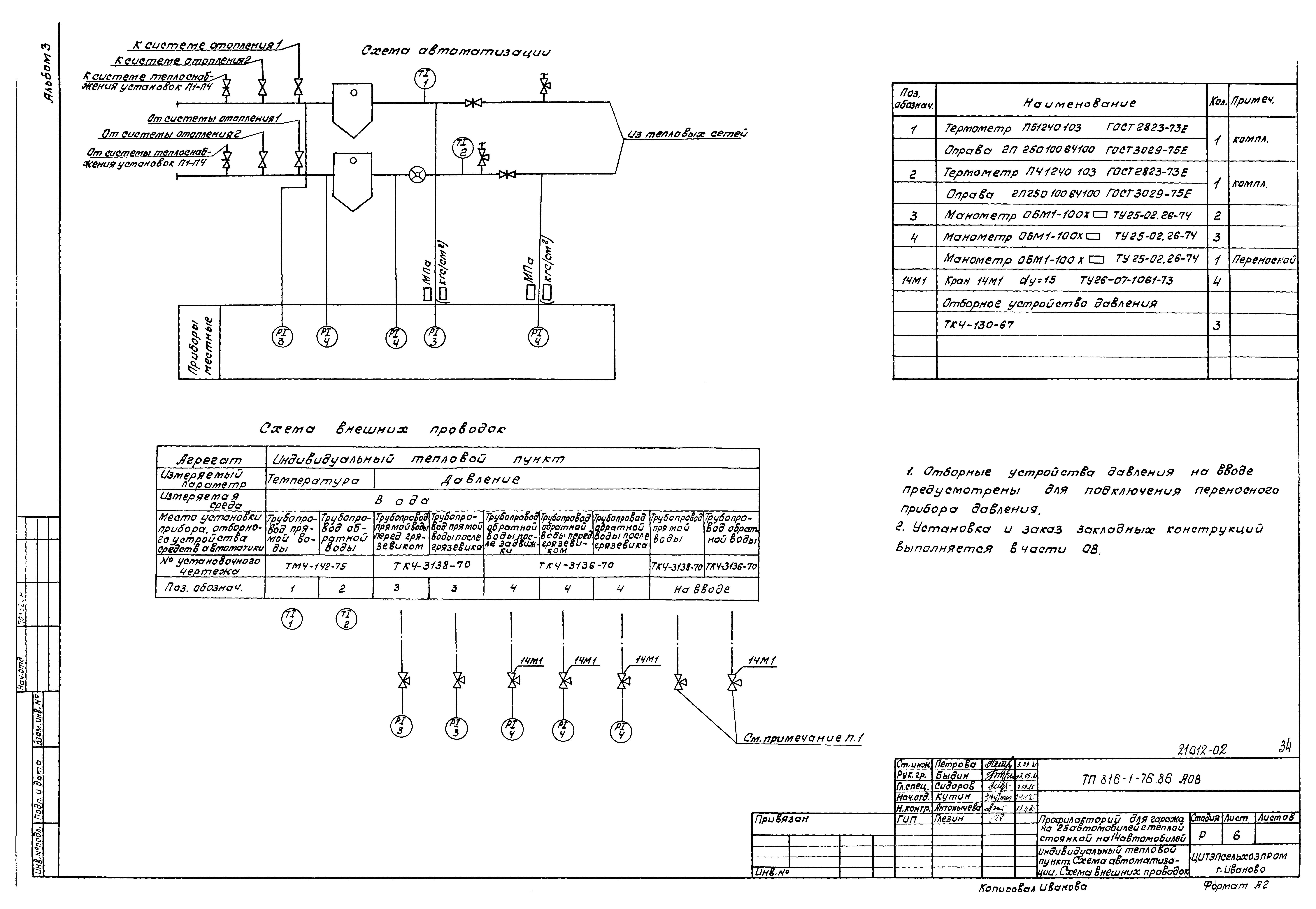
   Индивидуальный тепловой пункт. Схема автоматизации. Схема внешних проводок
   Приточная система П3. Схема электрическая принципиальная регулирования
   Приточная система П3. Схемы электрические принципиальные управления и отключения вентиляции при пожаре
   Приточная система П1. Схема внешних проводок
   Приточная система П2. Схема внешних проводок
   Приточная система П3. Схема внешних проводок
   Приточные системы П1 - П3. Отключение вентиляции при пожаре. План расположения
Связь и сигнализация
   Общие данные
   План расположения сетей телефонной связи и радиофикации
   Схема соединений
   План расположения сетей на отм. 0.000
   План расположения сетей на отм. 3.200
Разработан: ЦИТЭПсельхозпрома
Утверждён:11.09.1985 Минсельхоз СССР (USSR Minselkhoz 62-ЭГ)
Расположен в:Техническая документация Строительство Справочные документы Типовые строительные конструкции, изделия и узлы Общероссийский строительный каталог Сельскохозяйственные предприятия, здания и сооружения Предприятия, здания и сооружения по ремонту, техническому обслуживанию, хранению и обеспечению горюче-смазочными материалами сельхозтехники Гаражи, профилактории, стоянки
Типовой проект 816-1-76.86Типовой проект 816-1-76.86Типовой проект 816-1-76.86Типовой проект 816-1-76.86Типовой проект 816-1-76.86Типовой проект 816-1-76.86Типовой проект 816-1-76.86Типовой проект 816-1-76.86Типовой проект 816-1-76.86Типовой проект 816-1-76.86Типовой проект 816-1-76.86Типовой проект 816-1-76.86Типовой проект 816-1-76.86Типовой проект 816-1-76.86Типовой проект 816-1-76.86Типовой проект 816-1-76.86Типовой проект 816-1-76.86Типовой проект 816-1-76.86Типовой проект 816-1-76.86Типовой проект 816-1-76.86Типовой проект 816-1-76.86Типовой проект 816-1-76.86Типовой проект 816-1-76.86Типовой проект 816-1-76.86Типовой проект 816-1-76.86Типовой проект 816-1-76.86Типовой проект 816-1-76.86Типовой проект 816-1-76.86Типовой проект 816-1-76.86Типовой проект 816-1-76.86Типовой проект 816-1-76.86Типовой проект 816-1-76.86Типовой проект 816-1-76.86Типовой проект 816-1-76.86Типовой проект 816-1-76.86Типовой проект 816-1-76.86Типовой проект 816-1-76.86Типовой проект 816-1-76.86Типовой проект 816-1-76.86Типовой проект 816-1-76.86Типовой проект 816-1-76.86Типовой проект 816-1-76.86Типовой проект 816-1-76.86Типовой проект 816-1-76.86Типовой проект 816-1-76.86Типовой проект 816-1-76.86

© 2013 Ёшкин Кот :-) Карта сайта