Скачать Типовой проект 407-3-590.90 Альбом 3. Строительные чертежи (вариант со шкафами КРУ серии К-104). Строительные чертежи (вариант со шкафами КРУ серий КМ-1М, КМ-1Ф). Отопление, вентиляцияДата актуализации: 10.08.2017 Типовой проект 407-3-590.90
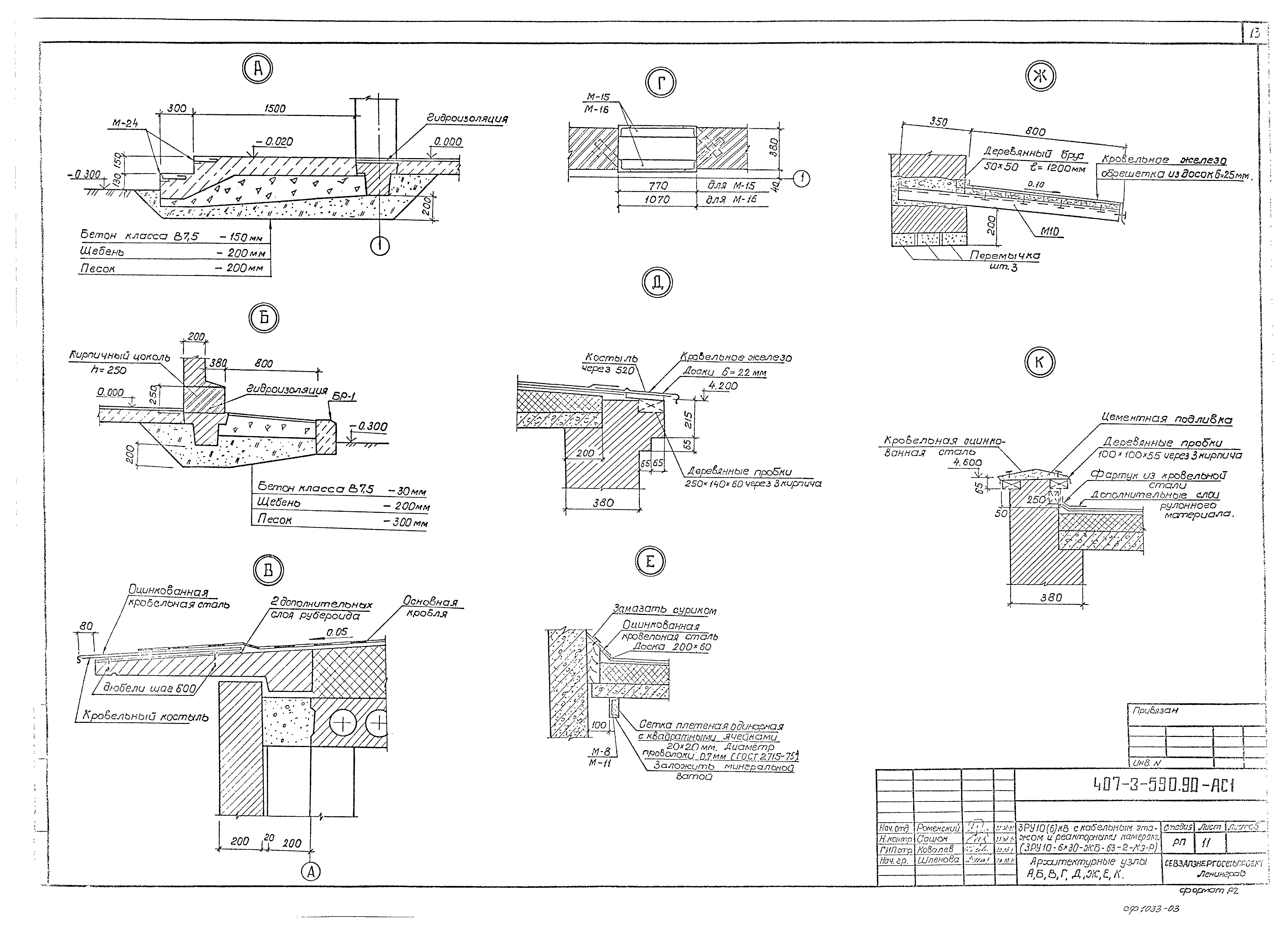
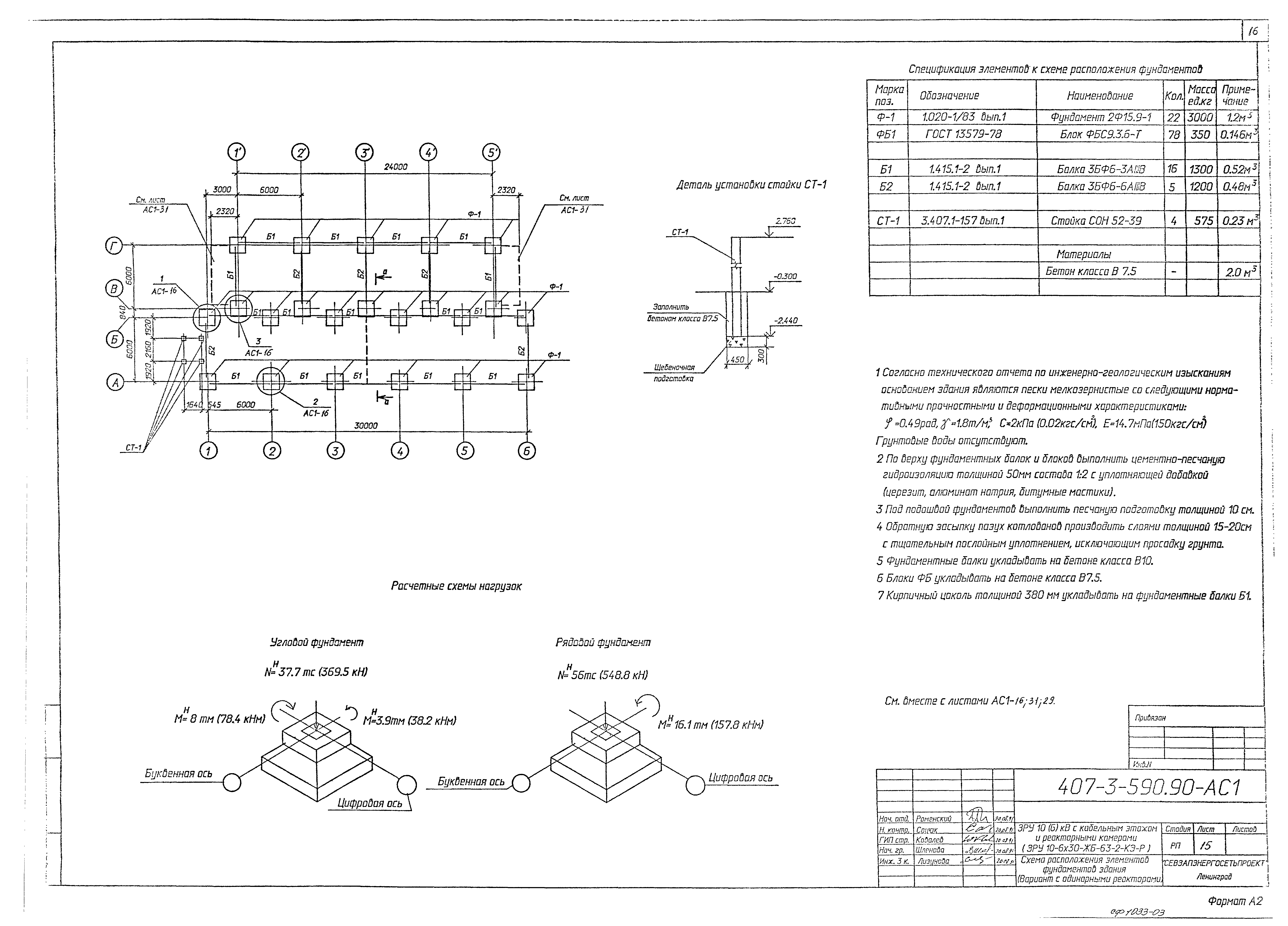
Альбом 3. Строительные чертежи (вариант со шкафами КРУ серии К-104). Строительные чертежи (вариант со шкафами КРУ серий КМ-1М, КМ-1Ф). Отопление, вентиляцияОбозначение: | Типовой проект 407-3-590.90 | Обозначение англ: | 407-3-590.90 | Статус: | cправочные материалы, мп, тпр | Название рус.: | Альбом 3. Строительные чертежи (вариант со шкафами КРУ серии К-104). Строительные чертежи (вариант со шкафами КРУ серий КМ-1М, КМ-1Ф). Отопление, вентиляция | Дата добавления в базу: | 01.09.2013 | Дата актуализации: | 05.05.2017 | Оглавление: | Строительные чертежи (Варианты со шкафами КРУ серии К-104) Общие данные План на отм. 0.000 (Вариант с одинарными реакторами) План на отм. 3.100. План кровли (Вариант с одинарными реакторами) План на отм. 0.000 (Вариант со сдвоенными реакторами) План на отм. 3.100. План кровли (Вариант со сдвоенными реакторами) Разрезы 1-1 - 4-4 Фасады (Вариант с одинарными реакторами) Фасады (Вариант со сдвоенными реакторами) Архитектурные узлы А, Б, В, Г, Д, Ж, Е, К Фрагмент входа 1 Фундаменты под реакторы ФР-1 - ФР-13 Фрагмент фасада 1 Схема расположения элементов фундаментов здания (Вариант с одинарными реакторами) Схема расположения элементов фундаментов здания (Вариант с одинарными реакторами). Узлы 1 - 3 Схема расположения элементов фундаментов здания (Вариант со сдвоенными реакторами) Схема расположения элементов фундаментов здания (Вариант со сдвоенными реакторами). Узлы 1 - 3 Схемы расположения колонн, ригелей и балок (Вариант с одинарными реакторами) Схемы расположения колонн, ригелей и балок (Вариант со сдвоенными реакторами) Схемы расположения плит покрытия и перекрытия (Вариант с одинарными реакторами) Схемы расположения плит покрытия и перекрытия (Вариант со сдвоенными реакторами) Схемы расположения плит покрытия и перекрытия (Вариант со сдвоенными реакторами). Узлы 1 - 4 Схемы расположения плит покрытия и перекрытия (Вариант со сдвоенными реакторами). Узлы 5 - 8 Схемы расположения стеновых панелей (Вариант с одинарными реакторами) Схемы расположения стеновых панелей (Вариант со сдвоенными реакторами) Схемы расположения отверстий и металлоконструкций в покрытии и перекрытии Схемы расположения отверстий и металлоконструкций в покрытии и перекрытии. Сечения 1-1 - 7-7 Схемы расположения каналов и приямков в кабельном помещении План покрытия каналов и приямков. Узлы, сечения Схема расположения элементов каналов в реакторных камерах (Вариант с одинарными реакторами) Схема расположения асбестоцементных досок в реакторных камерах (Вариант с одинарными реакторами) Схема расположения элементов каналов в реакторных камерах (Вариант со сдвоенными реакторами) Схема расположения металлоконструкций для транспортировки оборудования Схемы расположения колонн, ригелей и балок. Спецификации Строительные чертежи (Варианты со шкафами КРУ серии КМ-1м, КМ-1ф) Общие данные План на отм. 0.000 (Вариант с одинарными реакторами) План на отм. 3.100. План кровли (Вариант с одинарными реакторами) План на отм. 0.000 (Вариант со сдвоенными реакторами) План на отм. 3.100. План кровли (Вариант со сдвоенными реакторами) Разрезы 1-1 - 4-4 Фасады (Вариант с одинарными реакторами) Фасады (Вариант со сдвоенными реакторами) Архитектурные узлы А, Б, В, Г, Д, Ж, Е, К Фрагмент входа 1 Фундаменты под реакторы ФР-1 - ФР-13 Фрагмент фасада 1 Схема расположения элементов фундаментов здания (Вариант с одинарными реакторами) Схема расположения элементов фундаментов здания (Вариант с одинарными реакторами). Узлы 1 - 3 Схема расположения элементов фундаментов здания (Вариант со сдвоенными реакторами) Схема расположения элементов фундаментов здания (Вариант со сдвоенными реакторами). Узлы 1 - 3 Схемы расположения колонн, ригелей и балок (Вариант с одинарными реакторами) Схемы расположения колонн, ригелей и балок (Вариант со сдвоенными реакторами) Схемы расположения плит покрытия и перекрытия (Вариант с одинарными реакторами) Схемы расположения плит покрытия и перекрытия (Вариант со сдвоенными реакторами) Схемы расположения плит покрытия и перекрытия (Вариант со сдвоенными реакторами). Узлы 1 - 3 Схемы расположения плит покрытия и перекрытия (Вариант со сдвоенными реакторами). Узлы 4 - 8 Схемы расположения стеновых панелей (Вариант с одинарными реакторами) Схемы расположения стеновых панелей (Вариант со сдвоенными реакторами) Схемы расположения отверстий и металлоконструкций в покрытии и перекрытии Схемы расположения отверстий и металлоконструкций в покрытии и перекрытии. Сечения 1-1 - 6-6 Схемы расположения каналов и приямков в кабельном помещении План покрытия каналов и приямков. Узлы, сечения Схема расположения элементов каналов в реакторных камерах (Вариант с одинарными реакторами) Схема расположения асбестоцементных досок в реакторных камерах (Вариант с одинарными реакторами) Схема расположения элементов каналов в реакторных камерах (Вариант со сдвоенными реакторами) Схема расположения металлоконструкций для транспортировки оборудования Схемы расположения колонн, ригелей и балок. Спецификации Отопление, вентиляция Общие данные План на отм. 0.000. План на отм. 3.100 между осями А - Б (Вариант с одинарными реакторами) План на отм. 0.000. План на отм. 3.100 между осями А - Б (Вариант со сдвоенными реакторами) Разрезы 1-1, 2-2, 3-3 Установка 1-ой, 2-х, 3-х и 4-х электропечей | Разработан: | Севзапэнергосетьпроект
| Утверждён: | 08.08.1991 Минэнерго СССР (USSR Minenergo 35)
| Расположен в: |
|
                                                                         
|