Скачать Типовой проект 407-3-588.90 Альбом 2. Электротехнические чертежи (вариант со шкафами КРУ серии К-104). Электротехнические чертежи (вариант со шкафами КРУ серий КМ-1М, КМ-1ф)Дата актуализации: 10.08.2017 Типовой проект 407-3-588.90
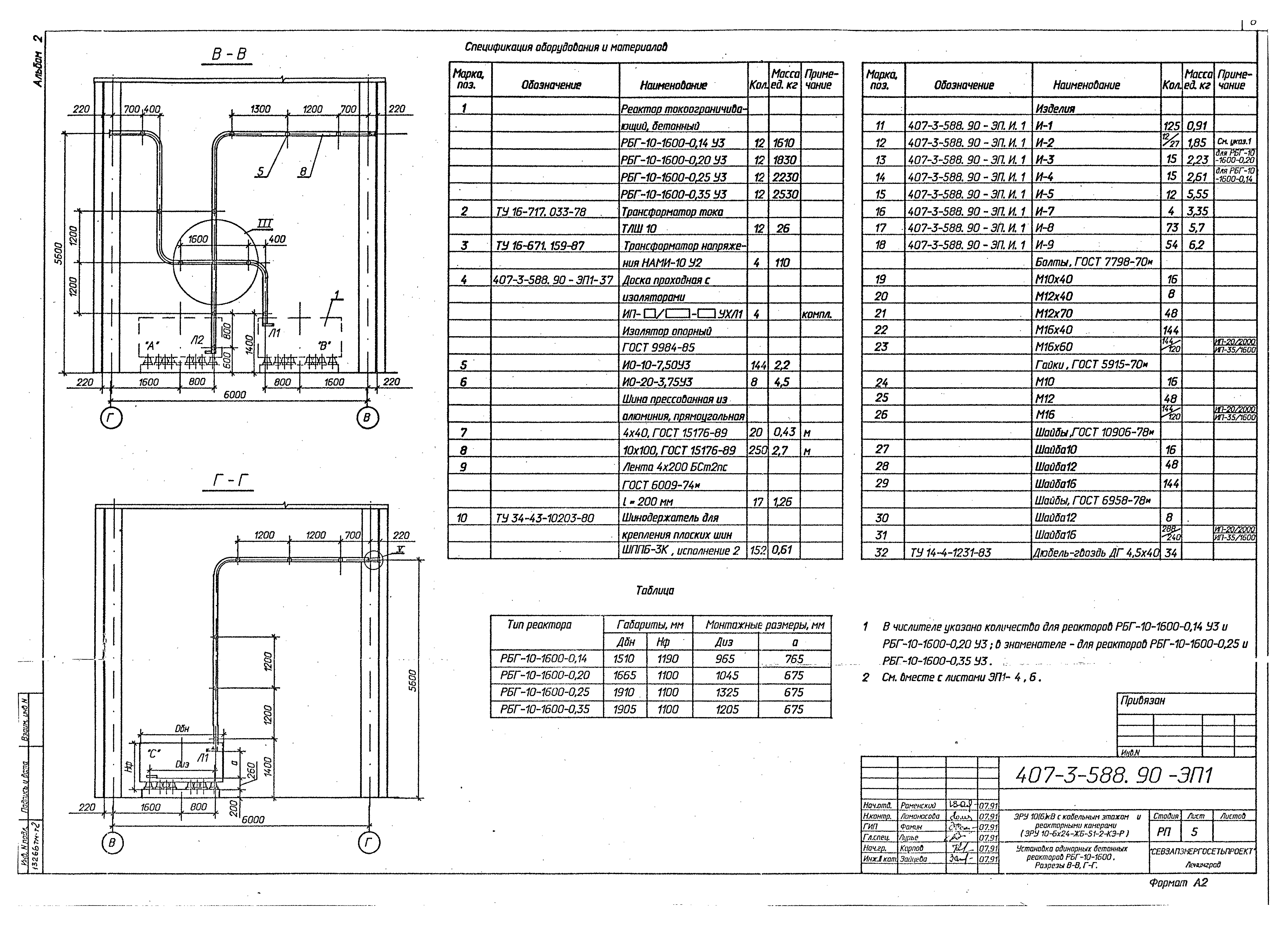
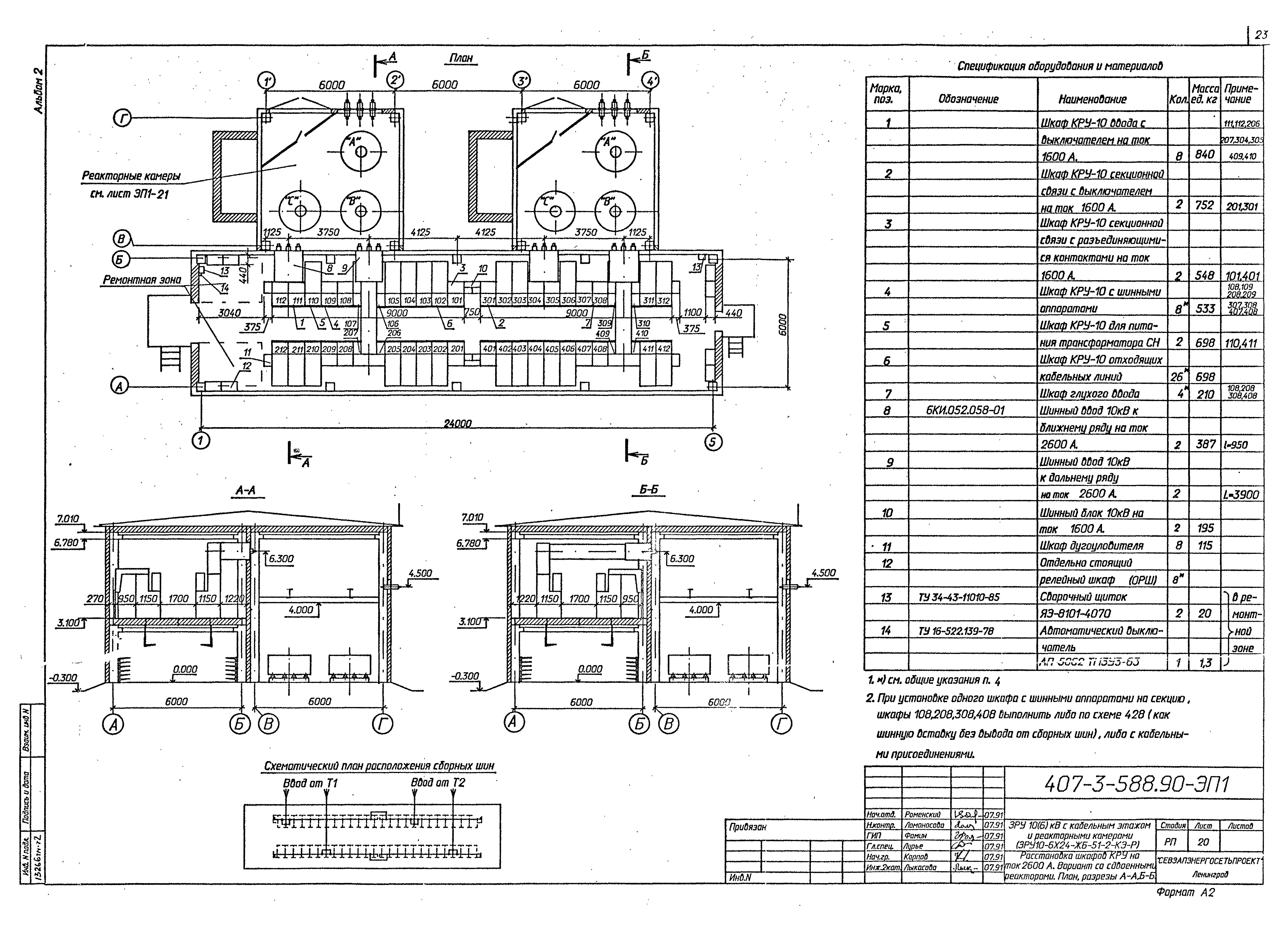
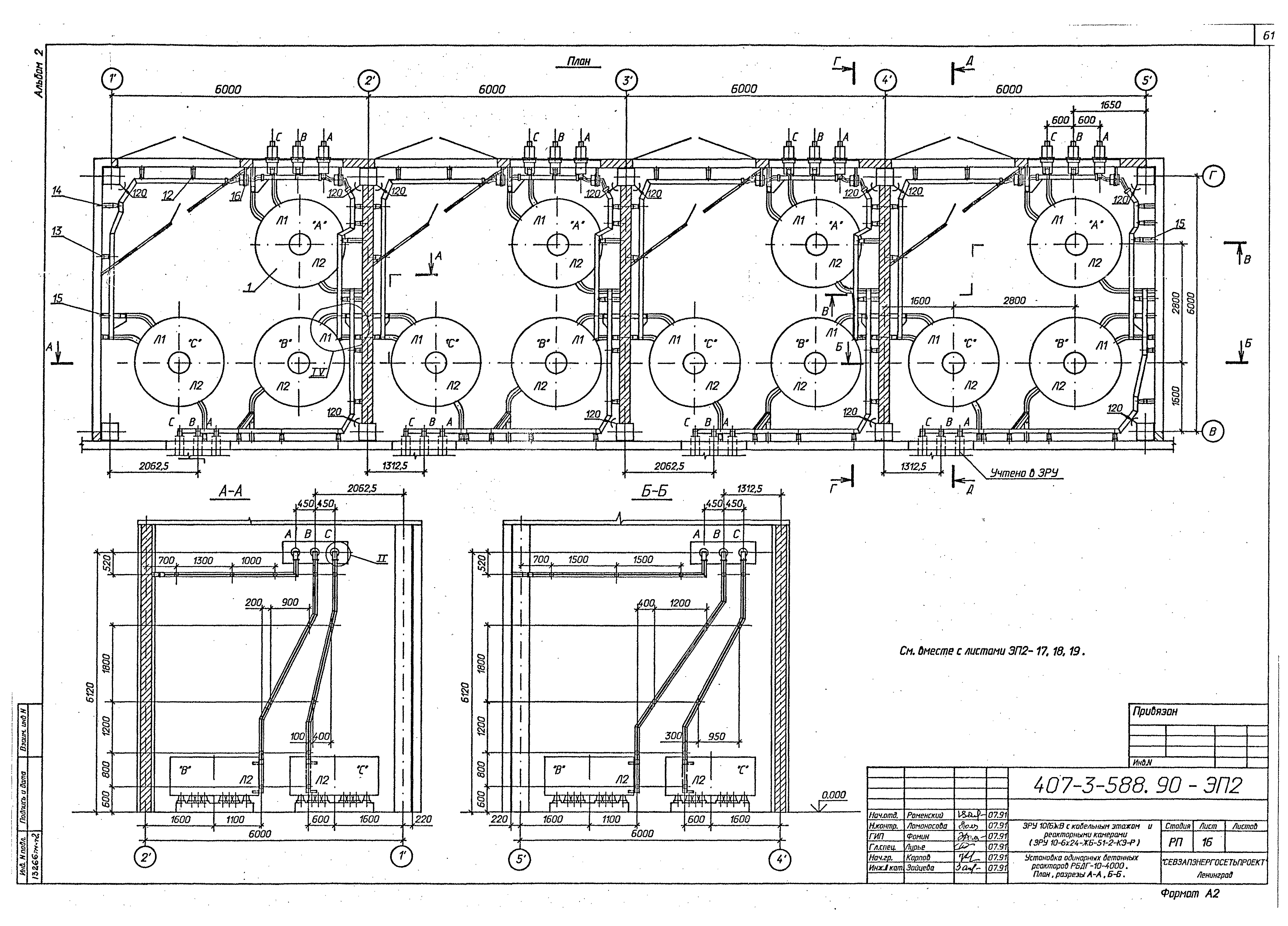
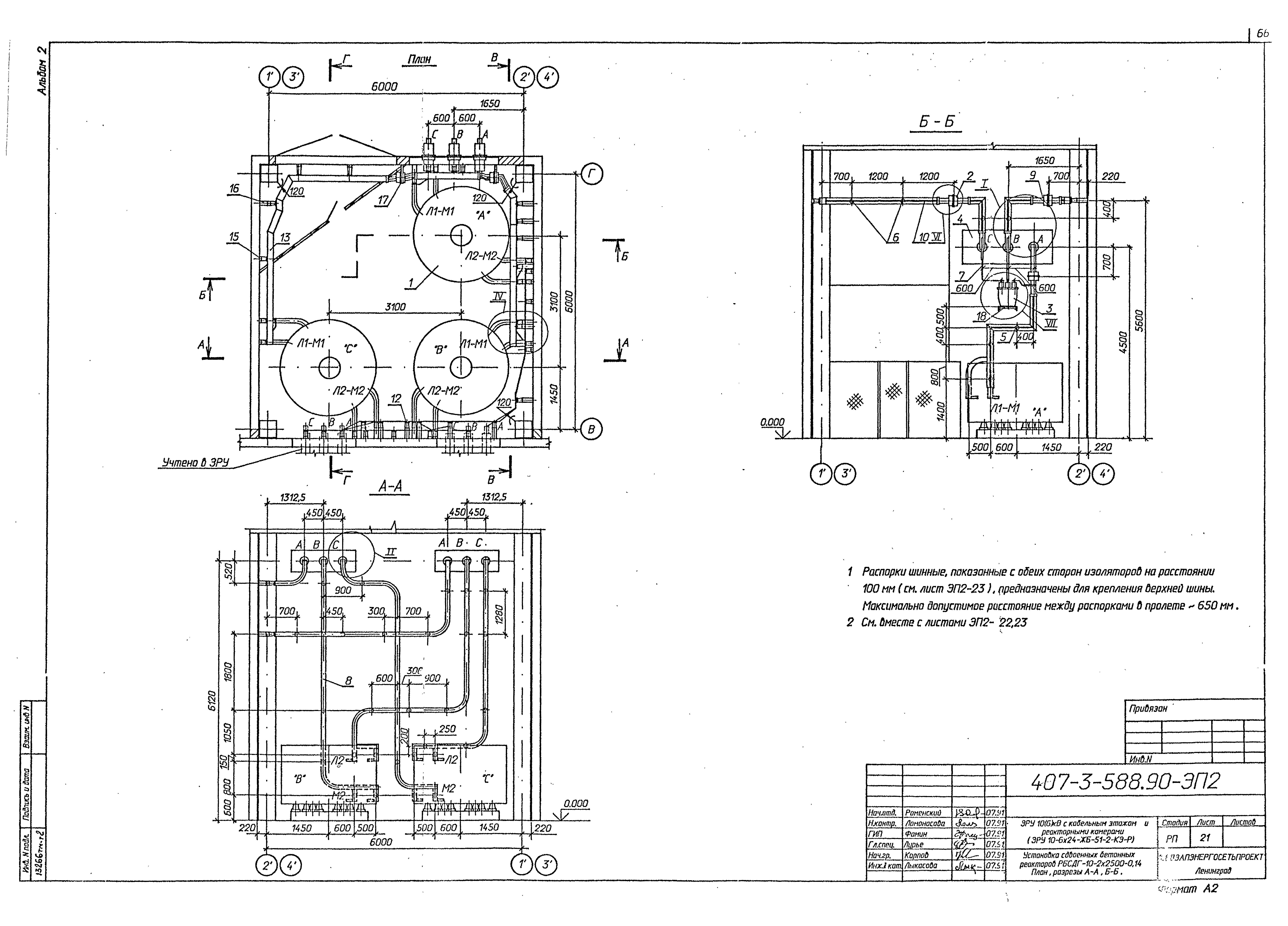
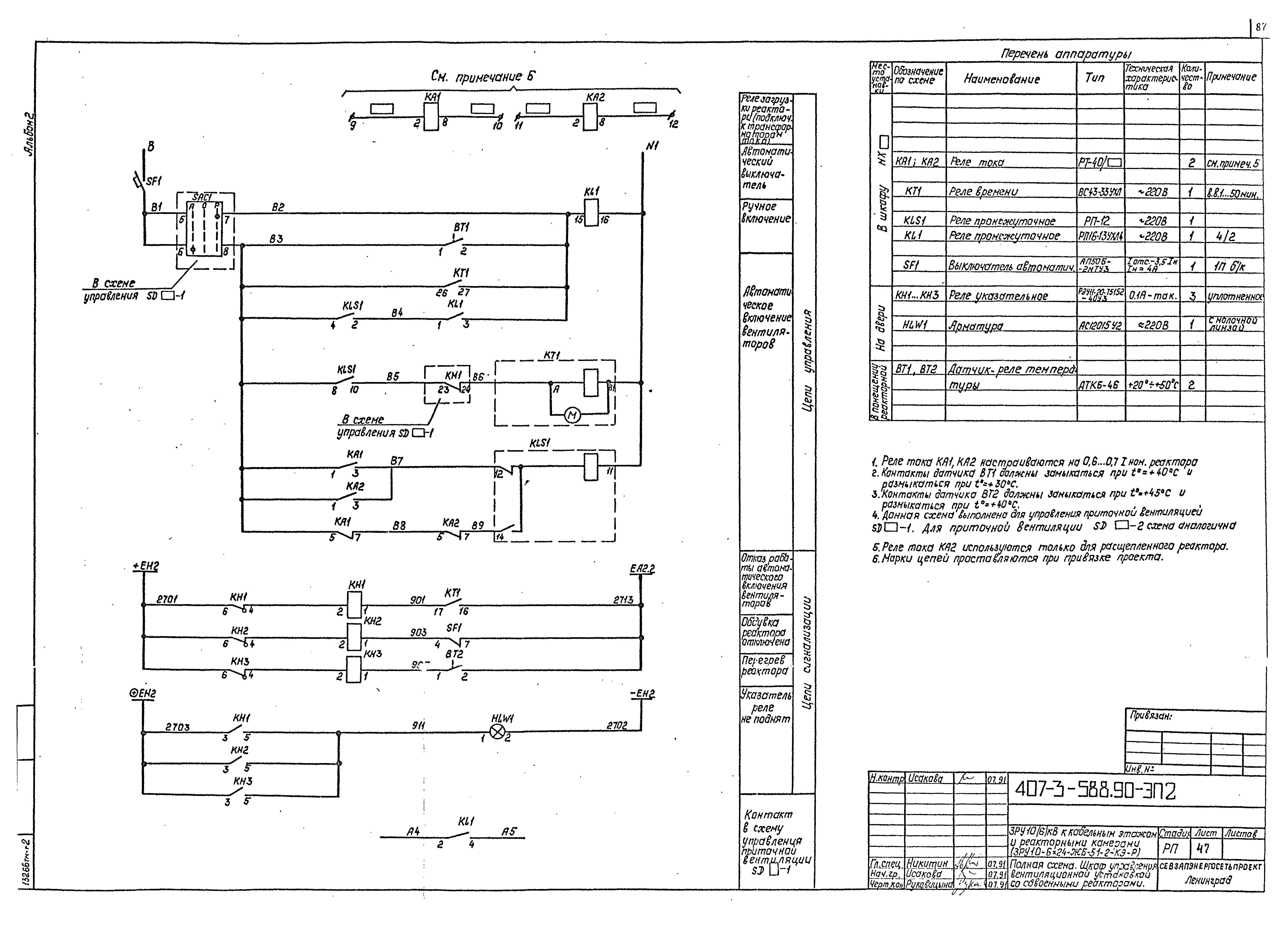
Альбом 2. Электротехнические чертежи (вариант со шкафами КРУ серии К-104). Электротехнические чертежи (вариант со шкафами КРУ серий КМ-1М, КМ-1ф)Обозначение: | Типовой проект 407-3-588.90 | Обозначение англ: | 407-3-588.90 | Статус: | cправочные материалы, мп, тпр | Название рус.: | Альбом 2. Электротехнические чертежи (вариант со шкафами КРУ серии К-104). Электротехнические чертежи (вариант со шкафами КРУ серий КМ-1М, КМ-1ф) | Дата добавления в базу: | 01.09.2013 | Дата актуализации: | 05.05.2017 | Оглавление: | Электротехнические чертежи (вариант со шкафами КРУ серии К-104) Общие данные Расстановка шкафов КРУ на ток 1600 А. Вариант с одинарными реакторами. План, разрезы А-А, Б-Б Установка одинарных бетонных реакторов РБГ-10-1600. План, разрезы А-А, Б-Б Установка одинарных бетонных реакторов РБГ-10-1600. Разрезы В-В, Г-Г Установка одинарных бетонных реакторов РБГ-10-1600. Узлы I - VII Расстановка шкафов КРУ на ток 1600 А. Вариант со сдвоенными реакторами. План, разрезы А-А, Б-Б Установка сдвоенных бетонных реакторов РБСГ-10-2х1600-0,14 и 0,20, РБСДГ-10-2х1600-0,25 и 0,35. План, разрезы А-А, Б-Б Установка сдвоенных бетонных реакторов РБСГ-10-2х1600-0,14 и 0,20, РБСДГ-10-2х1600-0,25 и 0,35. Разрезы В-В, Г-Г Установка сдвоенных бетонных реакторов РБСГ-10-2х1600-0,14 и 0,20, РБСДГ-10-2х1600-0,25 и 0,35. Узлы I - VII Расстановка шкафов КРУ на ток 2500 А. Вариант с одинарными реакторами. План, разрезы А-А, Б-Б Установка одинарных бетонных реакторов РБГ, РБДГ-10-2500. План, разрезы А-А, Б-Б Установка одинарных бетонных реакторов РБГ, РБДГ-10-2500. Разрезы В-В, Г-Г, Д-Д Установка одинарных бетонных реакторов РБГ, РБДГ-10-2500. Узлы I - VII Спецификация к листам ЭП1-12, 13, 14 Установка одинарных бетонных реакторов РБДГ-10-4000. План, разрезы А-А, Б-Б Установка одинарных бетонных реакторов РБДГ-10-4000. Разрезы В-В, Г-Г, Д-Д Установка одинарных бетонных реакторов РБДГ-10-4000. Узлы I - VII Спецификация к листам ЭП1-16, 17, 18 Расстановка шкафов КРУ на ток 2600 А. Вариант со сдвоенными реакторами. План, разрезы А-А, Б-Б Установка сдвоенных бетонных реакторов РБСДГ-10-2х2500-0,14. План, разрезы А-А, Б-Б Установка сдвоенных бетонных реакторов РБСДГ-10-2х2500-0,14. Разрезы В-В, Г-Г Установка сдвоенных бетонных реакторов РБСДГ-10-2х2500-0,14. Узлы I - VII Установка сдвоенных бетонных реакторов РБСДГ-10-2х2500-0,20. План, разрезы А-А, Б-Б Установка сдвоенных бетонных реакторов РБСДГ-10-2х2500-0,20. Разрезы В-В, Г-Г Установка сдвоенных бетонных реакторов РБСДГ-10-2х2500-0,20. Узлы I - VII Электрическое отопление и вентиляция. Вариант с одинарными реакторами Электрическое отопление и вентиляция. Вариант со сдвоенными реакторами Освещение. Вариант с одинарными реакторами Освещение. Вариант со сдвоенными реакторами Ведомость узлов установки электрического оборудования Журнал силовых кабелей Журнал контрольных кабелей Расстановка кабельных конструкций в кабельном этаже (вариант с одинарными реакторами). План, разрезы А-А, Б-Б, В-В Расстановка кабельных конструкций в кабельном этаже (вариант со сдвоенными реакторами). План, разрезы А-А, Б-Б, В-В Установка проходных изоляторов ИП-20/2000-12,5УХЛ1. ИП-20/3150-12,5УХЛ1. ИП-35/1600-7,5УХЛ1. ИП-35/3150-20УХЛ1 Установка проходных изоляторов ИП-35/6300-20УХЛ1 Установка шкафов КРУ серии К-104 Схема размещения датчиков пожарной сигнализации Установка шинного ввода Разводка кабелей 10 кВ Схема заполнения шкафов КРУ Полная схема. Шкаф управления вентиляционной установкой с одинарными реакторами Монтажная схема. Шкаф управления вентиляционной установкой с одинарными реакторами Полная схема. Шкаф управления вентиляционной установкой со сдвоенными реакторами Монтажная схема. Шкаф управления вентиляционной установкой со сдвоенными реакторами Электротехнические чертежи (вариант со шкафами КРУ серии КМ-1М, КМ-1ф) Общие данные Расстановка шкафов КРУ на ток 1600 А. Вариант с одинарными реакторами. План, разрезы А-А, Б-Б Установка одинарных бетонных реакторов РБГ-10-1600. План, разрезы А-А, Б-Б Установка одинарных бетонных реакторов РБГ-10-1600. Разрезы В-В, Г-Г Установка одинарных бетонных реакторов РБГ-10-1600. Узлы I - VII Расстановка шкафов КРУ на ток 1600 А. Вариант со сдвоенными реакторами. План, разрезы А-А, Б-Б Установка сдвоенных бетонных реакторов РБСГ-10-2х1600-0,14 и 0,20, РБСДГ-10-2х1600-0,25 и 0,35. План, разрезы А-А, Б-Б Установка сдвоенных бетонных реакторов РБСГ-10-2х1600-0,14 и 0,20, РБСДГ-10-2х1600-0,25 и 0,35. Разрезы В-В, Г-Г Установка сдвоенных бетонных реакторов РБСГ-10-2х1600-0,14 и 0,20, РБСДГ-10-2х1600-0,25 и 0,35. Узлы I - VII Расстановка шкафов КРУ на ток 3150 А. Вариант с одинарными реакторами. План, разрезы А-А, Б-Б Установка одинарных бетонных реакторов РБГ, РБДГ-10-2500. План, разрезы А-А, Б-Б Установка одинарных бетонных реакторов РБГ, РБДГ-10-2500. Разрезы В-В, Г-Г, Д-Д Установка одинарных бетонных реакторов РБГ, РБДГ-10-2500. Узлы I - VII Спецификация к листам ЭП1-12, 13, 14 Установка одинарных бетонных реакторов РБДГ-10-4000. План, разрезы А-А, Б-Б Установка одинарных бетонных реакторов РБДГ-10-4000. Разрезы В-В, Г-Г, Д-Д Установка одинарных бетонных реакторов РБДГ-10-4000. Узлы I - VII Спецификация к листам ЭП1-16, 17, 18 Расстановка шкафов КРУ на ток 3150 А. Вариант со сдвоенными реакторами. План, разрезы А-А, Б-Б Установка сдвоенных бетонных реакторов РБСДГ-10-2х2500-0,14. План, разрезы А-А, Б-Б Установка сдвоенных бетонных реакторов РБСДГ-10-2х2500-0,14. Разрезы В-В, Г-Г Установка сдвоенных бетонных реакторов РБСДГ-10-2х2500-0,14. Узлы I - VII Установка сдвоенных бетонных реакторов РБСДГ-10-2х2500-0,20. План, разрезы А-А, Б-Б Установка сдвоенных бетонных реакторов РБСДГ-10-2х2500-0,20. Разрезы В-В, Г-Г Установка сдвоенных бетонных реакторов РБСДГ-10-2х2500-0,20. Узлы I - VII Электрическое отопление и вентиляция. Вариант с одинарными реакторами Электрическое отопление и вентиляция. Вариант со сдвоенными реакторами Освещение. Вариант с одинарными реакторами Освещение. Вариант со сдвоенными реакторами Ведомость узлов установки электрического оборудования Журнал силовых кабелей Журнал контрольных кабелей Расстановка кабельных конструкций в кабельном этаже (вариант с одинарными реакторами). План, разрезы А-А, Б-Б, В-В Расстановка кабельных конструкций в кабельном этаже (вариант со сдвоенными реакторами). План, разрезы А-А, Б-Б, В-В Установка проходных изоляторов ИП-10/2000-12,5УХЛ1. ИПУ-10/3150-12,5УХЛ1 Установка проходных изоляторов ИП-20/2000-12,5УХЛ1. ИП-20/3150-12,5УХЛ1. ИП-35/1600-7,5УХЛ1. ИП-35/3150-20УХЛ1 Установка проходных изоляторов ИП-35/6300-20УХЛ1 Установка шкафов КРУ серии КМ-1ф, КМ-1М Схема размещения датчиков пожарной сигнализации Разводка кабелей 10 кВ Конструкция для крепления шкафа шинного ввода и шкафа шинной перемычки Схема заполнения шкафов КРУ Полная схема. Шкаф управления вентиляционной установкой с одинарными реакторами Монтажная схема. Шкаф управления вентиляционной установкой с одинарными реакторами Полная схема. Шкаф управления вентиляционной установкой со сдвоенными реакторами Монтажная схема. Шкаф управления вентиляционной установкой со сдвоенными реакторами Электротехнические изделия Изделия И1 - И9 | Разработан: | Севзапэнергосетьпроект
| Утверждён: | 08.08.1991 Минэнерго СССР (USSR Minenergo 35)
| Расположен в: |
|
                                                                                        
|