Информационная система
«Ёшкин Кот»

Скачать базу одним архивом
Скачать обновления
История создания базы
Карта сайта

Скачать Типовой проект 294-2-68 Альбом V. Изделия заводского изготовления

Дата актуализации: 10.08.2017

Типовой проект 294-2-68

Альбом V. Изделия заводского изготовления

Обозначение: Типовой проект 294-2-68
Обозначение англ: 294-2-68
Статус:не определен законодательством
Название рус.:Альбом V. Изделия заводского изготовления
Дата добавления в базу:01.09.2013
Дата актуализации:05.05.2017
Дата введения:23.12.1981
Оглавление:Содержание альбома
Чертежи комплекта ИД
   Общие данные
   Балка ДКБ-1
   Балка ДКС-1
   Балки ДКБ-2, ДКБ-3, ДКБ-4, ДКБ-5
   Панель ПД-1
   Панели ПД-2, ПД-3
   Каркас КД-1
   Каркас КД-2
   Узлы панелей 1, 2, 3
   Узлы каркасов 1, 2, 3, 4
   Плиты обшивки. Крепежная деталь М1п; /М1л/
Чертежи комплекта ИМ
   Общие данные
   Соединительные элементы МД-1, МД-2, МД-4
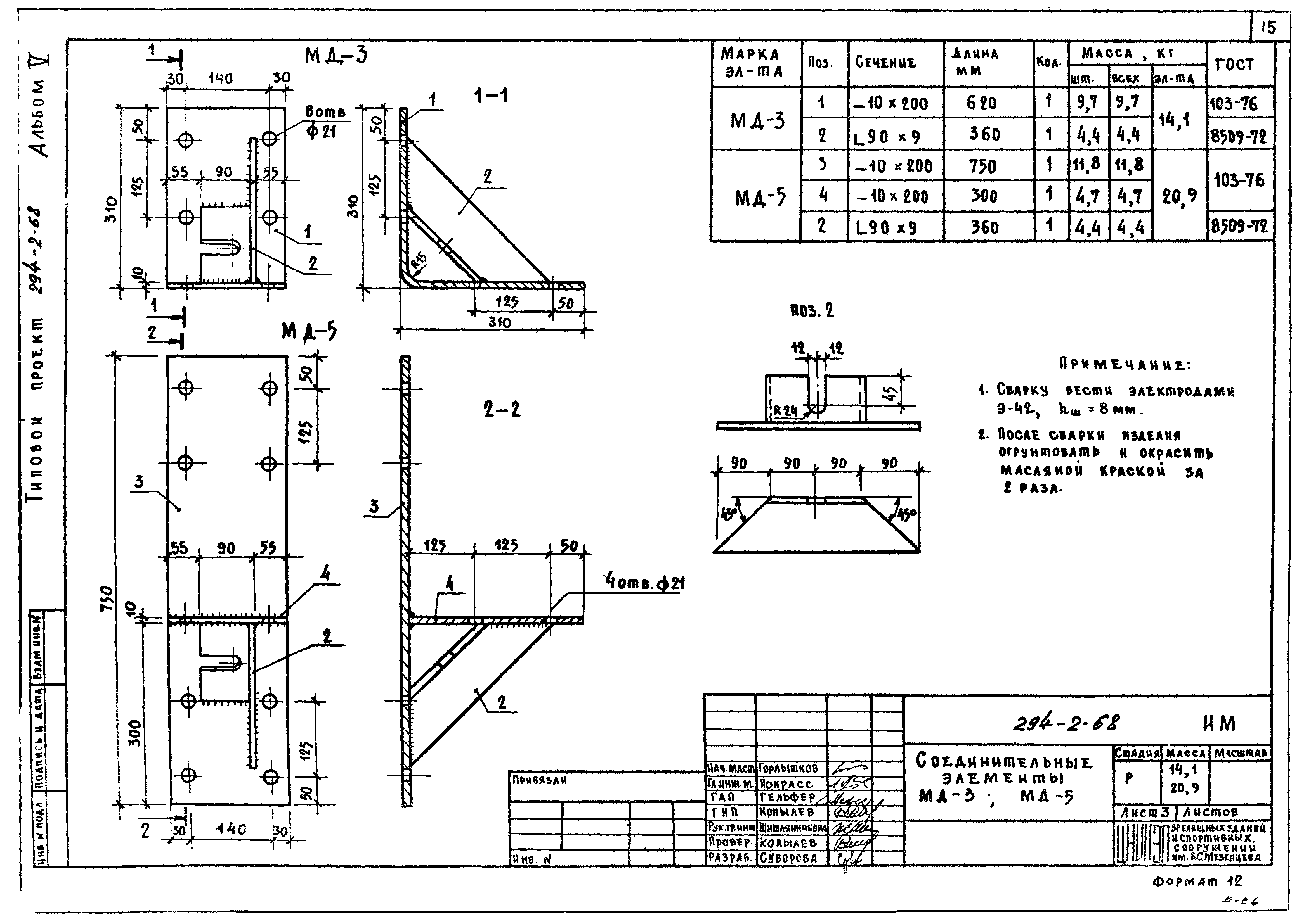
   Соединительные элементы МД-3, МД-5
   Соединительные элементы МД-6, МД-7. Подвеска МД-12
   Соединительные элементы МД-8, МД-9. Закладные детали М-1, М-2
   Фланец вентшахты МД-10. Опора светильников МД-11
   Лестница МЛ-1. Пожарная лестница МЛ-2
   Арматурные каркасы К-1 - К-4
   Арматурные сетки С-1 - С-3, ФС-1
   Обрамление отверстий МО-1 - МО-3
   Обрамление отверстий МО-4 - МО-8
   Связи МС-1, МС-2, МС-3
   Стойка СТ-1
   Стойка СТ-2
Разработан: ЦНИИЭП зрелищных зданий и спортивных сооружений Госгражданстроя
Утверждён:17.12.1980 Госгражданстрой (Gosgrazhdanstroy 357)
Расположен в:Техническая документация Строительство Справочные документы Типовые строительные конструкции, изделия и узлы Общероссийский строительный каталог Общественные здания в городах и поселках городского типа Физкультурно-оздоровительные и спортивные здания и сооружения Крытые спортивные корпуса
Типовой проект 294-2-68Типовой проект 294-2-68Типовой проект 294-2-68Типовой проект 294-2-68Типовой проект 294-2-68Типовой проект 294-2-68Типовой проект 294-2-68Типовой проект 294-2-68Типовой проект 294-2-68Типовой проект 294-2-68Типовой проект 294-2-68Типовой проект 294-2-68Типовой проект 294-2-68Типовой проект 294-2-68Типовой проект 294-2-68Типовой проект 294-2-68Типовой проект 294-2-68Типовой проект 294-2-68Типовой проект 294-2-68Типовой проект 294-2-68Типовой проект 294-2-68Типовой проект 294-2-68Типовой проект 294-2-68Типовой проект 294-2-68Типовой проект 294-2-68Типовой проект 294-2-68Типовой проект 294-2-68Типовой проект 294-2-68Типовой проект 294-2-68

© 2013 Ёшкин Кот :-) Карта сайта