Информационная система
«Ёшкин Кот»

Скачать базу одним архивом
Скачать обновления
История создания базы
Карта сайта

Скачать Серия ИИ-04-15 Выпуск 0-1. Указания по применению изделий. Монтажные узлы

Дата актуализации: 10.08.2017

Серия ИИ-04-15

Выпуск 0-1. Указания по применению изделий. Монтажные узлы

Обозначение: Серия ИИ-04-15
Обозначение англ: Series ИИ-04-15
Статус:не действует
Название рус.:Выпуск 0-1. Указания по применению изделий. Монтажные узлы
Дата добавления в базу:01.09.2013
Дата актуализации:05.05.2017
Дата введения:01.01.1977
Дата окончания срока действия:01.04.1981
Оглавление:Содержание
Пояснительная записка
Монтажная схема пассажирского лифта Q = 320 кг (противовес сзади), h этажа = 3,3 м
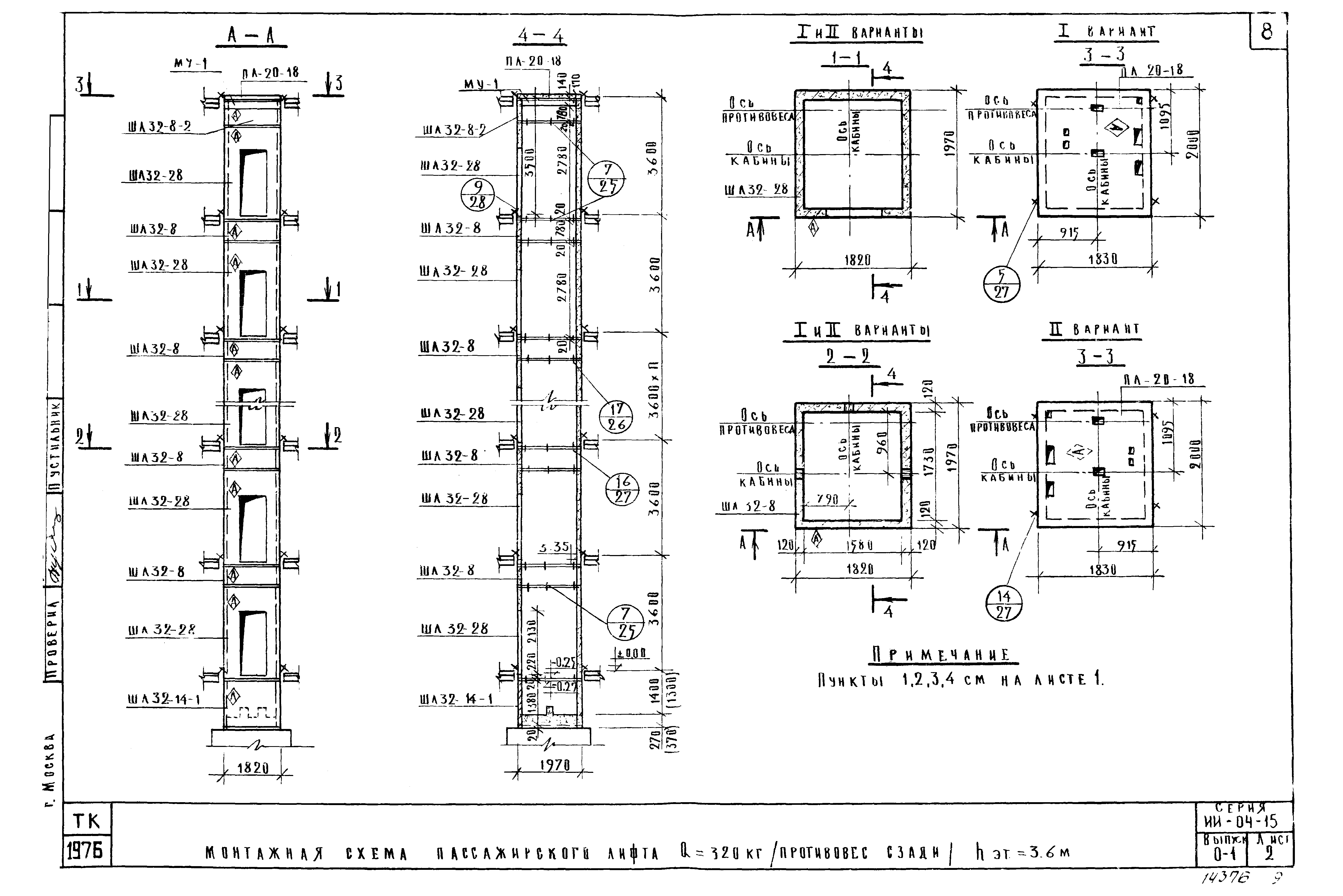
Монтажная схема пассажирского лифта Q = 320 кг (противовес сзади), h этажа = 3,6 м
Монтажная схема пассажирского лифта Q = 320 кг (противовес сзади), h этажа = 4,2 м
Монтажная схема пассажирского лифта Q = 320 кг (противовес справа), h этажа = 3,3 м
Монтажная схема пассажирского лифта Q = 320 кг (противовес справа), h этажа = 3,6 м
Монтажная схема пассажирского лифта Q = 320 кг (противовес справа), h этажа = 4,2 м
Монтажная схема пассажирского лифта Q = 320 кг (противовес слева), h этажа = 3,3 м
Монтажная схема пассажирского лифта Q = 320 кг (противовес слева), h этажа = 3,6 м
Монтажная схема пассажирского лифта Q = 320 кг (противовес слева), h этажа = 4,2 м
Монтажная схема пассажирского лифта Q = 500 кг (кабина 1200х1400х2100, противовес сзади), h этажа = 3,3 м
Монтажная схема пассажирского лифта Q = 500 кг (кабина 1200х1400х2100, противовес сзади), h этажа = 3,6 м
Монтажная схема пассажирского лифта Q = 500 кг (кабина 1200х1400х2100, противовес сзади), h этажа = 4,2 м
Монтажная схема пассажирского лифта Q = 500 кг (кабина 1200х1400х2100, противовес справа), h этажа = 3,3 м
Монтажная схема пассажирского лифта Q = 500 кг (кабина 1200х1400х2100, противовес справа), h этажа = 3,6 м
Монтажная схема пассажирского лифта Q = 500 кг (кабина 1200х1400х2100, противовес справа), h этажа = 4,2 м
Монтажная схема пассажирского лифта Q = 500 кг (кабина 1200х1400х2100, противовес слева), h этажа = 3,3 м
Монтажная схема пассажирского лифта Q = 500 кг (кабина 1200х1400х2100, противовес слева), h этажа = 3,6 м
Монтажная схема пассажирского лифта Q = 500 кг (кабина 1200х1400х2100, противовес слева), h этажа = 4,2 м
Монтажная схема больничного лифта Q = 500 кг (кабина 1500х2500х2100, противовес справа), h этажа = 3,3 м
Монтажная схема больничного лифта Q = 500 кг (кабина 1500х2500х2100, противовес справа), h этажа = 3,6 м
Монтажная схема больничного лифта Q = 500 кг (кабина 1500х2500х2100, противовес справа), h этажа = 4,2 м
Монтажная схема больничного лифта Q = 500 кг (кабина 1500х2500х2100, противовес слева), h этажа = 3,3 м
Монтажная схема больничного лифта Q = 500 кг (кабина 1500х2500х2100, противовес слева), h этажа = 3,6 м
Монтажная схема больничного лифта Q = 500 кг (кабина 1500х2500х2100, противовес слева), h этажа = 4,2 м
Узлы 1, 2, 7, 8, 8а, 13, 15
Узлы 3, 4, 10, 11, 17
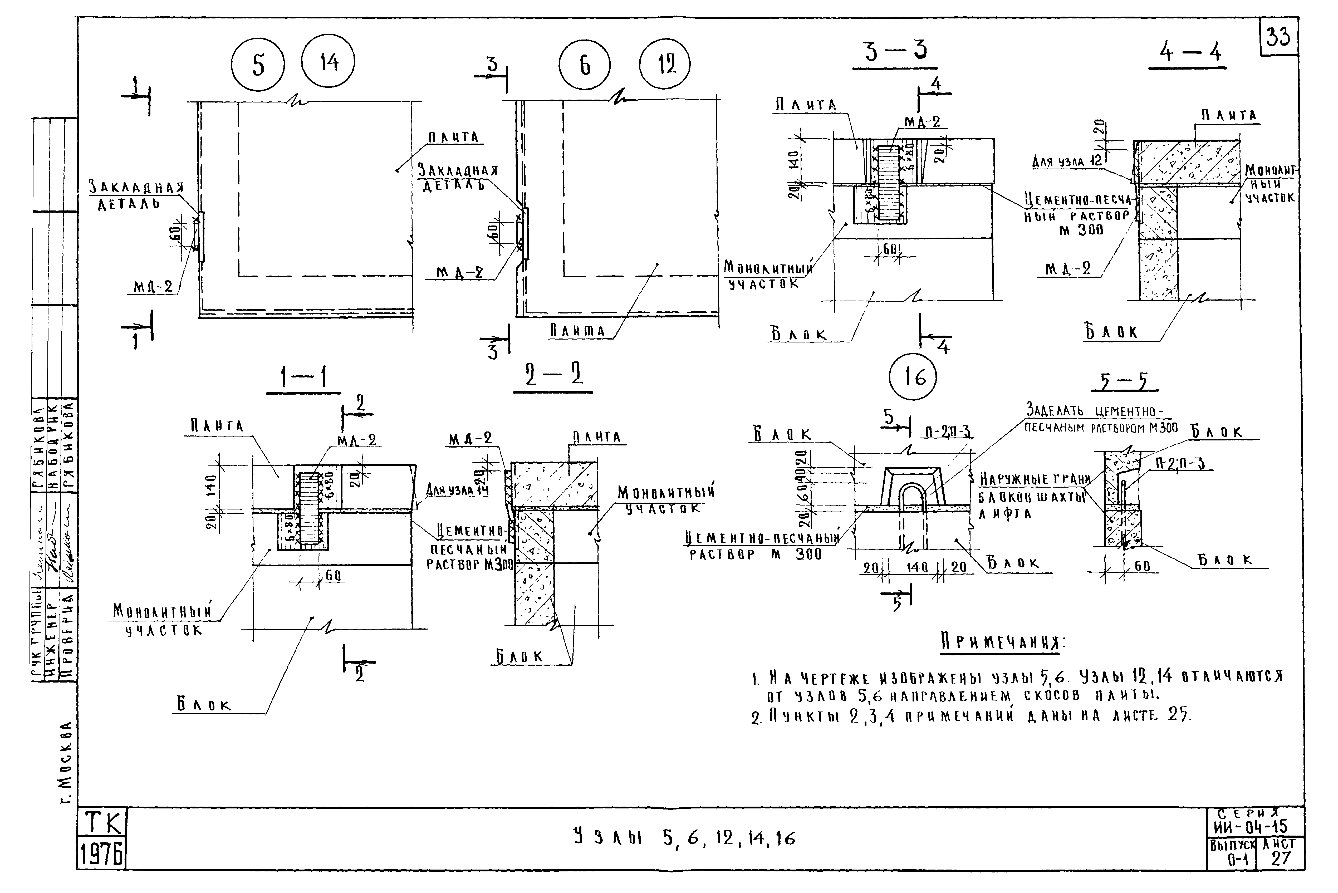
Узлы 5, 6, 12, 14, 16
Узлы крепления лифтовых шахт к перекрытиям
Монолитные железобетонные участки МУ-1, МУ-2
Монолитные железобетонные участки МУ-3, МУ-4
Монолитный железобетонный участок МУ-5
Разработан: ГипроНИИздрав Минздрава СССР
Утверждён:30.11.1976 Госгражданстрой (Gosgrazhdanstroy 257)
Расположен в:Техническая документация Строительство Справочные документы Типовые строительные конструкции, изделия и узлы Общероссийский строительный каталог Строительные конструкции, изделия и узлы зданий и сооружений для всех видов строительства Конструкции, изделия и узлы зданий Несущие конструкции двухэтажных и многоэтажных зданий Каркасные здания
Чем заменён:
Серия ИИ-04-15Серия ИИ-04-15Серия ИИ-04-15Серия ИИ-04-15Серия ИИ-04-15Серия ИИ-04-15Серия ИИ-04-15Серия ИИ-04-15Серия ИИ-04-15Серия ИИ-04-15Серия ИИ-04-15Серия ИИ-04-15Серия ИИ-04-15Серия ИИ-04-15Серия ИИ-04-15Серия ИИ-04-15Серия ИИ-04-15Серия ИИ-04-15Серия ИИ-04-15Серия ИИ-04-15Серия ИИ-04-15Серия ИИ-04-15Серия ИИ-04-15Серия ИИ-04-15Серия ИИ-04-15Серия ИИ-04-15Серия ИИ-04-15Серия ИИ-04-15Серия ИИ-04-15Серия ИИ-04-15Серия ИИ-04-15Серия ИИ-04-15Серия ИИ-04-15Серия ИИ-04-15Серия ИИ-04-15Серия ИИ-04-15Серия ИИ-04-15Серия ИИ-04-15Серия ИИ-04-15

© 2013 Ёшкин Кот :-) Карта сайта