| ||||||||||||||||||||||||
Скачать Типовые проектные решения 903-01-194 Альбом 1. Газоснабжение, мазутоснабжение, автоматизация газоснабжения и мазутоснабженияДата актуализации: 10.08.2017
|
| Обозначение: | Типовые проектные решения 903-01-194 |
| Обозначение англ: | 903-01-194 |
| Статус: | cправочные материалы, мп, тпр |
| Название рус.: | Альбом 1. Газоснабжение, мазутоснабжение, автоматизация газоснабжения и мазутоснабжения |
| Дата добавления в базу: | 01.09.2013 |
| Дата актуализации: | 05.05.2017 |
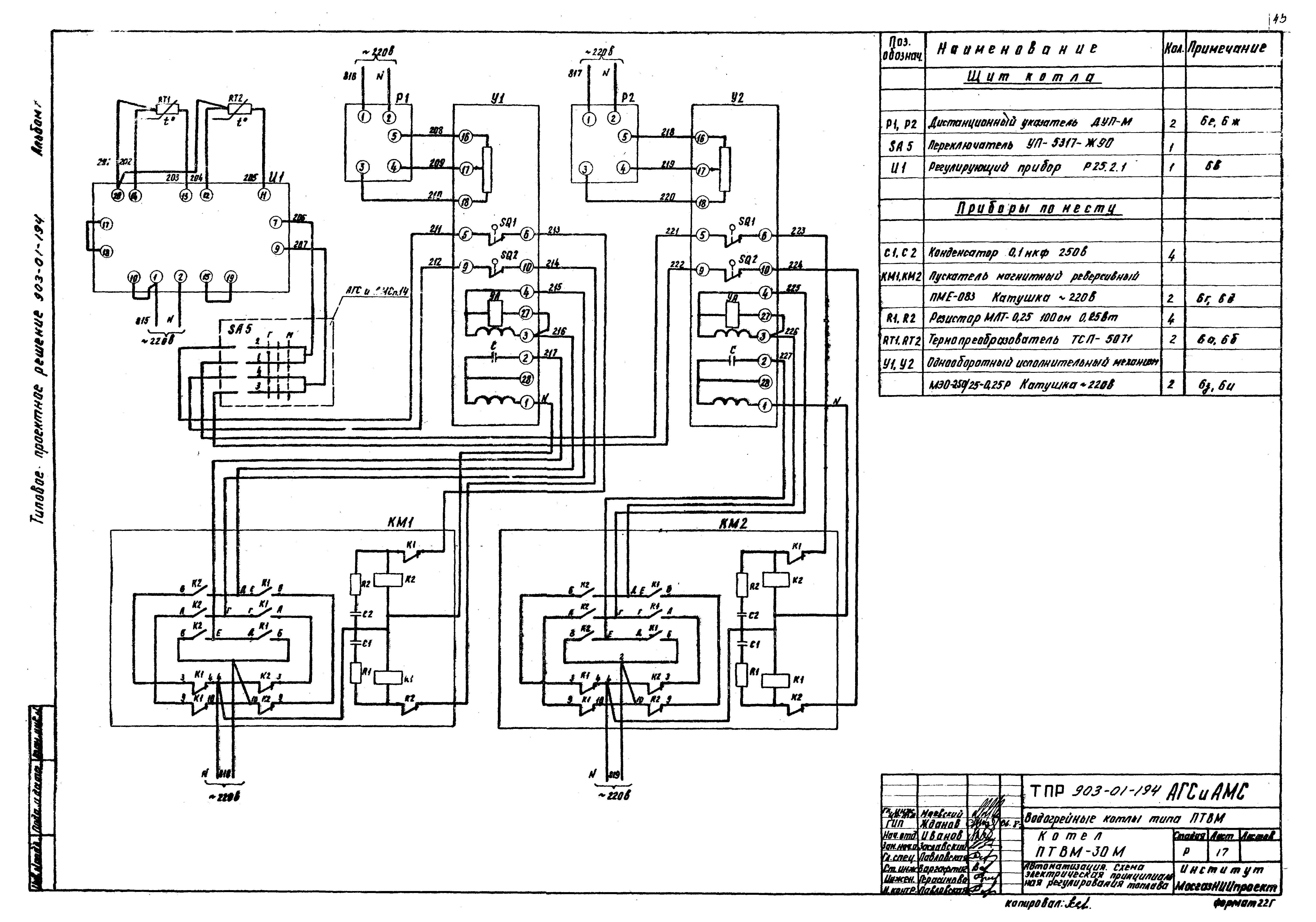
| Оглавление: | Титульный лист Содержание альбома 1 Газоснабжение Общие данные Котел ПТВМ-30м. Газооборудование. План 1-1 Котел ПТВМ-30м. Газооборудование. Вид А Котел ПТВМ-30м. Газооборудование. Вид Б Котел ПТВМ-50. Газооборудование. Котел ПТВМ-50. Газооборудование. Вид А Котел ПТВМ-50. Газооборудование. Вид Б Котел ПТВМ-100. Газооборудование. План 1-1 Котел ПТВМ-100. Газооборудование. Вид А Котел ПТВМ-100. Газооборудование. Вид Б Котел ПТВМ-100. Газооборудование. Вид В Котлы ПТВМ-30м, ПТВМ-50, ПТВМ-100. Газооборудование. Спецификация Мазутоснабжение Котел ПТВМ-30м. Мазутооборудование. План 1-1 Котел ПТВМ-30м. Мазутооборудование. Вид А Котел ПТВМ-30м. Мазутооборудование. Вид Б Котел ПТВМ-50. Мазутооборудование. План 1-1 Котел ПТВМ-50. Мазутооборудование. Вид А Котел ПТВМ-50. Мазутооборудование. Вид Б Котел ПТВМ-100. Мазутооборудование. План 1-1 Котел ПТВМ-100. Мазутооборудование. Вид А Котел ПТВМ-100. Мазутооборудование. Вид Б Котлы ПТВМ-30м, ПТВМ-50, ПТВМ-100. Изоляция паромазутопроводов Котлы ПТВМ-30м, ПТВМ-50, ПТВМ-100. Мазутооборудование. Спецификация Автоматизация газоснабжения и мазутоснабжения Общие данные Котел ПТВМ-30м. Автоматизация. Схема функциональная теплового контроля, регулирования и управления Котел ПТВМ-30м. Автоматизация. Схема электрическая принципиальная автоматики безопасности и розжига Котел ПТВМ-30м. Автоматизация. Схема электрическая принципиальная сигнализации Котел ПТВМ-30м. Автоматизация. Схема электрическая принципиальная управления горелками №3 (4) Котел ПТВМ-30м. Автоматизация. Схема электрическая принципиальная управления горелками №1 (2, 5, 6) Котел ПТВМ-30м. Автоматизация. Схема электрическая принципиальная регулирования топлива Котел ПТВМ-30м. Автоматизация. Схема электрическая принципиальная регулирования разрежения Котел ПТВМ-30м. Автоматизация. Схема электрическая принципиальная регулирования воздуха Котлы ПТВМ-50, ПТВМ-100. Автоматизация. Схема функциональная теплового контроля, регулирования и управления Котлы ПТВМ-50, ПТВМ-100. Автоматизация. Схема электрическая принципиальная розжига и управления горелками Котлы ПТВМ-50, ПТВМ-100. Автоматизация. Схема электрическая принципиальная защиты котла Котлы ПТВМ-50, ПТВМ-100. Автоматизация. Схема электрическая принципиальная технологической сигнализации Котлы ПТВМ-50, ПТВМ-100. Автоматизация. Схема электрическая принципиальная регулирования топлива |
| Разработан: | Мосгазниипроект Мосгорисполкома |
| Утверждён: | 24.06.1982 МосгазНИИпроект (98) |
| Расположен в: |












































































