Информационная система
«Ёшкин Кот»

Скачать базу одним архивом
Скачать обновления
История создания базы
Карта сайта

Скачать Руководство по окрашиванию поверхностей строительных конструкций агрегатами безвоздушного распыления

Дата актуализации: 10.08.2017

Руководство по окрашиванию поверхностей строительных конструкций агрегатами безвоздушного распыления

Статус:действует
Название рус.:Руководство по окрашиванию поверхностей строительных конструкций агрегатами безвоздушного распыления
Дата добавления в базу:01.09.2013
Дата актуализации:05.05.2017
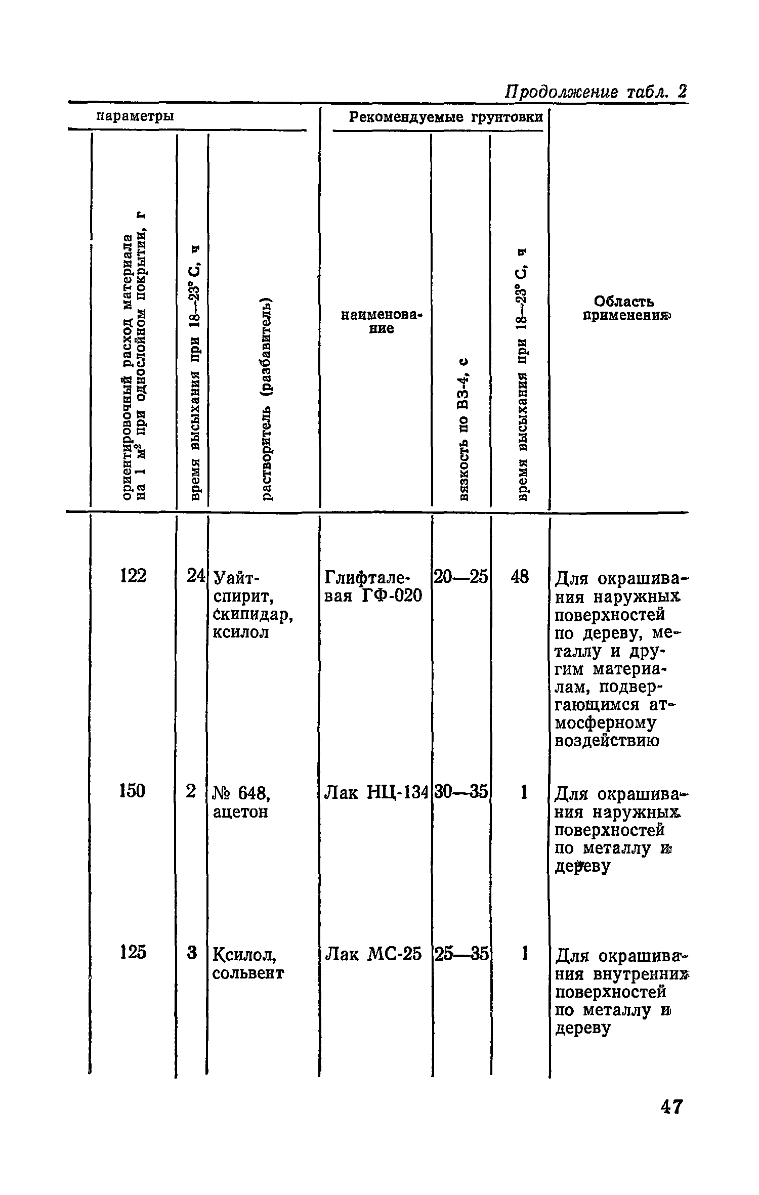
Область применения:В документе приведены описания конструкции и устройства отдельных узлов агрегатов, правила их технической эксплуатации. Рассмотрены дефекты окрашивания при работе агрегатов и методы их устранения, приемы выполнения операций и процесса окрашивания в целом, применяемые окрашивающие и вспомогательные материалы, а также технико-экономические показатели. Особое внимание уделено вопросам охраны труда и техники безопасности.
Оглавление:Предисловие
1. Общие положения
2. Окрашивание безвоздушным распылением и область применения
3. Агрегаты безвоздушного распыления 2600Н и 7000Н
4. Организация и технология процесса окрашивания
5. Техническое обслуживание, ремонт и хранение агрегатов
6. Требования правил техники безопасности при эксплуатации агрегатов безвоздушного распыления
Разработан: ЦНИИОМТП
Минстрой Литовской ССР
Издан: Стройиздат (1981 г. )
Расположен в:Техническая документация Экология СТРОИТЕЛЬНЫЕ МАТЕРИАЛЫ И СТРОИТЕЛЬСТВО Отделка Строительство Справочные документы Директивные письма, положения, рекомендации и др.
Нормативные ссылки:

© 2013 Ёшкин Кот :-) Карта сайта