| ||||||||||||||||||||||||||||
Скачать Типовые материалы для проектирования 407-03-461.87 Альбом 1. Управление, автоматика, сигнализация, защита и возбуждениеДата актуализации: 10.08.2017
|
| Обозначение: | Типовые материалы для проектирования 407-03-461.87 |
| Обозначение англ: | 407-03-461.87 |
| Статус: | cправочные материалы, мп, тпр |
| Название рус.: | Альбом 1. Управление, автоматика, сигнализация, защита и возбуждение |
| Дата добавления в базу: | 01.09.2013 |
| Дата актуализации: | 05.05.2017 |
| Дата введения: | 21.08.1987 |
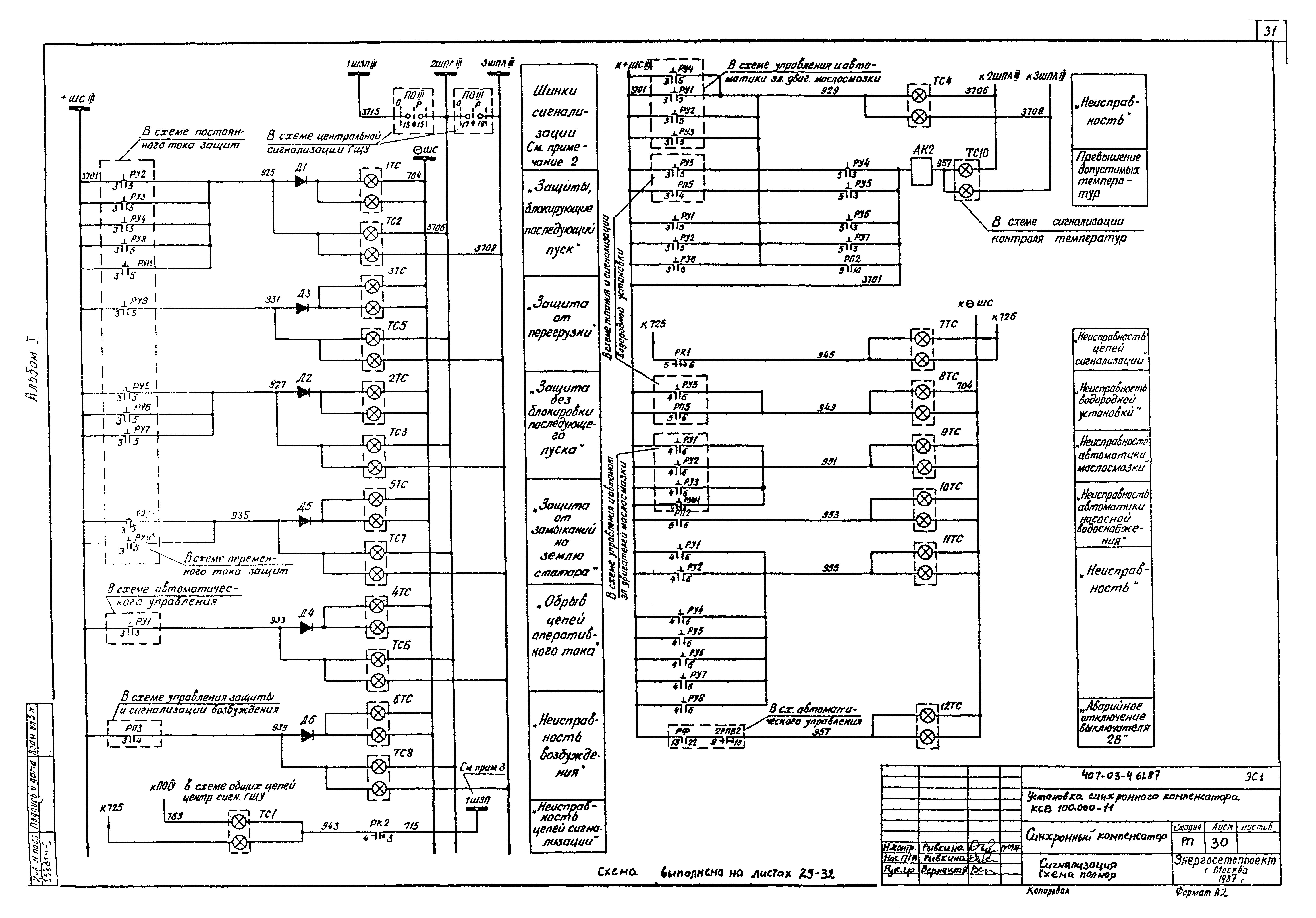
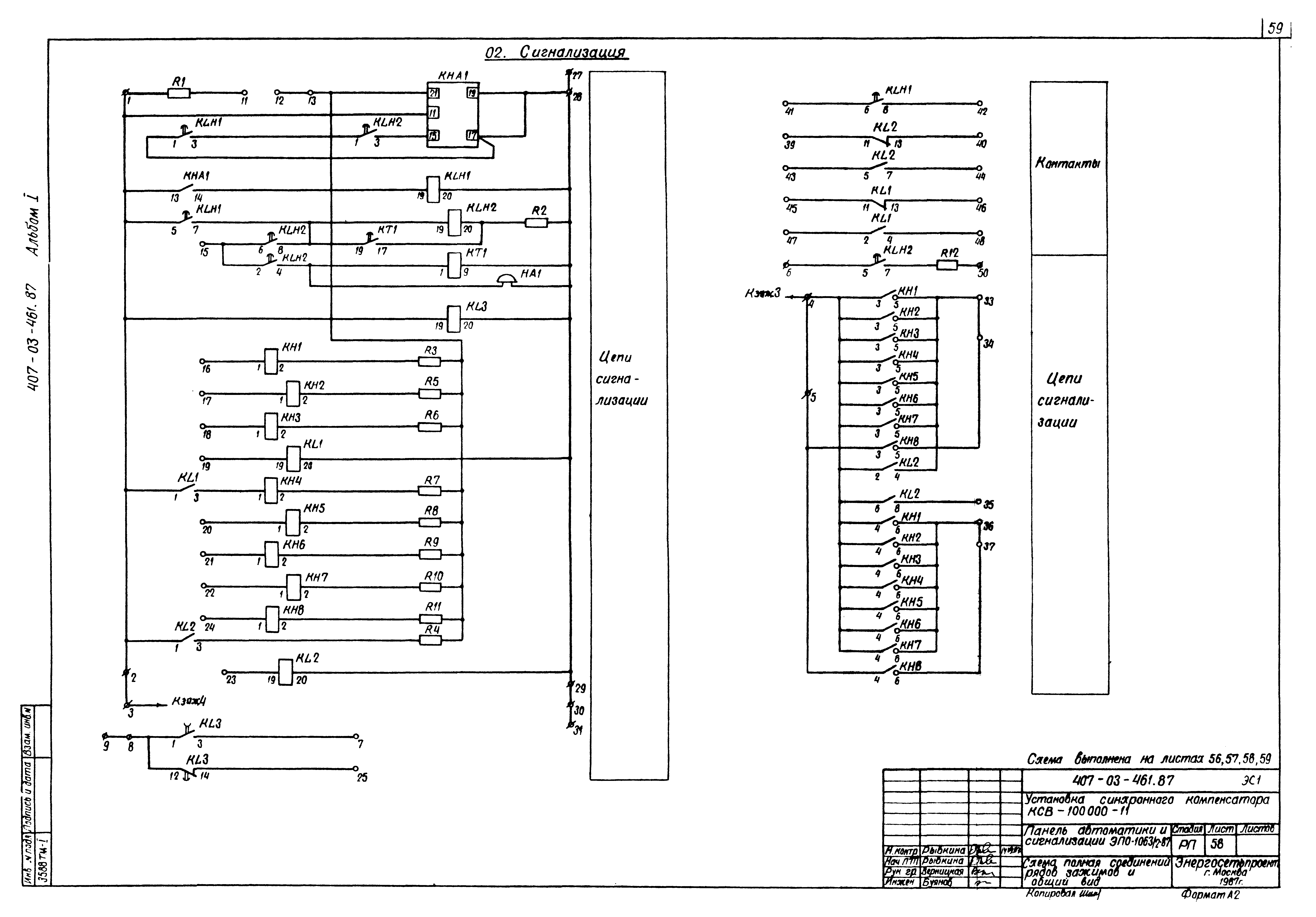
| Оглавление: | Общие данные Синхронный компенсатор. Распределение постоянного и выпрямленного тока. Схема полная Синхронный компенсатор. Распределение переменного тока 380/220 В и АВР собственных нужд возбуждения. Схема полная Синхронный компенсатор. Автоматическое управление. Схема полная Синхронный компенсатор. Цепи переменного тока защит, измерительных приборов и АРВ. Схем полная Синхронный компенсатор. Цепи переменного тока защиты. Схема полная Синхронный компенсатор. Сигнализация. Схема полная Синхронный компенсатор. Схема силовых цепей возбуждения Синхронный компенсатор. Управление, защита и сигнализация возбуждения. Схема полная Синхронный компенсатор. Регулирование возбуждения. Схема полная Синхронный компенсатор. Комплект защиты ротора от замыканий на землю в одной точке типа КЗР-3 и ВУ-2. Схема подключения Синхронный компенсатор. Управление и автоматика электродвигателей насосов маслосмазки. Схема полная Синхронный компенсатор. Питание и сигнализация водородной установки. Схема полная Синхронный компенсатор. Схема установки технологических приборов автоматики и измерения Синхронный компенсатор. Цепи сигнализации контроля температур. Схема полная Синхронный компенсатор. Схема рядов зажимов панели температурного контроля Панель управления в блоке СК GC1 (GC2) ЭПО 1862/1-87. Схема полная соединений рядов зажимов и общий вид Панель управления на ГЩУ GC1 и GC2 ЭПО 1067/1-87. Схема полная соединений рядов зажимов и общий вид Панель автоматики и сигнализации ЭПО 1063/2-87. Схема полная соединений рядов зажимов и общий вид Панель защиты ЭПО 1064/3-87. Схема полная соединений рядов зажимов и общий вид Панель возбуждения ЭПО 1061/1-87. Схема полная соединений рядов зажимов и общий вид Панель сигнализации неисправностей водородной установки и автоматики маслосмазки ЭПО 1065/2-87. Схема полная соединений рядов зажимов и общий вид Панель температурного контроля ЭПО 1068-87. Схема полная соединений рядов зажимов и общий вид Синхронный компенсатор. Шкаф АРВ. Ряд зажимов Пост газового управления. Схема подключения Синхронный компенсатор. Схема выводов Шкаф термоконтроля. Схема соединений рядов зажимов Линейный выключатель 2В. Схема полная, общий вид и ряд зажимов шкафа выключателя Шкаф КРУ пускового выключателя 1В. Схема полная и ряд зажимов Шкаф КРУ 10 кВ трансформаторов напряжения. Схема полная и ряд зажимов Шкаф дренажного насоса. Схема полная соединений рядов зажимов и общий вид Синхронный компенсатор 1Г (2Г). Журнал контрольных кабелей |
| Разработан: | Энергосетьпроект Минэнерго СССР |
| Утверждён: | 21.08.1987 Минэнерго СССР (USSR Minenergo 34) |
| Расположен в: | |
| Заменяет собой: |
|




























































































