Информационная система
«Ёшкин Кот»

Скачать базу одним архивом
Скачать обновления
История создания базы
Карта сайта

Скачать Типовой проект 320-064.84 Альбом II. Физкультурно-игровые устройства. Архитектурно-строительные решения. Металлические конструкции

Дата актуализации: 10.08.2017

Типовой проект 320-064.84

Альбом II. Физкультурно-игровые устройства. Архитектурно-строительные решения. Металлические конструкции

Обозначение: Типовой проект 320-064.84
Обозначение англ: 320-064.84
Статус:не определен законодательством
Название рус.:Альбом II. Физкультурно-игровые устройства. Архитектурно-строительные решения. Металлические конструкции
Дата добавления в базу:01.09.2013
Дата актуализации:05.05.2017
Дата введения:20.02.1984
Оглавление:Общие указания
Устройство тип 1-М. "Штанга для упражнений стоя". План. Фасады А и Б. Разрез 1-1
Устройство тип 1-М. "Штанга для упражнений стоя". Схема расположения
Устройство тип 2-М. "Штанга для упражнений лежа". План. Фасады А и Б. Разрез 1-1
Устройство тип 2-М. "Штанга для упражнений лежа". Схема расположения
Устройство тип 3-М и 4-М. "Силовой маятник". Планы. Фасады А и Б
Устройство тип 3-М. "Силовой маятник". Схема расположения
Устройство тип 4-М. "Силовой маятник". Схема расположения
Устройство тип 5-М. "Стационарный эспандер". План. Фасад. Вид "А"
Устройство тип 5-М. "Стационарный эспандер". Схема расположения
Устройство тип 6-М. "Линейный рукоход". План. Фасады А и Б. Разрез 1-1
Устройство тип 6-М. "Линейный рукоход". Схема расположения
Устройство тип 7-М. "Кольцевой рукоход". План. Фасады А и Б
Устройство тип 7-М. "Кольцевой рукоход". Схема расположения
Устройство тип 8-М. "Кольцевой рукоход". План. Фасады А и Б
Устройство тип 8-М. "Кольцевой рукоход". Схема расположения
Устройство тип 9-М. "Балансирные качели". План. Фасады А и Б
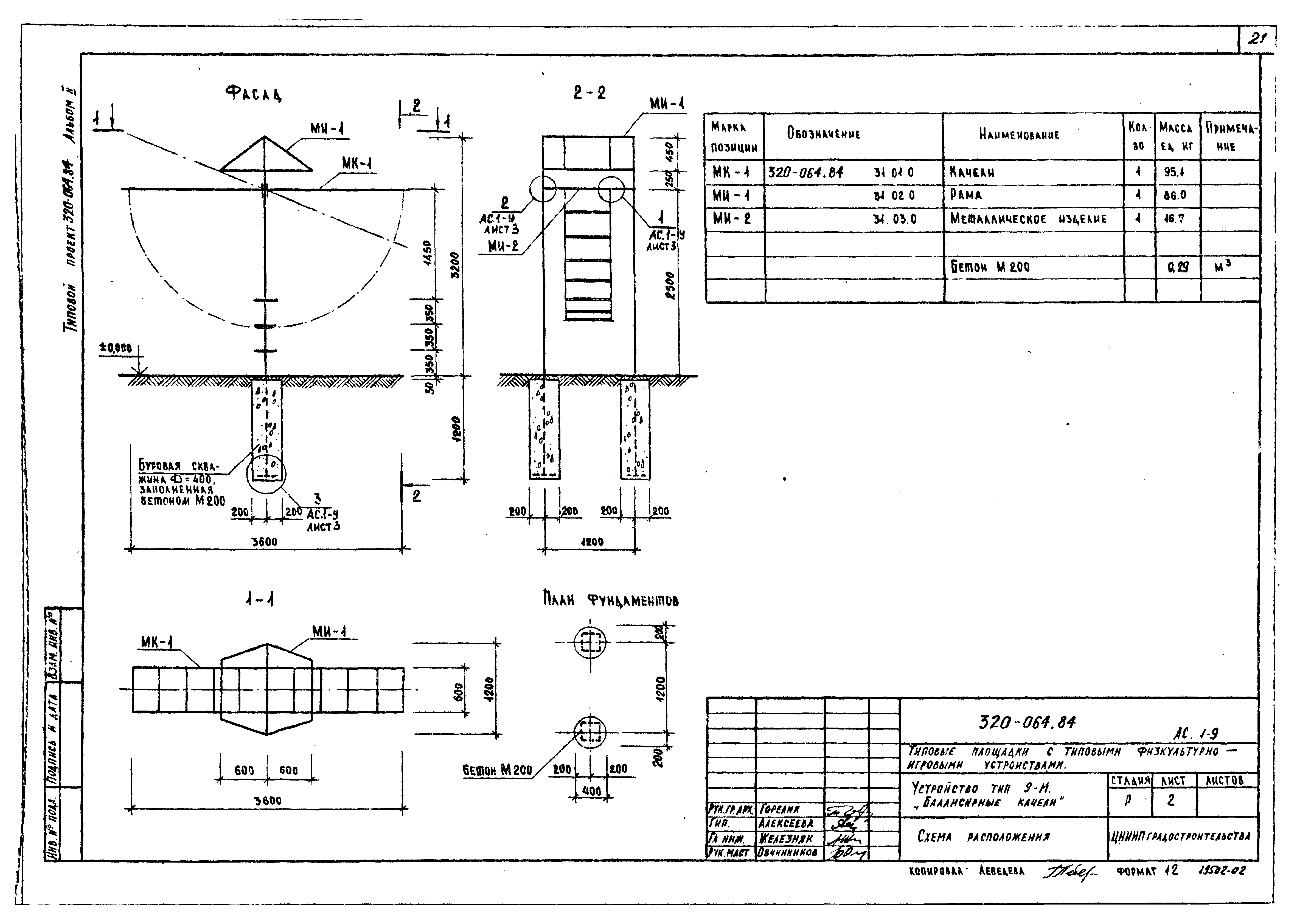
Устройство тип 9-М. "Балансирные качели". Схема расположения
Устройство тип 10-М. "Лабиринт". План. Виды А и Б. Разрез 1-1
Устройство тип 10-М. "Лабиринт". Схема расположения
Устройство тип 11-М. "Разновысокий бум". Схема расположения
Устройство тип 12-М. "Спираль". Схема расположения
Устройство тип 13-М. "Пружинящий балансир". План. Фасады А, Б, В и Г. Разрезы 1-1 и 2-2
Устройство тип 13-М. "Пружинящий балансир". Схема расположения
Устройство тип 14-М. "Бегунки". План. Фасад А, Б и В
Устройство тип 14-М. "Бегунки". Схема расположения
Устройство тип 14-М. "Бегунки". Барабан Б-1
Устройство тип 14-М. "Бегунки". Барабан Б-2
Устройство тип 15-М. "Стенка для метания". План. Фасады А, Б и В
Устройство тип 15-М. "Стенка для метания". Схема расположения
Устройства типов 1-М - 8-М, 14-М, 15-М. Узлы 1 - 4
Устройства типов 3-М - 6-М. Узлы 5 - 10
Устройства типов 7-М, 8-М, 13-М. Узлы 11 - 13
Устройство тип 9-М. Узлы 1 - 3
Устройства тип 10-М, 11-М. Узлы I - V
Устройство тип 12-М. Узел I
Устройство тип 14-М. Узлы 1, 2
Устройство тип 14-М. Узлы 3, 4
Устройство тип 15-М. Узлы 10, 11, 12
Разработан: ЦНИИП градостроительства
Утверждён:12.06.1981 Госгражданстрой (Gosgrazhdanstroy ЛВ-1-1562)
Расположен в:Техническая документация Строительство Справочные документы Типовые строительные конструкции, изделия и узлы Общероссийский строительный каталог Малые формы архитектуры и элементы благоустройства Планировочные элементы благоустройства с малыми архитектурными формами и сооружениями Площадки отдыха
Типовой проект 320-064.84Типовой проект 320-064.84Типовой проект 320-064.84Типовой проект 320-064.84Типовой проект 320-064.84Типовой проект 320-064.84Типовой проект 320-064.84Типовой проект 320-064.84Типовой проект 320-064.84Типовой проект 320-064.84Типовой проект 320-064.84Типовой проект 320-064.84Типовой проект 320-064.84Типовой проект 320-064.84Типовой проект 320-064.84Типовой проект 320-064.84Типовой проект 320-064.84Типовой проект 320-064.84Типовой проект 320-064.84Типовой проект 320-064.84Типовой проект 320-064.84Типовой проект 320-064.84Типовой проект 320-064.84Типовой проект 320-064.84Типовой проект 320-064.84Типовой проект 320-064.84Типовой проект 320-064.84Типовой проект 320-064.84Типовой проект 320-064.84Типовой проект 320-064.84Типовой проект 320-064.84Типовой проект 320-064.84Типовой проект 320-064.84Типовой проект 320-064.84Типовой проект 320-064.84Типовой проект 320-064.84Типовой проект 320-064.84Типовой проект 320-064.84Типовой проект 320-064.84Типовой проект 320-064.84Типовой проект 320-064.84Типовой проект 320-064.84Типовой проект 320-064.84

© 2013 Ёшкин Кот :-) Карта сайта