Информационная система
«Ёшкин Кот»

Скачать базу одним архивом
Скачать обновления
История создания базы
Карта сайта

Скачать Типовой проект 812-31 Альбом I. Архитектурно-строительная часть

Дата актуализации: 10.08.2017

Типовой проект 812-31

Альбом I. Архитектурно-строительная часть

Обозначение: Типовой проект 812-31
Обозначение англ: 812-31
Статус:действует
Название рус.:Альбом I. Архитектурно-строительная часть
Дата добавления в базу:01.09.2013
Дата актуализации:05.05.2017
Оглавление:Титульный лист
Содержание альбома
Пояснительная записка
Чертежи марки АР
   Заглавный лист
   Фасады 1-10; И-Б
   Фасады 10-1; А-К/1
   План на отм. 0.000
   Планы на отм. 5.180; 8.200 и 11.200
   Разрезы 1-1 - 4-4
   План фундаментов. Сечения 1-1 - 4-4. Спецификация
   Фундаменты ФМ-1 - ФМ-5, ФМ-1а, ФМ-3а, ФМ-4а. Спецификации
   План фундаментов под оборудование. Спецификация
   Разрезы 1-1; 2-2. Фундаменты ФО-6, ФО-7, ФО-8
   Фундамент ФО-1. Спецификации
   Фундамент ФО-1. Элементы плана 1 и 2. Спецификация
   Фундаменты ФО-2; ФО-3; ФО-4; ФО-5. Спецификации
   Завальная яма и приямок нории. Узлы, детали
   Раскладка арматуры в днище. Разрезы 1-1 и 2-2
   Приямок нории. Армирование. Спецификации
   Узлы 1 - 4; 15
   Узлы 5 - 8
   Узлы 9 - 12
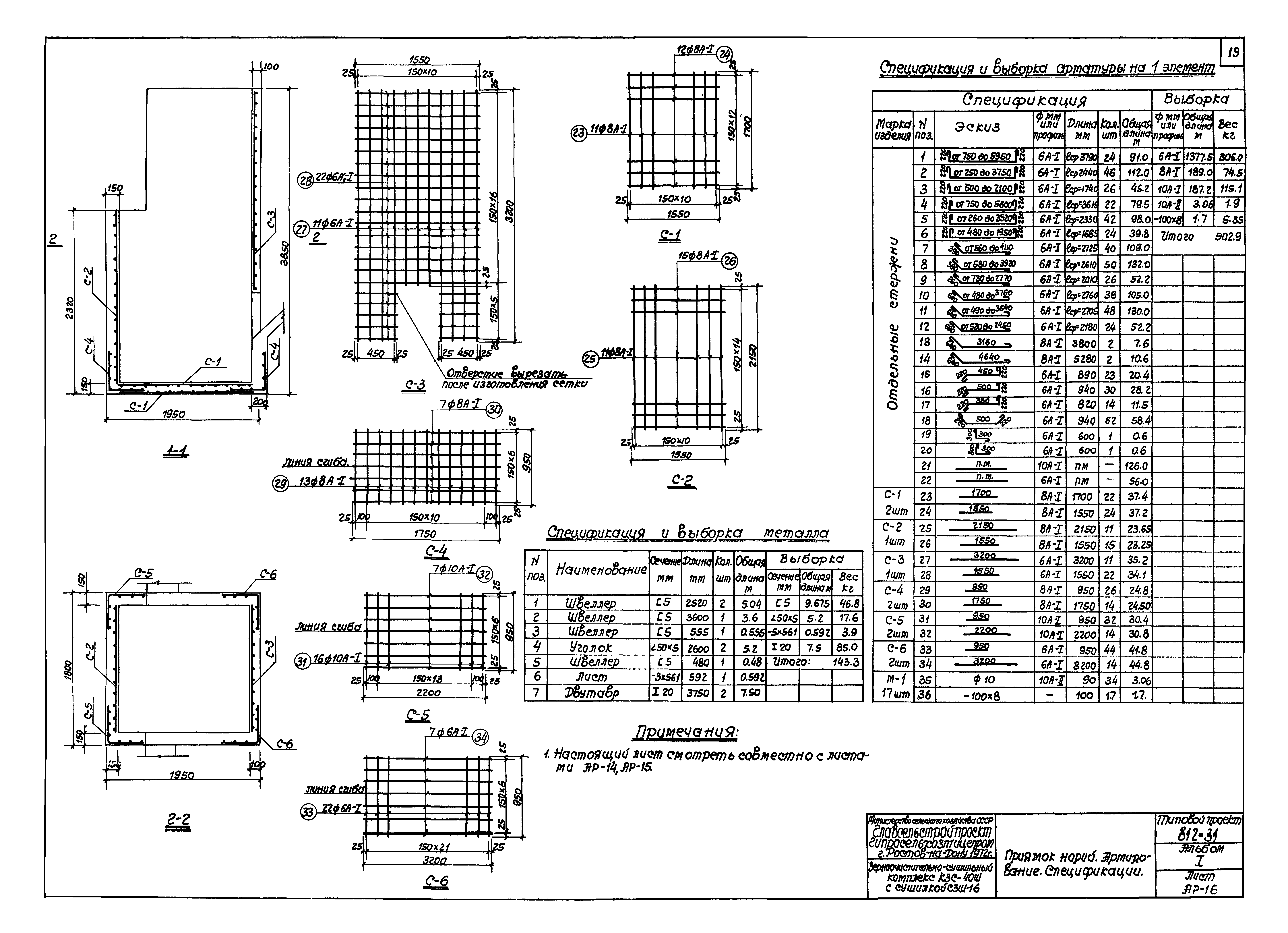
   Узлы 13 - 14. Спецификации
Чертежи марки КМ
   Заглавный лист
   План колонн, ферм, рам, прогонов и связей
   Разрезы 1-1 - 4-4. Таблица элементов
   Схема элементов фахверка по осям "В", "Ж", "1"
   Схемы элементов фахверка по осям 6, В, К, А и со стороны осей В, Ж. Таблица элементов
   План перекрытия на отм. 5.200. Монтажный план балок на отм. 5.200. Таблица элементов
   План площадок на отм. 8.200 и 11.200. разрезы 1-1, 2-2. Таблица элементов. Спецификация
   Узлы 1 - 9
   Узлы 10 - 18
   Узлы 19 - 23
   Узлы 24 - 26, 22а
   Монтажная схема надстройки для головки нории. Узлы 27 - 30. Таблица элементов
   Монтажный план площадки на отм. 8.780. Узлы. Таблица элементов
   Монтажный план будки пульта управления. Узлы. Таблица элементов
   Металлический каркас зерноочистительного отделения. Фасад в осях 1 - 5
   Металлический каркас зерноочистительного отделения. Вид по стрелке А. Спецификация
   Металлический каркас зерноочистительного отделения. Аксонометрия
   Блок бункеров. План
   Блок бункеров. Разрез
   Блок бункеров. Узлы. Сечения. Спецификация
   Бункер чистого зерна. Аксонометрия
   Сборка бункера чистого зерна. Аксонометрия
   Бункер резерва. Аксонометрия
   Сборка бункера резерва. Аксонометрия
   Сборка бункера отходов. Аксонометрия
   Сборка площадки лестницы
   Металлическая лестница зерноочистительного отделения. Спецификация
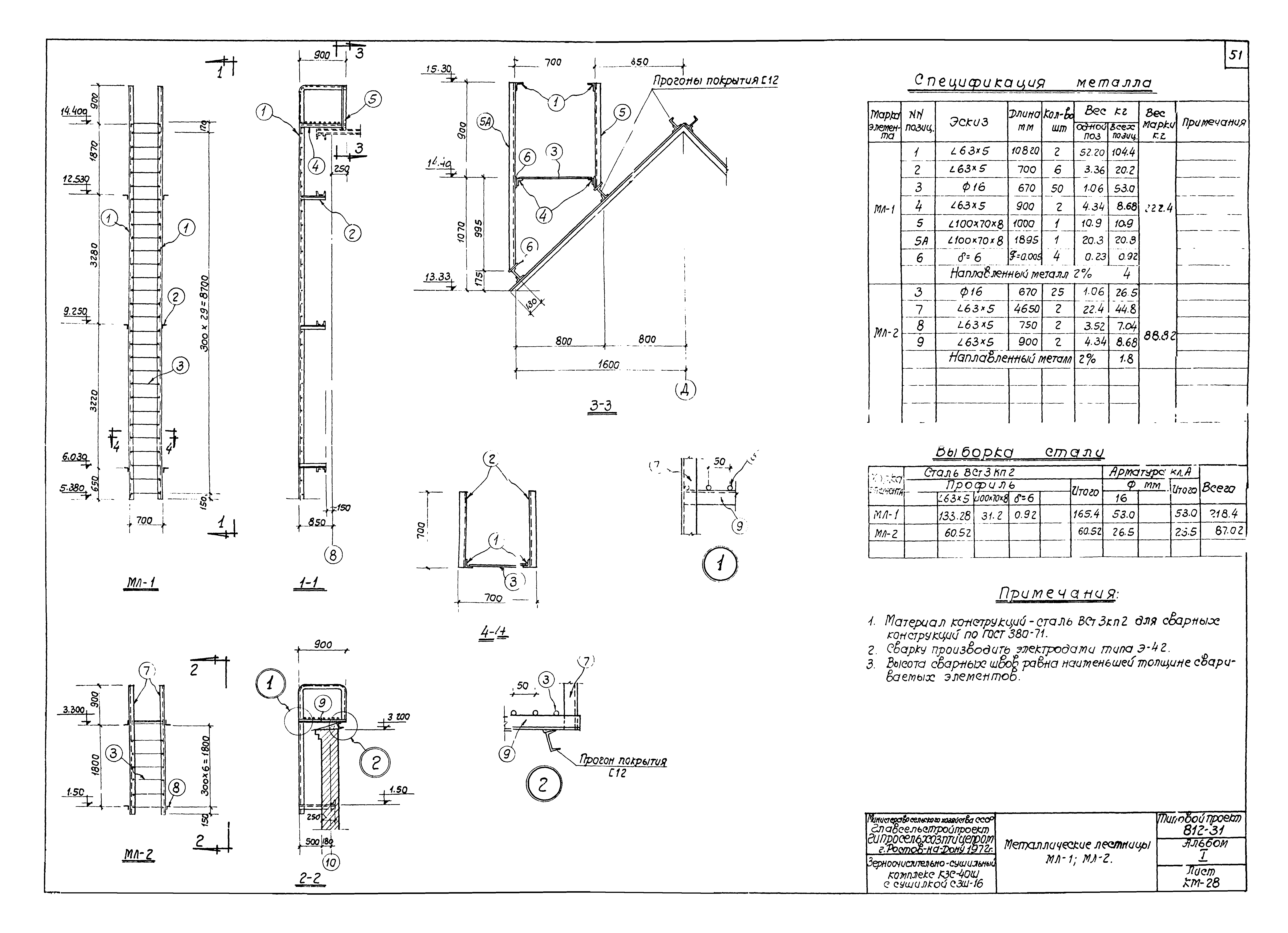
   Металлические лестницы МЛ-1, МЛ-2
   Решетки, крышка люка, делитель, лестница МЛ-3
Разработан: Гипросельхозптицепром
Утверждён:07.05.1973 Министерство сельского хозяйства СССР (USSR Ministry of Agriculture 21)
Расположен в:Техническая документация Строительство Справочные документы Типовые строительные конструкции, изделия и узлы Общероссийский строительный каталог Сельскохозяйственные предприятия, здания и сооружения Предприятия, здания и сооружения по послеуборочной обработке зерновых, зернобобовых, крупяных, масличных культур, семян трав и овощей Предприятия, здания и сооружения по послеуборочной обработке зерновых, зернобобовых и крупяных культур
Типовой проект 812-31Типовой проект 812-31Типовой проект 812-31Типовой проект 812-31Типовой проект 812-31Типовой проект 812-31Типовой проект 812-31Типовой проект 812-31Типовой проект 812-31Типовой проект 812-31Типовой проект 812-31Типовой проект 812-31Типовой проект 812-31Типовой проект 812-31Типовой проект 812-31Типовой проект 812-31Типовой проект 812-31Типовой проект 812-31Типовой проект 812-31Типовой проект 812-31Типовой проект 812-31Типовой проект 812-31Типовой проект 812-31Типовой проект 812-31Типовой проект 812-31Типовой проект 812-31Типовой проект 812-31Типовой проект 812-31Типовой проект 812-31Типовой проект 812-31Типовой проект 812-31Типовой проект 812-31Типовой проект 812-31Типовой проект 812-31Типовой проект 812-31Типовой проект 812-31Типовой проект 812-31Типовой проект 812-31Типовой проект 812-31Типовой проект 812-31Типовой проект 812-31Типовой проект 812-31Типовой проект 812-31Типовой проект 812-31Типовой проект 812-31Типовой проект 812-31Типовой проект 812-31Типовой проект 812-31Типовой проект 812-31Типовой проект 812-31Типовой проект 812-31Типовой проект 812-31

© 2013 Ёшкин Кот :-) Карта сайта