| ||||||||||||||||||||||||||||
Скачать 13119тм Выпуск 1. Материалы для проектирования и рабочие чертежиДата актуализации: 10.08.2017
|
| Обозначение: | 13119тм |
| Обозначение англ: | 13119тм |
| Статус: | не определен законодательством |
| Название рус.: | Выпуск 1. Материалы для проектирования и рабочие чертежи |
| Дата добавления в базу: | 01.09.2013 |
| Дата актуализации: | 05.05.2017 |
| Дата введения: | 22.05.1990 |
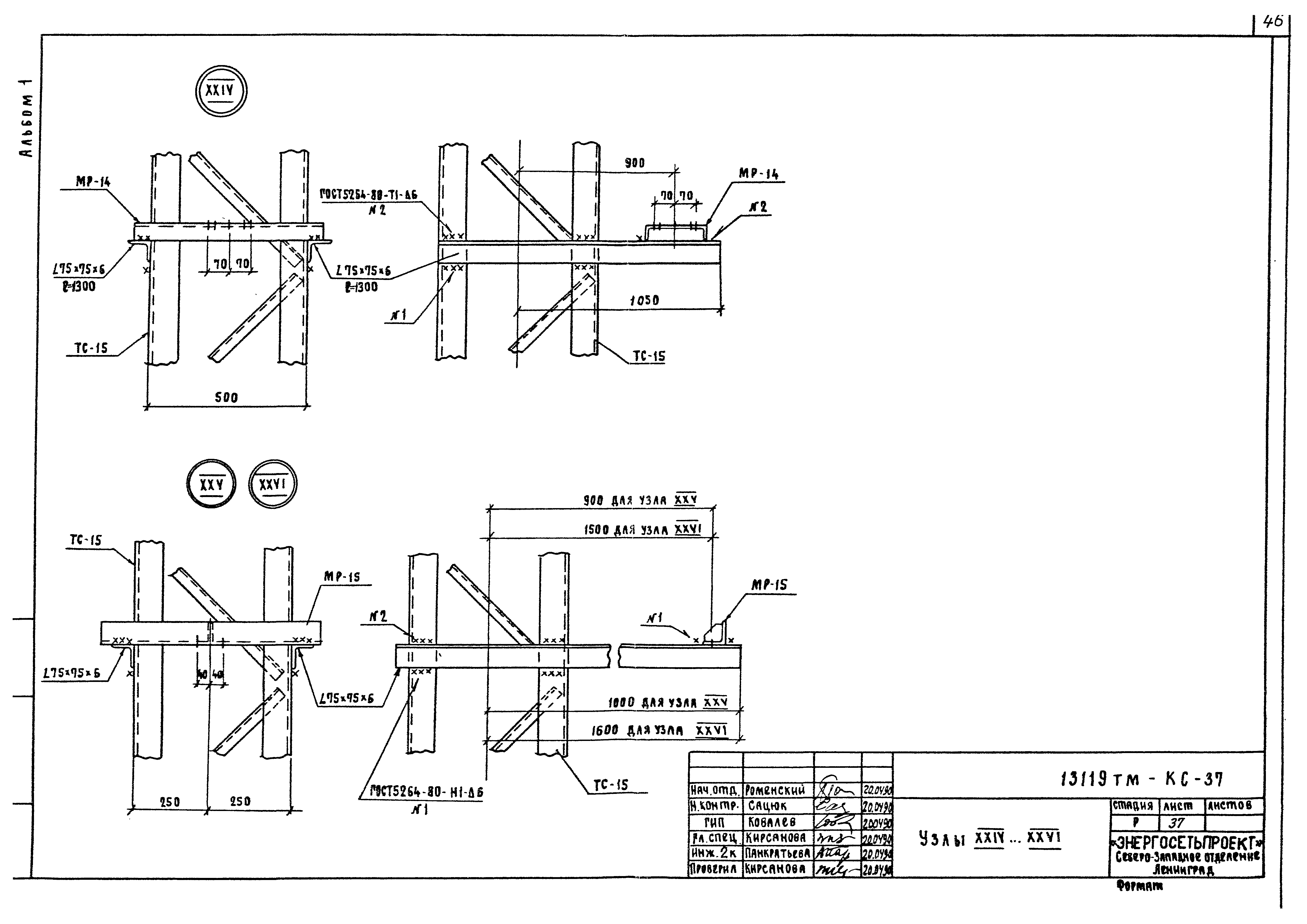
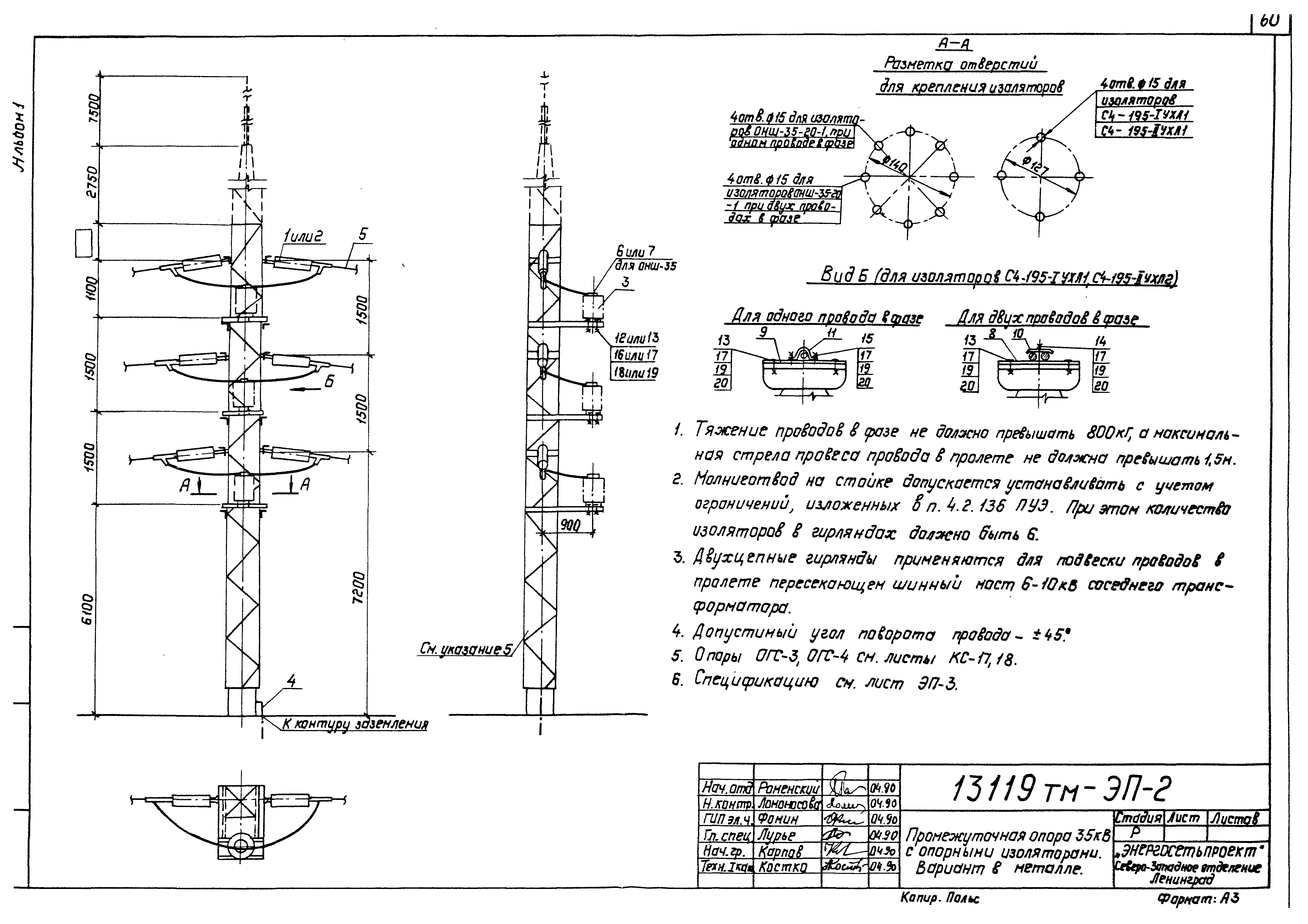
| Оглавление: | 13119тм Содержание 13119тм-ПЗ Пояснительная записка 13119тм-КС-1 Схема расположения элементов конструкций концевой опоры 35 кВ ОГ-1 13119тм-КС-2 Схема расположения элементов конструкций концевой опоры 35 кВ ОГ-2 13119тм-КС-3 Схема расположения элементов конструкций промежуточной опоры 35 кВ ОГ-3 13119тм-КС-4 Схема расположения элементов конструкций промежуточной опоры 35 кВ ОГ-4 13119тм-КС-5 Схема расположения элементов конструкций промежуточной опоры 35 кВ ОГ-5 13119тм-КС-6 Схема расположения элементов конструкций промежуточной опоры 35 кВ ОГ-6 13119тм-КС-7 Схема расположения элементов конструкций концевой опоры 110 кВ ОГ-7 13119тм-КС-8 Схема расположения элементов конструкций концевой опоры 110 кВ ОГ-8 13119тм-КС-9 Схема расположения элементов конструкций промежуточной опоры 110 кВ ОГ-9 13119тм-КС-10 Схема расположения элементов конструкций промежуточной опоры 110 кВ ОГ-10 13119тм-КС-11 Схема расположения элементов конструкций концевой опоры 220 кВ ОГ-11 13119тм-КС-12 Схема расположения элементов конструкций концевой опоры 220 кВ ОГ-12 13119тм-КС-13 Схема расположения элементов конструкций промежуточной опоры 220 кВ ОГ-13 13119тм-КС-14 Схема расположения элементов конструкций промежуточной опоры 220 кВ ОГ-14 13119тм-КС-15 Схема расположения элементов конструкций концевой опоры 35 кВ ОГС-1 13119тм-КС-16 Схема расположения элементов конструкций концевой опоры 35 кВ ОГС-2 13119тм-КС-17 Схема расположения элементов конструкций промежуточной опоры 35 кВ ОГС-3 13119тм-КС-18 Схема расположения элементов конструкций промежуточной опоры 35 кВ ОГС-4 13119тм-КС-19 Схема расположения элементов конструкций промежуточной опоры 35 кВ ОГС-5 13119тм-КС-20 Схема расположения элементов конструкций промежуточной опоры 35 кВ ОГС-6 13119тм-КС-21 Схема расположения элементов конструкций концевой опоры 110 кВ ОГС-7 13119тм-КС-22 Схема расположения элементов конструкций концевой опоры 110 кВ ОГС-8 13119тм-КС-23 Схема расположения элементов конструкций промежуточной опоры 110 кВ ОГС-9 13119тм-КС-24 Схема расположения элементов конструкций промежуточной опоры 110 кВ ОГС-10 13119тм-КС-25 Схема расположения элементов конструкций концевой опоры 220 кВ ОГС-11 13119тм-КС-26 Схема расположения элементов конструкций концевой опоры 220 кВ ОГС-12 13119тм-КС-27 Схема расположения элементов конструкций промежуточной опоры 220 кВ ОГС-13 13119тм-КС-28 Схема расположения элементов конструкций промежуточной опоры 220 кВ ОГС-14 13119тм-КС-29 Узлы I - IV, IIIа, IVа 13119тм-КС-30 Узлы V - VII 13119тм-КС-31 Узлы VIII - XI 13119тм-КС-32 Узлы XII - XIV 13119тм-КС-33 Узлы XV, XVI 13119тм-КС-34 Узлы XVII, XVIII 13119тм-КС-35 Узлы XX, XXI 13119тм-КС-36 Узлы XXII, XXIII 13119тм-КС-37 Узлы XXIV - XXVI 13119тм-КС-38 Узлы XIX, XXVII 13119тм-т1-КС.И-1л1,2 Изделие МР-1 - МР-12 13119тм-т1-КС.И-2 Изделие МР-13 - МР-16 13119тм-т1-КС.И-3 Изделие МР-17, МР-18, МР-20 13119тм-т1-КС.И-4 Изделие МР-19 13119тм-т1-КС.И-5 Изделие МР-21 - МР-25 13119тм-т1-КС.И-6 Изделие МР-26 - МР-30 13119тм-т1-КС.И-7 Изделие МР-31 - МР-34 13119тм-т1-КС.И-8л1,2 Тросостойка МР-35 Содержание электротехнической части 13119тм-ЭП-1 Промежуточная опора 35 кВ с опорными изоляторами. Вариант в железобетоне 13119тм-ЭП-2 Промежуточная опора 35 кВ с опорными изоляторами. Вариант в металле 13119тм-ЭП-3 Спецификация оборудования и материалов к листам ЭП-1, 2 13119тм-ЭП-4 Промежуточная опора 35 кВ с подвесными изоляторами. Вариант в железобетоне 13119тм-ЭП-5 Промежуточная опора 35 кВ с подвесными изоляторами. Вариант в металле 13119тм-ЭП-6 Спецификация оборудования и материалов к листам ЭП-4, 5 13119тм-ЭП-7 Концевая опора 35 кВ. Вариант в железобетоне 13119тм-ЭП-8 Концевая опора 35 кВ. Вариант в металле 13119тм-ЭП-9 Спецификация оборудования и материалов к листам ЭП-7, 8 13119тм-ЭП-10 Промежуточная опора 110 кВ с подвесными изоляторами. Вариант в железобетоне 13119тм-ЭП-11 Промежуточная опора 110 кВ с подвесными изоляторами. Вариант в металле 13119тм-ЭП-12 Спецификация оборудования и материалов к листам ЭП-10, 11 13119тм-ЭП-13 Концевая опора 110 кВ. Вариант в железобетоне 13119тм-ЭП-14 Концевая опора 110 кВ. Вариант в металле 13119тм-ЭП-15 Спецификация оборудования и материалов к листам ЭП-13, 14 13119тм-ЭП-16 Промежуточная опора 220 кВ с подвесными изоляторами. Вариант в железобетоне 13119тм-ЭП-17 Промежуточная опора 220 кВ с подвесными изоляторами. Вариант в металле 13119тм-ЭП-18 Спецификация оборудования и материалов к листам ЭП-16, 17 13119тм-ЭП-19 Концевая опора 220 кВ. Вариант в железобетоне 13119тм-ЭП-20 Концевая опора 220 кВ. Вариант в металле 13119тм-ЭП-21 Спецификация оборудования и материалов к листам ЭП-19, 20 13119тм-ЭП-22 Гирлянда изоляторов ПС-70-Д, ПСД70-Е натяжная двухцепная для одного провода сечением до 240 кв. мм (35 кВ) 13119тм-ЭП-23 Гирлянда изоляторов ПС-70-Д, ПСД70-Е натяжная двухцепная для одного провода сечением до 500 кв. мм (35 кВ) 13119тм-ЭП-24 Гирлянда изоляторов ПС-70-Д, ПСД70-Е натяжная двухцепная для двух проводов сечением 400 - 500 кв. мм (35 кВ) 13119тм-ЭП-25 Гирлянда изоляторов ПС-70-Д, ПСД70-Е натяжная двухцепная для одного провода сечением до 185 кв. мм (110 кВ) 13119тм-ЭП-26 Гирлянда изоляторов ПС-70-Д, ПСД70-Е натяжная двухцепная для одного провода сечением 500 кв. мм (110 кВ) 13119тм-ЭП-27 Гирлянда изоляторов ПС-70-Д, ПСД70-Е натяжная двухцепная для двух проводов сечением 400 - 500 кв. мм (110 кВ) 13119тм-ЭП-28 Гирлянда изоляторов ПС-70-Д, ПСД70-Е натяжная двухцепная для двух проводов сечением 400 - 500 кв. мм (220 кВ) 13119тм-ЭП.И-1 Планка опорная П-1 13119тм-ЭП.И-2 Планка опорная П-2 |
| Разработан: | Северо-западное отделение института Энергосетьпроект |
| Утверждён: | 22.05.1990 Энергосетьпроект (Energosetproject 29-003/18) |
| Расположен в: | |
| Заменяет собой: |























































































