Информационная система
«Ёшкин Кот»

Скачать базу одним архивом
Скачать обновления
История создания базы
Карта сайта

Скачать Типовой проект 902-2-452.88 Альбом III. Строительные изделия

Дата актуализации: 10.08.2017

Типовой проект 902-2-452.88

Альбом III. Строительные изделия

Обозначение: Типовой проект 902-2-452.88
Обозначение англ: 902-2-452.88
Статус:не определен законодательством
Название рус.:Альбом III. Строительные изделия
Дата добавления в базу:01.09.2013
Дата актуализации:05.05.2017
Дата введения:15.03.1988
Оглавление:КЖ.И ТУ Технические условия
КЖ.И 01.00.00.00 Колонна (К 60-7а, К 60-7-б, К 60-7-в)
КЖ.И 02.00.00.00 Колонна КФ Б7-1-а
КЖ.И 03.00.00.00 Балка (1БСТ6-2АIVТ-а, 1БСТ6-2АIVТ-б)
КЖ.И 04.00.00.00 Балка 1БСТ6-2АIVТ-в
КЖ.И 05.00.00.00 Балка (1БСД9-3АIVТ-а, 1БСД9-3АIVТ-б)
КЖ.И 06.00.00.00 Плита (1ПГ-2АIVТ-90ВБН-200Mg, 1ПВ4-3АIVТ-90ВБН-200Me)
КЖ.И 07.00.00.00 Плита (1ПВ4-3АIVТ-90ВБН-200Mв, 1ПВ7-3АIVТ-90ВБН-200Mг)
КЖ.И 08.00.00.00 Плита (1ПГ-2АIVТ-90ВБН-200Mб, 1ПГ-2АIVТ-90ВБН-200Mа)
КЖ.И 09.00.00.00 Панель стеновая ПС 30.15.2,5-БЛа
КЖ.И 10.00.00.00 Панель стеновая (ПС 65,5.12.2,5--3Л-1а, ПС 65,5.12.2,5--3Л-1б)
КЖ.И 11.00.00.00 Панель стеновая (ПС 63.12.2,5--3Л-1-31а, ПС 63.12.2,5--3Л-1-31б)
КЖ.И 12.00.00.00 Панель карнизная ПК60.7-Ла
КЖ.И 00.01.00.00 Рама металлическая РМ1
КЖ.И 00.02.00.00 Рама металлическая РМ2
КЖ.И 00.03.00.00 Щит металлический Щ1
КЖ.И 00.04.00.00 Щит металлический (Щ2, Щ3)
КЖ.И 00.05.00.00 Решетка жалюзийная (ЖР1, ЖР2)
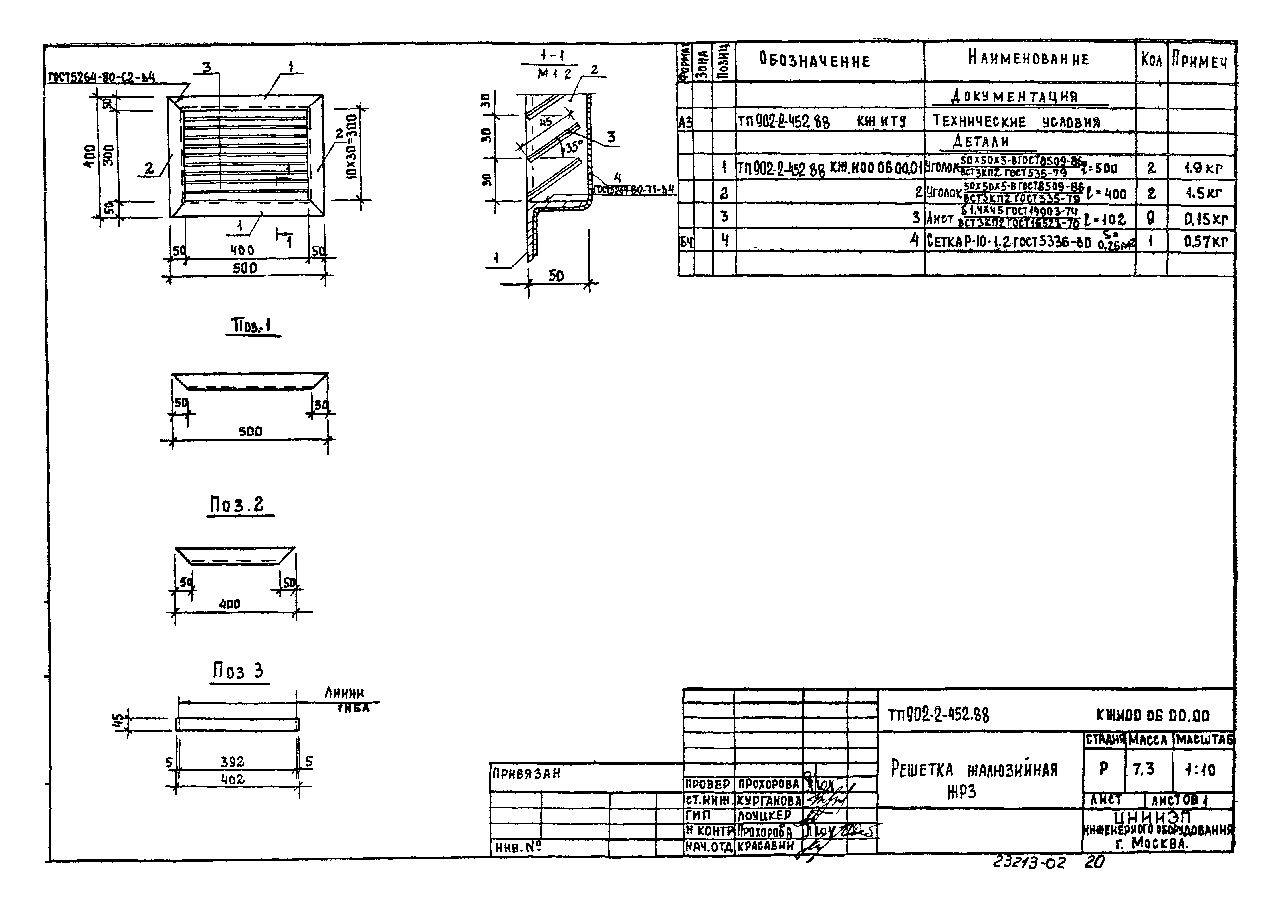
КЖ.И 00.06.00.00 Решетка жалюзийная ЖР3
КЖ.И 00.00.01.00 Сетка арматурная С1
КЖ.И 00.00.02.00 Сетка арматурная С2
КЖ.И 00.00.03.00 Сетка арматурная С4
КЖ.И 00.00.04.00 Сетка арматурная С3
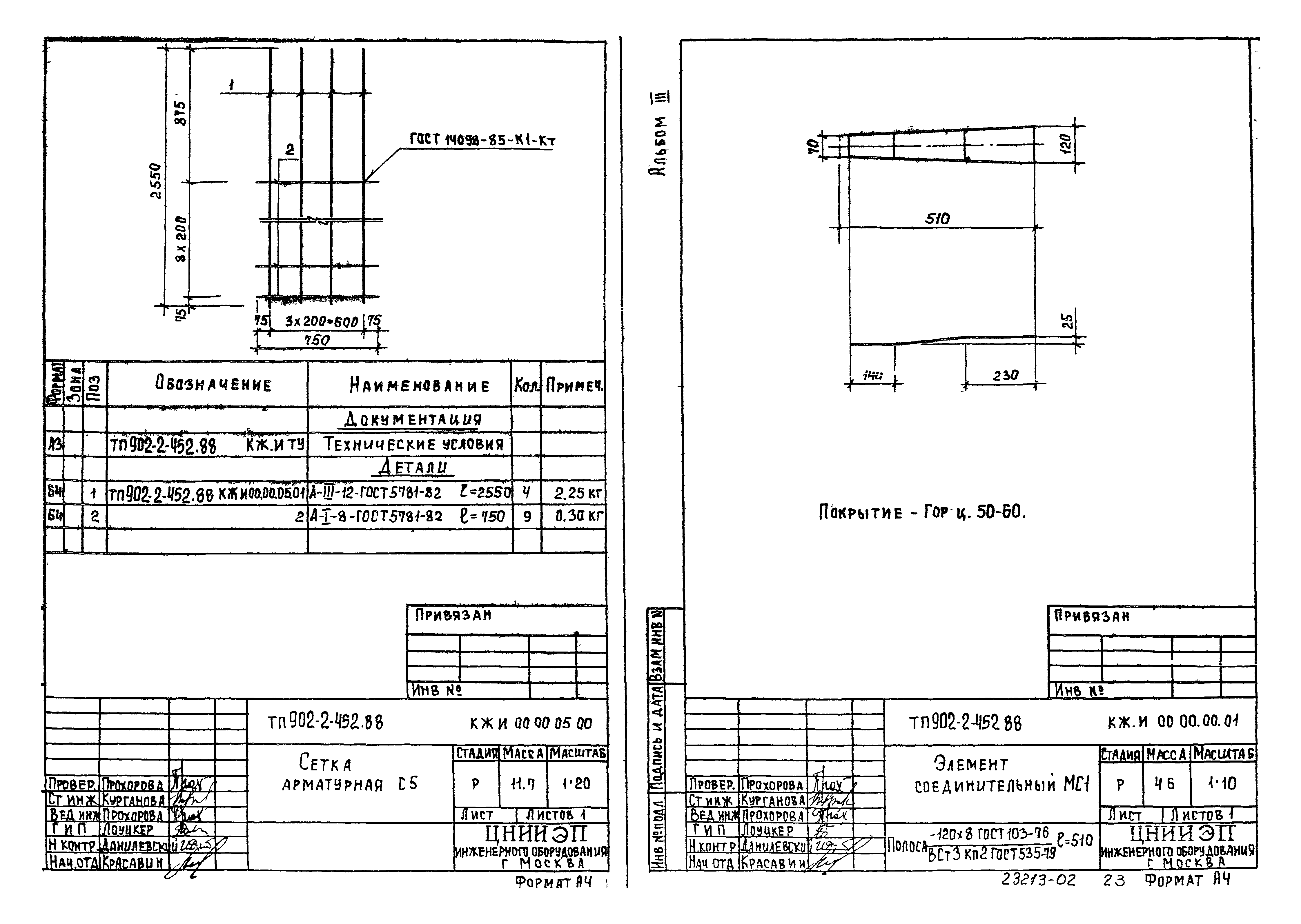
КЖ.И 00.00.05.00 Сетка арматурная С5
КЖ.И 00.00.00.01 Элемент соединительный МС1
КЖ.И 00.00.00.02 Элемент соединительный МС2
Разработан: ЦНИИЭП инженерного оборудования
Утверждён:15.03.1988 Госкомархитектура (67)
Издан: ЦИТП Госстроя СССР (CITP, Gosstroy (USSR) 1988 г. )
Расположен в:Техническая документация Строительство Справочные документы Типовые строительные конструкции, изделия и узлы Общероссийский строительный каталог Промышленные предприятия, здания и сооружения Здания и сооружения санитарно-технические Канализация Сооружения механической очистки Здания решеток
Заменяет собой:
Типовой проект 902-2-452.88Типовой проект 902-2-452.88Типовой проект 902-2-452.88Типовой проект 902-2-452.88Типовой проект 902-2-452.88Типовой проект 902-2-452.88Типовой проект 902-2-452.88Типовой проект 902-2-452.88Типовой проект 902-2-452.88Типовой проект 902-2-452.88Типовой проект 902-2-452.88Типовой проект 902-2-452.88Типовой проект 902-2-452.88Типовой проект 902-2-452.88Типовой проект 902-2-452.88Типовой проект 902-2-452.88Типовой проект 902-2-452.88Типовой проект 902-2-452.88Типовой проект 902-2-452.88Типовой проект 902-2-452.88Типовой проект 902-2-452.88Типовой проект 902-2-452.88Типовой проект 902-2-452.88Типовой проект 902-2-452.88

© 2013 Ёшкин Кот :-) Карта сайта