Информационная система
«Ёшкин Кот»

Скачать базу одним архивом
Скачать обновления
История создания базы
Карта сайта

Скачать Типовой проект 902-1-150.1.88 Альбом 8. Решение без регулируемого электропривода. Силовое электрооборудование. Технологический контроль (из ТП 902-1-148.88)

Дата актуализации: 10.08.2017

Типовой проект 902-1-150.1.88

Альбом 8. Решение без регулируемого электропривода. Силовое электрооборудование. Технологический контроль (из ТП 902-1-148.88)

Обозначение: Типовой проект 902-1-150.1.88
Обозначение англ: 902-1-150.1.88
Статус:не определен законодательством
Название рус.:Альбом 8. Решение без регулируемого электропривода. Силовое электрооборудование. Технологический контроль (из ТП 902-1-148.88)
Дата добавления в базу:01.09.2013
Дата актуализации:05.05.2017
Дата введения:15.09.1988
Оглавление:Основной комплект марки ЭМ2
   Общие данные
   Схема электрическая принципиальная однолинейная распределиттельной сети ~380/220 В
   Схемы электрические принципиальные переключения III секции, АВР оперативного тока
   Схема электрическая принципиальная управления насосами перекачки стоков
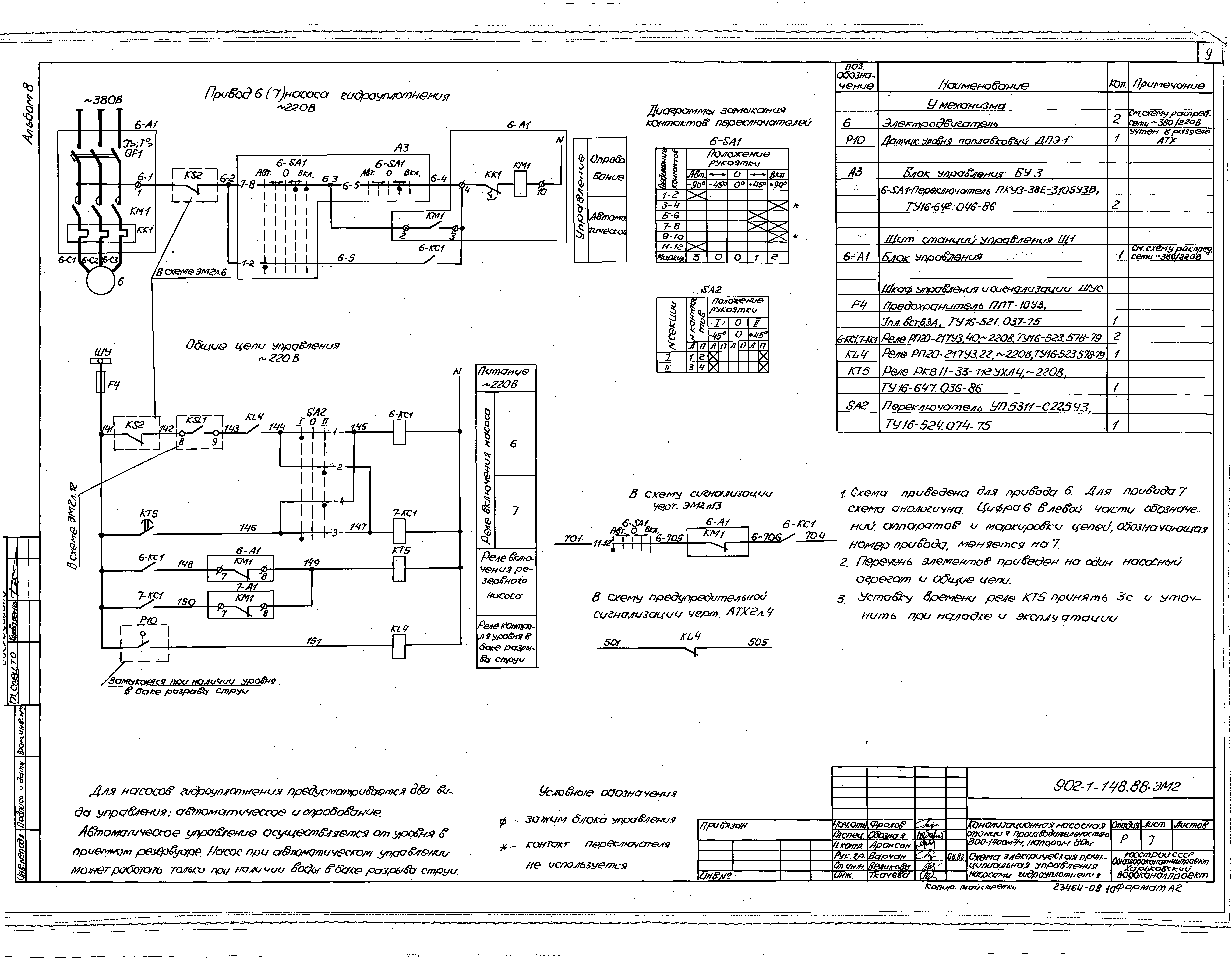
   Схема электрическая принципиальная управления насосами гидроуплотнения
   Схемы электрические принципиальные управления дренажными насосами и решетками-дробилками
   Схема электрическая принципиальная управления задвижкой на подводящем коллекторе
   Схема электрическая принципиальная управления задвижками на напорных трубопроводах
   Схемы электрические принципиальные управления вентиляторами
   Схема электрическая принципиальная контроля уровней
   Схема электрическая принципиальная аварийно-технологической сигнализации
   Схема подключения электрооборудования
   Схема подключения шкафа ШУС
   Схема подключения щита Щ1
   Кабельный журнал
   План расположения электрооборудования. Прокладка кабелей
   План расположения электрооборудования. Прокладка кабелей. Спецификация
   Заземление и зануление
   План прокладки троллейного шинопровода
   План прокладки магистрального шинопровода ШМА-4У3
   Электроосвещение
Задание МЭЗ марки ЭМ2.И
   Ведомость чертежей задания МЭЗ
   Ведомость электромонтажных конструкций, подлежащих изготовлению в МЭЗ
   Ведомость изделий и материалов для изготовления электромонтажных конструкций в МЭЗ
   Блок управления БУ1. Общий вид. Схема соединений
   Блок управления БУ2. Общий вид. Схема соединений
   Блок управления БУ3. Общий вид. Схема соединений
   Блок управления БУ4. Общий вид. Схема соединений
   Опросные листы для заказа комплектных трансформаторных подстанций
Основной комплект марки АТХ2
   Общие данные
   Схема автоматизации
   Схемы электрические принципиальные распределительной сети и измерения расхода
   Схема электрическая принципиальная предкпредительной сигнализации
   Схема соединений внешних проводок
   Схемы подключения внешних проводок
   План расположения
Задание МЗУ макри АТХ2.И
   Ведомость чертежей задания МЗУ.
   Ведомость узлов и конструкций, подлежащих изготовлению в МЗУ
   Ведомость оборудования и материалов для изготовления изделий МЗУ
   Статив датчиков для приемного резервуара. Монтажный чертеж
   Статив датчиков для дренажного приямка. Монтажный чертеж
   Стойка статива датчиков. Монтажный чертеж
   Кронштейн для установки устройства ТУДЭ-1. Монтажный чертеж
   Статив приборов насоса. Монтажный чертеж
Разработан: Харьковский Водоканалпроект
Утверждён:08.07.1986 Госстрой СССР (Государственный комитет Совета Министров СССР по делам строительства) (USSR Gosstroy 20)
Расположен в:Техническая документация Строительство Справочные документы Типовые строительные конструкции, изделия и узлы Общероссийский строительный каталог Промышленные предприятия, здания и сооружения Здания и сооружения санитарно-технические Канализация Станции насосные Станции насосные для перекачки бытовых сточных вод
Типовой проект 902-1-150.1.88Типовой проект 902-1-150.1.88Типовой проект 902-1-150.1.88Типовой проект 902-1-150.1.88Типовой проект 902-1-150.1.88Типовой проект 902-1-150.1.88Типовой проект 902-1-150.1.88Типовой проект 902-1-150.1.88Типовой проект 902-1-150.1.88Типовой проект 902-1-150.1.88Типовой проект 902-1-150.1.88Типовой проект 902-1-150.1.88Типовой проект 902-1-150.1.88Типовой проект 902-1-150.1.88Типовой проект 902-1-150.1.88Типовой проект 902-1-150.1.88Типовой проект 902-1-150.1.88Типовой проект 902-1-150.1.88Типовой проект 902-1-150.1.88Типовой проект 902-1-150.1.88Типовой проект 902-1-150.1.88Типовой проект 902-1-150.1.88Типовой проект 902-1-150.1.88Типовой проект 902-1-150.1.88Типовой проект 902-1-150.1.88Типовой проект 902-1-150.1.88Типовой проект 902-1-150.1.88Типовой проект 902-1-150.1.88Типовой проект 902-1-150.1.88Типовой проект 902-1-150.1.88Типовой проект 902-1-150.1.88Типовой проект 902-1-150.1.88Типовой проект 902-1-150.1.88Типовой проект 902-1-150.1.88Типовой проект 902-1-150.1.88Типовой проект 902-1-150.1.88Типовой проект 902-1-150.1.88Типовой проект 902-1-150.1.88Типовой проект 902-1-150.1.88Типовой проект 902-1-150.1.88Типовой проект 902-1-150.1.88Типовой проект 902-1-150.1.88Типовой проект 902-1-150.1.88Типовой проект 902-1-150.1.88Типовой проект 902-1-150.1.88Типовой проект 902-1-150.1.88Типовой проект 902-1-150.1.88Типовой проект 902-1-150.1.88

© 2013 Ёшкин Кот :-) Карта сайта