| ||||||||||||||||||||||||||||||
Скачать Серия 7.401-2 Выпуск 7. Узлы крепления трубопроводов Ду400. Рабочие чертежиДата актуализации: 10.08.2017
|
| Обозначение: | Серия 7.401-2 |
| Обозначение англ: | Series 7.401-2 |
| Статус: | не определен законодательством |
| Название рус.: | Выпуск 7. Узлы крепления трубопроводов Ду400. Рабочие чертежи |
| Дата добавления в базу: | 01.09.2013 |
| Дата актуализации: | 05.05.2017 |
| Дата введения: | 25.10.1990 |
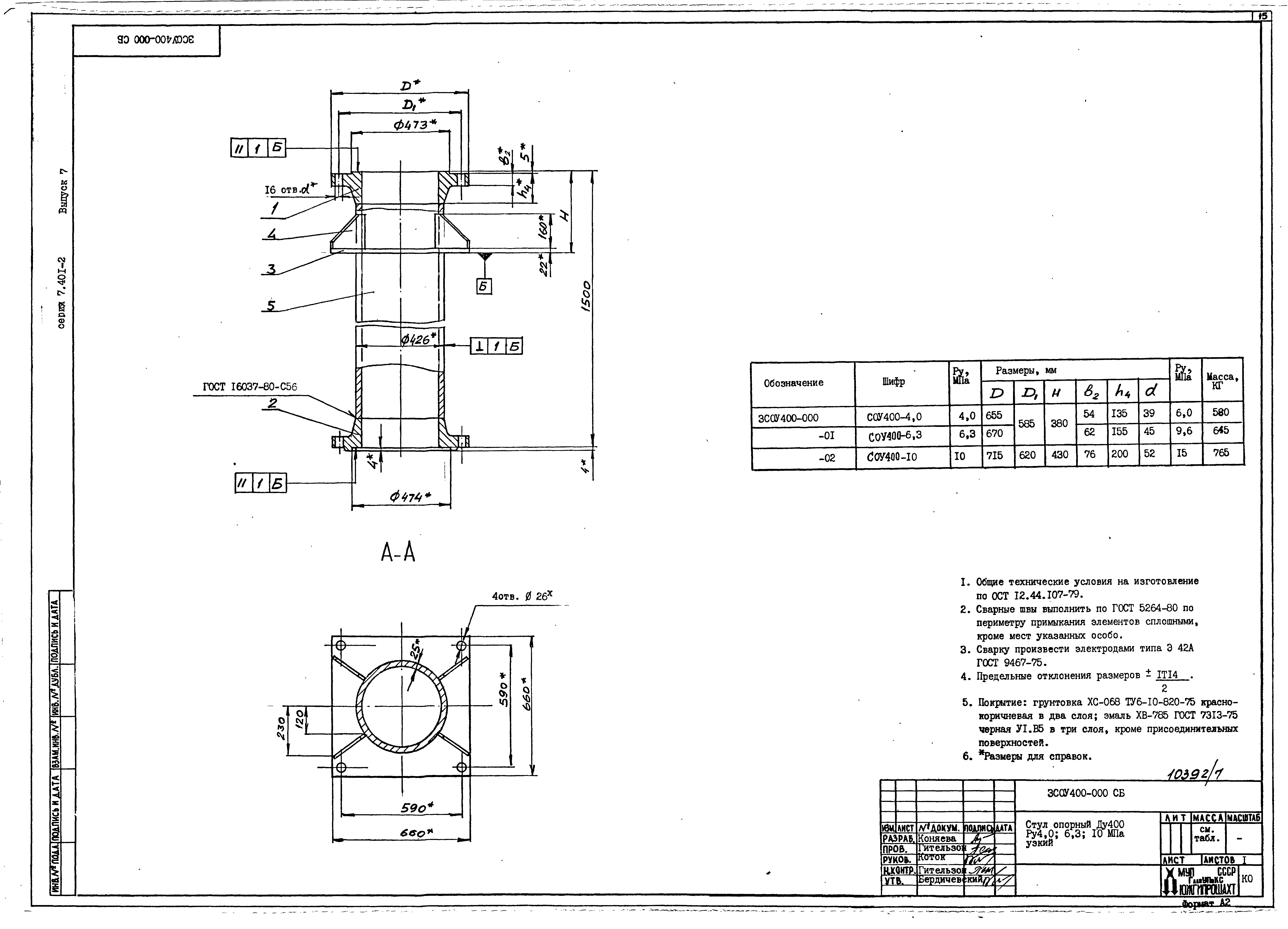
| Оглавление: | Содержание ПЗ Пояснительная записка 1ФС400-000 Фланцы Ду400 стальные свободные на приварном кольце 3ФС400-000 Фланцы Ду400 с выступом или впадиной свободные на приварном бурте ФП400-001 Фланцы Ду400 с выступом или впадиной стальные приварные встык 1СОУ400-000 Стул опорный Ду400 Ру 1,0; 1,6; 2,5 МПа, узкий 3СОУ400-000 Стул опорный Ду400 Ру 4,0; 6,3; 10 МПа, узкий 1СОШ400-000 Стул опорный Ду400 Ру 1,0; 1,6; 2,5 МПа, широкий 3СОШ400-000 Стул опорный Ду400 Ру 4,0; 16,3; 10 МПа, широкий 1КО400-000 Колено опорное Ду400 Ру 1,0; 1,6; 2,5 МПа 3КО400-000 Колено опорное Ду400 Ру 4,0; 6,3 МПа 4КО400-000 Колено опорное Ду400 Ру 10 МПа 1К400-000 Компенсатор Ду400 Ру 1,0; 1,6; 2,5 МПа 3К400-000 Компенсатор Ду400 Ру 4,0; 6,3; 10 МПа ХРК400-000 Хомут ХРК 400 ХРКК400-000 Хомут ХРКК 400 ХРД400-000 Хомут ХРД 400 ХРДК400-000 Хомут ХРДК 400 ХБ400-000 Хомут ХБ 400 ХБК400-000 Хомут ХБК 400 ХТШ400-000 Хомут ХТШ 400 ХТШК400-000 Хомут ХТШК 400 ОГ400-000 Опора ОГ 400 ОН400-000 Опора ОН 400 |
| Разработан: | Южгипрошахт Минуглепрома СССР |
| Утверждён: | 25.10.1990 Минуглепром СССР (USSR Minugleprom 3-35-18/1079) |
| Издан: | Госстрой СССР (1991 г. ) |
| Расположен в: | |
| Заменяет собой: |
|



























































