| ||||||||||||||||||||||||||
Скачать Серия 3.702-1/79 Выпуск 3. Сборные железобетонные конструкции днищ и перекрытий. Рабочие чертежиДата актуализации: 10.08.2017
|
| Обозначение: | Серия 3.702-1/79 |
| Обозначение англ: | Series 3.702-1/79 |
| Статус: | не действует |
| Название рус.: | Выпуск 3. Сборные железобетонные конструкции днищ и перекрытий. Рабочие чертежи |
| Дата добавления в базу: | 01.09.2013 |
| Дата актуализации: | 05.05.2017 |
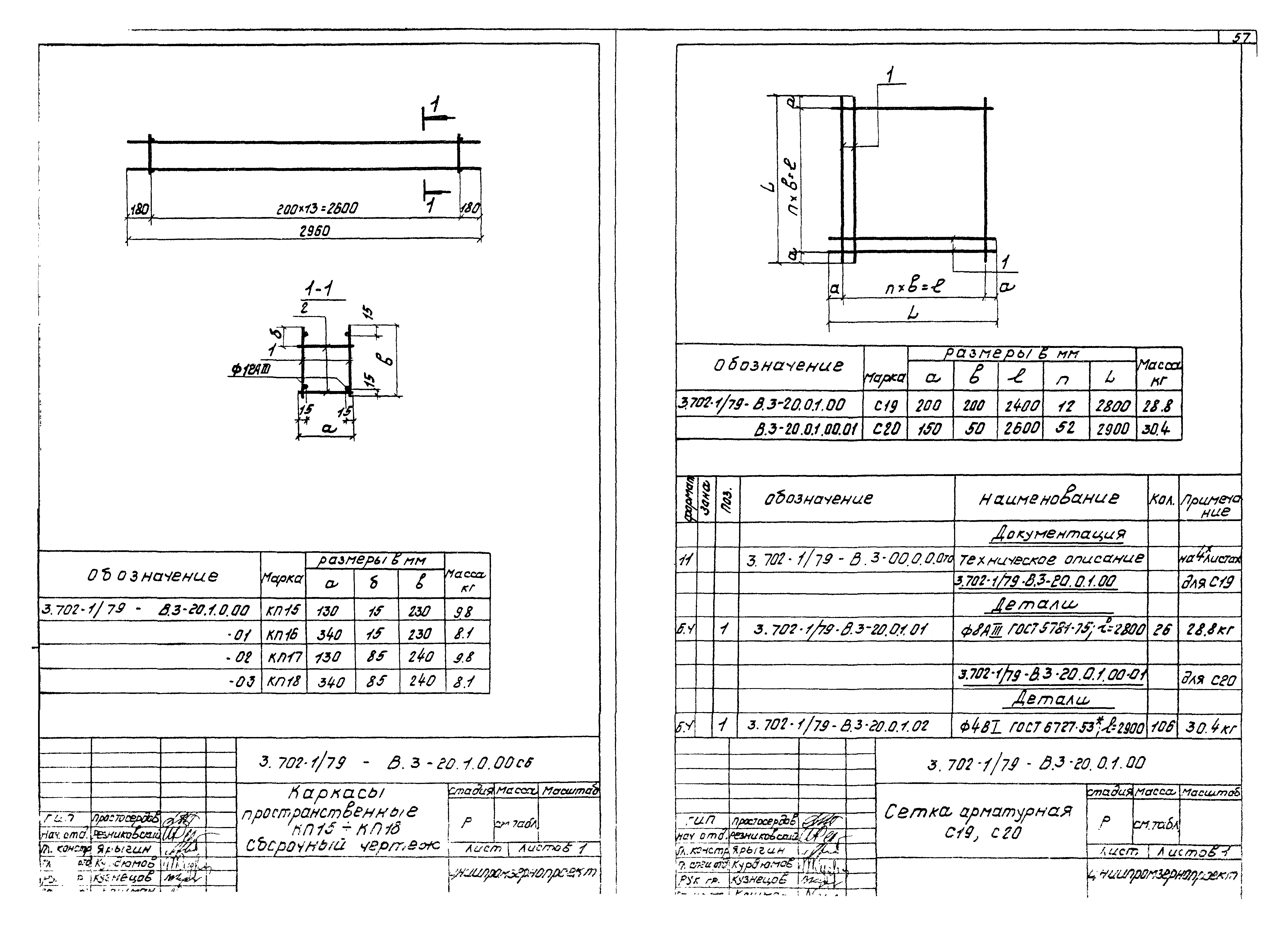
| Оглавление: | 3.702-1/79-В.3-00.0.0.0 ДО Содержание 3.702-1/79-В.3-00.0.0.0 ТО Техническое описание 3.702-1/79-В.3-07.0.0.00 Капитель железобетонная КАП1, КАП2 3.702-1/79-В.3-07.0.0.00 СБ Капитель железобетонная КАП1, КАП2. Сборочный чертеж 3.702-1/79-В.3-07.1.0.00 Каркас пространственный КП1, КП2 3.702-1/79-В.3-07.1.0.00 СБ Каркас пространственный КП1, КП2. Сборочный чертеж 3.702-1/79-В.3-07.1.1.00 Каркас плоский КР1, КР2 3.702-1/79-В.3-07.1.2.00 Каркас плоский КР3, КР4 3.702-1/79-В.3-08.0.0.00 Днище железобетонное Д1 3.702-1/79-В.3-08.0.0.01 Отдельный стержень 3.702-1/79-В.3-09.0.0.00 Днище железобетонное Д2 3.702-1/79-В.3-09.0.0.00 СБ Днище железобетонное Д2. Сборочный чертеж 3.702-1/79-В.3-09.1.0.00 Каркас пространственный КП3 3.702-1/79-В.3-09.1.0.00 СБ Каркас пространственный КП3. Сборочный чертеж 3.702-1/79-В.3-09.1.1.00 Сетка арматурная С1 3.702-1/79-В.3-09.1.2.00 Сетка арматурная С2 3.702-1/79-В.3-09.1.3.00 Сетка арматурная гнутая С3 3.702-1/79-В.3-10.0.0.00 Днище железобетонное Д3 3.702-1/79-В.3-10.0.0.00 СБ Днище железобетонное Д3. Сборочный чертеж 3.702-1/79-В.3-10.0.1.00 Каркас плоский КР5 3.702-1/79-В.3-10.0.2.00 Каркас плоский КР6 - КР14 3.702-1/79-В.3-10.0.2.00 СБ Каркас плоский КР6 - КР14. Сборочный чертеж 3.702-1/79-В.3-10.0.3.00 Сетка арматурная гнутая С4 3.702-1/79-В.3-10.0.4.00 Сетка арматурная С5 3.702-1/79-В.3-10.0.5.00 Сетка арматурная гнутая С6 3.702-1/79-В.3-11.0.0.00 Днище железобетонное Д4 3.702-1/79-В.3-11.0.0.00 СБ Днище железобетонное Д4. Сборочный чертеж 3.702-1/79-В.3-11.1.0.00 Каркас пространственный КП4 3.702-1/79-В.3-11.1.0.00 СБ Каркас пространственный КП4. Сборочный чертеж 3.702-1/79-В.3-11.1.1.00 Сетка арматурная гнутая С7 3.702-1/79-В.3-12.0.0.00 Днище железобетонное Д5 3.702-1/79-В.3-12.0.0.00 СБ Днище железобетонное Д5. Сборочный чертеж 3.702-1/79-В.3-12.1.0.00 Каркас пространственный КП5 3.702-1/79-В.3-12.1.0.00 СБ Каркас пространственный КП5. Сборочный чертеж 3.702-1/79-В.3-12.1.1.00 Сетка арматурная гнутая С8 3.702-1/79-В.3-13.0.0.00 Элемент железобетонный Д6 3.702-1/79-В.3-13.0.0.00 СБ Элемент железобетонный Д6. Сборочный чертеж 3.702-1/79-В.3-13.1.0.00 Каркас пространственный КП6 3.702-1/79-В.3-13.1.0.00 СБ Каркас пространственный КП6. Сборочный чертеж 3.702-1/79-В.3-13.1.1.00 Каркас плоский КР15 3.702-1/79-В.3-14.0.0.00 Элемент железобетонный Дт7 3.702-1/79-В.3-14.0.0.00 СБ Элемент железобетонный Дт7. Сборочный чертеж 3.702-1/79-В.3-14.1.0.00 Каркас пространственный КП7 3.702-1/79-В.3-14.1.0.00 СБ Каркас пространственный КП7. Сборочный чертеж 3.702-1/79-В.3-14.1.1.00 Сетка арматурная гнутая С9 3.702-1/79-В.3-15.0.0.00 Воронка железобетонная В1 3.702-1/79-В.3-15.0.0.00 СБ Воронка железобетонная В1. Сборочный чертеж 3.702-1/79-В.3-15.1.0.00 Каркас пространственный КП8 3.702-1/79-В.3-15.1.0.00 СБ Каркас пространственный КП8. Сборочный чертеж 3.702-1/79-В.3-15.1.1.00 Каркас пространственный КП9 3.702-1/79-В.3-15.1.1.00 СБ Каркас пространственный КП9. Сборочный чертеж 3.702-1/79-В.3-15.1.2.00 Каркас пространственный КП10, КП14 3.702-1/79-В.3-15.1.3.00 Каркас пространственный КП11 3.702-1/79-В.3-15.1.4.00 Сетка арматурная С10 3.702-1/79-В.3-15.1.1.01 Отдельный стержень 3.702-1/79-В.3-15.1.2.02 Отдельный стержень 3.702-1/79-В.3-16.0.0.00 Воронка железобетонная Вт2 3.702-1/79-В.3-16.0.0.00 СБ Воронка железобетонная Вт2. Сборочный чертеж 3.702-1/79-В.3-16.1.0.00 Каркас пространственный КП12 3.702-1/79-В.3-16.1.0.00 СБ Каркас пространственный КП12. Сборочный чертеж 3.702-1/79-В.3-16.1.1.00 Сетка арматурная гнутая С11, С12 3.702-1/79-В.3-16.1.2.00 Сетка арматурная гнутая С13, С14 3.702-1/79-В.3-15.1.3.01 Отдельный стержень 3.702-1/79-В.3-17.0.0.00 Воронка железобетонная Вту2 3.702-1/79-В.3-17.0.0.00 СБ Воронка железобетонная Вту2. Сборочный чертеж 3.702-1/79-В.3-17.1.0.00 Каркас пространственный КП13 3.702-1/79-В.3-17.1.0.00 СБ Каркас пространственный КП13. Сборочный чертеж 3.702-1/79-В.3-18.0.0.00 Плита железобетонная ПП1 3.702-1/79-В.3-18.0.0.00 СБ Плита железобетонная ПП1. Сборочный чертеж 3.702-1/79-В.3-18.0.1.00 Каркас плоский КР16 3.702-1/79-В.3-18.0.2.00 Сетка арматурная С15, С16 3.702-1/79-В.3-19.0.0.00 Плита железобетонная ПП2 3.702-1/79-В.3-19.0.0.00 СБ Плита железобетонная ПП2. Сборочный чертеж 3.702-1/79-В.3-19.0.1.00 Каркас плоский КР17 3.702-1/79-В.3-19.0.2.00 Сетка арматурная С17 3.702-1/79-В.3-19.0.3.00 Сетка арматурная гнутая С18 3.702-1/79-В.3-20.0.0.00 Плита надсилосная ПН1 3.702-1/79-В.3-20.0.0.00 СБ Плита надсилосная ПН1. Сборочный чертеж 3.702-1/79-В.3-20.1.0.00 Каркас пространственный КП15 - КП-18 3.702-1/79-В.3-20.1.0.00 СБ Каркас пространственный КП15 - КП-18. Сборочный чертеж 3.702-1/79-В.3-20.0.1.00 Сетка арматурная С19, С20 3.702-1/79-В.3-20.0.2.00 Сетка арматурная гнутая С21, С22 3.702-1/79-В.3-21.0.0.00 Плита надсилосная ПН2 3.702-1/79-В.3-21.0.0.00 СБ Плита надсилосная ПН2. Сборочный чертеж 3.702-1/79-В.3-21.0.1.00 Сетка арматурная гнутая С23 - С25 3.702-1/79-В.3-21.0.1.00 СБ Сетка арматурная гнутая С23 - С25. Сборочный чертеж 3.702-1/79-В.3-22.0.0.00 Плита надсилосная ПНм1 3.702-1/79-В.3-22.0.0.00 СБ Плита надсилосная ПНм1. Сборочный чертеж 3.702-1/79-В.3-23.0.0.00 Плита надсилосная ПНм2 3.702-1/79-В.3-23.0.0.00 СБ Плита надсилосная ПНм2. Сборочный чертеж 3.702-1/79-В.3-24.0.0.00 Плита надсилосная ПНт2 3.702-1/79-В.3-24.0.0.00 СБ Плита надсилосная ПНт2. Сборочный чертеж 3.702-1/79-В.3-24.1.0.00 Каркас пространственный КП19, КП20 3.702-1/79-В.3-24.1.1.00 Каркас плоский КР18, КР19 3.702-1/79-В.3-24.1.1.00 СБ Каркас плоский КР18, КР19. Сборочный чертеж 3.702-1/79-В.3-24.2.0.00 Каркас пространственный КП21, КП22 3.702-1/79-В.3-24.2.1.00 Каркас плоский КР20, КР21 3.702-1/79-В.3-25.0.0.00 Плита надсилосная ПНту2 3.702-1/79-В.3-25.0.0.00 СБ Плита надсилосная ПНту2. Сборочный чертеж 3.702-1/79-В.3-34.0.0.00 Плита покрытия с карнизом ПАIII-В/1,5х6 - 5к 3.702-1/79-В.3-34.0.0.00 СБ Плита покрытия с карнизом ПАIII-В/1,5х6 - 5к. Сборочный чертеж 3.702-1/79-В.3-34.0.1.00 Каркас пространственный КП23 3.702-1/79-В.3-34.0.2.00 Сетка арматурная С26, С27 |
| Разработан: | НИИЖБ ЦНИИпромзернопроект |
| Утверждён: | 18.03.1981 Госстрой СССР (Государственный комитет Совета Министров СССР по делам строительства) (USSR Gosstroy 37) |
| Расположен в: | |
| Чем заменён: |





































































