Информационная система
«Ёшкин Кот»

Скачать базу одним архивом
Скачать обновления
История создания базы
Карта сайта

Скачать Типовой проект 282-1-163.84 Альбом II. Отопление и вентиляция. Водопровод и канализация. Электроосвещение и силовое электрооборудование. Автоматизация устройств инженерного оборудования. Связь и сигнализация

Дата актуализации: 10.08.2017

Типовой проект 282-1-163.84

Альбом II. Отопление и вентиляция. Водопровод и канализация. Электроосвещение и силовое электрооборудование. Автоматизация устройств инженерного оборудования. Связь и сигнализация

Обозначение: Типовой проект 282-1-163.84
Обозначение англ: 282-1-163.84
Статус:не определен законодательством
Название рус.:Альбом II. Отопление и вентиляция. Водопровод и канализация. Электроосвещение и силовое электрооборудование. Автоматизация устройств инженерного оборудования. Связь и сигнализация
Дата добавления в базу:01.09.2013
Дата актуализации:05.05.2017
Дата введения:11.04.1985
Оглавление:Чертежи основного комплекта марки ОВ
   Общие данные
   План техподполья
   План 1 этажа в осях 1 - 4
   План 1 этажа в осях 4 - 11
   План 2 этажа в осях 1 - 4
   План 2 этажа в осях 4 - 11
   Схема системы отопления
   Схемы систем вентиляции П1 - П4, В1 - В6
   Установки систем П1, В1, В2
   Установки систем П2, В3, В4
   Установки систем П3, В5
   Установки систем П4, В6
   Узел управления. Схема системы теплоснабжения установок П1 - П4
Эскизные чертежи общих видов нетиповых конструкций систем отопления и вентиляции ОВН
   Ведомость чертежей
   Тепловая изоляция трубопроводов
Чертежи основного комплекта марки ВК
   Общие данные
   План технического подполья в осях А - Г, 2 - 10 систем В1, Т3, К1, К2, К3
   Планы 1 и 2 этажей в осях А - Г и 1 - 4 систем В1, Т3, К1, К2, К3
   Планы 1 и 2 этажей в осях А - Г и 4 - 7 систем В1, Т3, К1, К2, К3
   Планы 1 и 2 этажей в осях А - Г и 7 - 11 систем В1, Т3, К1, К2, К3
   Схемы систем В1, Т3
   Схема систем К1, К2, К3
   Вариант применения пластмассовых труб для систем К1, К2, К3, В1 (подводка к унитазу)
Чертежи основного комплекта марки ЭОМ
   Общие данные
   Схемы питающих сетей
   Схема питающих сетей. Схема автоматического отключения вентиляции при пожаре
   Экспликация
   План питающих и осветительных сетей технического подполья
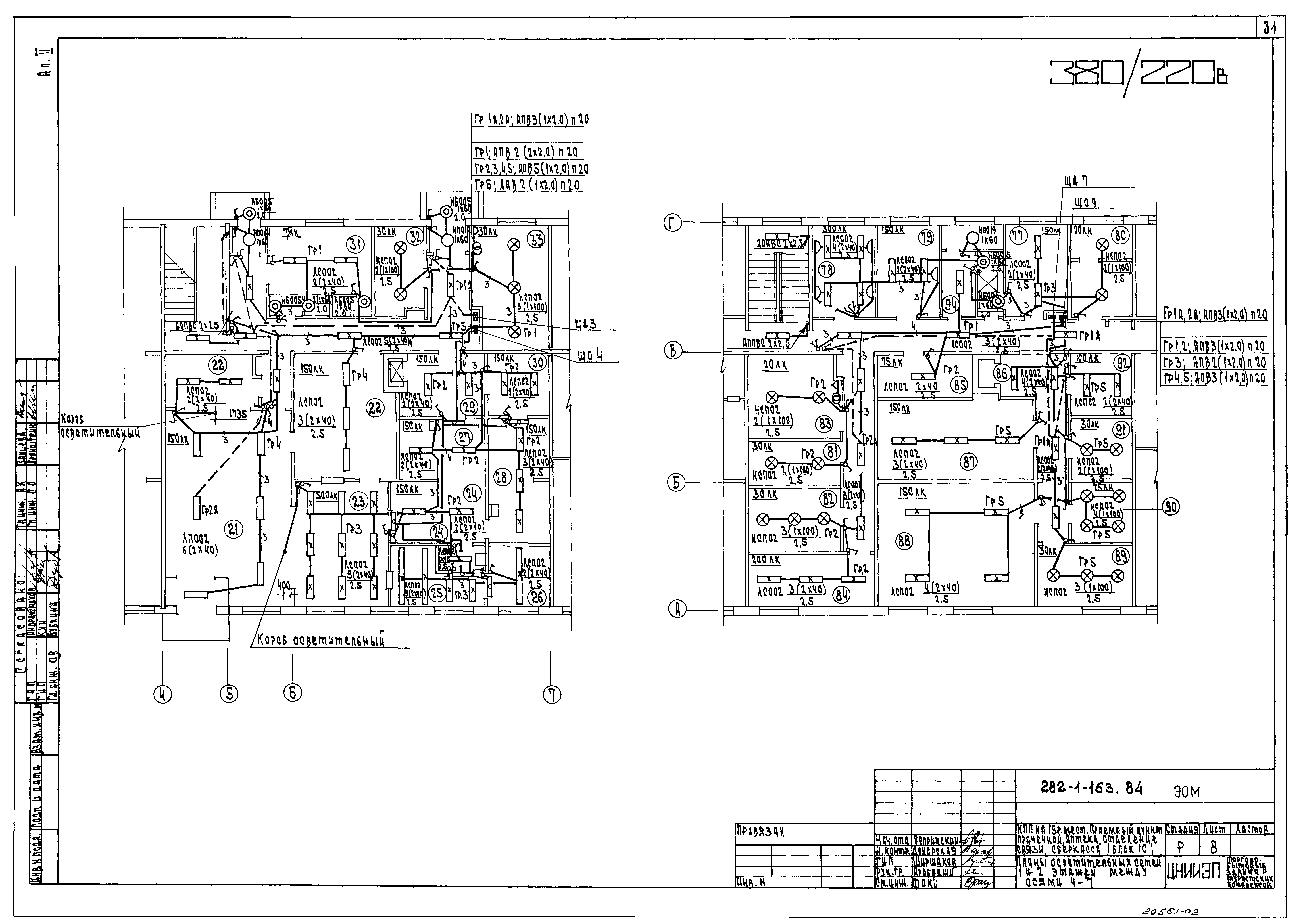
   Планы осветительных сетей 1 и 2 этажей между осями 1 - 4
   Планы осветительных сетей 1 и 2 этажей между осями 4 - 7
   Планы осветительных сетей 1 и 2 этажей между осями 7 - 11
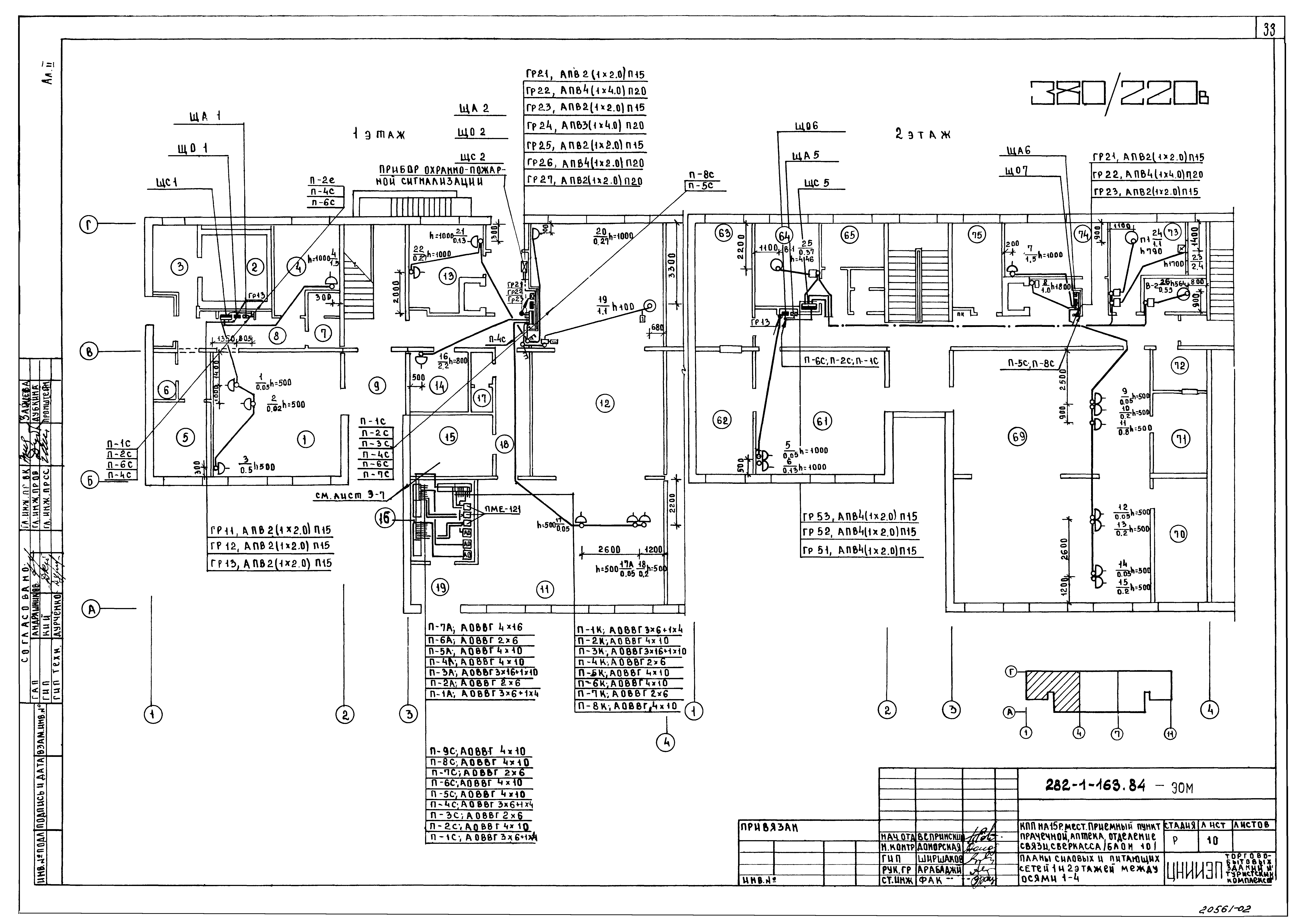
   Планы силовых питающих сетей 1 и 2 этажей между осями 1 - 4
   Планы силовых питающих сетей 1 и 2 этажей между осями 4 - 7
   Планы силовых питающих сетей 1 и 2 этажей между осями 7 - 11
   Расчетная схема ЩС1, 2, 5
   Расчетная схема ЩС3, 4
   Расчетная схема ЩС6, 7, 8
   Опросные листы
Чертежи основного комплекта марки АУ
   Общие данные
   Приточные системы П1 - П4. Схемы функциональная и электрическая принципиальная
   Приточные системы П1 - П4. Схема соединений внешних проводок
   Приточные системы П1 - П4. План расположения
Чертежи основного комплекта марки СС
   Общие данные
   Схемы радиофикации и электрочасофикации
   Связь и сигнализация. План технического подполья. Схемы городской телефонной связи и телевидения
   Связь и сигнализация. План 1 этажа в осях 1 - 4
   Связь и сигнализация. План 1 этажа в осях 4 - 7
   Связь и сигнализация. План 1 этажа в осях 7 - 11
   Связь и сигнализация. План 2 этажа в осях 1 - 4
   Связь и сигнализация. План 2 этажа в осях 4 - 7
   Связь и сигнализация. План 2 этажа в осях 7 - 11
   Охранно-пожарная сигнализация. Схемы
   Охранно-пожарная сигнализация. План технического подполья. Схемы блокировки дверей и окон
   Охранно-пожарная сигнализация. План 1 этажа в осях 1 - 4
   Охранно-пожарная сигнализация. План 1 этажа в осях 4 - 7
   Охранно-пожарная сигнализация. План 1 этажа в осях 7 - 11
   Охранно-пожарная сигнализация. План 2 этажа в осях 1 - 4
   Охранно-пожарная сигнализация. План 2 этажа в осях 4 - 7
   Охранно-пожарная сигнализация. План 2 этажа в осях 7 - 11
   Узлы скрытой проводки
Разработан: ЦНИИЭП торгово-бытовых зданий и туристских комплексов
Утверждён:30.01.1981 Госгражданстрой (Gosgrazhdanstroy 38)
Расположен в:Техническая документация Строительство Справочные документы Типовые строительные конструкции, изделия и узлы Общероссийский строительный каталог Общественные здания в городах и поселках городского типа Предприятия бытового обслуживания населения и коммунального хозяйства Дома быта, комбинаты бытового обслуживания, комплексные приемные пункты, ателье
Типовой проект 282-1-163.84Типовой проект 282-1-163.84Типовой проект 282-1-163.84Типовой проект 282-1-163.84Типовой проект 282-1-163.84Типовой проект 282-1-163.84Типовой проект 282-1-163.84Типовой проект 282-1-163.84Типовой проект 282-1-163.84Типовой проект 282-1-163.84Типовой проект 282-1-163.84Типовой проект 282-1-163.84Типовой проект 282-1-163.84Типовой проект 282-1-163.84Типовой проект 282-1-163.84Типовой проект 282-1-163.84Типовой проект 282-1-163.84Типовой проект 282-1-163.84Типовой проект 282-1-163.84Типовой проект 282-1-163.84Типовой проект 282-1-163.84Типовой проект 282-1-163.84Типовой проект 282-1-163.84Типовой проект 282-1-163.84Типовой проект 282-1-163.84Типовой проект 282-1-163.84Типовой проект 282-1-163.84Типовой проект 282-1-163.84Типовой проект 282-1-163.84Типовой проект 282-1-163.84Типовой проект 282-1-163.84Типовой проект 282-1-163.84Типовой проект 282-1-163.84Типовой проект 282-1-163.84Типовой проект 282-1-163.84Типовой проект 282-1-163.84Типовой проект 282-1-163.84Типовой проект 282-1-163.84Типовой проект 282-1-163.84Типовой проект 282-1-163.84Типовой проект 282-1-163.84Типовой проект 282-1-163.84Типовой проект 282-1-163.84Типовой проект 282-1-163.84Типовой проект 282-1-163.84Типовой проект 282-1-163.84Типовой проект 282-1-163.84Типовой проект 282-1-163.84Типовой проект 282-1-163.84Типовой проект 282-1-163.84Типовой проект 282-1-163.84Типовой проект 282-1-163.84Типовой проект 282-1-163.84Типовой проект 282-1-163.84Типовой проект 282-1-163.84Типовой проект 282-1-163.84Типовой проект 282-1-163.84Типовой проект 282-1-163.84Типовой проект 282-1-163.84Типовой проект 282-1-163.84Типовой проект 282-1-163.84Типовой проект 282-1-163.84Типовой проект 282-1-163.84Типовой проект 282-1-163.84

© 2013 Ёшкин Кот :-) Карта сайта