| ||||||||||||||||||||||
Скачать Серия 7.504.1-23 Выпуск 0. Материалы для проектированияДата актуализации: 10.08.2017
|
| Обозначение: | Серия 7.504.1-23 |
| Обозначение англ: | Series 7.504.1-23 |
| Статус: | не действует |
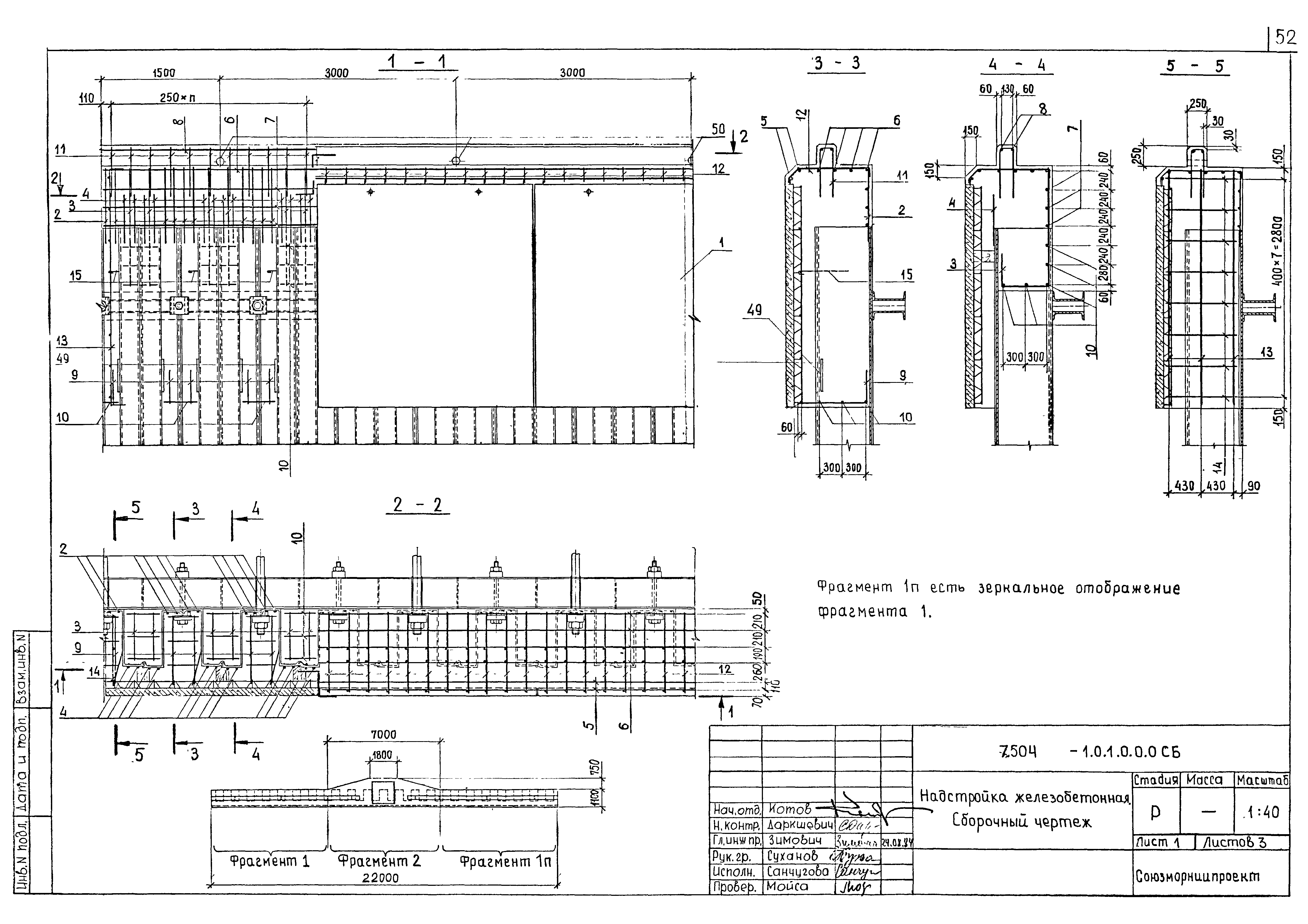
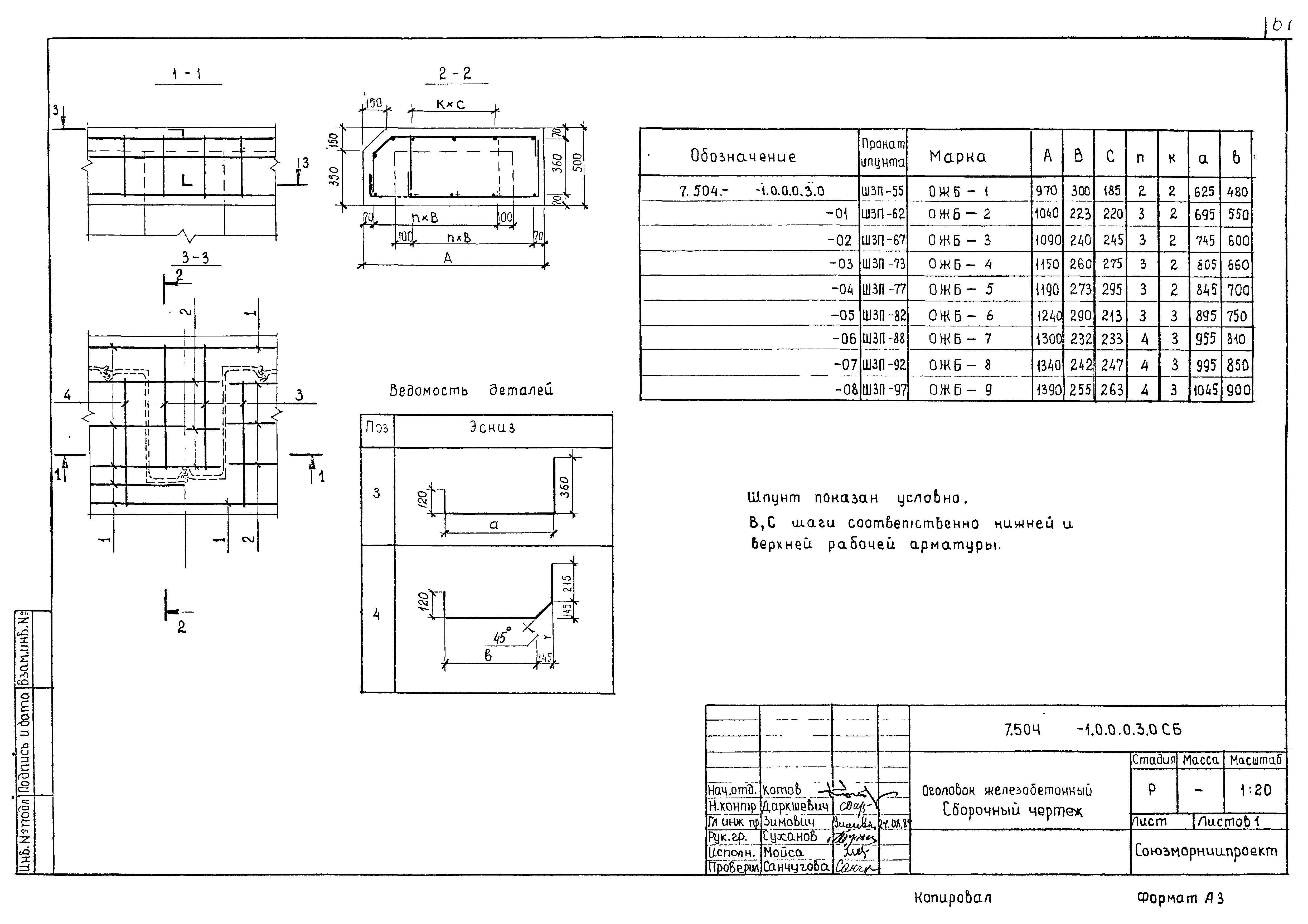
| Название рус.: | Выпуск 0. Материалы для проектирования |
| Дата добавления в базу: | 01.09.2013 |
| Дата актуализации: | 05.05.2017 |
| Разработан: | СоюзморНИИпроект |
| Утверждён: | Союзморниипроект (Soyuzmorniiproject ) |
| Расположен в: |











































































