Скачать Типовой проект 810-99 Альбом VIII. Блочные теплицы и соединительный коридор. Бытовые и вспомогательные помещения. Котельная. Чертежи по автоматизации производства (вариант с теплоснабжением от собственной котельной)Дата актуализации: 10.08.2017 Типовой проект 810-99
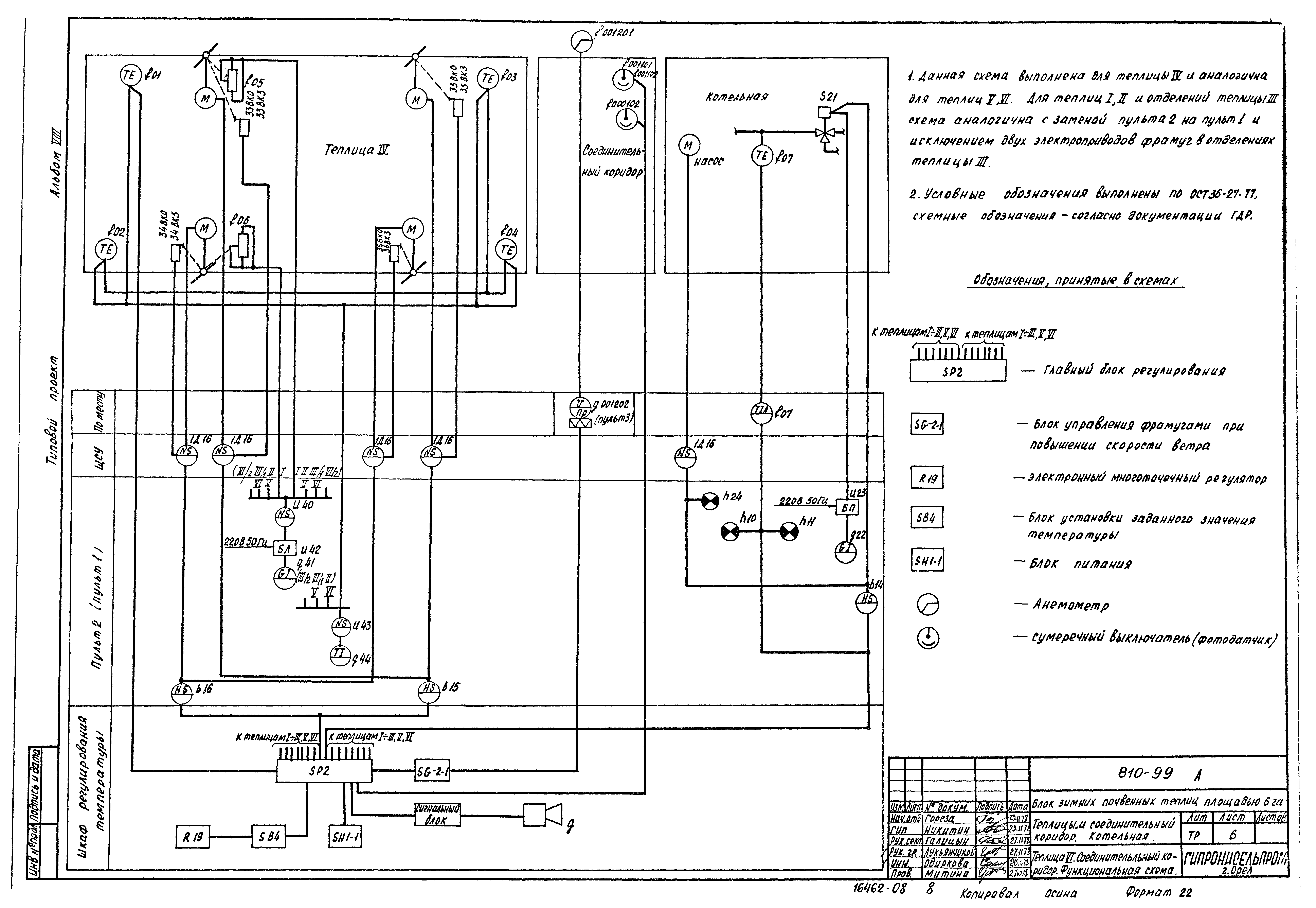
Альбом VIII. Блочные теплицы и соединительный коридор. Бытовые и вспомогательные помещения. Котельная. Чертежи по автоматизации производства (вариант с теплоснабжением от собственной котельной)Обозначение: | Типовой проект 810-99 | Обозначение англ: | 810-99 | Статус: | действует | Название рус.: | Альбом VIII. Блочные теплицы и соединительный коридор. Бытовые и вспомогательные помещения. Котельная. Чертежи по автоматизации производства (вариант с теплоснабжением от собственной котельной) | Дата добавления в базу: | 01.09.2013 | Дата актуализации: | 05.05.2017 | Дата введения: | 20.01.1980 | Разработан: | Гипронисельпром Главсельстройпроекта Минсельхоза СССР
| Утверждён: | 23.04.1979 Минсельхоз СССР (USSR Minselkhoz 25/54)
| Расположен в: |
|
                                                  
|