| ||||||||||||||||||||||||
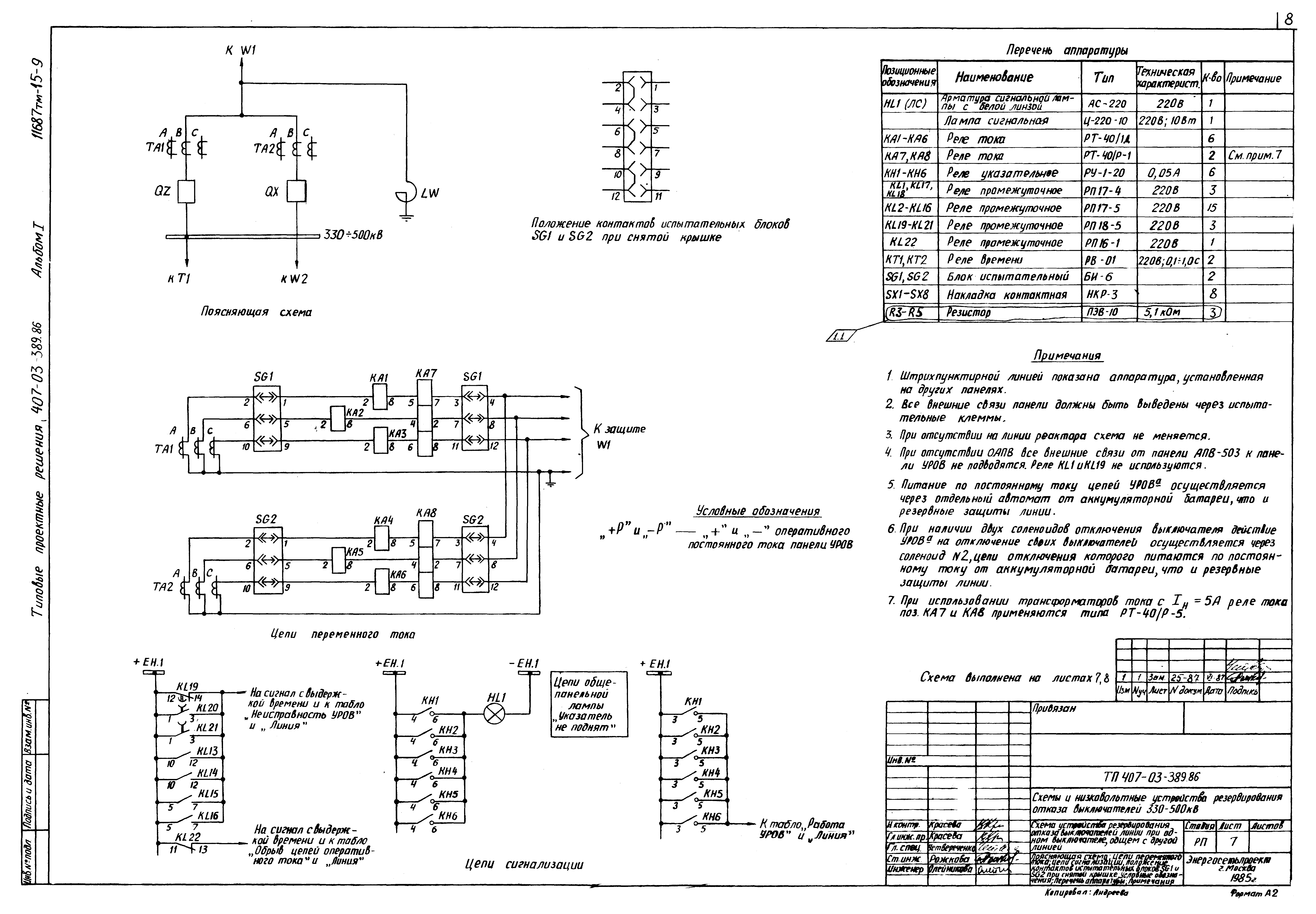
Скачать Типовые проектные решения 407-03-389.86 Альбом I. Принципиальные схемыДата актуализации: 10.08.2017
|
| Обозначение: | Типовые проектные решения 407-03-389.86 |
| Обозначение англ: | 407-03-389.86 |
| Статус: | cправочные материалы, мп, тпр |
| Название рус.: | Альбом I. Принципиальные схемы |
| Дата добавления в базу: | 01.09.2013 |
| Дата актуализации: | 05.05.2017 |
| Дата введения: | 02.12.1985 |
| Разработан: | Энергосетьпроект Минэнерго СССР |
| Утверждён: | 02.12.1985 Минэнерго СССР (USSR Minenergo 29) |
| Расположен в: |











