Скачать Руководство по пропуску подвижного состава по железнодорожным мостамДата актуализации: 10.08.2017
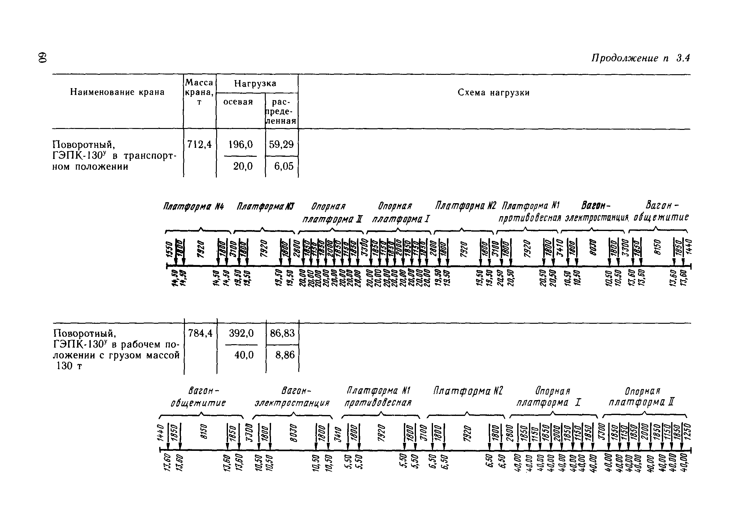
Руководство по пропуску подвижного состава по железнодорожным мостамСтатус: | действует | Название рус.: | Руководство по пропуску подвижного состава по железнодорожным мостам | Дата добавления в базу: | 01.09.2013 | Дата актуализации: | 05.05.2017 | Область применения: | Приведены основные характеристики и результаты классификации (классы) обращающихся и перспективных локомотивов, вагонов, транспортеров, железнодорожных кранов и, кроме того, категории грузоподъемности мостов, обеспечивающих их пропуск. | Оглавление: | 1. Общие положения 2. Определение условий пропуска поездных нагрузок 3. Характеристики подвижного состава сети железных дорог нашей страны 3.1. Локомотивы 3.2. Вагоны 3.3. Транспортеры 3.4. Консольные железнодорожные краны 4. Классификация нагрузок 4.1. Эквивалентные нагрузки и классы сплоток электровозов, тепловозов, паровозов 4.2. Эквивалентные нагрузки и классы обращающихся и перспективных вагонов 4.3. Эквивалентные нагрузки и классы транспортеров 4.4. Эквивалентные нагрузки и классы железнодорожных консольных кранов Приложение 1. Примеры классификации подвижного состава и определения условий пропуска его по металлическим пролетным строениям железнодорожных мостов Приложение 2. Определение эквивалентной нагрузки от классифицируемого подвижного состава Приложение 3. Динамические коэффициенты, их отношения и эталонная нагрузка от HI 364 Приложение 4. Вагоны «прикрытия» транспортеров Приложение 5. Эквивалентные нагрузки и классы эталонной нагрузки, соответствующие грузоподъемности мостов II-IV категорий Приложение 6. Пример определения допускаемой временной нагрузки на элементы про¬летных строений, имеющих многозначную линию влияния, разделенную одним участком другого знака длиной более 15 м | Разработан: | Научно-исследовательский институт мостов
| Утверждён: | 04.07.1991 Главное управление пути МПС (National Railroad Administration, Ministry of Railroads )
| Издан: | Транспорт (1993 г. )
| Расположен в: |
|
                                                                                                                                                                                                                                                                                                                                                                               
|