Информационная система
«Ёшкин Кот»

Скачать базу одним архивом
Скачать обновления
История создания базы
Карта сайта

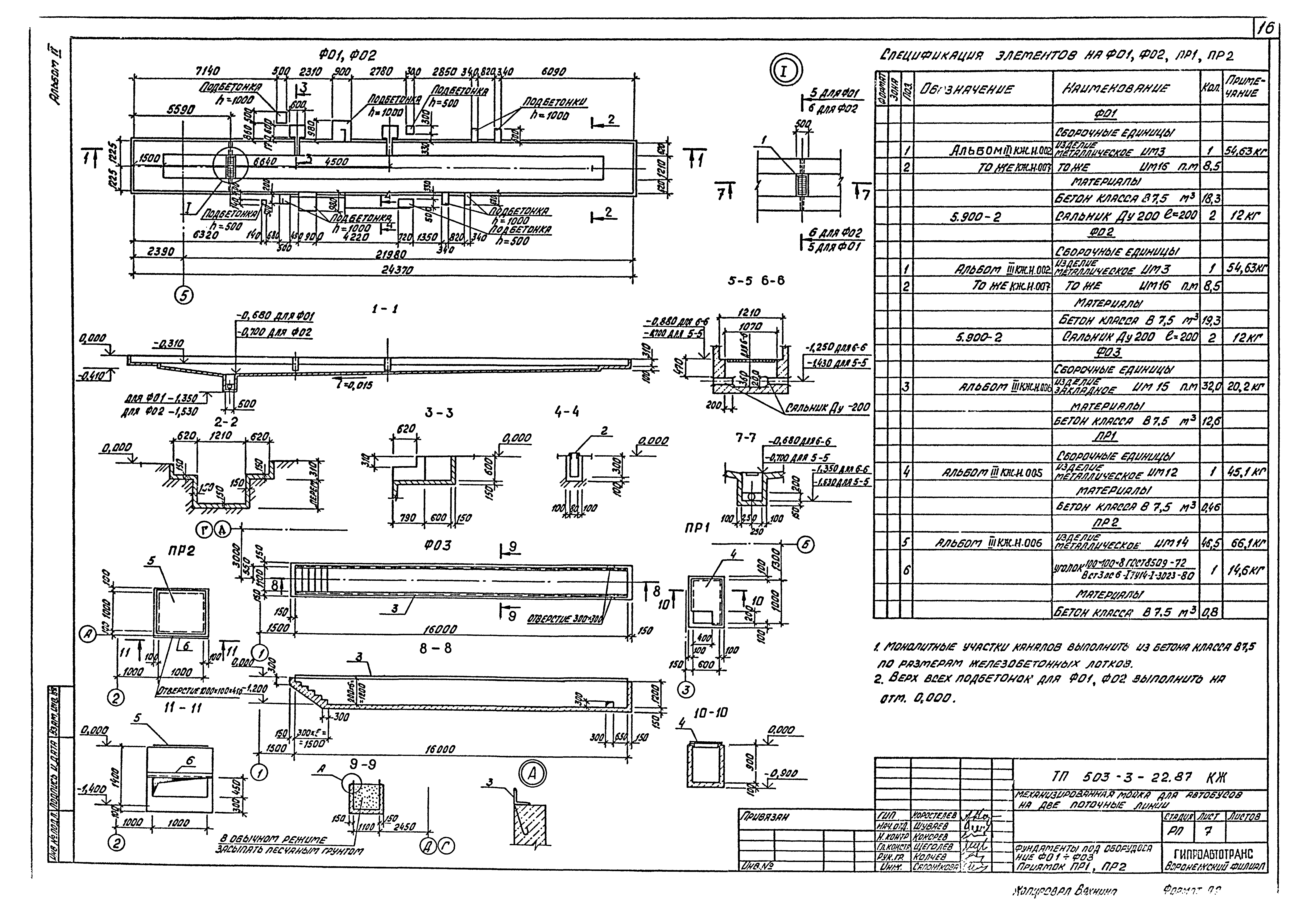
Скачать Типовой проект 503-3-22.87 Альбом II. Архитектурные решения. Конструкции железобетонные. Отопление и вентиляция. Внутренний водопровод и канализация

Дата актуализации: 10.08.2017

Типовой проект 503-3-22.87

Альбом II. Архитектурные решения. Конструкции железобетонные. Отопление и вентиляция. Внутренний водопровод и канализация

Обозначение: Типовой проект 503-3-22.87
Обозначение англ: 503-3-22.87
Статус:не определен законодательством
Название рус.:Альбом II. Архитектурные решения. Конструкции железобетонные. Отопление и вентиляция. Внутренний водопровод и канализация
Дата добавления в базу:01.02.2017
Дата актуализации:05.05.2017
Дата введения:23.12.1987
Разработан: Гипроавтотранс Минавтотранса РСФСР
Утверждён:23.12.1987 Минавтотранс РСФСР (Russian Federation Minavtotrans 22)
Издан: ЦИТП Госстроя СССР (CITP, Gosstroy (USSR) 1989 г. )
Расположен в:Техническая документация Строительство Справочные документы Типовые строительные конструкции, изделия и узлы Общероссийский строительный каталог Промышленные предприятия, здания и сооружения Предприятия, здания и сооружения транспорта Транспорт автомобильный Мойки и профилактории для грузовых и легковых автомобилей и автобусов
Заменяет собой:
Нормативные ссылки:
Типовой проект 503-3-22.87Типовой проект 503-3-22.87Типовой проект 503-3-22.87Типовой проект 503-3-22.87Типовой проект 503-3-22.87Типовой проект 503-3-22.87Типовой проект 503-3-22.87Типовой проект 503-3-22.87Типовой проект 503-3-22.87Типовой проект 503-3-22.87Типовой проект 503-3-22.87Типовой проект 503-3-22.87Типовой проект 503-3-22.87Типовой проект 503-3-22.87Типовой проект 503-3-22.87Типовой проект 503-3-22.87Типовой проект 503-3-22.87Типовой проект 503-3-22.87Типовой проект 503-3-22.87Типовой проект 503-3-22.87Типовой проект 503-3-22.87Типовой проект 503-3-22.87Типовой проект 503-3-22.87Типовой проект 503-3-22.87Типовой проект 503-3-22.87Типовой проект 503-3-22.87Типовой проект 503-3-22.87Типовой проект 503-3-22.87Типовой проект 503-3-22.87Типовой проект 503-3-22.87Типовой проект 503-3-22.87Типовой проект 503-3-22.87Типовой проект 503-3-22.87Типовой проект 503-3-22.87Типовой проект 503-3-22.87Типовой проект 503-3-22.87Типовой проект 503-3-22.87Типовой проект 503-3-22.87Типовой проект 503-3-22.87Типовой проект 503-3-22.87Типовой проект 503-3-22.87Типовой проект 503-3-22.87Типовой проект 503-3-22.87Типовой проект 503-3-22.87Типовой проект 503-3-22.87Типовой проект 503-3-22.87Типовой проект 503-3-22.87Типовой проект 503-3-22.87Типовой проект 503-3-22.87Типовой проект 503-3-22.87Типовой проект 503-3-22.87Типовой проект 503-3-22.87Типовой проект 503-3-22.87

© 2013 Ёшкин Кот :-) Карта сайта