Информационная система
«Ёшкин Кот»

Скачать базу одним архивом
Скачать обновления
История создания базы
Карта сайта

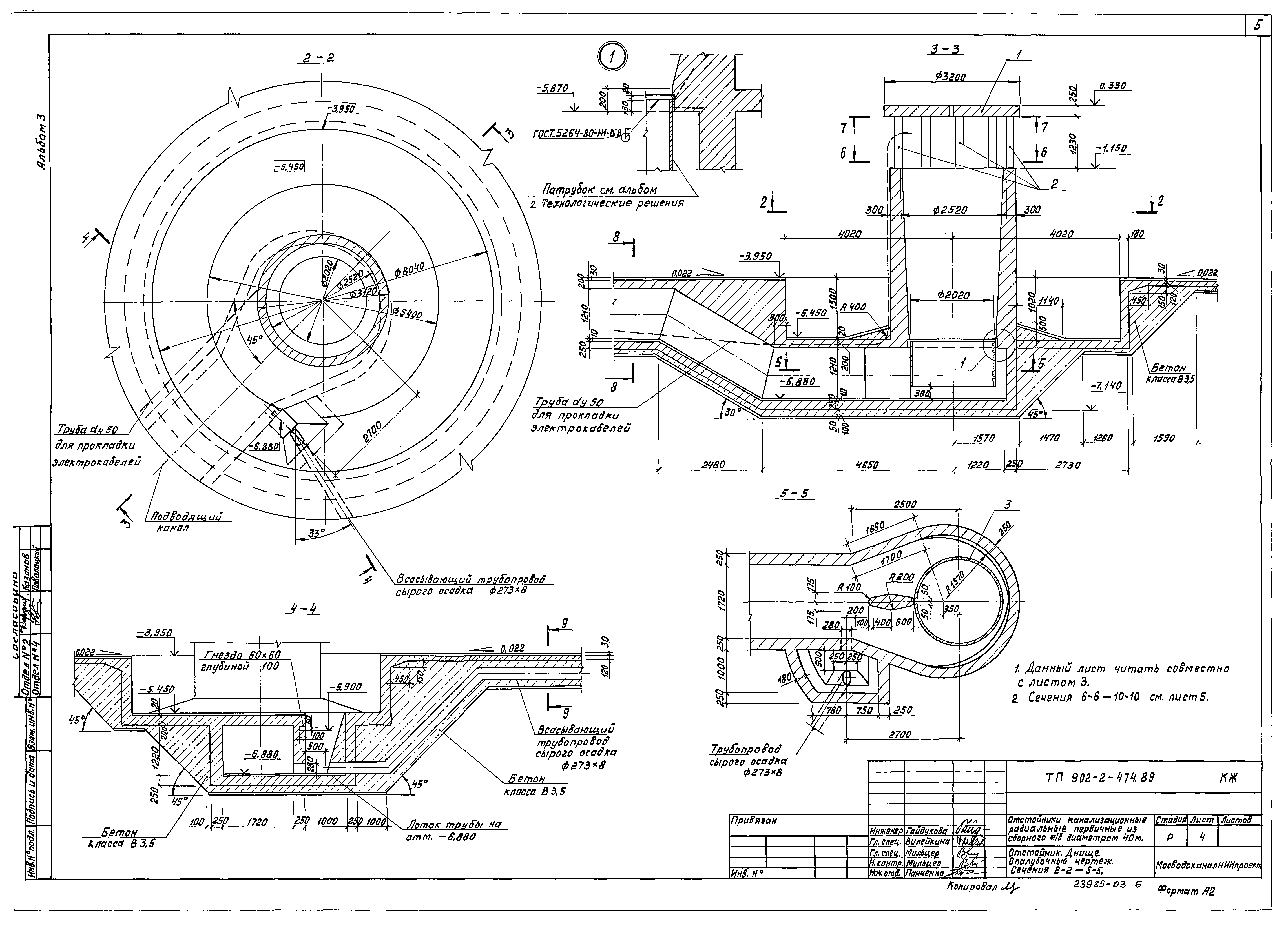
Скачать Типовой проект 902-2-474.89 Альбом 3. Отстойники. Конструкции железобетонные

Дата актуализации: 10.08.2017

Типовой проект 902-2-474.89

Альбом 3. Отстойники. Конструкции железобетонные

Обозначение: Типовой проект 902-2-474.89
Обозначение англ: 902-2-474.89
Статус:не определен законодательством
Название рус.:Альбом 3. Отстойники. Конструкции железобетонные
Дата добавления в базу:01.09.2013
Дата актуализации:05.05.2017
Дата введения:06.09.1989
Разработан: МосводоканалНИИпроект
Утверждён:16.08.1989 Мосгорисполком (Mosgorispolkom 1582)
Расположен в:Техническая документация Строительство Справочные документы Типовые строительные конструкции, изделия и узлы Общероссийский строительный каталог Промышленные предприятия, здания и сооружения Здания и сооружения санитарно-технические Канализация Сооружения механической очистки Отстойники Отстойники радиальные первичные
Типовой проект 902-2-474.89Типовой проект 902-2-474.89Типовой проект 902-2-474.89Типовой проект 902-2-474.89Типовой проект 902-2-474.89Типовой проект 902-2-474.89Типовой проект 902-2-474.89Типовой проект 902-2-474.89Типовой проект 902-2-474.89Типовой проект 902-2-474.89Типовой проект 902-2-474.89Типовой проект 902-2-474.89Типовой проект 902-2-474.89Типовой проект 902-2-474.89Типовой проект 902-2-474.89Типовой проект 902-2-474.89Типовой проект 902-2-474.89Типовой проект 902-2-474.89Типовой проект 902-2-474.89Типовой проект 902-2-474.89Типовой проект 902-2-474.89Типовой проект 902-2-474.89Типовой проект 902-2-474.89Типовой проект 902-2-474.89Типовой проект 902-2-474.89Типовой проект 902-2-474.89

© 2013 Ёшкин Кот :-) Карта сайта