Информационная система
«Ёшкин Кот»

Скачать базу одним архивом
Скачать обновления
История создания базы
Карта сайта

Скачать Типовой проект 274-20-144.85 Альбом II. Изделия железобетонные заводского изготовления. Изделия монолитных железобетонных конструкций. Изделия металлические. Изделия разные

Дата актуализации: 10.08.2017

Типовой проект 274-20-144.85

Альбом II. Изделия железобетонные заводского изготовления. Изделия монолитных железобетонных конструкций. Изделия металлические. Изделия разные

Обозначение: Типовой проект 274-20-144.85
Обозначение англ: 274-20-144.85
Статус:не определен законодательством
Название рус.:Альбом II. Изделия железобетонные заводского изготовления. Изделия монолитных железобетонных конструкций. Изделия металлические. Изделия разные
Дата добавления в базу:01.09.2013
Дата актуализации:05.05.2017
Дата введения:08.10.1985
Оглавление:Содержание альбома
274-20-144.85 АС1.И1.01.00 Колонна 2КД3.33-1,2-1; 2КД3.33-1,2-2; 2КД3.33-1,2-3
274-20-144.85 АС1.И1.02.00 Плита ФПХ-1
274-20-144.85 АС1.И2.01.00 Каркас плоский К-1
274-20-144.85 АС1.И3.01.00 Рама (Р-1, Р-2, Р-3, Р-4, Р-5, Р-6)
274-20-144.85 АС1.И3.02.00 Изделие закладное М3
274-20-144.85 АС1.И3.03.00 Рама (Р-7, Р-8)
274-20-144.85 АС1.И3.04.00 Анкер А-1
274-20-144.85 АС1.И3.05.00 Анкер А-2
274-20-144.85 АС1.И3.06.00 Кронштейн (КР-1, КР-2)
274-20-144.85 АС1.И3.07.00 Крышка КЛ-1
274-20-144.85 АС1.И3.08.00 Анкер АК-1
274-20-144.85 АС1.И3.09.00 Крышка (КЛ-2, КЛ-3, КЛ-4)
274-20-144.85 АС1.И3.10.00 Изделие закладное (М1, М2, М4)
274-20-144.85 АС1.И3.11.00 Стойка СТ-1
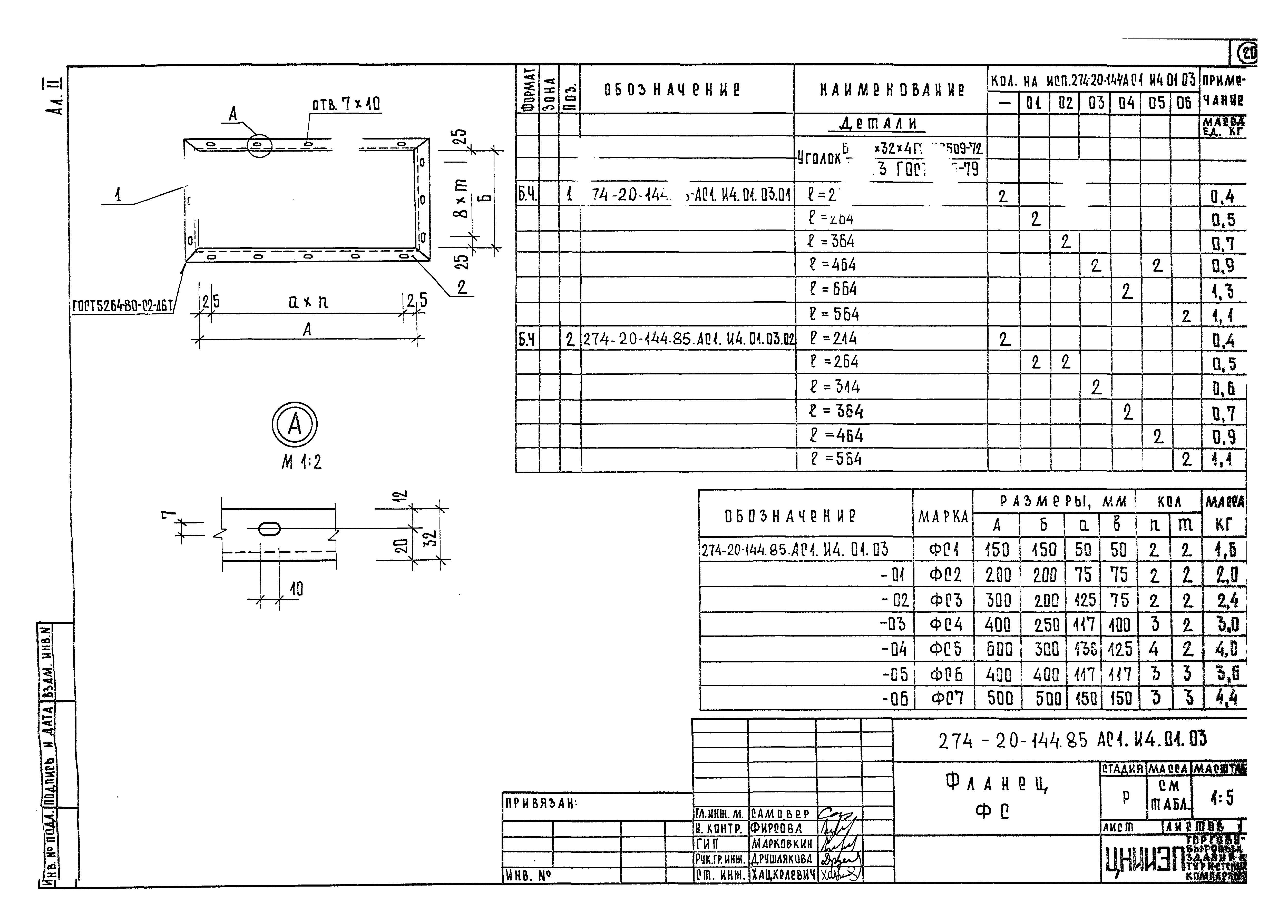
274-20-144.85 АС1.И4.01.00 Звено асбестоцементного воздуховода
Разработан: ЦНИИЭП торгово-бытовых зданий и туристских комплексов
Утверждён:06.03.1968 Госгражданстрой (Gosgrazhdanstroy 43)
Расположен в:Техническая документация Строительство Справочные документы Типовые строительные конструкции, изделия и узлы Общероссийский строительный каталог Общественные здания в городах и поселках городского типа Предприятия торговли и общественного питания. Общественные центры Предприятия общественного питания Столовые
Типовой проект 274-20-144.85Типовой проект 274-20-144.85Типовой проект 274-20-144.85Типовой проект 274-20-144.85Типовой проект 274-20-144.85Типовой проект 274-20-144.85Типовой проект 274-20-144.85Типовой проект 274-20-144.85Типовой проект 274-20-144.85Типовой проект 274-20-144.85Типовой проект 274-20-144.85Типовой проект 274-20-144.85Типовой проект 274-20-144.85Типовой проект 274-20-144.85Типовой проект 274-20-144.85Типовой проект 274-20-144.85Типовой проект 274-20-144.85Типовой проект 274-20-144.85Типовой проект 274-20-144.85Типовой проект 274-20-144.85Типовой проект 274-20-144.85

© 2013 Ёшкин Кот :-) Карта сайта