Скачать Типовой проект 903-2-12 Альбом IV. Генеральный план, инженерные сети. Части: тепломеханическая, архитектурно-строительная, автоматизация, электротехническая, водопровод и канализация, тепловые сетиДата актуализации: 10.08.2017 Типовой проект 903-2-12
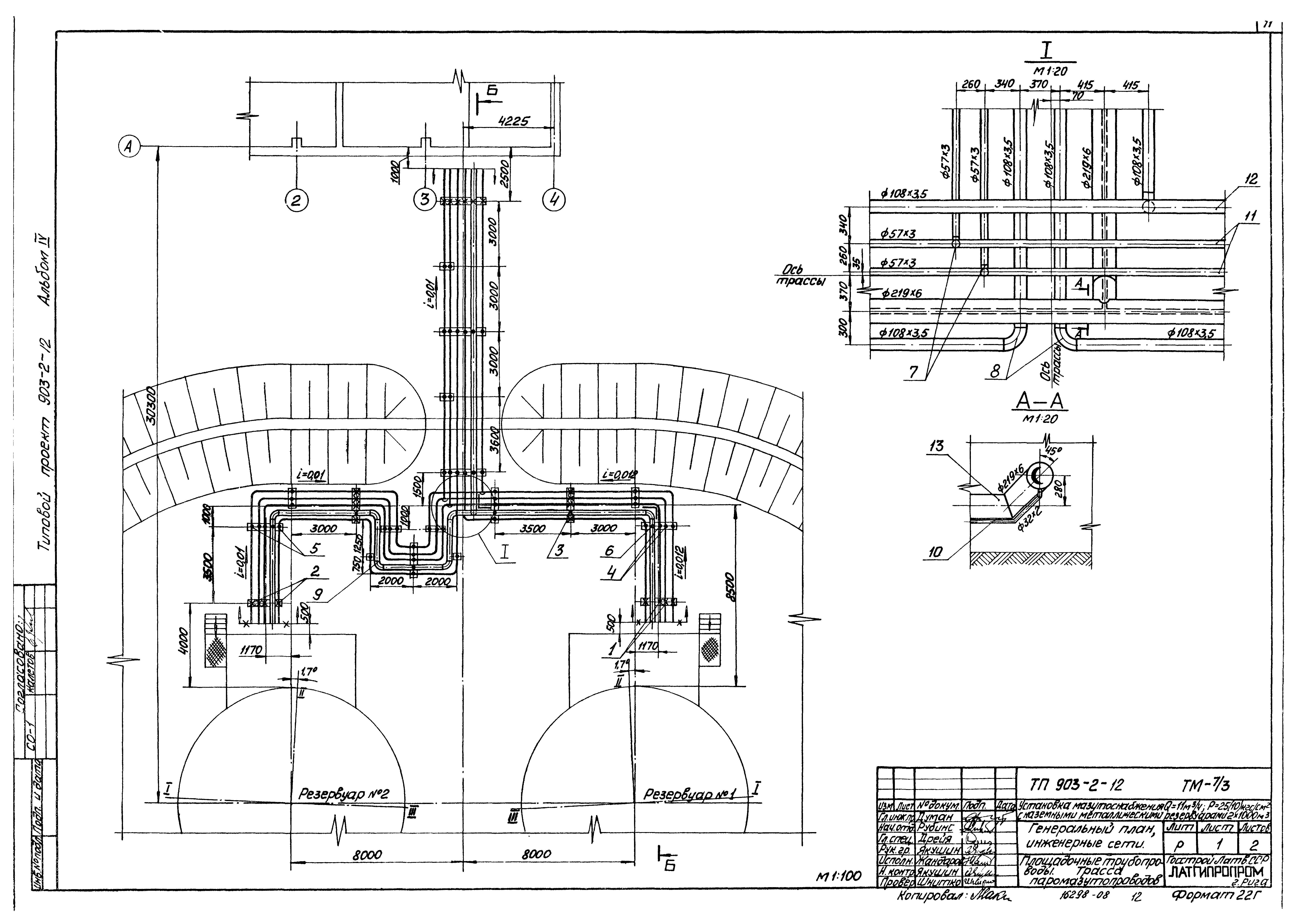
Альбом IV. Генеральный план, инженерные сети. Части: тепломеханическая, архитектурно-строительная, автоматизация, электротехническая, водопровод и канализация, тепловые сетиОбозначение: | Типовой проект 903-2-12 | Обозначение англ: | 903-2-12 | Статус: | действует | Название рус.: | Альбом IV. Генеральный план, инженерные сети. Части: тепломеханическая, архитектурно-строительная, автоматизация, электротехническая, водопровод и канализация, тепловые сети | Дата добавления в базу: | 01.09.2013 | Дата актуализации: | 05.05.2017 | Дата введения: | 08.05.1979 | Оглавление: | Содержание альбома Пояснительная записка Генеральный план ГП-1 Генеральный план Проект организации строительства ПОС-Лист 1 Основные положения по производству строительно-монтажных работ. Пояснительная записка ПОС-Лист 2 Основные положения по производству строительно-монтажных работ. Пояснительная записка. Календарный план строительства ПОС-Лист 3 Основные положения по производству строительно-монтажных работ. Стройгенплан Тепломеханическая часть Площадочные трубопроводы ТМ-7/1 Площадочные трубопроводы. Общие данные ТМ-7/2 Площадочные трубопроводы. Перечень изолируемых поверхностей ТМ-7/3 Листы 1,2 Площадочные трубопроводы. Трасса паромазутопроводов Архитектурно-строительная часть Конструкции железобетонные КЖ-1 Эстакада паромазутопроводов. Общие данные КЖ-2 Эстакада паромазутопроводов. Маркировочная схема фундаментов. Опалубка и армирование ФМ1,ФМ2,ФМ3 КЖ-3 Эстакада паромазутопроводов. Маркировочная схема колонн, балок и траверс КЖ-4 Эстакада паромазутопроводов. Разрезы 1-1;4-4. Элемент плана 1 КЖ-5 Эстакада паромазутопроводов. Элемент плана 2,3. Узлы 1-3 КЖ-6 Трасса паромазутопроводов от резервуаров. Маркировочная схема опор КЖ-7 Трасса паромазутопроводов от резервуаров. Опоры ОП-1-ОП-4;ОП-6 КЖ-8 Трасса паромазутопроводов от резервуаров. Опоры ОП-5;ОП-7;ОП-8 ТП 903-2-12-КЖИ-К3-1а Колонна К3-1а ТП 903-2-12-КЖИ-В1-1а Вставки В1-1а ТП 903-2-12-КЖИ-Б1 АтV-а Балки Б1 АтV-а ТП 903-2-12-КЖИ-Т1-Т3 Траверсы Т1-Т3 ТП 903-2-12-КЖИ-МН-1 Закладное изделие МН-1 ТП 903-2-12-КЖИ-МН-1,МН-2,МН-3 Закладные изделия МН-1,МН-2,МН-3 ТП 903-2-12-КЖИ-МН-5 Закладное изделие МН-5 ТП 903-2-12-КЖИ-МН-6,МН-7 Закладные изделия МН-6,МН-7 Автоматизация КИП-12 Общие данные КИП-13 План расположения Электротехническая часть Э-1 Общие данные Э-2 Внутриплощадочные сети, наружное освещение и слаботочные сети Э-3 Молниезащита и заземление Наружные сети водоснабжения и канализации НВК-1 Общие данные (начало) НВК-2 Общие данные (окончание) НВК-3 Генплан с сетями водопровода и канализации Тепловые сети ТС-1 Общие данные ТС-2 План прокладки тепло-мазутопроводов. Разрезы 1-1;2-2;3-3 ТС-3 Продольный профиль тепломазутопроводов. План и разрез УТ-1 | Разработан: | Латгипропром
| Утверждён: | 07.06.1977 Главпромстройпроект Госстроя СССР (33)
| Расположен в: |
|
                                
|