Скачать Типовой проект 218-1-0353.86 Альбом I. Архитектурно-строительные, технологические чертежиДата актуализации: 10.08.2017 Типовой проект 218-1-0353.86
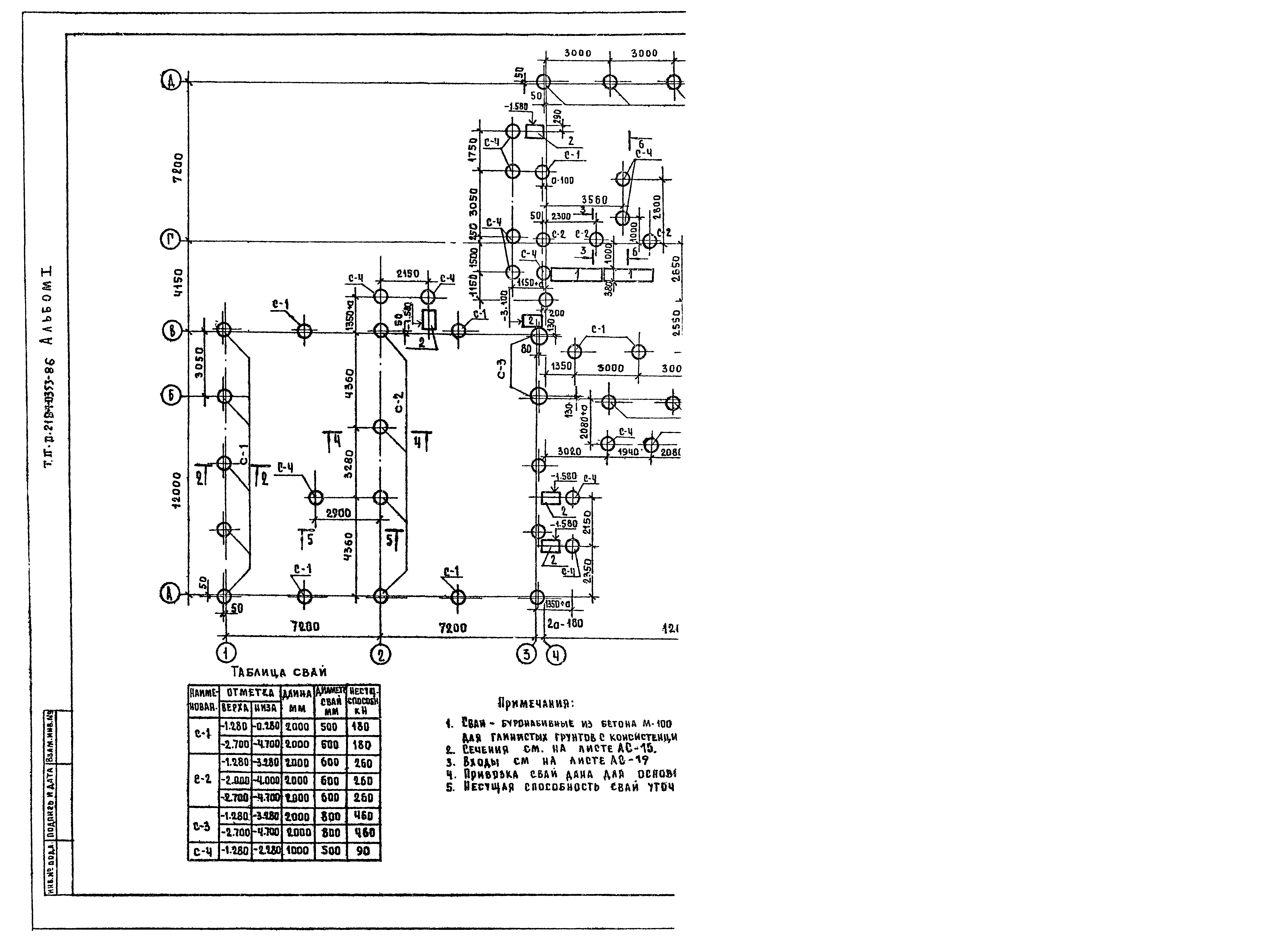
Альбом I. Архитектурно-строительные, технологические чертежиОбозначение: | Типовой проект 218-1-0353.86 | Обозначение англ: | 218-1-0353.86 | Статус: | не определен законодательством | Название рус.: | Альбом I. Архитектурно-строительные, технологические чертежи | Дата добавления в базу: | 01.09.2013 | Дата актуализации: | 05.05.2017 | Дата введения: | 11.12.1985 | Оглавление: | АС-1-АС-5 Общие данные АС-6-АС-7 Спецификации ниже 0.000. Ведомость расхода стали на элемент ниже 0.000 АС-8 План фундаментов АС-9 План подпольных каналов. План подвала. План перекрытия над подвалом АС-10 Сечения фундаментов. Сечения подпольных каналов АС-11 Развертки стен ниже 0.000 АС-12 Армирование наружных стен ниже 0.000 АС-13 План свайного поля (буронабивные сваи) АС-14 Развертки стен (вариант фундаментов из буронабивных свай) АС-15 План цокольных стен. Развертки, сечения (вариант фундаментов из буронабивных свай) АС-16 План венткамеры. Разрезы, сечения АС-17 Входы № 1 и № 2 АС-18 Главный вход. Входы № 3 и № 4 АС-19 Входы (вариант фундаментов из буронабивных свай) АС-20-АС-22 Спецификация изделий выше 0.000. Ведомость расхода стали на элемент выше 0.000 АС-23 Фасады. Развертки наружных стен АС-24 Варианты фасадов в осях 1-8;8-1;А-Б;Б-А;Д-А;А-Д АС-25 План на отметке 0.000 АС-26 Фрагменты плана и развертки стен туалетных ясельных и дошкольных групп АС-27 Развертки стен. Установка шкафов с подсушкой АС-28 План полов. Экспликация полов. Ведомость отделки помещений АС-29 Спецификация заполнения оконных проемов АС-30 Раскладка оконных блоков, нестандартные узлы. Тамбур при входе № 1, установка экрана санузла АС-31 Монтажный план АС-32 Разрезы 1-1;2-2;3-3. Развертки внутренних стен АС-33 Монтажный план (вариант монолитных внутренних стен) АС-34 Развертки монолитных внутренних стен. Армирование, узлы АС-35 Наружные стены. Сечения, узлы АС-36 Армирование монолитных наружных стен АС-37 Планы разбивки закладных изделий для крепления прижимных камней и плит покрытия, узлы АС-38 План покрытия. План раскладки прижимных камней и план вентиляционных шахт АС-39 План кровли. Вентиляционные шахты ВШ-1-ВШ-3. Участок монолитный УМ-3 АС-40 Узлы крепления вентилятора. Узлы крепления прижимных камней АС-41 Монтажные узлы № 1-№ 7 АС-42 Каркасы КВ-1-КА-7;ПКВ-1-ПКВ-3. Изделия закладные, детали АС-43 Металлоконструкции входов. Каркасы К-1-К-6. Детали ТН-1;ТВ-1;ИМ-1-ИМ-5 АС-44 Каркасы К-11-К-25. Деталь ТН-2 АС-45 Ограждение радиаторов. Узлы АС-46 Установка и крепление фрамуг и остекленных перегородок АС-47 Вентиляционный зонт над кухонной плитой, дверь с окном в кухню АС-48 Установка шкафов с подсушкой в приемной и раздевальной. Приточный шкаф ПШ АС-49 Встроенный шкаф для кроватей и постелей. Разрезы 1-1;2-2;3-3 АС-50 Встроенный шкаф для кроватей и постелей. Разрез 4-4. Узлы с 1-13 АС-51 Встроенный шкаф для кроватей и постелей. Узлы 14-15 и детали АС-52 Встроенный шкаф для кроватей и постелей. Спецификация деталей ТХ-1 Расстановка технологического оборудования ТХ-2 Пищеблок и постирочная. Расстановка и спецификация технологического оборудования ТХ-3 Пищеблок и постирочная. Привязка и подводка коммуникаций ТХ-4 Спецификация технологического оборудования | Разработан: | КБ по железобетону им. А.А. Якушева
| Утверждён: | 05.06.1986 Госстрой РСФСР (Russian Federation Gosstroy 17 22/825)
| Расположен в: |
|
                                                         
|