Информационная система
«Ёшкин Кот»

Скачать базу одним архивом
Скачать обновления
История создания базы
Карта сайта

Скачать Шифр 41-74 Выпуск 2. Рабочие чертежи. Технические условия 1.435-172.0000ТУ

Дата актуализации: 10.08.2017

Шифр 41-74

Выпуск 2. Рабочие чертежи. Технические условия 1.435-172.0000ТУ

Обозначение: Шифр 41-74
Обозначение англ: 41-74
Статус:не действует
Название рус.:Выпуск 2. Рабочие чертежи. Технические условия 1.435-172.0000ТУ
Дата добавления в базу:01.09.2013
Дата актуализации:05.05.2017
Дата введения:06.01.1976
Дата окончания срока действия:01.11.1984
Оглавление:Содержание
1.435-17.2.0000 Ворота распашные
1.435-17.2.0000 СБ Ворота распашные. Сборочный чертеж
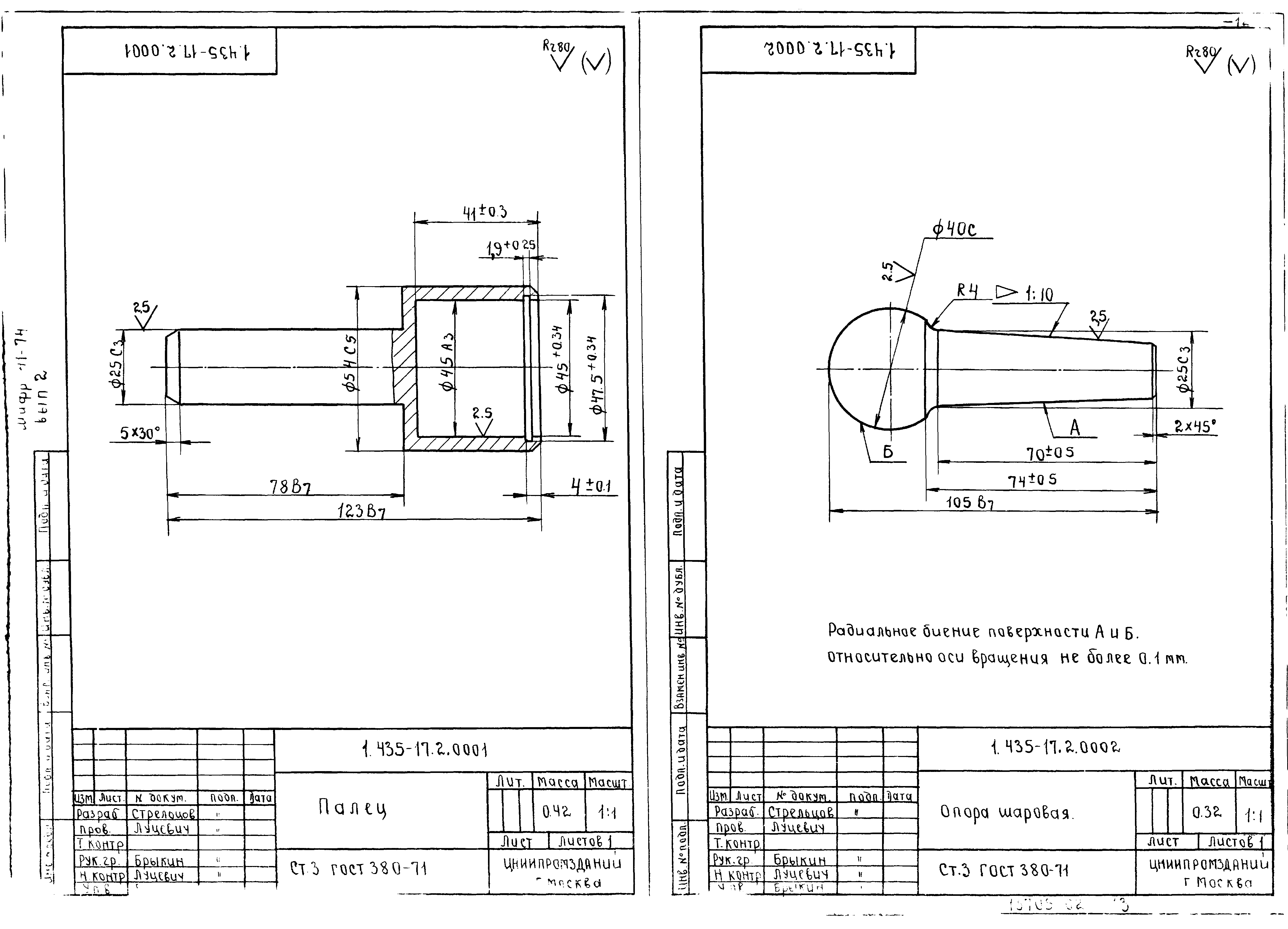
1.435-17.2.0001 Палец
1.435-17.2.0002 Опора шаровая
1.435-17.2.0003 Втулка
1.435-17.2.0004 Втулка
1.435-17.2.0005 Шайба регулировочная
1.435-17.2.0006 Вставка
1.435-17.2.0007 Штырь
1.435-17.2.0008 Штанга
1.435-17.2.0009 Ось соединительная
1.435-17.2.0011 Упор
1.435-17.2.0012 Пробка
1.435-17.2.0013 Стержень
1.435-17.2.0014 Втулка
1.435-17.2.0015 Игла
1.435-17.2.0016 Кольцо
1.435-17.2.1000 Рама ворот
1.435-17.2.1001 Болт
1.435-17.2.1000 СБ Рама ворот. Сборочный чертеж
1.435-17.2.1100 Стойка
1.435-17.2.1100 СБ Стойка. Сборочный чертеж
1.435-17.2.1101 Втулка
1.435-17.2.1102 Основание
1.435-17.2.1110 Втулка-шарнир
1.435-17.2.1111 Втулка
1.435-17.2.1200 Ригель
1.435-17.2.1201 Труба
1.435-17.2.1200 Ригель. Сборочный чертеж
1.435-17.2.1203 Втулка
1.435-17.2.2000 Рама полотна
1.435-17.2.2000 СБ Рама полотна. Сборочный чертеж
1.435-17.2.2001 Труба
1.435-17.2.2002 Труба
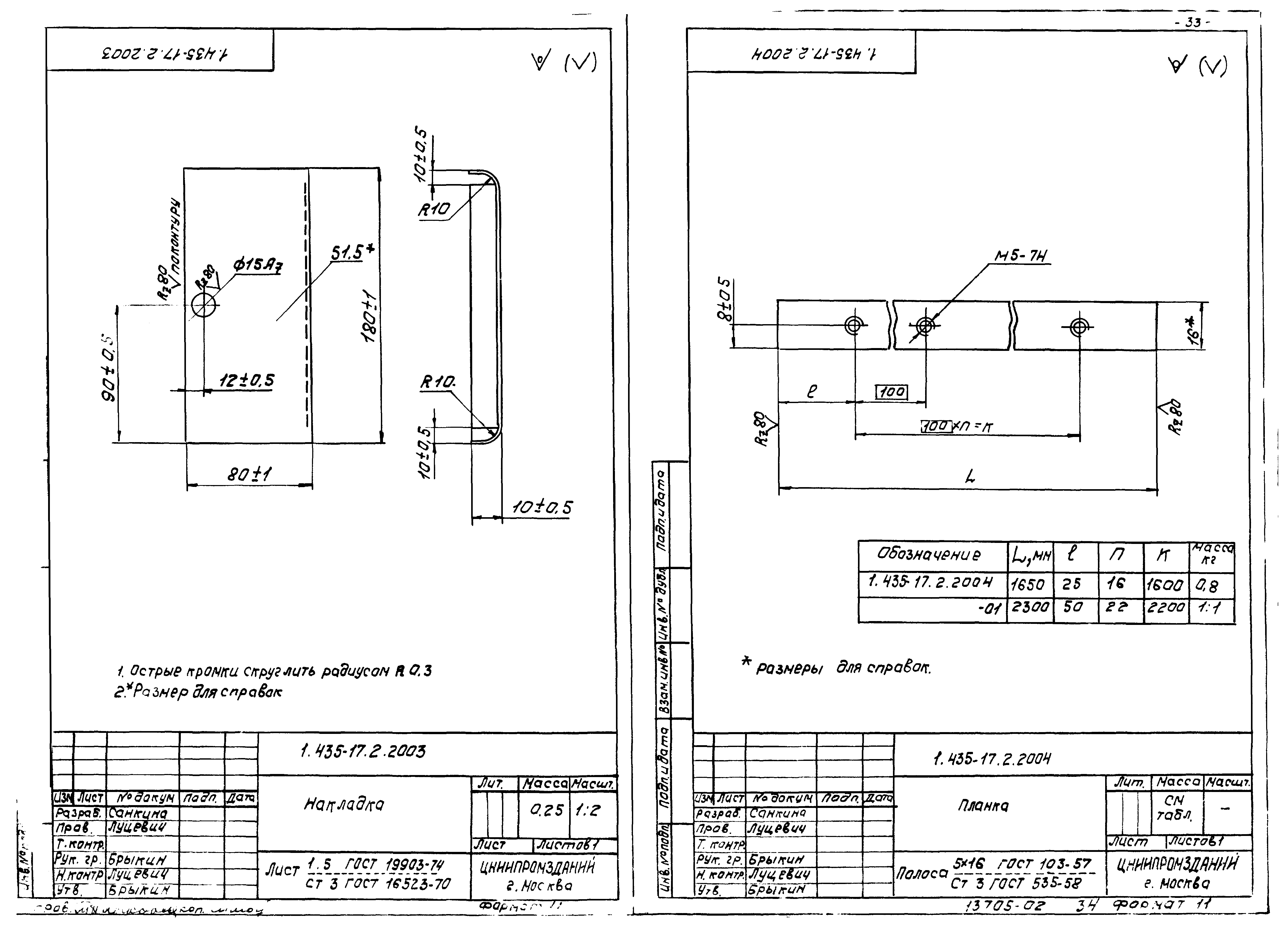
1.435-17.2.2003 Накладка
1.435-17.2.2004 Планка
1.435-17.2.2010 СБ Втулка-шарнир
1.435-17.2.2011 Втулка
1.435-17.2.3000 Рама полотна
1.435-17.2.3002 Втулка
1.435-17.2.3000 СБ Рама полотна
1.435-17.2.3003 Труба
1.435-17.2.4000 Механизм закрывания шпингалета
1.435-17.2.4000 СБ Механизм закрывания шпингалета. Сборочный чертеж
1.435-17.2.4001 Корпус механизма
1.435-17.2.4002 Рычаг
1.435-17.2.4003 Рукоятка
1.435-17.2.4004 Шарнир
1.435-17.2.4005 Шарнир
1.435-17.2.4006 Пружина
1.435-17.2.4007 Шайба
1.435-17.2.5000 Замок-защелка
1.435-17.2.5000 СБ Замок-защелка. Сборочный чертеж
1.435-17.2.5002 Накладка
1.435-17.2.5003 Стержень
1.435-17.2.5004 Пружина
1.435-17.2.5005 Ручка
1.435-17.2.5006 Ползун
1.435-17.2.5010 СБ Рычаг в сборе
1.435-17.2.5011 Скоба
1.435-17.2.5012 Втулка
1.435-17.2.5020 СБ Корпус в сборе
1.435-17.2.5021 Корпус
1.435-17.2.5022 Кронштейн
1.435-17.2.5023 Ограничитель
1.435-17.2.5024 Втулка
1.435-17.2.6000 Механизм отвода защелки
1.435-17.2.6000 СБ Механизм отвода защелки. Сборочный чертеж
1.435-17.2.6001 Ползун
1.435-17.2.6010 Корпус в сборе
1.435-17.2.6011 Корпус
1.435-17.2.0000ТУ Ворота распашные с ручным открыванием. Технические условия
1.435-17.2.0000Д1 Профиль резиновый Р16
1.435-17.2.0000Д2 Профиль трубный ПТ-1
1.435-17.2.0000Д3 Профиль трубный ПТ-2
1.435-17.2.0000ТУ Титульный лист. Технические условия
Разработан: ЦНИИпромзданий
Утверждён:06.01.1976 Госстрой СССР (Государственный комитет Совета Министров СССР по делам строительства) (USSR Gosstroy 2/2-2)
Расположен в:Техническая документация Строительство Справочные документы Типовые строительные конструкции, изделия и узлы Общероссийский строительный каталог Строительные конструкции, изделия и узлы зданий и сооружений для всех видов строительства Конструкции, изделия и узлы зданий Ограждающие конструкции Ворота
Чем заменён:
Шифр 41-74Шифр 41-74Шифр 41-74Шифр 41-74Шифр 41-74Шифр 41-74Шифр 41-74Шифр 41-74Шифр 41-74Шифр 41-74Шифр 41-74Шифр 41-74Шифр 41-74Шифр 41-74Шифр 41-74Шифр 41-74Шифр 41-74Шифр 41-74Шифр 41-74Шифр 41-74Шифр 41-74Шифр 41-74Шифр 41-74Шифр 41-74Шифр 41-74Шифр 41-74Шифр 41-74Шифр 41-74Шифр 41-74Шифр 41-74Шифр 41-74Шифр 41-74Шифр 41-74Шифр 41-74Шифр 41-74Шифр 41-74Шифр 41-74Шифр 41-74Шифр 41-74Шифр 41-74Шифр 41-74Шифр 41-74Шифр 41-74Шифр 41-74Шифр 41-74Шифр 41-74Шифр 41-74Шифр 41-74Шифр 41-74Шифр 41-74Шифр 41-74Шифр 41-74Шифр 41-74Шифр 41-74Шифр 41-74Шифр 41-74Шифр 41-74Шифр 41-74Шифр 41-74Шифр 41-74Шифр 41-74Шифр 41-74Шифр 41-74

© 2013 Ёшкин Кот :-) Карта сайта