Информационная система
«Ёшкин Кот»

Скачать базу одним архивом
Скачать обновления
История создания базы
Карта сайта

Скачать Типовой проект 901-7-6.84 Альбом V. Архитектурно-строительная часть

Дата актуализации: 10.08.2017

Типовой проект 901-7-6.84

Альбом V. Архитектурно-строительная часть

Обозначение: Типовой проект 901-7-6.84
Обозначение англ: 901-7-6.84
Статус:не действует
Название рус.:Альбом V. Архитектурно-строительная часть
Дата добавления в базу:01.09.2013
Дата актуализации:05.05.2017
Оглавление:Содержание альбома
Архитектурные решения
АР-1 Общие данные
АР-2 Планы на отм. 0.000 и 3.300
АР-3 Разрезы 1-1,2-2,3-3. Детали 1,2,3
АР-4 Фасады 1-4,4-1,А-В,В-А
АР-5 Ведомость проемов ворот и дверей, спецификация элементов заполнения проемов. Ведомость и спецификация перемычек
АР-6 Планы полов и кровли. Ведомость отделки помещений
АР-7 Ворота распашные 3.00х4.73
Конструкции железобетонные
КЖ-1 Общие данные
КЖ-2 Схема расположения фундаментов и фундаментных балок. Узлы 1-3
КЖ-3 Схема расположения фундаментов. Узлы 4-7
КЖ-4 Схема расположения ленточных фундаментов
КЖ-5 Фундаменты ФМ1,ФМ1-1,ФМ2
КЖ-6 Фундаменты ФМ3,ФМ4,ФМ4-1
КЖ-7 Фундаменты ФМ5,ФМ5-1
КЖ-8 Схема расположения фундаментов под оборудование, перекрытия каналов и приямков
КЖ-9 Сечения 1-1-13-13. Фундаменты под оборудование
КЖ-10 Фундаменты под оборудование. Спецификации
КЖ-11 Схема расположения колонн и балок покрытия
КЖ-12 Схема расположения стеновых панелей. Фрагменты 1-2
КЖ-13 Схемы расположения стеновых панелей. Фрагменты 10-12
КЖ-14 Схемы расположения плит покрытия и перекрытия
КЖ-15 Монолитные участки. УМ1-УМ7
КЖ-16 Монолитные участки. УМ1-УМ7. Спецификация
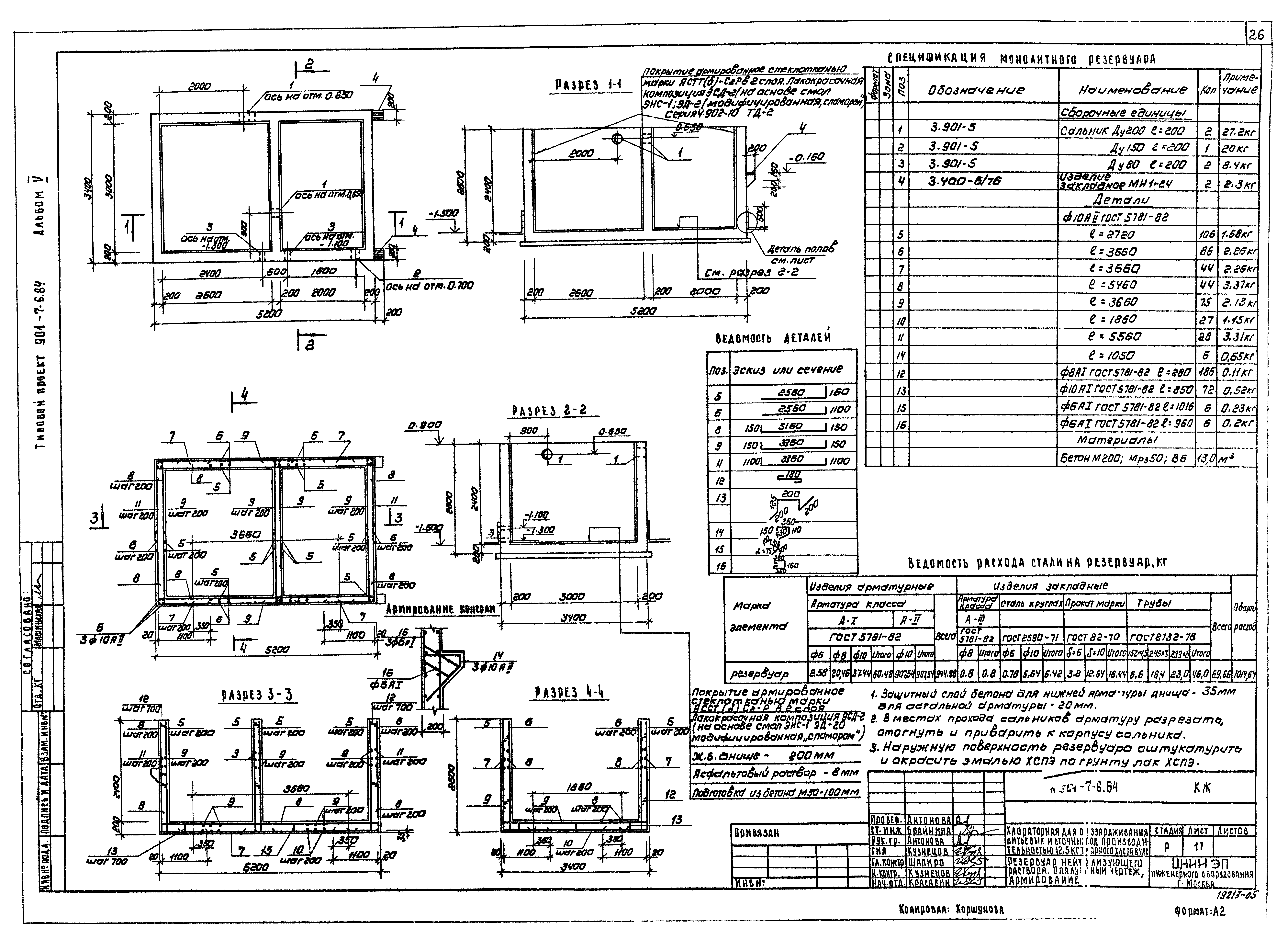
КЖ-17 Резервуар нейтрализирующего раствора. Опалубочный чертеж. Армирование
КЖ-18 Скруббер
КЖ-19 Приточная венткамера на отм. 3.300
Конструкции металлические
КМ-1 Общие данные. Техническая спецификация металла (начало)
КМ-2 Общие данные. Техническая спецификация металла (продолжение)
КМ-3 Общие данные. Техническая спецификация металла (окончание)
КМ-4 Общие данные. Техническая спецификация металла на типовые конструкции
КМ-5 Общие данные. Ведомость металлоконструкций по видам профилей
КМ-6 Схема расположения переходных площадок, лестниц и ограждений. Спецификация
КМ-7 Схема расположения подвесных путей
КМ-8 Ворота
КМ-9 Труба вытяжная
Разработан: ЦНИИЭП иженерного оборудования
Утверждён:27.12.1979 Госгражданстрой (Gosgrazhdanstroy 279)
Расположен в:Техническая документация Строительство Справочные документы Типовые строительные конструкции, изделия и узлы Общероссийский строительный каталог Промышленные предприятия, здания и сооружения Здания и сооружения санитарно-технические Водоснабжение Сооружения и установки по обеззараживанию воды Реагентное хозяйство для станций очистки
Чем заменён:
Типовой проект 901-7-6.84Типовой проект 901-7-6.84Типовой проект 901-7-6.84Типовой проект 901-7-6.84Типовой проект 901-7-6.84Типовой проект 901-7-6.84Типовой проект 901-7-6.84Типовой проект 901-7-6.84Типовой проект 901-7-6.84Типовой проект 901-7-6.84Типовой проект 901-7-6.84Типовой проект 901-7-6.84Типовой проект 901-7-6.84Типовой проект 901-7-6.84Типовой проект 901-7-6.84Типовой проект 901-7-6.84Типовой проект 901-7-6.84Типовой проект 901-7-6.84Типовой проект 901-7-6.84Типовой проект 901-7-6.84Типовой проект 901-7-6.84Типовой проект 901-7-6.84Типовой проект 901-7-6.84Типовой проект 901-7-6.84Типовой проект 901-7-6.84Типовой проект 901-7-6.84Типовой проект 901-7-6.84Типовой проект 901-7-6.84Типовой проект 901-7-6.84Типовой проект 901-7-6.84Типовой проект 901-7-6.84Типовой проект 901-7-6.84Типовой проект 901-7-6.84Типовой проект 901-7-6.84Типовой проект 901-7-6.84Типовой проект 901-7-6.84Типовой проект 901-7-6.84

© 2013 Ёшкин Кот :-) Карта сайта