| ||||||||||||||||||||||||||||||||||
Скачать ГОСТ Р 53759-2009 Ресурсосбережение. Упаковка. Повторное использованиеДата актуализации: 10.08.2017
|
| Обозначение: | ГОСТ Р 53759-2009 |
| Обозначение англ: | GOST R 53759-2009 |
| Статус: | отменен |
| Название рус.: | Ресурсосбережение. Упаковка. Повторное использование |
| Название англ.: | Resources сonservation. Packaging. Reuse |
| Дата добавления в базу: | 01.09.2013 |
| Дата актуализации: | 05.05.2017 |
| Дата введения: | 01.08.2016 |
| Область применения: | Стандарт устанавливает требования к повторному использованию упаковки и содержит положения по методологии оценки соответствия требованиям и упаковочным системам. Не целесообразно использовать только стандарт при оценке соответствия, так как методология его применения установлена в ГОСТ 53744. Стандарт не распространяется на упаковку для оборонной, химической, биологической продукции и ядерных объектов. Стандарт рекомендуется использовать во всех видах документации и литературы, относящихся к сферам обеспечения экологической безопасности в процессах хозяйственной деятельности при обращении с упаковкой и упаковочными отходами. |
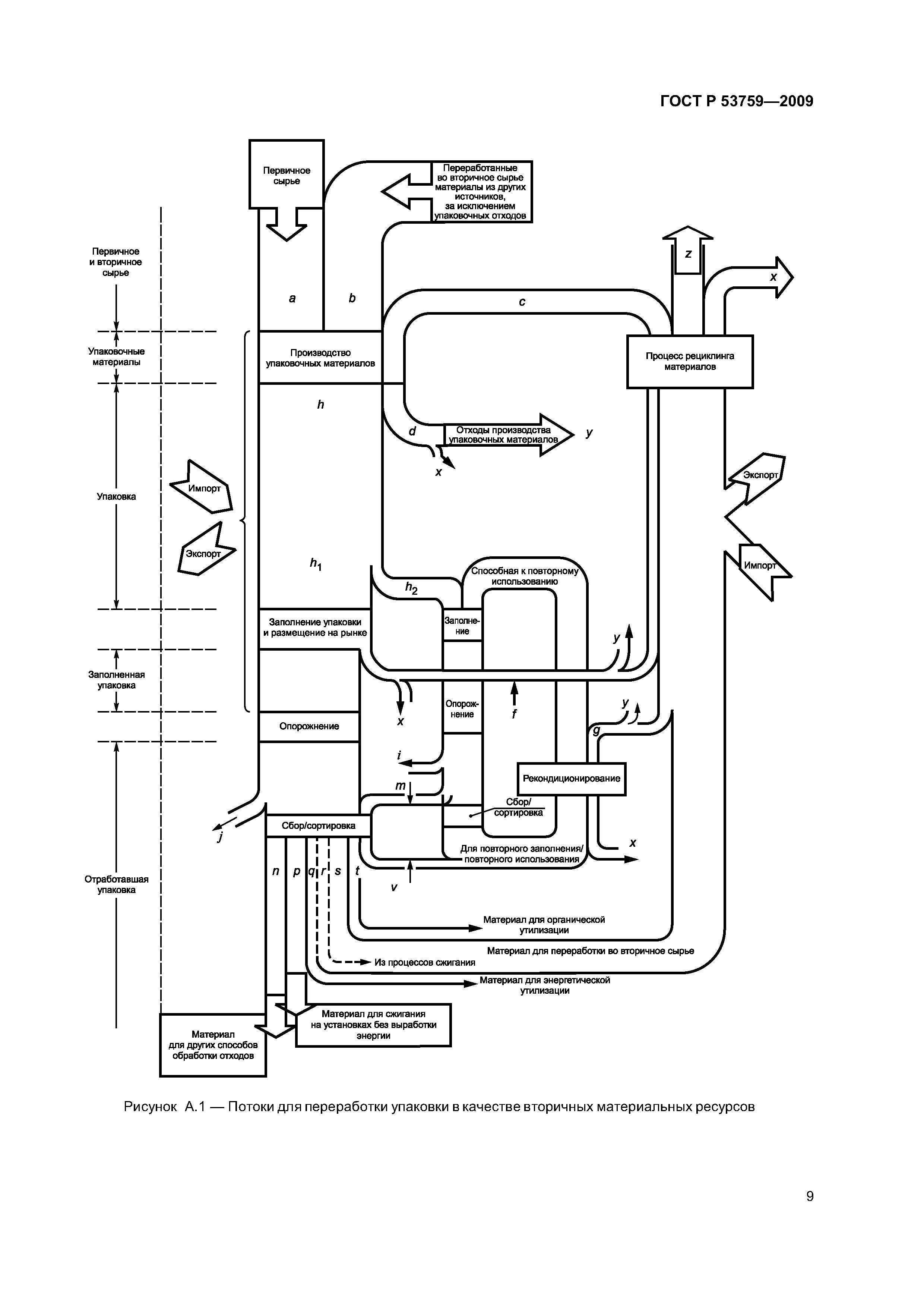
| Оглавление: | 1 Область применения 2 Нормативные ссылки 3 Термины и определения 4 Методология 4.1 Оценка. Условия выдачи разрешения к продаже 4.2 Подтверждение оценки 4.3 Второстепенные условия 5 Требования 5.1 Условия выпуска упаковки в обращение на рынок 5.2 Методы верификации 5.3 Применение 6 Спецификация систем повторного использования 6.1 Виды систем 6.2 Критерии для системы с замкнутым циклом 6.3 Критерии для системы с открытым циклом 6.4 Критерии для смешанной системы Приложение А (справочное) Системы повторного использования в общей концепции переработки упаковочных отходов в качестве вторичных материальных ресурсов Приложение В (обязательное) Система восстановительного ремонта упаковки. Основные элементы Приложение С (обязательное) Оценка соответствия настоящему стандарту Приложение ДА (справочное) Связь между настоящим стандартом и основными требованиями Директивы 94/62/ЕС Приложение ДБ (справочное) Библиография |
| Разработан: | ФГУП ВНИЦ СМВ ЗАО Инновационный экологический фонд |
| Утверждён: | 15.12.2009 Федеральное агентство по техническому регулированию и метрологии (1010-ст) |
| Издан: | Стандартинформ (2011 г. ) |
| Расположен в: | |
| Нормативные ссылки: |
|



















