| 
 Скачать Альбом ПС-213 Подвески подземных коммуникаций при пересечении их со строящимися инженерными сооружениями и коммуникациями. Материалы для проектированияДата актуализации: 10.08.2017   Альбом ПС-213
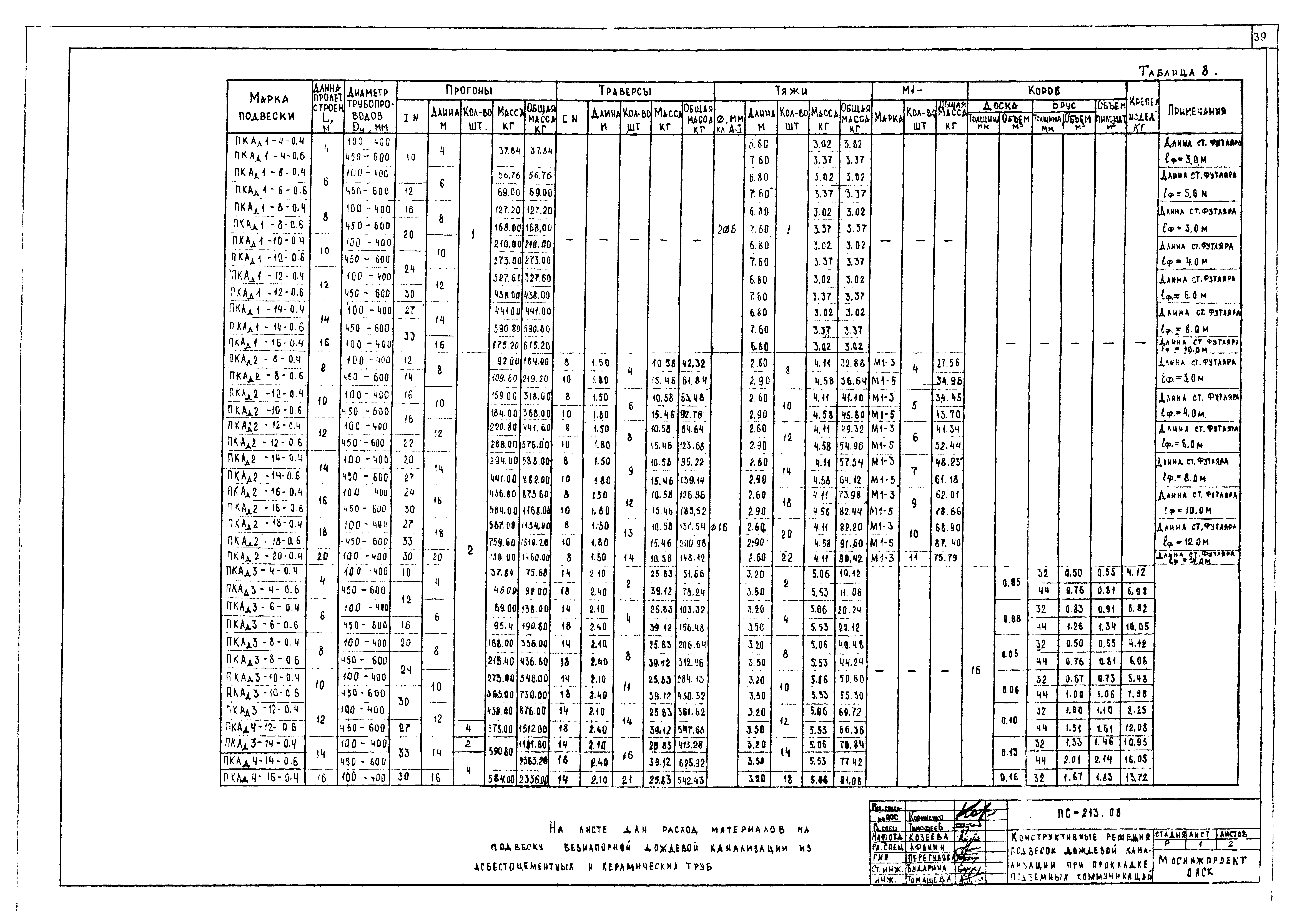
Подвески подземных коммуникаций при пересечении их со строящимися инженерными сооружениями и коммуникациями. Материалы для проектирования| Обозначение: |  Альбом ПС-213 |  | Обозначение англ: |  ПС-213 |  | Статус: | не определен законодательством |  | Название рус.: | Подвески подземных коммуникаций при пересечении их со строящимися инженерными сооружениями и коммуникациями. Материалы для проектирования |  | Дата добавления в базу: | 01.09.2013 |  | Дата актуализации: | 05.05.2017 |  | Дата введения: | 23.02.1987 |  | Разработан: | МосинжНИИпроект 
 |  | Утверждён: | 23.02.1987 Мосинжпроект (Mosinzhproject ) 
 |  | Расположен в: | 
 | 
                                           |