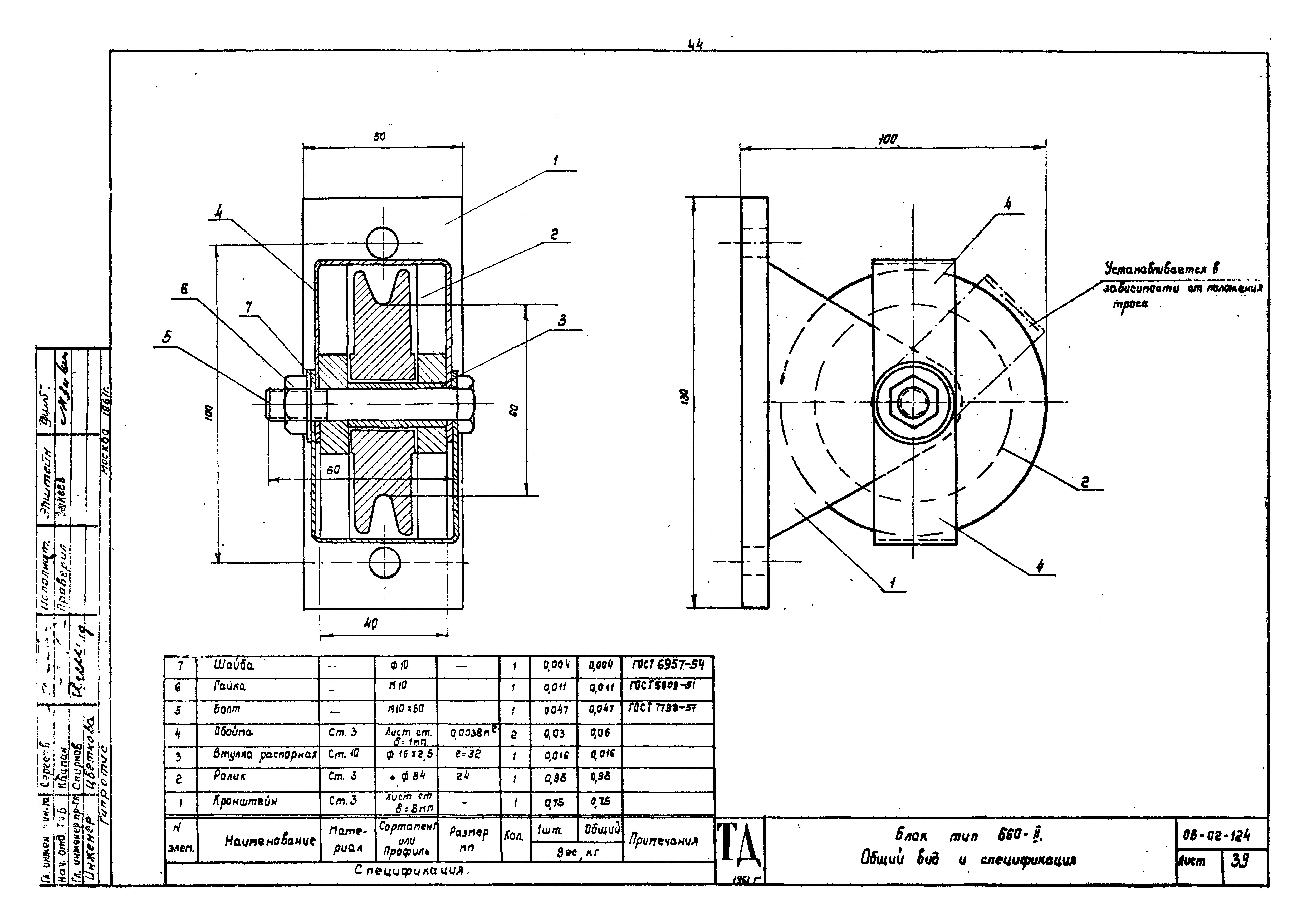
Скачать Серия ОВ-02-124 Узлы воздухозабора приточных вентиляционных камер промышленных цехов (при окнах с деревянными, стальными и железобетонными переплетами)Дата актуализации: 10.08.2017 Серия ОВ-02-124
Узлы воздухозабора приточных вентиляционных камер промышленных цехов (при окнах с деревянными, стальными и железобетонными переплетами)| Обозначение: | Серия ОВ-02-124 | | Обозначение англ: | Series ОВ-02-124 | | Статус: | не действует | | Название рус.: | Узлы воздухозабора приточных вентиляционных камер промышленных цехов (при окнах с деревянными, стальными и железобетонными переплетами) | | Дата добавления в базу: | 01.09.2013 | | Дата актуализации: | 05.05.2017 | | Разработан: | Гипротис
| | Утверждён: | 07.12.1961 Гипротис (242-а)
| | Расположен в: |
|
                                                 
|