Информационная система
«Ёшкин Кот»

Скачать базу одним архивом
Скачать обновления
История создания базы
Карта сайта

Скачать Типовой проект 902-9-3 Альбом V. Электротехническая часть

Дата актуализации: 10.08.2017

Типовой проект 902-9-3

Альбом V. Электротехническая часть

Обозначение: Типовой проект 902-9-3
Обозначение англ: 902-9-3
Статус:действует
Название рус.:Альбом V. Электротехническая часть
Дата добавления в базу:01.09.2013
Дата актуализации:05.05.2017
Дата введения:25.03.1974
Оглавление:Раздел 1
ЭЛ-1 Содержание альбома
ЭЛ-2 Пояснительная записка на 2х листах
ЭЛ-3 Принципиальная схема силовой сети на 2х листах
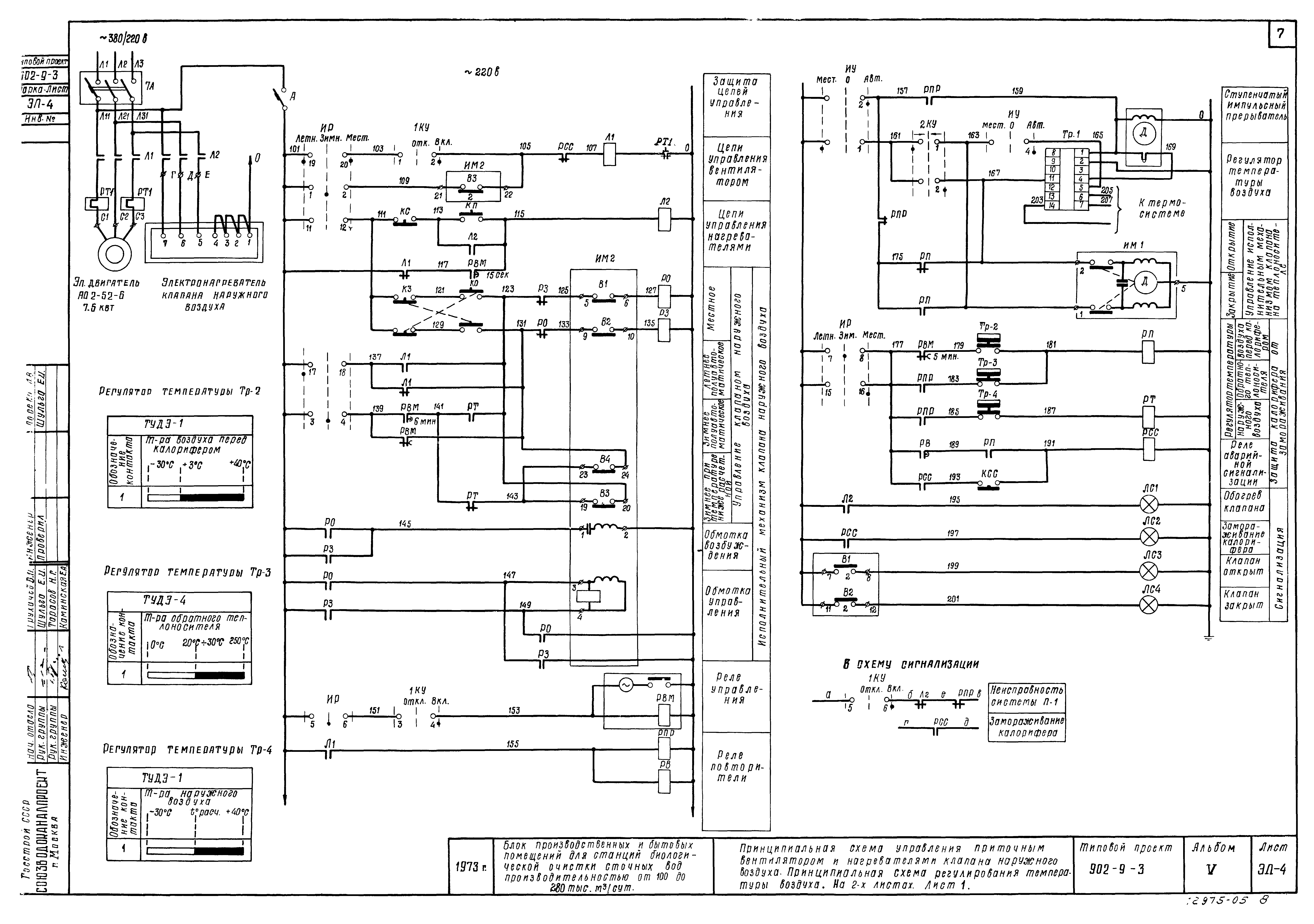
ЭЛ-4 Принципиальная схема управления приточным вентилятором и нагревателями клапана наружного воздуха. Принципиальная схема регулирования температуры воздуха. На 2х листах
ЭЛ-5 Принципиальная схема управления вытяжными вентиляторами. Шкафы управления. Схема подключений
ЭЛ-5-1 Принципиальная схема управления вытяжными вентиляторами
ЭЛ-5-2 Шкафы управления. Схема подключений
ЭЛ-6 Функциональная схема технологического контроля. Схема подключений электрических проводок
ЭЛ-6-1 Функциональная схема технологического контроля
ЭЛ-6-2 Схема подключений электрических проводок
ЭЛ-7 Шкаф управления ШРТ. Общий вид
ЭЛ-8 Шкаф управления ШРТ. Схема соединений
ЭЛ-9 Прлокладка труб и проводов на 3-х листах
ЭЛ-10 Кабельный журнал на 3 листах
ЭЛ-11 Электрическое освещение. Планы
Раздел 2
ЭЛ-12 Принципиальная схема управления приточным вентилятором и нагревателями клапана наружного воздуха. Принципиальная схема регулирования температуры воздуха на 2-х листах
ЭЛ-13 Шкаф управления ШРТ. Общий вид
ЭЛ-14 Шкаф управления ШРТ. Схема соединений
Разработан: Союзводоканалниипроект
Утверждён:25.02.1974 СоюзводоканалНИИпроект (SoyuzvodokanalNIIproject 40)
Расположен в:Техническая документация Строительство Справочные документы Типовые строительные конструкции, изделия и узлы Общероссийский строительный каталог Промышленные предприятия, здания и сооружения Здания и сооружения санитарно-технические Канализация Сооружения биологической (биохимической) очистки Станции биологической очистки сточных вод
Типовой проект 902-9-3Типовой проект 902-9-3Типовой проект 902-9-3Типовой проект 902-9-3Типовой проект 902-9-3Типовой проект 902-9-3Типовой проект 902-9-3Типовой проект 902-9-3Типовой проект 902-9-3Типовой проект 902-9-3Типовой проект 902-9-3Типовой проект 902-9-3Типовой проект 902-9-3Типовой проект 902-9-3Типовой проект 902-9-3Типовой проект 902-9-3Типовой проект 902-9-3Типовой проект 902-9-3Типовой проект 902-9-3Типовой проект 902-9-3Типовой проект 902-9-3Типовой проект 902-9-3Типовой проект 902-9-3Типовой проект 902-9-3Типовой проект 902-9-3

© 2013 Ёшкин Кот :-) Карта сайта