Информационная система
«Ёшкин Кот»

Скачать базу одним архивом
Скачать обновления
История создания базы
Карта сайта

Скачать Типовой проект 705-1-199.86 Альбом II. Строительные изделия

Дата актуализации: 10.08.2017

Типовой проект 705-1-199.86

Альбом II. Строительные изделия

Обозначение: Типовой проект 705-1-199.86
Обозначение англ: 705-1-199.86
Статус:не определен законодательством
Название рус.:Альбом II. Строительные изделия
Дата добавления в базу:01.09.2013
Дата актуализации:05.05.2017
Дата введения:16.04.1986
Оглавление:Содержание альбома
КЖ.И.ТУ Технические условия
КЖ.И.01.00 Колонна (К48-1а,г)
КЖ.И.02.00 Колонна (К48-1б,в)
КЖ.И.03.00 Колонна К48-1д
КЖ.И.04.00 Колонна К48-24а
КЖ.И.05.00 Колонна 1КФ52-1-На
КЖ.И.06.00 Балка 36СО12-1АIV-На
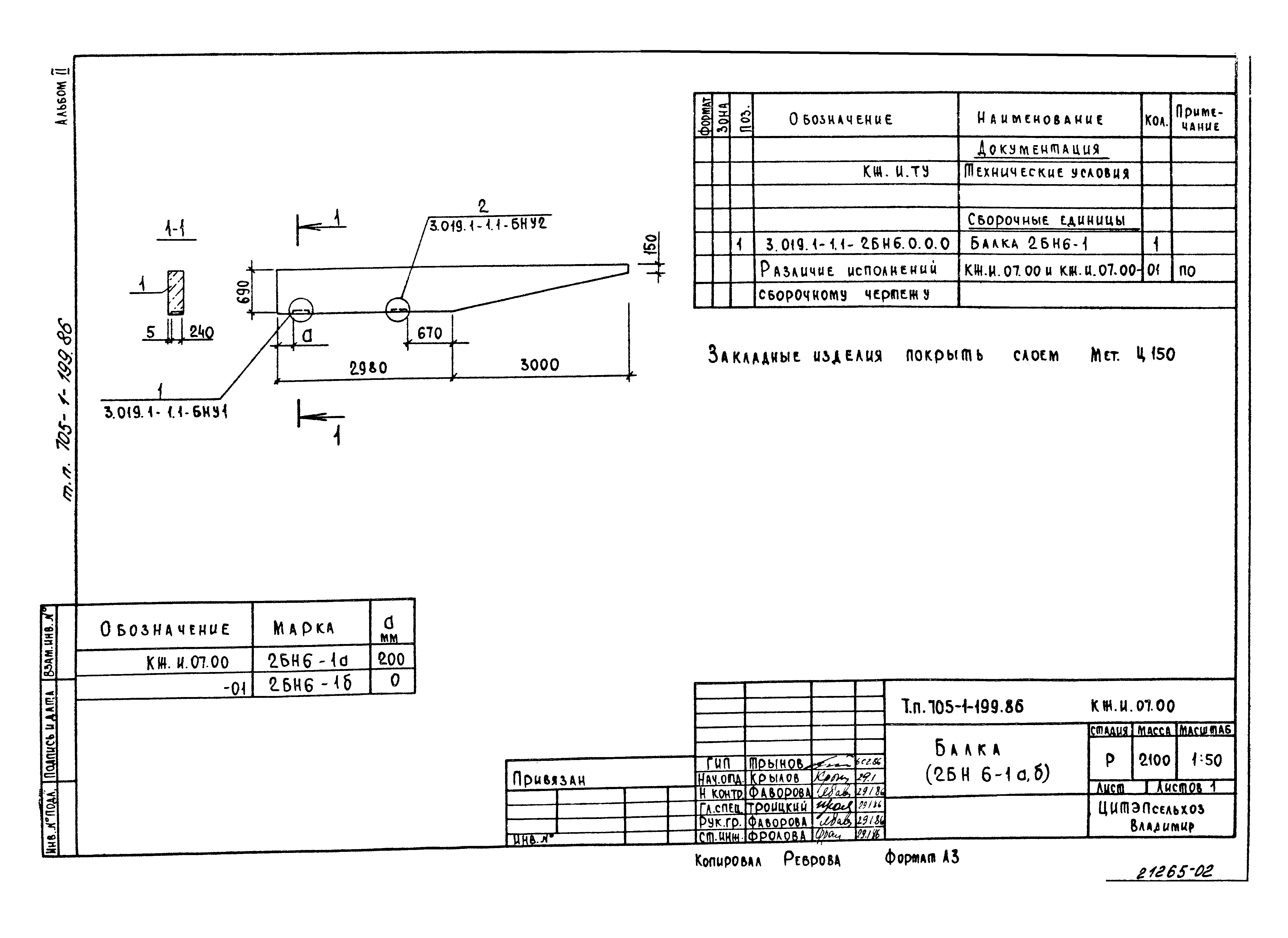
КЖ.И.07.00 Балка (2БН6-1а,б)
КЖ.И.08.00 Балка (1БН4.5-1а,б)
КЖ.И.09.00 Плита (ПГ2АIVТ-а,б)
КЖ.И.10.00 Плита (ПГ2АIVТ-в,г)
КЖ.И.11.00 Панель ПС600.18-7АIV-Т-1а
КЖ.И.12.00 Панель ПС600.12-1АIV-Т-1а
КЖ.И.13.00 Панель ПС600.12-1АIV-Т-11а
КЖ.И.14.00 Панель ПС600.12-1АIV-Т-12а
КЖ.И.15.00 Панель ПС600.18-1АIV-Т-11а
КЖ.И.16.00 Панель ПС600.18-7АIV-Т-12а
КЖ.И.17.00 Плита лицевая (ПЛ1-1а,б)
КЖ.И.18.00 Насадка (НУ1,НУ2)
КЖ.И.19.00 Элемент крепления Т13
КЖ.И.20.00 Насадка НФ2
КЖ.И.21.00 Насадка НФ3
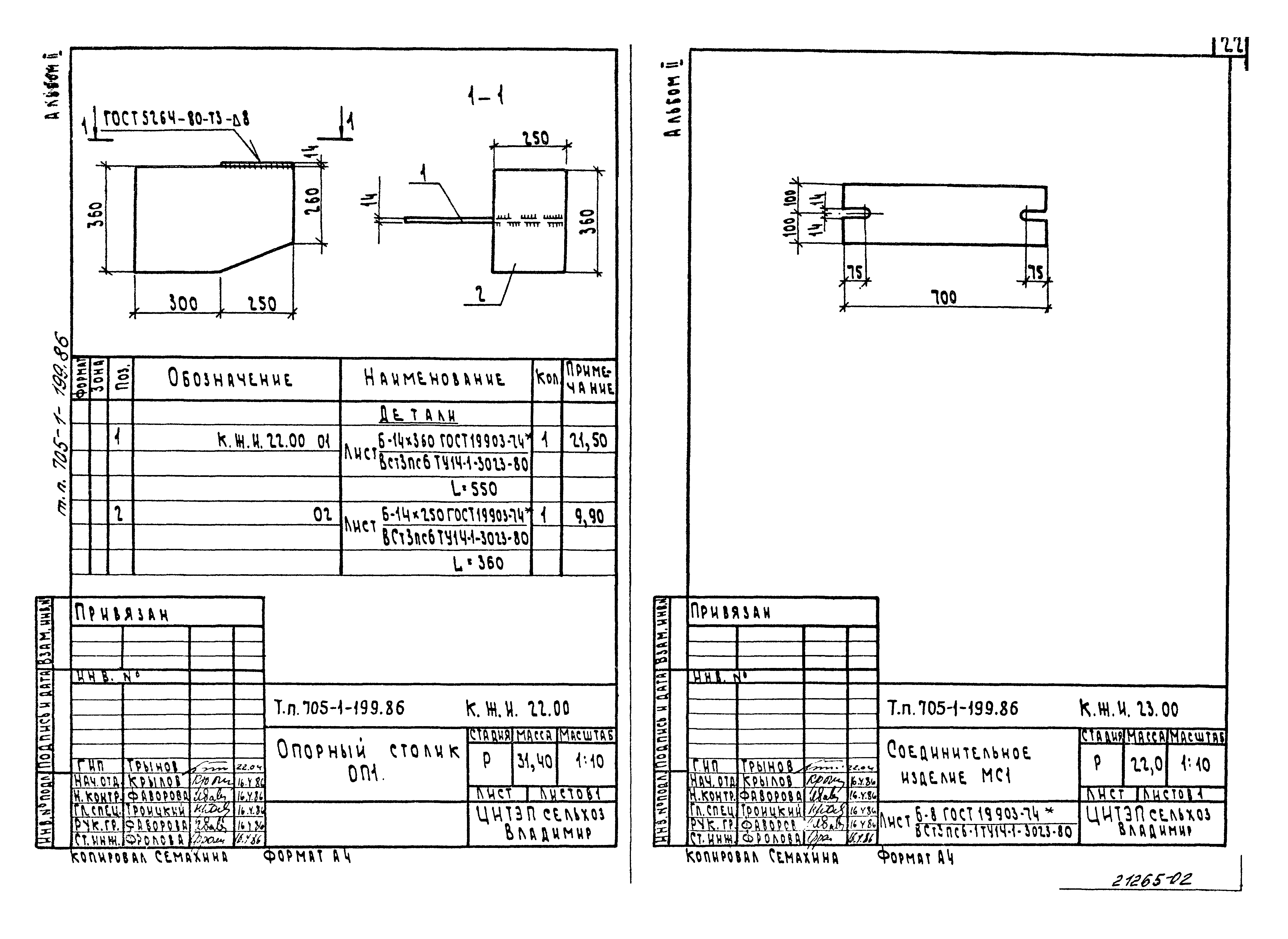
КЖ.И.22.00 Опорный столик ОП1
КЖ.И.23.00 Соединительное изделие МС1
КЖ.И.24.00 Колонна (К48-1е,ж)
КЖ.И.25.00 Колонна К48-24б
Разработан: ЦИТЭПсельхозпрома
Утверждён:12.12.1985 Минсельхоз СССР (USSR Minselkhoz 110-ЭГ)
Расположен в:Техническая документация Строительство Справочные документы Типовые строительные конструкции, изделия и узлы Общероссийский строительный каталог Сельскохозяйственные предприятия, здания и сооружения Предприятия, здания и сооружения по ремонту, техническому обслуживанию, хранению и обеспечению горюче-смазочными материалами сельхозтехники Прирельсовые склады твердых минеральных удобрений
Типовой проект 705-1-199.86Типовой проект 705-1-199.86Типовой проект 705-1-199.86Типовой проект 705-1-199.86Типовой проект 705-1-199.86Типовой проект 705-1-199.86Типовой проект 705-1-199.86Типовой проект 705-1-199.86Типовой проект 705-1-199.86Типовой проект 705-1-199.86Типовой проект 705-1-199.86Типовой проект 705-1-199.86Типовой проект 705-1-199.86Типовой проект 705-1-199.86Типовой проект 705-1-199.86Типовой проект 705-1-199.86Типовой проект 705-1-199.86Типовой проект 705-1-199.86Типовой проект 705-1-199.86Типовой проект 705-1-199.86Типовой проект 705-1-199.86Типовой проект 705-1-199.86Типовой проект 705-1-199.86Типовой проект 705-1-199.86Типовой проект 705-1-199.86Типовой проект 705-1-199.86

© 2013 Ёшкин Кот :-) Карта сайта