| ||||||||||||||||||||||||||
Скачать Серия ПП-01-05 Связи железобетонных конструкций для покрытий зданий с плоской кровлей пролетами 12, 18 и 24 м с шагом стропильных конструкций 6 и 12 м. Рабочие чертежиДата актуализации: 10.08.2017
|
| Обозначение: | Серия ПП-01-05 |
| Обозначение англ: | Series ПП-01-05 |
| Статус: | не действует |
| Название рус.: | Связи железобетонных конструкций для покрытий зданий с плоской кровлей пролетами 12, 18 и 24 м с шагом стропильных конструкций 6 и 12 м. Рабочие чертежи |
| Дата добавления в базу: | 01.09.2013 |
| Дата актуализации: | 05.05.2017 |
| Дата введения: | 01.06.1990 |
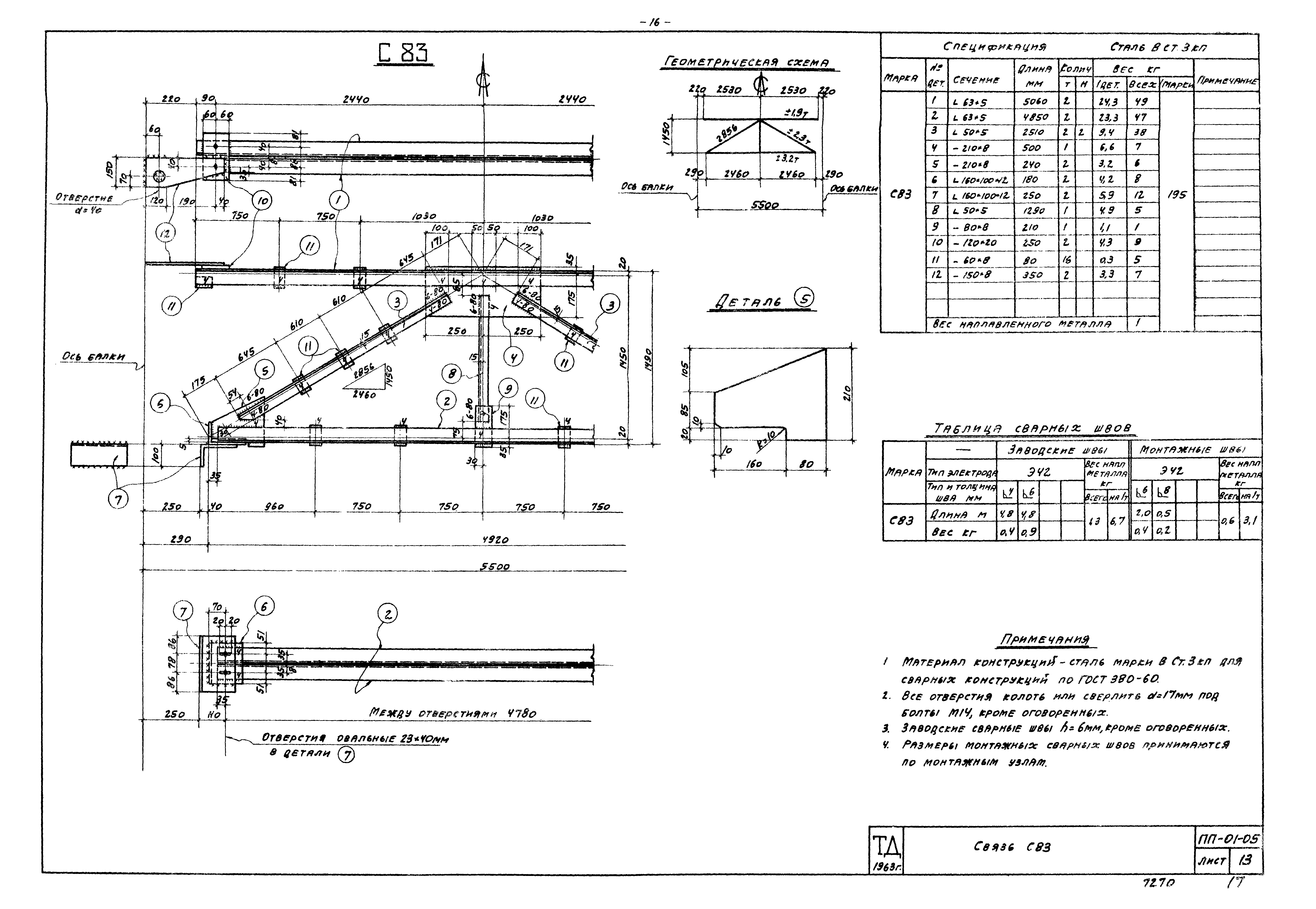
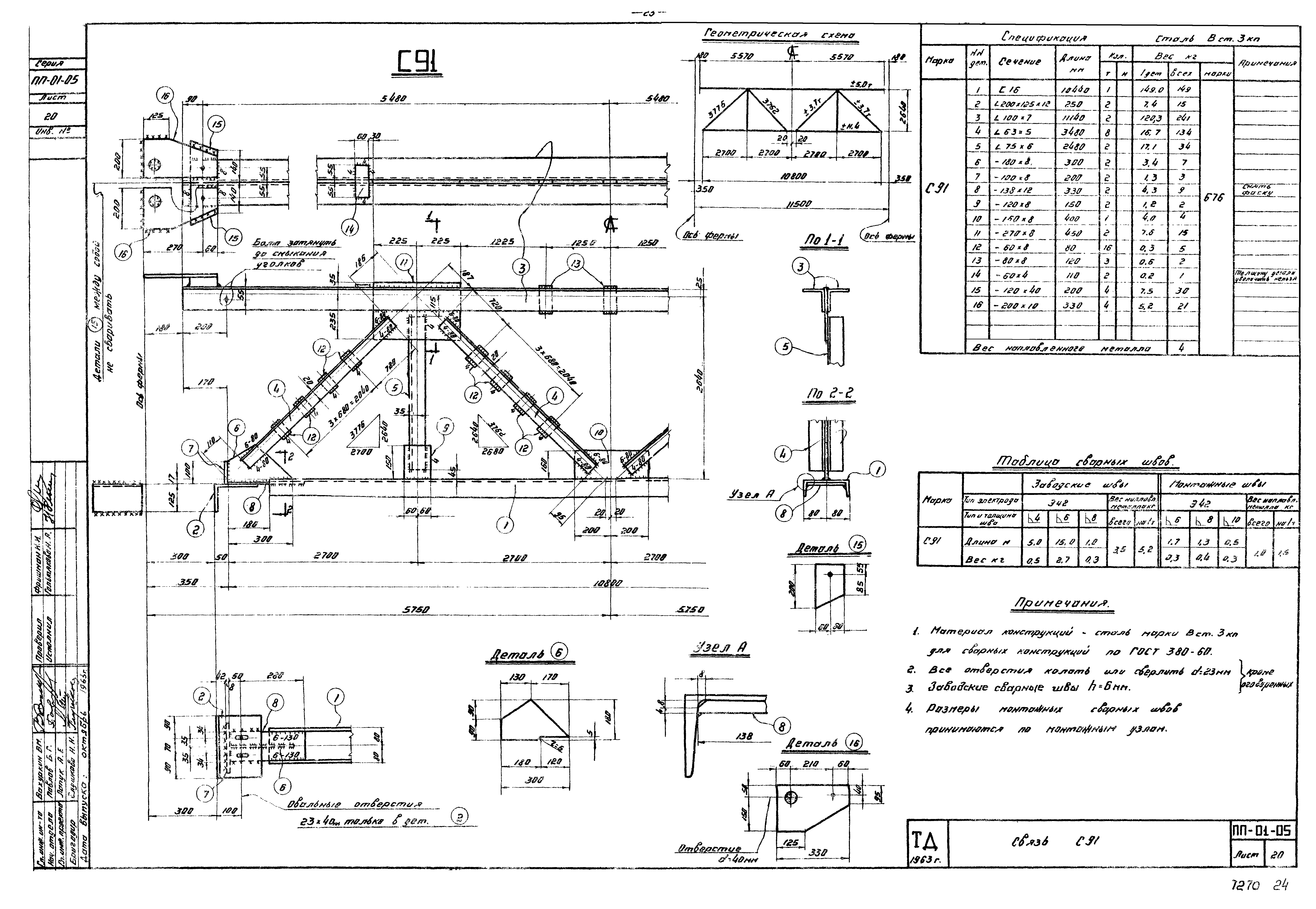
| Оглавление: | Пояснительная записка Геометрические схемы связей и расчетные нагрузки Схема расположения и маркировка связей покрытия с железобетонными балками пролетом 12 м при шаге балок 6 м Схема расположения и маркировка связей покрытия с железобетонными балками пролетом 18 м при шаге балок 6 м Схема расположения и маркировка связей покрытия с железобетонными фермами пролетами 18 и 24 м при шаге ферм 6 м Схема расположения и маркировка связей покрытия с железобетонными фермами пролетами 18 и 24 м при шаге ферм 6 м, с подстропильными фермами по средним рядам Схема расположения и маркировка связей покрытия с железобетонными фермами пролетами 18 и 24 м при шаге ферм 12 м Схема расположения и маркировка связей покрытия с железобетонными фермами при наличии колонн продольного фахверка Монтажные узлы 1-4 Монтажные узлы 5-9 Монтажные узлы 10-13 Монтажные узлы 14-16 Связи С81 и С82 Связь С83 Связи С83 и С85 Связь С86 Связь С87 Связь С88 Связь С89 Связь С90 Связь С91 Связь С92 Связь С93 Связь С94 Связи С99 и С100 Связи С101 и С102 Связи С103 и С104 Связи С105 и С106 Распорки С31,С33,С69,С95,С97,С107 и С108 Распорки С35 и С36 Закладные элементы МС-1,МС-2,МС-3 и МС-4 в колоннах серий КЭ-01-49 и КЭ-01-52 |
| Разработан: | Проектстальконструкция Госстроя СССР |
| Утверждён: | 25.03.1964 Госстрой СССР (Государственный комитет Совета Министров СССР по делам строительства) (USSR Gosstroy 41) |
| Расположен в: |


































