Информационная система
«Ёшкин Кот»

Скачать базу одним архивом
Скачать обновления
История создания базы
Карта сайта

Скачать Серия ИИ-04-6 Выпуск 5. Часть 1. Диафрагмы жесткости связевого каркаса. Опалубка и армирование. Рабочие чертежи

Дата актуализации: 10.08.2017

Серия ИИ-04-6

Выпуск 5. Часть 1. Диафрагмы жесткости связевого каркаса. Опалубка и армирование. Рабочие чертежи

Обозначение: Серия ИИ-04-6
Обозначение англ: Series ИИ-04-6
Статус:не действует
Название рус.:Выпуск 5. Часть 1. Диафрагмы жесткости связевого каркаса. Опалубка и армирование. Рабочие чертежи
Дата добавления в базу:01.09.2013
Дата актуализации:05.05.2017
Дата окончания срока действия:01.04.1982
Оглавление:Перечень серий и выпусков
Содержание
Пояснительная записка
Номенклатура
Опалубка диафрагмы жесткости Д2-28-33
Опалубка диафрагмы жесткости Д2-28-36
Опалубка диафрагмы жесткости Д2-28-42
Опалубка диафрагмы жесткости Д2-20-33
Опалубка диафрагмы жесткости Д2-20-42
Опалубка диафрагмы жесткости Д2-26-33
Опалубка диафрагмы жесткости Д2-26-36
Опалубка диафрагмы жесткости Д2-26-42
Опалубка диафрагмы жесткости Д1-28-33
Опалубка диафрагмы жесткости Д1-28-36
Опалубка диафрагмы жесткости Д1-28-42
Опалубка диафрагмы жесткости Д-28-33
Опалубка диафрагмы жесткости Д-28-36
Опалубка диафрагмы жесткости Д-28-42
Опалубка диафрагмы жесткости Д-26-33
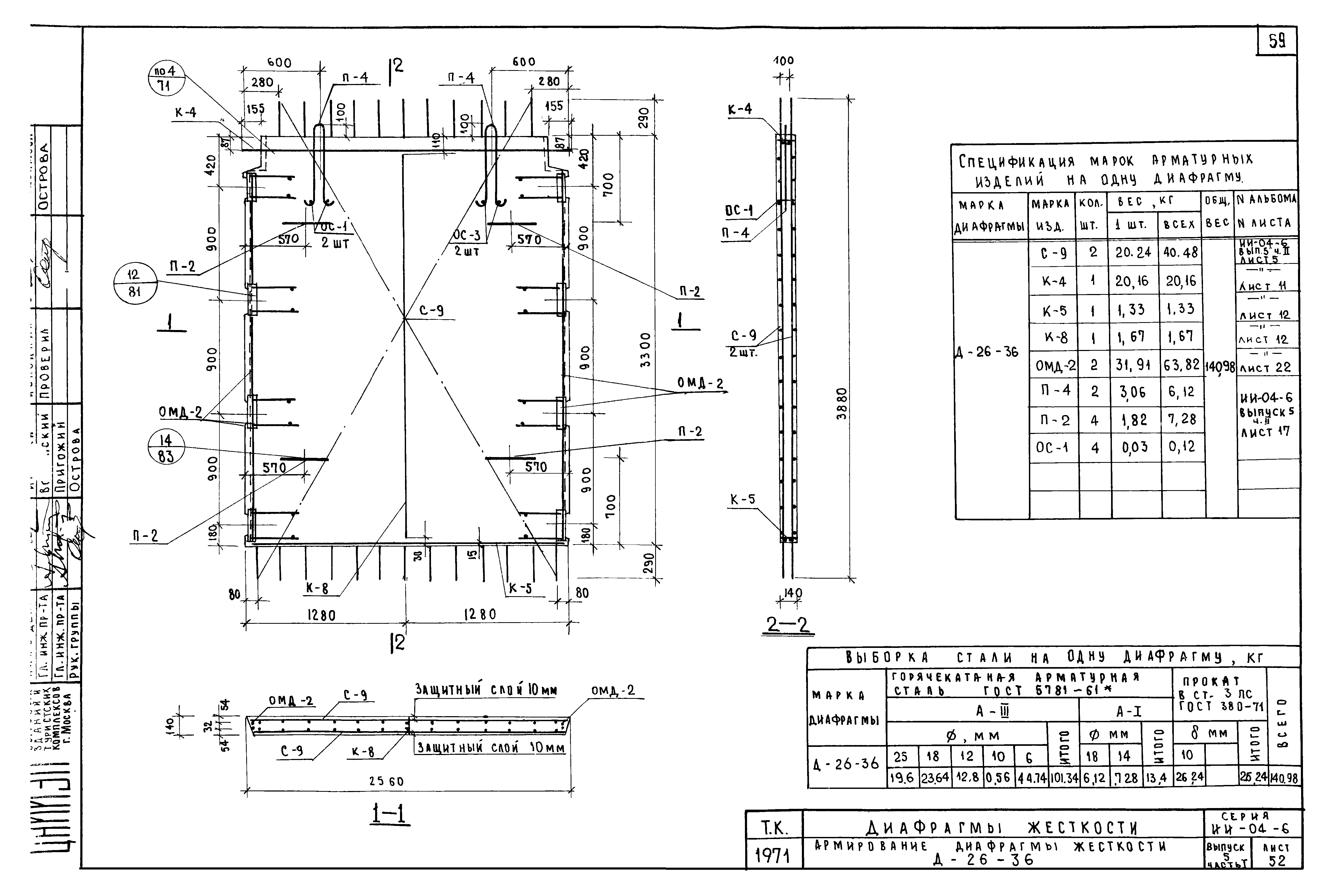
Опалубка диафрагмы жесткости Д-26-36
Опалубка диафрагмы жесткости Д-26-42
Опалубка диафрагмы жесткости Д2-28-33п
Опалубка диафрагмы жесткости Д2-28-36п
Опалубка диафрагмы жесткости Д2-28-42п
Опалубка диафрагмы жесткости Д2-26-33п
Опалубка диафрагмы жесткости Д2-26-36п
Опалубка диафрагмы жесткости Д2-26-42п
Опалубка диафрагмы жесткости Д1-28-33п
Опалубка диафрагмы жесткости Д1-28-36п
Опалубка диафрагмы жесткости Д1-28-42п
Опалубка диафрагмы жесткости Д-28-33п
Опалубка диафрагмы жесткости Д-28-36п
Опалубка диафрагмы жесткости Д-28-42п
Опалубка диафрагмы жесткости Д-26-33п
Опалубка диафрагмы жесткости Д-26-36п
Опалубка диафрагмы жесткости Д-26-42п
Узел 1
Армирование диафрагмы жесткости Д2-28-33
Армирование диафрагмы жесткости Д2-28-36
Армирование диафрагмы жесткости Д2-28-42
Армирование диафрагмы жесткости Д2-20-33
Армирование диафрагмы жесткости Д2-20-42
Армирование диафрагмы жесткости Д2-26-33
Армирование диафрагмы жесткости Д2-26-36
Армирование диафрагмы жесткости Д2-26-42
Армирование диафрагмы жесткости Д1-28-33
Армирование диафрагмы жесткости Д1-28-36
Армирование диафрагмы жесткости Д1-28-42
Армирование диафрагмы жесткости Д-28-33
Армирование диафрагмы жесткости Д-28-36
Армирование диафрагмы жесткости Д-28-42
Армирование диафрагмы жесткости Д-26-33
Армирование диафрагмы жесткости Д-26-36
Армирование диафрагмы жесткости Д-26-42
Армирование диафрагмы жесткости Д2-28-33п
Армирование диафрагмы жесткости Д2-28-36п
Армирование диафрагмы жесткости Д2-28-42п
Армирование диафрагмы жесткости Д2-26-33п
Армирование диафрагмы жесткости Д2-26-36п
Армирование диафрагмы жесткости Д2-26-42п
Армирование диафрагмы жесткости Д1-28-33п
Армирование диафрагмы жесткости Д1-28-36п
Армирование диафрагмы жесткости Д1-28-42п
Армирование диафрагмы жесткости Д-28-33п
Армирование диафрагмы жесткости Д-28-36п
Армирование диафрагмы жесткости Д-28-42п
Армирование диафрагмы жесткости Д-26-33п
Армирование диафрагмы жесткости Д-26-36п
Армирование диафрагмы жесткости Д-26-42п
Узел 2
Узел 3
Узел 4
Сечения 2-2,3-3,4-4 для узлов 2,3
Узел 5
Узел 6
Узел 7
Сечения 2-2,3-3,4-4,6-6 для узлов 5,6,7
Узел 8
Узел 9
Узел 10
Узел 11
Узел 12
Узел 13
Узел 14
Разработан: НИИЖБ Госстроя СССР
ЦНИИЭП торгово-бытовых зданий и туристских комплексов
Утверждён:28.01.1972 Государственный комитет по гражданскому строительству и архитектуре при Госстрое СССР (9)
Расположен в:Техническая документация Строительство Справочные документы Типовые строительные конструкции, изделия и узлы Общероссийский строительный каталог Строительные конструкции, изделия и узлы зданий и сооружений для всех видов строительства Конструкции, изделия и узлы зданий Несущие конструкции двухэтажных и многоэтажных зданий Каркасные здания
Чем заменён:
Серия ИИ-04-6Серия ИИ-04-6Серия ИИ-04-6Серия ИИ-04-6Серия ИИ-04-6Серия ИИ-04-6Серия ИИ-04-6Серия ИИ-04-6Серия ИИ-04-6Серия ИИ-04-6Серия ИИ-04-6Серия ИИ-04-6Серия ИИ-04-6Серия ИИ-04-6Серия ИИ-04-6Серия ИИ-04-6Серия ИИ-04-6Серия ИИ-04-6Серия ИИ-04-6Серия ИИ-04-6Серия ИИ-04-6Серия ИИ-04-6Серия ИИ-04-6Серия ИИ-04-6Серия ИИ-04-6Серия ИИ-04-6Серия ИИ-04-6Серия ИИ-04-6Серия ИИ-04-6Серия ИИ-04-6Серия ИИ-04-6Серия ИИ-04-6Серия ИИ-04-6Серия ИИ-04-6Серия ИИ-04-6Серия ИИ-04-6Серия ИИ-04-6Серия ИИ-04-6Серия ИИ-04-6Серия ИИ-04-6Серия ИИ-04-6Серия ИИ-04-6Серия ИИ-04-6Серия ИИ-04-6Серия ИИ-04-6Серия ИИ-04-6Серия ИИ-04-6Серия ИИ-04-6Серия ИИ-04-6Серия ИИ-04-6Серия ИИ-04-6Серия ИИ-04-6Серия ИИ-04-6Серия ИИ-04-6Серия ИИ-04-6Серия ИИ-04-6Серия ИИ-04-6Серия ИИ-04-6Серия ИИ-04-6Серия ИИ-04-6Серия ИИ-04-6Серия ИИ-04-6Серия ИИ-04-6Серия ИИ-04-6Серия ИИ-04-6Серия ИИ-04-6Серия ИИ-04-6Серия ИИ-04-6Серия ИИ-04-6Серия ИИ-04-6Серия ИИ-04-6Серия ИИ-04-6Серия ИИ-04-6Серия ИИ-04-6Серия ИИ-04-6Серия ИИ-04-6Серия ИИ-04-6Серия ИИ-04-6Серия ИИ-04-6Серия ИИ-04-6Серия ИИ-04-6Серия ИИ-04-6Серия ИИ-04-6Серия ИИ-04-6Серия ИИ-04-6Серия ИИ-04-6Серия ИИ-04-6Серия ИИ-04-6Серия ИИ-04-6Серия ИИ-04-6Серия ИИ-04-6Серия ИИ-04-6

© 2013 Ёшкин Кот :-) Карта сайта