| ||||||||||||||||||||||||||
Скачать Шифр 89-1227 Выпуск 2. Предварительно напряженные плиты длиной 718, 598 и 478 см, шириной 119 и 149 см, армированные стержнями из стали класса Ат-IVС (Ат-IV), для строительства в районах сейсмичностью 9 баллов. Метод натяжения - электротермический. Рабочие чертежиДата актуализации: 10.08.2017
|
| Обозначение: | Шифр 89-1227 |
| Обозначение англ: | 89-1227 |
| Статус: | действует |
| Название рус.: | Выпуск 2. Предварительно напряженные плиты длиной 718, 598 и 478 см, шириной 119 и 149 см, армированные стержнями из стали класса Ат-IVС (Ат-IV), для строительства в районах сейсмичностью 9 баллов. Метод натяжения - электротермический. Рабочие чертежи |
| Дата добавления в базу: | 01.09.2013 |
| Дата актуализации: | 05.05.2017 |
| Дата введения: | 10.04.1989 |
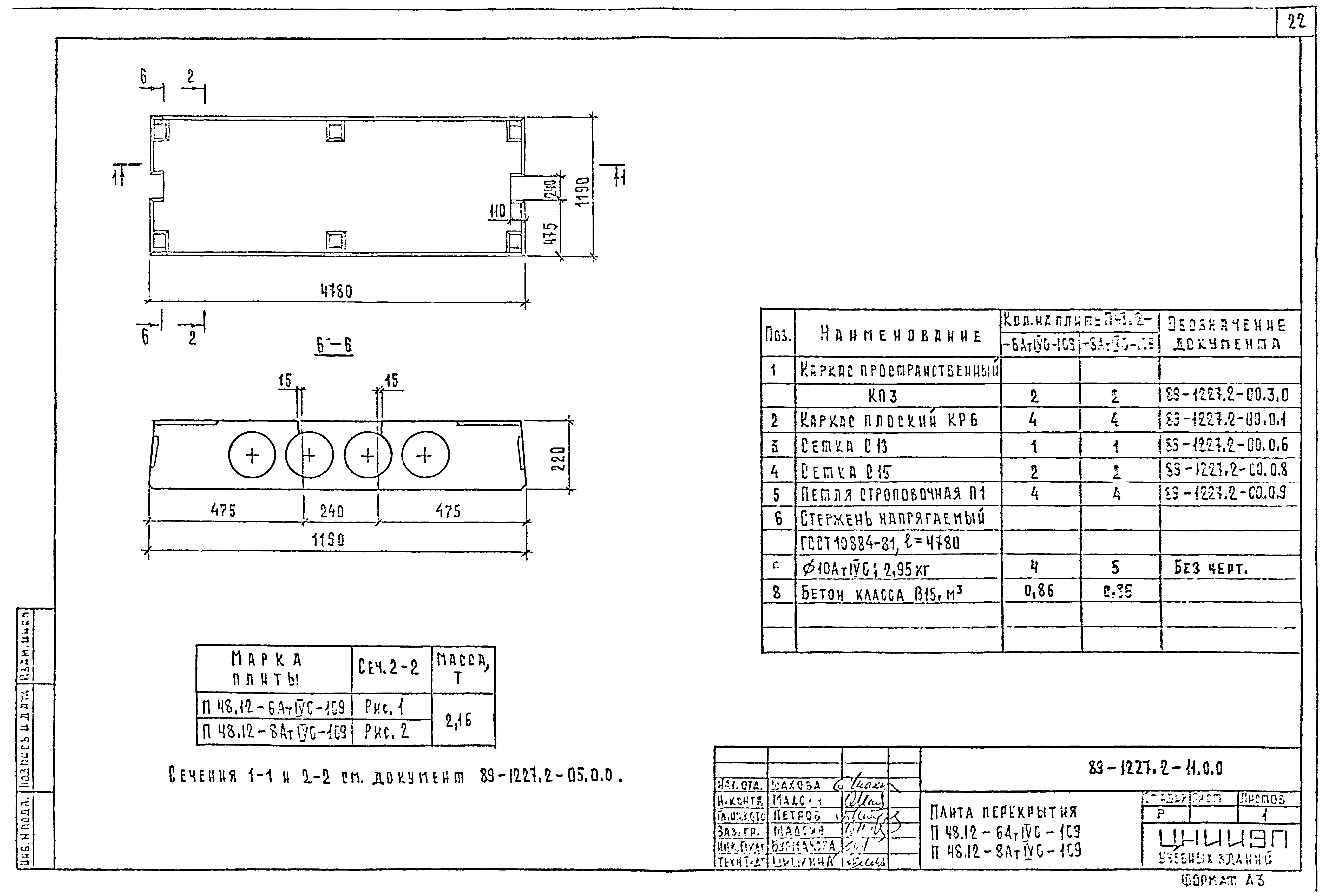
| Оглавление: | 89-1227.2-00.0.0ТО Техническое описание 89-1227.2-01.0.0 Плита перекрытия П 72.12-6Ат1УС-С9, П 72.12-8Ат1УС-С9 89-1227.2-02.0.0 Плита перекрытия П 72.15-6Ат1УС-С9, П 72.15-8Ат1УС-С9 89-1227.2-03.0.0 Плита перекрытия П 60.12-6Ат1УС-С9, П 60.12-8Ат1УС-С9 89-1227.2-04.0.0 Плита перекрытия П 60.15-6Ат1УС-С9, П 60.15-8Ат1УС-С9 89-1227.2-05.0.0 Плита перекрытия П 48.12-6Ат1УС-С9, П 48.12-8Ат1УС-С9 89-1227.2-06.0.0 Плита перекрытия П 48.15-6Ат1УС-С9, П 48.15-8Ат1УС-С9 89-1227.2-07.0.0 Плита перекрытия П 72.12-6Ат1УС-1С9, П 72.12-8Ат1УС-1С9 89-1227.2-08.0.0 Плита перекрытия П 72.15-6Ат1УС-1С9, П 72.15-8Ат1УС-1С9 89-1227.2-09.0.0 Плита перекрытия П 60.12-6Ат1УС-1С9, П 60.12-8Ат1УС-1С9 89-1227.2-10.0.0 Плита перекрытия П 60.15-6Ат1УС-1С9, П 60.15-8Ат1УС-1С9 89-1227.2-11.0.0 Плита перекрытия П 48.12-6Ат1УС-1С9, П 48.12-8Ат1УС-1С9 89-1227.2-12.0.0 Плита перекрытия П 48.15-6Ат1УС-1С9, П 48.15-8Ат1УС-1С9 89-1227.2-00.1.0 Каркас КП1 89-1227.2-00.1.0 Каркас КР1 89-1227.2-00.1.2 Изделие закладное МН1 89-1227.2-00.2.0 Каркас КП2 89-1227.2-00.2.1 Каркас КР2 89-1227.2-00.3.0 Каркас КП3 89-1227.2-00.3.1 Каркас КР3 89-1227.2-00.0.1 Каркас КР (КР4...КР6) 89-1227.2-00.0.2 Сетка С (C1, C9) 89-1227.2-00.0.3 Сетка С (С2, С10) 89-1227.2-00.0.4 Сетка С (С3, С11) 89-1227.2-00.0.5 Сетка С (С4, С12) 89-1227.2-00.0.6 Сетка С (С5, C13) 89-1227.2-00.0.7 Сетка С (С6, C14) 89-1227.2-00.0.8 Сетка С (С7, С8, C15, C16) 89-1227.2-00.0.9 Петля строповочная П(П1, П2) 89-1227.2-00.0.0.У Узел У, У1 89-1227.2-00.0.0 РС Ведомость расхода стали |
| Разработан: | НИИЖБ Госстроя СССР ЦНИИЭП учебных зданий Госгражданстроя |
| Утверждён: | 07.04.1989 ЦНИИСК им.Кучеренко (Kucherenko TsNIISK 36) |
| Расположен в: |

































