Скачать Серия 1.020-1/83 Выпуск 2-12. Колонны сечением 400х400 мм для зданий с высотами этажей 4,8 и 4,8 (6,0) м. Пространственные каркасы. Рабочие чертежиДата актуализации: 10.08.2017 Серия 1.020-1/83
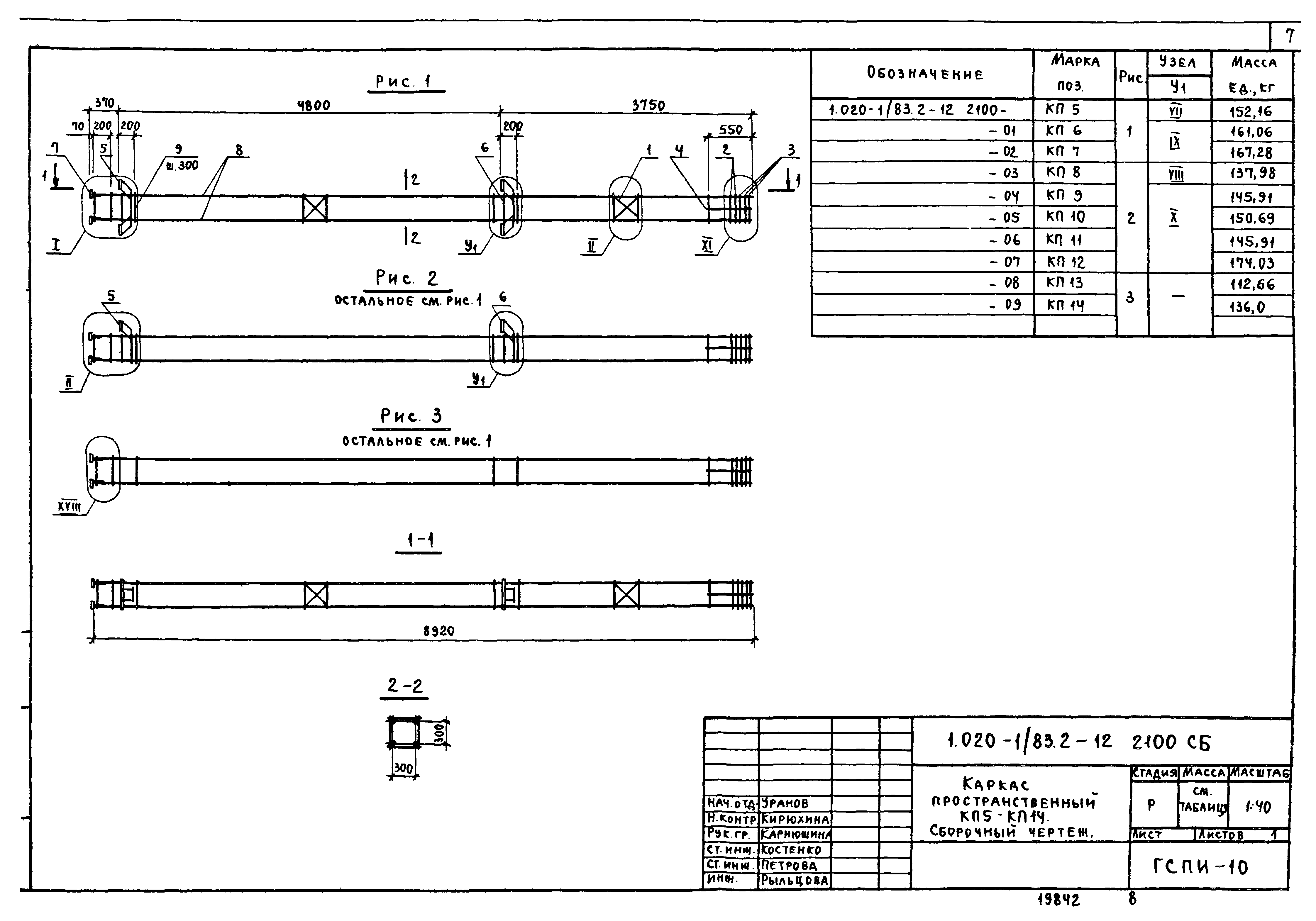
Выпуск 2-12. Колонны сечением 400х400 мм для зданий с высотами этажей 4,8 и 4,8 (6,0) м. Пространственные каркасы. Рабочие чертежиОбозначение: | Серия 1.020-1/83 | Обозначение англ: | Series 1.020-1/83 | Статус: | заменен | Название рус.: | Выпуск 2-12. Колонны сечением 400х400 мм для зданий с высотами этажей 4,8 и 4,8 (6,0) м. Пространственные каркасы. Рабочие чертежи | Дата добавления в базу: | 01.09.2013 | Дата актуализации: | 05.05.2017 | Дата введения: | 01.12.1992 | Оглавление: | 1.020-1/83.2-12 0000ПЗ Пояснительная записка 1.020-1/83.2-12 1100 Каркас пространственный КП1-КП3 1.020-1/83.2-12 2100 Каркас пространственный КП5-КП14 1.020-1/83.2-12 3100 Каркас пространственный КП15-КП26 1.020-1/83.2-12 4100 Каркас пространственный КП27-КП47 1.020-1/83.2-12 5100 Каркас пространственный КП48-КП54 1.020-1/83.2-12 5200 Каркас пространственный КП55-КП81 1.020-1/83.2-12 5300 Каркас пространственный КП82-КП85 1.020-1/83.2-12 6100 Каркас пространственный КП86-КП91 1.020-1/83.2-12 6200 Каркас пространственный КП92-КП122 1.020-1/83.2-12 6300 Каркас пространственный КП123-КП125 1.020-1/83.2-12 7100 Каркас пространственный КП126-КП133 1.020-1/83.2-12 7200 Каркас пространственный КП134-КП139,КП176,КП177 1.020-1/83.2-12 8100 Каркас пространственный КП140-КП148 1.020-1/83.2-12 8200 Каркас пространственный КП149-КП154 1.020-1/83.2-12 9100 Каркас пространственный КП155-КП175 1.020-1/83.2-12 0000У Узел 1-28 | Разработан: | НИИЖБ Госстроя СССР ЦНИИпромзданий ЦНИИЭП торгово-бытовых зданий и туристских комплексов ГСПИ-10 Гипростроммаш
| Утверждён: | 13.07.1984 Госстрой СССР (Государственный комитет Совета Министров СССР по делам строительства) (USSR Gosstroy 112)
| Расположен в: |
| Заменяет собой: | | Чем заменён: | |
                                                           
|